Fórum témák
» Több friss téma |
Helló!
Hordozható CD-játszóhoz szeretnék egy 12V/3V -os tápot,autoba,van v.kinek egy helyes kis stabilizátor rajza?
Üdv!
Biztos 3V kell neki külső tápról? mert az enyémhez 4.5V kell. Letöltöd az LM317-es stab IC adatlapját és máris megvan a kapcsolás. És ráadásul még simán bele is fér egy szivargyújtó dugaszba.
Vagy használhatsz 7803-at ha lehet nálunk kapni, de ha nem akkor meg a 7805-ből valahogy lehet 3-V ot csinálni, csak nem találom...
7803-at még nem nagyon láttam boltban. De tény hogy létezik mivel van a WiFi kártyámon is és valahonnan kitermeltem egy SMD változatát is.
Hali!
Egy megközelítő áramfelvételt is írhatnál, mert a táp IC árama és főleg az elfűtött teljesítménye nem mindegy. LM317-tel (7803-mal) már 0,5A esetén is 5W az elfűtött teljesítmény, és az a hűtés ami ehhez kell, már nem kicsi. Ilyen célra inkább keress kapcsoló táp IC-t (LM2574), ami a kiegészítő alkatrészekkel nagyobb mint egy TO220-as tok és bonyolultabb is kicsit, de a fűtés gyakorlatilag 0 és még mindig elfér egy szivargyújtó dugóban. Szerintem...
Én már csináltam 7805-ből ilyet, egy kicsit melegszik de nem vészes.
A stabtáp kimenő feszültsége egyszerüen megemelhető, de arról nem tudok hogy csökkenthető is!
Áruld el, hogy gondoltad, hátha tanulunk!:yes:
Próbáltam LM317-el nem birta.Lehet a kapcsolás nem volt jó...
Nem bírta???? nagyon melegedett vagy mi? mert ha a fesz nem lett stabil akkor ott valami elkötés lehet a baj.
Ja tényleg! 3.3V-os volt és nem 3V-os amit kitermeltem.
A fesz. stabil volt,a kütyü nem müködött,lehet kevés volt a hűtőfelület.
akkor szerintem nem 3V a bemenőfesz a külső tápról!!!!
Úgy lehet csökkenteni, hogy az ember egy osztóval csinál egy virtuális földet és a com-ot negatívabb pontra húzza... nem ?
Az elgondolás jó, csak ekkor a kimenő fesz emelkedik.
Vagy külön negatív táp kell a stabkocka GND-jének. Ráadásul ha, nem referencia feszültség, akkor a kimenő 3V-od sem stabil. Nem? :yes:
Vagy a kimenetre egy soros 2V körüli zener a megfelelő árammal.
Üdv Inhouse
7805 és a kimenetére soros 2 darab dióda.Elméletben a diódán 0,7V esik, nálam gyakorlatban 0,4 szokott esni soros felhasználás során.Egyszerü.
Esetleg egy soros ellenállás és 2 piros led...(világítós adapter
)
No, ez már jobb valamivel, de a 3,3 V-os zener előtétellenállással az igazi.:yes:
Nem hiszem, hogy egy névleges 3V-os bármilyen kütyü ne viselné el.:yes:
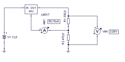
pl. így lehet 7805ből 3V körüli feszültséget előállítani - ha pontosság nem annyira fontos, és n*100mA a max terhelés :yes:
Biztos Si diódákat használsz? Mekkora áram folyik át rajtuk?
Biztos hogy elviseli! Az én CD/MP3-játszómhoz 4,5V-os külső táp van. Én simán beraktam egy 7805-öst egy szivargyújtó dugaszba és kész. tökéletesen működött.
Én adnék neked 20 pontot, ha én nyitoottam volna:yes:
Cool Bevallom nem gondoltam rá. OK:yes:
Köszi.
![]() Valójában nem próbáltam, hogy műxik-e az elrendezés; amikor olvastam a címet akkor találtam ki. De muszáj működnie, igaz a hatásfok nem az erőssége. :yes:
Az LM78o5 símán bír 1A-t ,tehát gondolom O.K. lesz.Köszi mindenkinek!
csá
régebben vettem e Kecskeméti metróba tápegységet amit ha beledúgoka 12voltos szivargyújtóba csökenti le az áramot
A következő a helyzet.
Van egy digitális rádióm ami hamar leszívja az elemeket. Mivel használhatnám hálózatról amit az elemek helyére kötök rá? Mobiltöltőnél ha lehet ne legyen nagyobb. (univerzális töltőm 1,5V-12Vig van. 2db. AAA. 3V. körül, nokia töltőm lenne, de az 5V. körül mozog. |
Bejelentkezés
Hirdetés |





:yes:
) 






