Fórum témák
» Több friss téma |
A téma átmenetileg fagyasztva lett, hozzászólni nem tudsz!
CHZ: Egyébként most így triódába nemtetszik annyira a hangja. Valahogy nemolyan, mint előtte.
Mofesa.: Majd zavarhatlak valamikor? Rátudnál majd nézni szkóppal? Még eldöntöm az előfok hogyanlesz. Levezetékelem, és elkezdeném a másik végfokot is.
Normalis meressel erdemes lenne beallitani az erositot.
Szkop, generator, vegigmerni szinusz es negyszog jellel, szimmetrikus vagasra beallitani, vegcsoveket elotte parbavalogatni. Kompenzaciot beallitani 10KHz negyszog vizsgalataval. Szerintem 6dB koruli visszcsatolas elegendo, igy az ECC bemenete megfelelne normal vonali szintnek EF kisebb jelszintek fogdasara megmaradhatna, potit az ECC ele kotnem, kapcsoloval levalasztva a alacsony szintu bemenetet. Szerintem az eredeti valtozatban az EF fotocella fogadasara lett kialakitva, vonali szint ott is a kovetkezo fokozatrament. Mig megfeleloen, meresekkel nem allitod be, ne is varj optimalis minoseget. PP beallitasanal nem csak a munkapontokra kell ugyelni, itt a szimmetria is fontos, SE beallitasa egyszerubb.
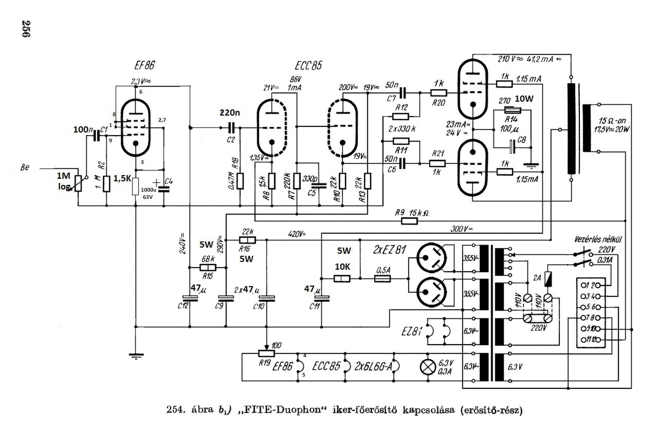
Most atneztem az eredeti rajzot ket bemenet van kialakitva, 21 es 50mV erzekenysegu. Egyik sem megfelelo manapsag hasznalt jelforrasokhoz, ezert erdemes modositani a kapcsolast, fentebb emlitett megoldas szerint.
Csak egyeztetés kérdése.
Fogadd meg CHZ tanácsait, sokat segít.
„Rajta ülök azóta. Kösz, mofesa amit eddig is segítettél.
Tudjátok Papát. Van egy másik Papa is ám. A duophon papája. Hívott az imént, hogy olvasta ami itt folyik, és érzi már, hogy jöhet. Ő nagy mozis. Eljön hozzám holnap. Sok könyvet küldött, remélem nem kéri számon.. : )) Most találkozunk negyedszerre. "Kötelezőlenne" regisztrálnia, de azóta sem látom itt.. Pedíg nagyon megtisztelne.. ” Most sajátmagam lájkolom. Szerintem a fórum szellemében ez nagy lépcső. A hozzászólás módosítva: Aug 6, 2015
A tegnap egész délutánja a hallgatózásról szólt. Először zongoramű. Régen volt pákások találkozója, onnan volt a lemez. Meghallgattuk. Utánais sokmindent hallgattunk.
Végeredményképpen aztszögeztük le, kicsi a szoba. Brumm neki megfelelő volt. Nekem nem. Azonmajdmég agyalunk. Elejét is kitaláltam ma álmomba. MAjd CHZ segítségét kérem mindjárt, csak megkell fogalmaznom, hogy Őis értse. Ma elhoztam a kondikat a kettő végfokhoz.. Nem csavaros, senem régi. Féltem a régi típusúaktól.. Ezlesz. MAjd sasszit módosítok. 'Evvan. Tegnap azért bólogattunk, hogy ez nem SE. Jólesz ez.
Annyira sokat mégsem beszélek. Ez a fényhang mire volt? Egyik bemenete ezlene. A másik a sima Line. Kapcsolóval ezek között lehetne váltani. Nemtagadom szeretnék mozizni vele, és ezt nemhagynámki a rendszerből. CHZ? Szájbarágósan, ha lehet.. : )
Újabb gyártásom van, mint ahogy a rajznál is említi. A hozzászólás módosítva: Aug 7, 2015
Régen a mozihoz a hangot valami lámpás/fotocellás módszerrel adagolták. Hogy pontosan hogyan ment, azt nem tudom, de kapcsolást láttam már rá. Valami olyasmi lehetett, hogy a fotocella és a lámpa között ment a hang szalagja és a frekvenciának megfelelő mennyiségű fényt engedett rá a fotocellára.
Ígynézki a vezérlő 'számlapja.
Fotocella / Gramofon / Magnetofon / Mikrofon. Ezek voltak a bemeneti kapcsoló állásai. A végfoknál csak két bemenet volt, ahogy a rajzon is szerepel.
Ha idetéved egy mozis, mondjon már valamit! Tudom többen is vagytok itt.
Ami kiábrándító, az a képen olvasható. Nekem csak ezvan hozzá. Akkor ezzel nemsokra megyek vagy? Bemenettel nemis kellene foglalkoznom, még megnincs a vetítő.. Lehet saccolni valamit? Többet kell olvasnom. A hozzászólás módosítva: Aug 7, 2015
Ha ezt a kapcsolás megépíted elé, akkor az EF kikerülhető teljesen.
Az ECC85 bemenet érzékenységét mérd meg jelenlegi állapotában. Szkóp, generátor kellene hozzá, műterhelésen mérni, addig kivezérelni, míg nem vágja a szinuszt, nem torz. Ha szükséges R9 ellenállás módosításával kb 700mV érzékenységűre belőni ezt a bemenetet. Így zenehallgatásra és a fotócellás előfokod fogadására is alkalmas lesz.
MOst érkeztem el az első pihenőhöz.. Utánakell néznem, hogy hogyan kell a bemenetet csinálnom. MIhez. Nemcsak riaa -ról szeretném járatni. Addíg nemkezdek hozzá a másikhoz.
Mondanám, hogy ráérsz -e holnap..?. . A hozzászólás módosítva: Aug 7, 2015
Nézegetem a vetítőket, és kérdezősködtem is. MInd vonali jelet kíván. Ami nem, meg megelékszik ezzel a fényhangerősítővel.
Szóval ezlesz a megoldás. Egy bemenet fényhangra, és vonalra. Nekem is van egy 16mm esem, de ez már újabb.
Igen, ez a 16-os "újabb": 1975-76 körüli. Meoclub 16 névre hallgató csehszlovák gyártmány, mágneses és fényhang leolvasóval. Ebben már nem fotocella figyel, hanem 1PP75 típusú fényellenállás. A mágneshang olyan, mintha magnószalagot használna: legalább 14kHz a felső határfrekije, szemben a fényhang szerény 8-10kHz-ével.
A fényhang leolvasásához kell egy hanglámpa (6V 30W körüli szálhelyzet-tűréssel gyártott típus), ami résoptikával vetít egy vékony, éles csíkot az amplitúdó-modulációval rögzített fényhang-sávra. A film másik oldalán a fotocella, vagy fényellenállás áramkörében rögtön hangfrekvenciás jel keletkezik. Kérek szépen egy jó felbontású éles képet a hátlapba ragasztott rajzról.
Örülnék, ha azlenne. Sajnos nemaz. Revuelux 4004. Nemolyan nagydurranás, mint gondolnád.
Most hogy bekapcsoltam, az izzó is kiégett, és a szíj is elszakadt. Ezen a vonalon elindulhatnék ezen a téren is. Szeretnék majd egy nagyobbat, mindenképp. Nézegettem a Fite 16 -okat, meg a Prexereket.. : )
Szia!
Kicseréltem az anódpuffereket. 30V -al csökkent az anódfeszem. Amit küldtél rajzot, köszönöm. MIt csináljak az EF-el? Tényleg nemakarom kihagyni. Értem, ha ECC-t belövöm vonalra akkor arra mehet ez a fotocella előerősítő is. Így spórolnék a végfok hátulján egy csatlakozóhelyet a kijelzőnek. Ezért nemtudok dönteni. Normálisan illesztett dobozzal sem tudom tesztelni, lehet azért torzit magasabb kivezérlésen. Leszedek róla mindent, küldök rá 1kHz színuszt és 13 ohmot. Mindjárt kimérem.
Bemenetre 1kHz színusz, 700mV.
1. kép EF anódján. 2. kép ECC 1. fele, Anód + rács közös pontja 3. kép ECC második fél anódja 4. kép El34 anódja Mindez teljes kivezérlésen. Kimeneten 16,7V , 13,6 ohm . ( Ahogy számolom az 20,5W ) 5. kép az EL34 anódján itt kezd torzítani. Ahogy nézem azt a pontot kellene megnéztem a kinenőtrafó végén ahol még nemtorzít. Az mennyi lehet. Számít ez valamit, vagy láttok valamit a képekből.?. Valamiért a tetejét kezdi vágni. A hozzászólás módosítva: Aug 8, 2015
Továbbgondolva: lehet ez a cső szimetriaproblémájától?
Már említettem, műterhelésen mérj a kimeneten!
Ott nézzük meg mit produkál és mekkora bemenő jelre vág (ECC bemenetéről)! Ez lenne az első lépés.. A hozzászólás módosítva: Aug 8, 2015
Lehet. EL áramai azonosak? (De "egy" vonalat vigyél végig, CHZ tanácsait kövesd.)
Kicsit vissza, mert a mérést is meg szeretném érteni.
Ha a kimenőtrafó szekunderét mérem, akkor meg ezvan. MOst ismét azttanácsolod, hogy hagyjam ki az EF-et. Kihagyhatom, és átköthetem ahogy írtad, de az ebben a sorkapcsos, szűk, lekábelezett helyzetben nekem sok idő volna. Nembízol ebben a csőben én értem. Nehet nem is erre gyártották. Jó, kihagyom. Elég csak csatolóval rámennem a bemenetére, vagy alakítsam át ahogy mondtad.?. Szkóppal 40V peak -et mérek ezzel a képpel a kimeneten. Terhelésen. Hiába, ha nemértem basszus.. A hozzászólás módosítva: Aug 8, 2015
Nekem semmi bajom ezzel a csővel
Nenekemcímezd
Bementem ECC bemenetére egy potival+ 10k földre + Csatoló.
Ezvan a kimeneten maximum kivezérlésen. Ilyenkor a bemenet a régi, 700mV. (1. kép.) A generátort maximumra csavartam (2. kép). Ez jön ki az illesztőtrafó végén 3V bemenetnél (3. kép) Ezzel a terheléssel. ( 4. kép.) Nomiaszösz, hogy 30V nál sem torzít... A hozzászólás módosítva: Aug 8, 2015
Kevés az a 3V. Ebből honnan tudod, hogy az előfokod szimmetrikusan vág -e?
CHZ : R9 módosítása ilyenkor lehet megoldás nemde? Ismét tapogatózok..
R9 helyére most jöhetne 100k trimmer? A hozzászólás módosítva: Aug 8, 2015
Még egyszer leírom, első lépés az ECC bemenetéről mérni, de jól és értékelhetően!
Majd jöhet az EF bemenetéről is. Ennél érthetőbben nem tudom elmondani...
Azthiszem ez a rajz volt megépítve levegőbe. Próbálom lefűzni, de sehogysem működik. Már háromszor kötöttem újra. 3 csővel próbáltam. Bemegy a jel, de EF en semmi nemjön ki. Feszültségek megvannak. Semmi nemjönki az EF végén.
A hozzászólás módosítva: Aug 10, 2015
G2 lába 1. Anódon van. A rajz rossz. A számozás?
|
Bejelentkezés
Hirdetés |


Jólesz ez. 








. 

















