Fórum témák
» Több friss téma |
Kicsit egyszerűbbnek gondoltam. Az IGBT elvileg?? nem zárlatos ami gyanússá teszi mégis, az egész vezérlő köre a rövidzárral egyenlő. A nagy kérdés számomra, honnét jött a pofon. Az LM 339 nincs felrobbanva, a kimeneti tranzisztorok viszont eléggé rossz állapotban vannak.Tápkondik szúrópróba szerint tökéletesek.(esr-re is) Nincs kedvem IGBT-t cserélni, de ha az egész vezérlés csere után ismét szétver mindent, na ahhoz sincs kedvem.Tapasztalat esetleg? Mennyire gyakori egy látszólag jó, de mégis átvezető IGBT? Esetleg mi okoz még ilyet?
A hozzászólás módosítva: Feb 3, 2015
Nem gyakori. Egyébként, ha egy db van benne, akkor annak zárlata nem veri a 10A-es biztit, mert a tekercs kapcitíven csatolt. Tedd azt, ami a nicked: 24V körüli áramkorlátos tápot az IGBT C-E lábára, meajd próbáld kinyitni a gate felől. Ha rendben van, akkor haladj tovább.
12V -al már próbáltam, simán ment kézrátétellel ahogyan a többi fet is szokott. Csak az a félelmem , a G és a D Között átvezethet az üzemi feszültségen ( 1000V -ot azért már nem akarok ráadni) . Más lehetséges okát nem látom a S - D közötti rövidzár sorozatnak ( látszólag jó IGBT mellett) . Bár minden alkatrész tönkre mehet magától is, a francnak kell okot keresni....
Sziasztok. Minap került hozzám egy Mia IKP2206s névre hallgató indukciós lap. Nyákon külsérelmi nyom nem látható, viszont a kijelzője nem jelez semmit, ill. nem reagál semmire.Esetleg tudna valaki segíteni benne, merre induljak a hiba keresésében?
Nem igazán vagyok jártas főzőlapokban. Esetleg tudnál adni segitséget hol mérjek?
Szia tudnál segíteni nekem is ugyan ez a problémám nem tudom a tied rendbe jött
Erőre is köszönöm
Sziasztok,
Van egy Vinchi Classic 1 lapos szerkezetem. Teljesen random módon E1 hibát jelez ( E1 = 145V-nál kisebb feszültség, alacsony feszültség elleni védelem ). Van, hogy napokig semmi, aztán pl. ma is állandóan. Ki-be húzogatás után meg szokott szünni, de teljesen kiszámíthatatlan. A hálózati fesz. megvan, kondikat már cseréltem, a belső tápok szerintem rendben. De az a 145 volt nem tudom, mi akar lenni. Valakinek valami ötlete? A hozzászólás módosítva: Máj 13, 2015
Olvass vissza, leírtam: meg kell keresni a hálózati feszt figyelő osztót és azt módosítani.
Szia. Visszaolvastam, megtaláltam a bejegyzésed. Igazad van. Kössz.
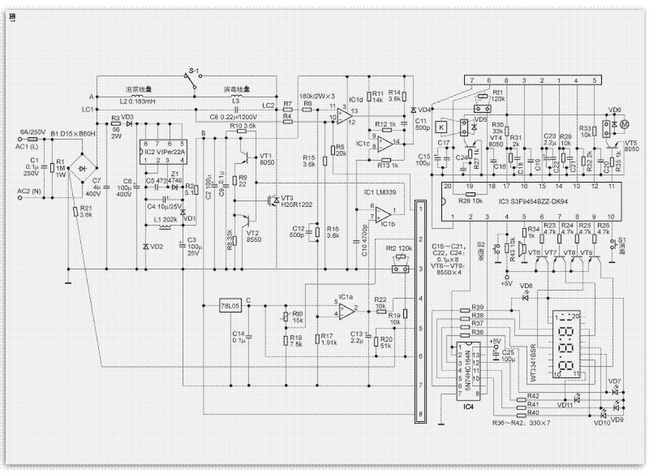
Csak egy kérdés ezzel kapcsolatban: meg tudnád-e mondani, ill. bejelölni a rajzon mit merre módositsak? (mellékletben egy rajz ami a legjobban hasonlít az enyémre) Nekem az IC1a bemenete tűnik annak amit keresek de nem vagyok biztos benne.
Az R4-R15 osztó lesz az. R4 értékét nem látom - ezt lehetne csökkenteni - vagy a 3k6-ot növelni 3k9-re.
Ez kész. Az adott ponton 1.8 V helyett lett 2 Volt, most megy. Ha a holnapi ebédemet is meg tudom majd melegíteni rajta akkor jár egy sör!
Na, ilyen bajom még nem volt, de gyanítom, hogy ezt a részt már a proci végzi...
Az ár is brutál: 1µF 1600V
3,3µF 400V AC Az én lapom 6500HUF volt... nem jönnek ki a kondik ennyiből... Régen az NDK vasaló 220Ft-ba került, ha alkatrészenként vettem meg és összeraktam, 35Ft-ot kerestem vele. A hozzászólás módosítva: Máj 24, 2015
Elnézést, hogy esetleg butaságot kérdezek! 2010-ben vettem egy Hauser márkájú IC-2009 jelzésű indukciós főzőlapot,amely mostanáig eredeti csomagolásban volt eltéve,most érkezett el az idő a használatára és elsőre levágta a biztosítékot..előtte berregett egy sort....hol lehetne megnézetni, hogy mi a bibi? Többet nem mertem kísérletezni, miután az egész házat áramtalanítottam...köszönöm a válaszukat!
Próbáld meg, kapcsolj vele sorosan egy 100W-os izzót. Úgy kapcsold be. Ha új korában jó volt és nem volt használva, akkor annak most is jónak kéne lennie. Esetleg nincs egérpisi szaga?
A hozzászólás módosítva: Jún 1, 2015
Sziasztok!
Segítséget szertnék kérni.Adott egy Clatronic-eki-3092 főzőlap,bekapcsolás után E6-os hibát ír.Utánna néztem a kézikönyvnek és a (Túl magas feszültség. Ellenőrizze a hálózati áramot!) mondatot találtam.Valami ötlet?
Sziasztok!
Segítséget kérek.van egy ART-LAND idukciós főzőm,tönkrement a ventillátora.Honnan tudnék szerezni?
Szia!
Egy fénykép azért nagyon sokat segítene ám.
OK.Holnap lefotózom.
Ime a ventillátor.
Szia!
Egy hasonló méretű PC ventilátornak kiveszed a közepét, és ráépíted a másik helyére. Természetesen előbb, a régit leoperálod
Kedves Fórumtársak!Tanulságképp teszem fel , tipikus meghibásodási forrás: R4 pozícióban egy 820 kiloohm-os , ránézésre 2W-os ellenállás megszakadt. Több soros ellenállással (8x100k +22k) lett kiváltva. Úgy fértek el praktikusan, hogy egy soros átkötés is ki lett szedve. Tudom, így nem esztétikus , de praktikus. ( Az ominózus ellenállást a a második fotón a platni szélére tettem szemléltetésre.) Más háztartási készülék panelján is találkoztam hasonlóval (mosógép). Tapasztalatból mondom,ha egy ellenálláson relatíve nagy, 100-200V feszültség esik , hiába van rendben a teljesítménye, hajlamos a "hideg" szakadásra. A megoldás: több soros ellenállás alkalmazása.
A hozzászólás módosítva: Aug 25, 2015
Sziasztok!
Van egy FAGOR 5IFT-22X-es félindukciós főzőlapom, volt egy vihar miatti áramkimaradás, azóta a két indukciós lapra időnként F5 hibát jelez. Több helyen azt olvastam, hogy kondenzátorok cseréjével megoldható a probléma. Keresek valakit aki vállalná, hogy megjavítja a helyszínen. Várom a jelentkezéseket, javaslatokat, ajánlatokat!
Szia!
Régebben írtad hogy kell egy 7812 a12V-os ventillátorhoz. Hova kell forrasztani |
Bejelentkezés
Hirdetés |










