Fórum témák
» Több friss téma |
Fórum » LED-es kivezérlésjelzők
Témaindító: KeserűCukor, idő: Márc 27, 2006
Témakörök:
Igen, tápot külön bementről kap, a jelet pedig jackdugón keresztül. A nyákba van beforrasztva egy lengő jackes bemenet, szóval elvileg minden megvan. A frekigenerátort a jack helyére kötöttük és úgy kapta a jelet és ment. Szóval nem tudom. :\
Az erösitö melyik kimenetére kötöd? A hangszoro kimeneten csak komoly erösitö ad le akkora feszültséget, ami megmozditja a ledeket.
Szerintem elírta, 200 mVpp lehetett az az érték, ahol megmozdult. Annyit egy telefon is tudhat.
A kérdezőnek: A potméter a bemeneten nincs esetleg teljesen lecsavarva?
Ha ez tényleg így van a valóságban is ahogy írod, akkor csak valami triviális hiba van, amit elnézel.
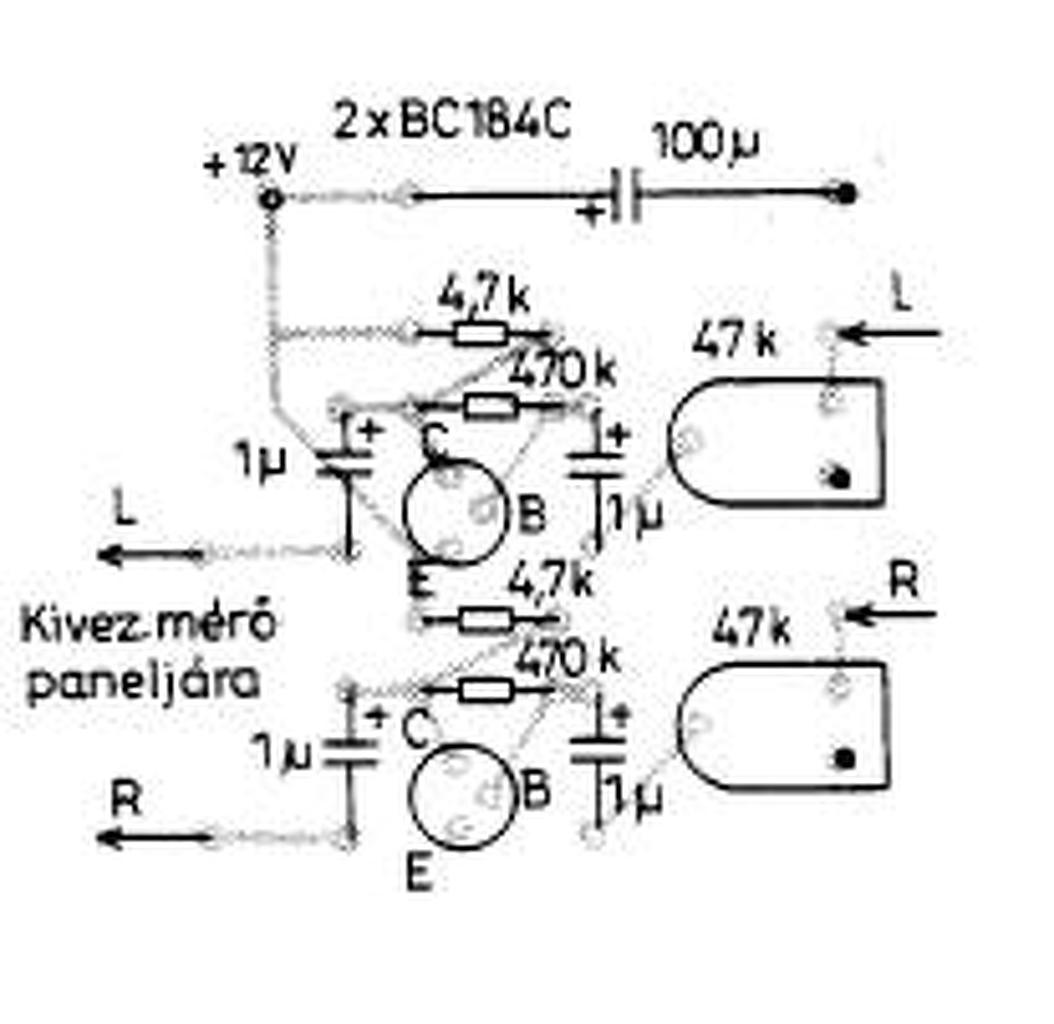
- Ha egy 10kohm-os ellenállást kötsz ideiglenesen a második tranyó bázisa és kollektora közé, akkor kb. a fele Led-nek jelezni kell. Ezzel hátrafelé ellenőrizheted az üzemkészséget. - Aztán az ellenállást kivéve, a diódák utáni 10µF-os kondin feszültséget mérve, meg lehet tudni, eljut-e a hangfrekis jel az egyenirányítóra. - De egy kis pld. 6V-os trafóról is lehet jelet adni a bemenetre és működni kellene a kijelzőnek.
Az erősítőt egy aux-jack vezetékkel kötöm be a kijelző bemenetére és oda megy a telefon is. A potméter pedig középállásban van, próbáltam azt is, hogy tekergetem hátha az fogja meg. Telefonról nem megy, se laptopról...
Ja, egy Aux kimeneten szerintem nincs akkor a jel, ami kivezérelné ezt a kapcsolást. Hangszóró kimenetre kellene kötni..
De 9V tápfesz mellett az első erősítő fokozat munkapontja sem lehet megfelelő. Próbáld meg kicserélni a 2,7kohm-os ellenállást kicserélni 3,3k..10kohm-ra. A kollektor feszültségnek hozzávetőlegesen a tápfeszültség felének kellene lenni.
A hozzászólás módosítva: Aug 16, 2015
Akkor talán követni kellene amit itt írtam. Mert így nem jutsz az egyről a kettőre..
A hozzászólás módosítva: Aug 16, 2015
Rendben, de erre már csak holnap tud sor kerülni :\ Majd írok ha lesz valami fejlemény..
Maga a szerkezet jó, ezek le voltak mérve, mindenhova eljut minden, ezért is hoztam haza finishben..
De ha minden jó, és mégsem működik, akkor már csak egy hiba lehet, nincs jel. Vagy ellentmondás van a dologban.
Csodák igen ritkán vannak, általában csak boldoggá avatás előtt szokott hirtelen lenni.
Tudom
minden esetre kipróbálom amiket leírtál ! Holnap megveszem a szükséges alkatrészeket és kiderül minden. Köszönöm a válaszokat!
Jel még lenne, de az áramkör 25 kOhmos bemeneti ellenállása leterheli.
Ez a kijelzö valoszinüleg nagyteljesitményü kimenetre készült. A házi átlagos erösitön nincs ekkora jel ( hacsak fel nem tekered közel maximumra). Itt a legjobb lenne a bemeneti fokozat erösitését emelni, ha a hangszoro kimenetre akarják kötni. Ha az AUX-ra akkor meg a bemeneti impedanciát kéne növelni. Mielött egyebet tenne, meg kellene probálni hangszoro nélkül a kimenetre kötni, hogy ugy van-e ott elég jel.
" ha nem a hangszoro kimenetre akarják kötni" Gondolom ezt írtad volna..
Fogalmam sincs milyen erősítője van, és mekkora a jel a kimeneten. A cikk írója sem írta az érzékenységet. De várhatóan a hangszóró kimenete készült a rajz. Amúgy ne nekem, hanem a kollégának tanácsold, mert Ő szeretné megoldani, amit még nem is tudni mit..
A hangszoro kimenetet a hangszoro jol leterheli. Én sem tudom milyen erösitöje van, ezért irtam, hogy kösse hangszoro nélkül a kimenetre, mert akkor növelheti a szomszédok zaklatása nélkül a jelszintet és ellenörizheti, hogy hogyan reagál a jelre. Ha megy és visszadugja a hangszorot, akkor ott nincs elég jel. Ennyit akartam mondani.
Sziasztok!
Segítsetek nekem egy olyan szintjelző kapcsolás rajzával, ami legalább 12 ledet tartalmaz. Az UAA180 / A277D IC-t már nem lehet beszerezni. Ez nekem tökéletes lenne, van is hozzá egy nagyon korrekt kapcsolásom. Én ezt már számtalan formában megépítettem és kiválóan működött és működik a mai napig.
Arduino nano-val 20 db ledig mehetsz úgy, h semmi más nem kell hozzá, csak stabil 5V, ellenállások, meg egy kondi. (a video alján levő). Lehet módokat állítani, decibeleket pontosan megadni... programot szívesen küldök hozzá.
BA6820S Ha betudod szerezni.
Analóg vonalon szinte mindent kiszorított az LM 3915-16. De ezek 10 LED-esek. A hozzászólás módosítva: Aug 25, 2015
Küldtem mailt.
Ha a HEStorban nem lehet beszerezni akkor már szerintem sehol. Ott nincs.
Ha elküldöd megköszönöm! Én nem hangszóró kimenetre szeretném kötni, hanem az erősítő bemenetére. Innen is meghajtja?
Még nem kaptam meg a mailed!
Az alibabán van. Igaz 10 db-ot kell rendelni, de szerintem simán eladható a maradék. csúcsértéktartás is van benne, ami nem jellemző a többi analógra.
Találtam idehaza is. A hozzászólás módosítva: Aug 26, 2015
Azta! Ilyen kő'!
Ha valaki rendel, pár darabra beszállok én is.
Szerintem pillanatok alatt elmenne a tíz.
Már a kosárban is van...
Indulok az apróhirdetés 'szekcióba'....
Nem akartam a listát azzal terhelni, csak annyit írtam, hogy nekem van otthon kb 10 db még ebből az IC-ből, amiket nem használtam fel.
Nekem is vonalszintre van kötve.
http://apcmag.com/arduino-project-stereo-peak-program-meter.htm/ Ezen a címen találsz egy hasonlót. Ha kínai arduino nano-t veszel, akkor az arduino topicban találsz hozzá drivert. Az enyém hasonló ehhez, csak az analóg lábakra is kötöttem ledet és egy csomó paramétert raktam bele. Ahogy látod, előerősítő sem kell. Programban adtam meg a visszafutási időt is és a 0 dB szintet is. Utóbbival kapcsolatban megjegyzem, hogy itthon az 5 db gyári kivezérlésjelzős cuccomban 4 féle érték volt a 0 dB... Állítható a bar/dot mód+ peak hold., tömbben megadható minden led decibel szintje. mono módban 1x20 led, sztereóban 2x10 ledes. Ha csend van, akkor 30 sec múlva knight rider-be megy át. Ha konkrét ötleted van hozzá, akkor szívesen átírom a programot. (pl. nyomógombbal módok közötti kapcsolás..) |
Bejelentkezés
Hirdetés |




minden esetre kipróbálom amiket leírtál ! Holnap megveszem a szükséges alkatrészeket és kiderül minden. Köszönöm a válaszokat! 









