Fórum témák
» Több friss téma |
A tudásvágy része dícséretes, csak így tovább! Tanulj és csinálj ilyeneket...majd!
Addig is arra a kérdésedre, hogy meg tudsz-e olcsóbban csinálni magadnak egy felvázolt tudású rendszert, a válasz még mindig: NEM.
Akkor építs be egye "alapot", hogy védve legyen a kocsi és közbe rájössz hogy mi, hogy működik és miért oda kell kötni...és lesz egy csomó időd tervezgetni építgetni TESZTELNI!!!
Sok sikert.
Sziasztok!
Olvasom itt a topikot, de nem igazán "világosodtam meg". A problémám az, hogy egyik nap bent hagytam a kulcsot a kocsiban, és mikor becsuktam az ajtót a központi azonnal bezárta az összeset, én meg kint ragadtam. Szerencse a szerencsétlenségbe, hogy a csomagtartót nem zárja, és valami isteni csoda folytán nyitva is volt.... ![]() Na de a lényeg, hogy gondoltam készíttetek a helyi kulcsmásolóval hozzá egy pótkulcsot. Ez kiderült, hogy mag a kulcs 6000 lesz. Na ekkor kicsit le is fagytam. De a lényeg, hogy valami csip vagy mi a fene van a kulcsban (amit meg is találtam) és azért olyan drága. Kérdés az, hogy az a csipet hogy érzékeli az autó? Még csak áramot se kap. Van rá mód, hogy házilag másoljuk? Kicsit hosszúra sikerült, de remélem a lényeg érthető.
Az egy immo chip lesz, RFID technika, akkor kap az autótól áramot, amikor le van kérdezve. Épp annyit kap, hogy válaszolni tudjon és vége. Van egy tekercs a gyújtáskapcsolónál, ez az adatátvitel és a táplálás antennája.
Értelek köszönöm, akkor olyan mint a wirelles power nagyjából...
Inkább olyan mint a telefonon az NFC, vagy az áruházakban a lopásvédelmi matricák.
A matrica az csak rezeg egy adott frekin a külső hatásra, nem? És ezt érzékeli a kapu.
A hozzászólás módosítva: Szept 14, 2015
A kapu is kódot azonosít, és ha a pénztárnál a lehúzó lap (fekete négyszögletes) felett nem megy át egy védett termék akkor a kapu beriaszt. Akkor csipog, ha nem lehúzott kód megy át a rajta. Néha vissza is kérik a terméket, hogy újra lehúzzák, mert nem nyalta be valami miatt a kódot a pénztárnál.
A hozzászólás módosítva: Szept 14, 2015
Amit leírtál mind tudja egy 20eFt-os készülék. Ennyiért kár kínlódni vele.
Pageres riasztó
Én inkább azt mondom, hogy tanulj, olvass utánna dolgoknak és akkor majd rájösz, hogy még többet kell tanulnod.
Pl. a mai autók egytől-egyig CAN-BUS rendszerrel üzemelnek. Egy mai riasztónak is ezt illik tudnia. Ezt kell tudni kezelni, olvasni, írni, ami nem kis feladat. Egy ilyen program megírása még egy nem járműipari vezérlőket programozó programozónak is nagy kihívás. És ez még mindig a kisebb része, mert a legnagyobb falat a tesztelés. Egy CAN-BUS-ra csatlakozó egység életveszélyes (szó szerint!) is lehet, arra is aki egy olyan autóba ül, amiben egy ilyen "tákolt", egyedi egység van és a környezetében közlekedőkre is.
Utánanézés nélkül én úgy tudom, hogy a hosszúkás felragasztottban, (ha szétszeded, abban 2 fóliacsík van csak) nincs chip, ezért ez olcsó, ez van a tömegtermékeken. A lehúzáskor tönkreteszik. Ilyesmi módon passzív a matricás felragasztott, látszik a tekercs. A nagy műanyag lopásgátlót pedig leveszik, újra használható, abban tőlem lehet bármi.
Üdv mindenkinek!
Problémám a következö: Van egy 1994 -es Skoda Formanom amiben Autorun kz8 központi zár van. Kaptam egy távirányitos vezérlö egységet amire kiszeretném cserélni. Megkérdeztem egy autóvillamosági szakit aki azt mondta átkell vezetékelni mindent.
Hagyd benne az autron vezérlőt és vezéreld meg azt.... itt vitatkoznék pár emberrel , mert szerintem nem szabad ezekkel a vezérlőkkel és riasztókkal közvetlen vezérelni motort... más az impulzus hossza, itt tized másodpercekról van szó de sokat jelent élettartamba... nem hiába márkás központizár szetteknél pl autron, hibás motort csak vezérlővel együtt vesznek vissza gariba... a gyári kocsi elektronikát szerintem meg sose szabad kiváltani ilyen sarokkal, csak megvezérelni!!! Visszatérve ha ezt Te nem tudod bekötni akkor szerintem ne is állj neki mert komoly károkat csinálsz a kocsiba... Ha van alaptudásod akkor ezt fél perc alatt kiméred, kérdezni sem szabad szerintem ilyen alap két szálast hova kössek. autron zöld és lila negatív bemenet nyitás zárásra... a másik vezérlőnek meg ott a rajz hogy ilyenkor melyiket sehova a másik kettőt negatívra és melyiken jön ki negatív, index és pozitívot meg a kocsinál ki kell keresni.
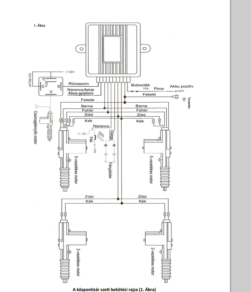
Sziasztok, egy suzuki swiftbe szeretnék bekötni távirányítós elektronikát! Már olvastam itt vissza de nem nagyon értettem!
Most is van benne központi zár de csak kulcsos! Tehát meg tudom oldani valahogy, hogy az új vezérlőt rákötöm a régire és megvezérlem? Ha igen, mit hova kell kössek? Melléklek pár képet ami alapján pontosabban meg tudjátok nekem mondani, mivel nagyon kezdő vagyok ebben. Ahol a zárak is az ábrán vannak az az új központi zár!
Ha a barna/feketére és a barna/fehérre felváltva testet kapcsolsz (elég egy pillanatra), akkor nyit/zár. Azt próbáld ki, melyik a zárás és melyik a nyitás!
A vezeték nélküli cuccal ezt kell megoldani. Ha a harmadik képen az van, akkor kell némi kiegészítés.
Tehát akkor ezekhez kell 1-1 relé? Vagy mit jelent a kiegészítés? Egyébként ha a gyári vezérlőt kiveszem az újra be tudom kötni ezekkel a vezetékekkel?
De a megvezérlős megoldás jobb lenne. Egy kicsit ha van időd/időtök kitudnátok jobban fejteni nekem kérlek? Ilyen móriczkásan ![]() Tehát nem értettem, miért van az, hogy egyszer az egyik szálon mértem folyamatos 12v másszor (tehát nyitáskor vagy záráskor) a másikon. Ha a vezérlő egységet lehúztam, de a sofőrülésnél átbillentettem a kallantyút zárásra akkor is ugyanúgy megváltozott és a másik szálon lett állandó 12v, miért? A hozzászólás módosítva: Szept 26, 2015
Szép estét minden fórum társnak.
Segítséget szeretnék kérni: Van egy SAAB 9000 CS Típusú 98 as évjárat 2.0 Turbós kocsim.Jobb első ajtóba lévő központi zár el romlót.Szét szereltem hogy lássam hogy javítható e? de sajnos nem.A szénkefe résznél szét éget tejesen,így nem lehet javítani,kiderítettem hogy a motor ami benne van az :FF-180 SH típus. Viszont ilyent nem találok Magyarországon sehol ahol meg tudnám rendelni. Segítségeteket kérem hogy esetleg hol tudnám megrendelni a motort?De ha valakinek van egy teljes szerkezet akkor az is jó lenne. Válaszokat előre is köszönöm.
244406-62 számon a Conrad is árulja.
Ha valoban ilyen motor van a cuccban, akkor tul sokat ne várj, mert az egyik legocskább motor a piacon (minden villanyfogkefében stb ilyen van). Azt is nézd meg miért ment tönkre - valami szorulhatott.
Helló.Érdekes hogy ezt írod... 18 éves az autó és eddig nem volt gond vele.Az igaz hogy nem mai darab de eddig működőt.De el hiszem neked,nem vagyok nagy szakértője a dolgoknak de remélem hogy meg tudom valahogy oldani.A probléma az volt hogy egyik szénkefe teljesen le eset és a réz lemez össze éget a forgórész végével.Annyira tönkrement a forgórész vége hogy a vékony vezetékek is leolvadtak róla.
Mindenesetre köszönöm a válaszod.
Igen, kell 2 relé hozzá, vagy kiveszed az eredeti vezérlőt és kicseréled erre.
Azt nem értem, hogyan mérhettél +12V-ot, ha a rajz szerint testet kapcsol a mikrokapcsoló és a relék is ezen vannak alapból. Ami gáz lehet, hogy mintha ugyanez lett volna a problémája itt valakinek és az ő új vezérlője nem szerette, hogy nem volt visszajelzése a motorok állapotáról és bizonytalankodott...bár nem derült ki teljesen biztosan...
Sziasztok!
Vettem és beszereltem az autómba egy Caesar CT260 transzponderes riasztót, tehát nem távos. Van egy rádiós távkapcsolóm, amivel pedig az autó hátsó ajtaját tudom kinyitni egy másik távirányítóval. Azt szeretném megoldani, hogy ha be van kapcsolva a riasztó, akkor ne lehessen kinyitni az autó hátulját, tehát ilyenkor le kell kapcsolni pl relével a kapcsoló tápját. A riasztómmal úgy lehet ezt összehozni, hogy ha bekapcsolom azt élesített módra, akkor meghúz egy relét, ami pedig bontja a hátsó ajtó tápját. Egy egyszerű autós relé mennyi idő alatt meríti le az akkut, ha mindig be van húzva? Tudtok más megoldást erre?
Szerintem ne relézz úgy, hogy állandóan megy egy plusszban, az sok. Ha napokig áll az autó, akkor üzemeltetési körülményektől és relétől függően lehet sok. Egy autós relé 75-100 behúzóval van, ami már több, mint 100mA. Állófogyasztásból a legjobb a 0-100mA, de már nem jó, ha efölé megy.
Ha nem akarsz belenyúlni a távkapcsolós csomagtérnyitóba, akkor rakj a végére egy plusz relét tranzisztoros meghajtással (ez úgyis csak a nyitáskor megy) és ennek a meghajtó tranzisztorát tiltsd, amikor éles a riasztó. A hozzászólás módosítva: Szept 30, 2015
Köszi a válaszod! Az ajtónyitó abból áll, hogy utólagosan be van téve oda egy centrálzár motor és meghúz egy kart, ha feszültséget kap. A vezérlő meg egy vezetéknélküli kapcsoló. Nem gyári megoldás, hanem buher
. Így vásároltam az autót. Jól működik, csak nem akarom, hogy riasztás alatt véletlen gombnyomásra kinyíljon a hátsó ajtó. A riasztóm sajnos fordítottan működik, mert ha be van kapcsolva (élesítve), akkor földelést kapcsol a modulkimenetére és addig tartja amíg ki nem kapcsolom a riasztót. Az utóbbi indok miatt akartam relézni, de emiatt kérdeztem azt is hogy nem meríti e az akkut túlságosan. A megoldásod nem rossz, de nem lehetne kiváltani ezt a "kapcsolót" az ajtókapcsolóval? pl: valamelyik nyitott ajtó esetén, amikor világít a beltér lámpa, akkor meghúz egy relét is az ajtókapcsoló(k) és adja hátra a tápot a hátsó-ajtó vezérlésének? Kivitelezhető így?
1. A vezetéknélküli kapcsoló az mégis milyen?
2. Az, hogy a riasztó éles állapotban tested ad, teljesen jó. Az, hogy ez relés kimenet, nem biztos. Miből gondolod? 3. Az ajtókapcsolóval kiváltást nem értem. Csak akkor akarod tudni nyitni távvezérlővel a csomagtartót, ha nyitva van valamelyik ajtó? Idézet: „Csak akkor akarod tudni nyitni távvezérlővel a csomagtartót, ha nyitva van valamelyik ajtó?” Igen, így is elfogadnám a megoldást. A gondom, hogy ha belekötök egy relét az ajtókapcsolóról jövő kábelbe, akkor a relé miatt állandóan "nyitva" van az ajtó. Ide ha diódát tennék sorba, az megoldaná ezt a problémát? A vezeték nélküli kapcsoló rajzát csatoltam. A hozzászólás módosítva: Szept 30, 2015
Ezt az ajtó dolgot egyre kevésbé értem...hogy jön ide?
Arról volt szó, hogy amíg éles a riasztó, addig ne lehessen nyitni a csomagtartót, nem? Mit kapcsol a vezeték nélküli cucc?
Közben rákerestem...nagyszerű dokumentációja van!
![]() Tehát, gondolom JOG módban használod az egyik csatornát, addig aktív, amíg nyomod. Azt kellene még tudni, hogy a riasztó által kapcsolt pont (élesedés esetén) akkor relé, vagy nem. Valamint amikor nem aktív, akkor mi van rajta. Ha relé és kikapcsolt állapotban +12V, akkor semmi sem kell. Egyébként minek vannak az A pontok? A hozzászólás módosítva: Szept 30, 2015
Nos, a riasztó negatív modulkimenetet ad tranzisztorosan kapcsolva, ami 100mA terhelhető maximum. Ha éles a riasztó, akkor negatív(test) ha deaktivált akkor pedig szakadás. Ha ide kötöm állandó 12V a relét, akkor az mindig be lenne húzva és ez nem jó így.
Hogy ne menjen a relé mindig mikor éles a riasztó rákötném azt az ajtókapcsolóra, így ha valamelyik ajtó nyitva van, akkor behúz a relé és világít a beltéri lámpa is természetesen. Ott a gond, hogy ha ráteszem az ajtókapcsolóra a relémet, akkor zárt ajtóknál is nyitottat észlel az autó és állandóan be van húzva a relé meg világít a lámpa is. Ekkor a relé direkt 12v-on van. Lehet hogy hagyom ezt, mert eléggé túlbonyolított így. A hátsó ajtó viszont csak kulccsal nyitható, ha ez nem lesz megcsinálva, ezért kellene. A kapcsoló JOG módban van, a négy relé úgy működik, hogy állandóan zárás van a két pontja között, mikor megnyomom a megfelelő gombot, akkor átkapcsol egy pillanatra a gombhoz tartozó relé a harmadik pontra (a kapcsolt pontra) majd vissza és úgy marad. Emiatt használható ez egy centrálzár vezérlőnek is. A hátsó ajtót pedig egy centrálmotor működteti elektronikusan.
Akkor itt egy rajz, ha +12V-ot kapcsoltatsz a motorra és csak egyirányba működteted, vissza rugó húzza, akkor csak közé kell kötni egy relét egy tranzisztorral és kész.
Az ABC egy váltóérintkező? A "B" a COM, az "A" a NC és a "C" a NO? A hozzászólás módosítva: Szept 30, 2015
|
Bejelentkezés
Hirdetés |





















