Fórum témák
» Több friss téma |
Fórum » Kapcsolási rajzot keresek
Témaindító: Kallai Csaba, idő: Márc 11, 2006
Témakörök:
Technics SU-V40-es rajzod nincs véletlenül? Nagyon megköszönném.
Kedves István!
Ez itt nem levelező-lista, hanem fórum. A lényeges különbség, hogy itt megőrződnek a hasznos információk, tehát ha VALÓBAN közzé akarod tenni a kapcsolást, akkor tedd fel ide, nem pedig e-mailben küldözgesd annak, akinek szeretnéd!
Üdv mindenkinek!
2. kísérlet(elnézést az ismétlésért!! :help: :help: ) Egy kis segítséget szeretnék kérni.Kaptam egy Multavi 6 tipusú műszert, amiben szó szerint elégettek egy ellenállást.Ha valakinek van ilyen műszere , belenézne és megadná az értékét vagy kapcsolási rajzzal tudna segíteni nagyon megköszönném.Előre is!
Sziasztok! Kenwood kr-4200 hoz keresek kapcsolási rajzot! Ha valakinek megvan légszi küldje el! Előre is köszi! rolyal@citromail.hu
Üdv mindenkinek! Én egy ilyen Pic programozó kapcsolási rajzát keresem.
Amit keresel, az teljes mértékben JDM-kompatibilis, azaz a tápellátását a soros portról kapja. Ezekkel a nagy többség csak szívni szokott, teljesen egyértelmű hardver-probléma miatt; ha ilyet akarsz építeni, érdemes megfontolni az átalakítását külső táposra, vagy pedig eleve külső tápos programozót kellene választani, van belőlük bőven.
8 perc alatt itt a kért rajz, és már le is koccolt... se egy kösz, vagy bármi
...hát keressen mégegyszer rajzot másnak a f....m
Hello! Nem tudom kinnek szólt ez a hozzászólás, de nagyon úgy tűnik, hogy nekem. Más dolgom volt, így éppen csak annyi idő jutott nekem, hogy a kérdést feltegyem. Csak most tudtam hozzáférni a gépemhez, így nem tudtalak figyelni. Bocsánat, ha megbántottalak ezzel. Egyébként a linkeke, amiket beküldtél, azok a kapcsolások elég jóknak tűnnek, valamelyiket most hétvégén meg is fogom építeni.
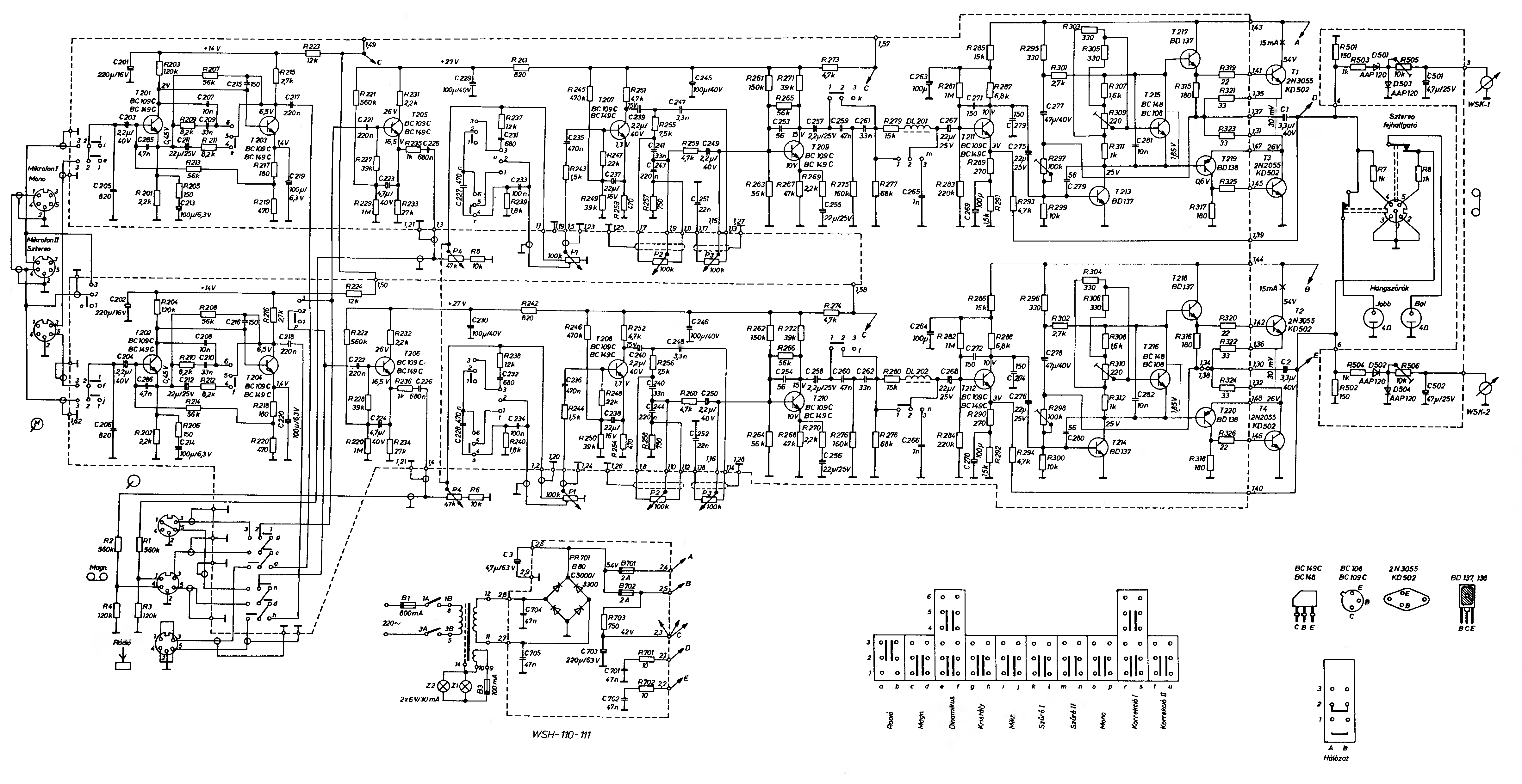
Hello mindenki unitra wsh-111 típusú erősítőhöz keresnék kapcsolási rajzot vagy bármi infót ami segíthet a javításban...
Szia!
1986-os Magnósok évkönyve 180-181. oldalon van az Unitra WSH-110/111 kapcsolási rajza. Hétfőn ha kell be tudom szkennelni, most sajna nem. Üdv.
Közben mint nagy műszaki ember
rájöttem, hogy bár szkenner nincs, de fényképezőgép az van Üdv.
Engedelmeddel kicseréltem a 3megás mellékletet.
Azért - borvendég nevében is - köszönöm a fáradozásodat.
Szia!
Köszönöm a korrekciót , a tény, hogy csak fotóztam és csatoltam. Még jó hogy nem nagyobb felbontáson volt a gép.
Üdv mindenkinek!
Egy gépkocsi fesszabályzó kapcsolási rajra lenne szüksékem, nem találok sehol. Régebben láttam egy ladáét de azt se találom
sziasztok
valaki nem tud veletlenul egy ojan táblázatot kuldeni ahol leirja h mejik rajz mit jelent pl tranzisztor es melete h h jelolik a kapcsolasi rajzba
Itt szinte mindent megtalálsz, néhány remek illusztrálással!
This site will help you to understand basic electronics and some el...evices (ojan, mejik -> olyan, melyik) :yes:
kosz szepen sokat segitetel
Hali
Kaptam ma egy Mercury SW 480-as számítógép hangfalat és ehez szeretnék kérni tőletek egy kacsolásirajzot. Valakinek van?
Köszi a segítséget!Kár h nem tudok pontot adni érte...
Oly sokszor mondtuk: Nekünk kell szólni róla, és megoldjuk.
Még mindig én, ha valaki tud kocsiba való tranzisztoros fesszab kapcsolási rajzot, az ne tartsa vissza!
Régebben láttam valahol, BD245-ös tranyával de nem találom sehol.
Mivel nem irtál kocsitipust, igy a ladáét mellékelem.Hátha ezt keresed.
Üdv Csaba .Küldöm akapcsolást ,biztos jó. A 70 évek csodája ,vagy 10 dobo és név alatt jöttki.Pl JET/ HIT PARADE/STAR stb. Öreg Tom
sziasztok szetment a regi jo denonom pma-750 es kelene egy muszaki rajz az ujraeleszteshez ha valaki tudna segiteni barmijen segitseg jol fog elore is kosz
Szia,
Megvan a Denon PMA-700V / PMA-717 -nek a Service Manual, csak nem-tudom mi a különbség köztük. (keress utánna, ha nemsok akkor ezen már elindulhatsz) Bővebben: Denon PMA-700v Bővebben: Denon PMA-717
Sziasztok!
Keresem az EMG-1545 (EMG type:TR4403) nagyrészt csöves szkóp rajzát. A stabilizált anódtáppal van baj (kicsi tápfesz).
Sziasztok! Keresem az alábbi televíziókészülék szervízkönyvét. Kérem aki esetleg rendelkezik vele, ossza meg velünk, köszönöm: Daewoo DMQ-2072 TXT
|
Bejelentkezés
Hirdetés |






rájöttem, hogy bár szkenner nincs, de fényképezőgép az van 
, a tény, hogy csak fotóztam és csatoltam. Még jó hogy nem nagyobb felbontáson volt a gép.


