Fórum témák
» Több friss téma |
Fórum » Kapcsolási rajzot keresek
Témaindító: Kallai Csaba, idő: Márc 11, 2006
Témakörök:
Szia !
Ha a sasszé száma CP320, akkor holnap reggel megtudom osztani veled. Üdv!
Üdv!
Tensai TCT54BKX televízió kapcsolási rajzát keresem. Előre is köszönöm.
Ezek álltalában egyszerűen a benne lévő ic-k alapkapcsolásait használják (ic típusát leolvasod és ha szerencséd van a http://www.alldatasheet.com/ -on megtalálod a bekötését.)
Sziasztok...
Nekem van egy O. 4200m és kéne hozzá egy kapcsirajz...legalább a kijelző részére
Sziasztok!
Sony DXA-D9 hifihez keresek kapcsolási rajzot. Ha valaki tudna segíteni ebben megköszönném.
Ha valakinek van "USB to ISA" kapcsolási rajza, kölcsön adhatná.
Nincsen meg valakinek a Videoton RA6386 rádióerősítő kapcsolási rajza? Ez volt a Videoton utolsó rádióerősítője. Nagyon fontos lenne, főleg a hangszín fokozat miatt.
Üdv!
Most nézem ez a 83-as erősítőé. Parázs Gabinak azt hiszem megvan.
Köszönöm szépen, de ez nem az a rajz, az amit kereset az EA7386 és az RT7300 típusokkal egy korosztály, feszültségvezérelt hangerővel és hangszínszabályzóval megspékelve.
Köszönöm szépen, de z a rajz is megvan, de sajnos az én rádiómmal a végfok modulon kívül semmivel sem egyezik
Nem tud valaki egy nagyon egyszerű tervrajzot küldeni egy egyszerű poloskáról?
Itt van egy pár rajz, csemegézz belőlük!
Tesla 4fp11105 típusú kaputelefon (MDS07.2) -hoz keresek rajzot ,vagy olyat aki a benne lévő ic-k helyettesítőit ismerí.
Mi az IC típusa?
Hát azért kérdeztem mert ez nem működött.Egy 555 ,egy tl.. ,és egy ismeretlen 14 lábú aminek a bekötését semilyen általam ismert műveleti erősítővel illetve egyébb ic-vel nem tudtam összeegyeztetni (nem stimmeltek a tápok és az általam kimenetnek vélt láb sem.) Lehet hogy az említett ick-re rosszul emlékszem ,de kb ezek voltak benne.A leolvasás nem működik mert le van köszörülve az összes felirat az összes icről.
Ha lecsiszolták a tipusszámot nem lehet egy nagy durranás! Néha segít a tokra cseppentett alkohol esetleg viz meglátni a tipusszámot. Egy foto és a visszarajzolás talán segítene.
sajnos a köszörű kegyetlen ... Csak karc és kész .visszarajzolni nem fogom teli van SMD-vel a kapcsolástechnikáját nem ismerem nincs támpont hogy nagyjából mit kellene csinálnia.A többit hasonló módszerekkel derítettem fel ,de ezt reménytelennek ítéltem Egyszer kétszer saját magába visszajutottam mivel nem tudam kideríteni mi a kimenet és mi a be feladtam.A műveleti erősítő katalógusunkban nem találtam olyan tokot ami legalább a tápokat ott kapja ,és az általam erősen kimenet gyanus láb is stimmel.(lm324 nem jó bele szerintem)
Sziasztok!
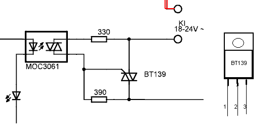
A mellékelt képről szeretnék segítséget kérni!!! Van egy BT139 (triak?) a rajzban, és segítsetek abban, hogy megmondjátok melyik az 1-es, 2-es, 3-as lába a mellette lévő számozott rajzhoz képest! Köszi szépen!
Szia !
1 láb 18-24V felöl 2.láb 390 ohm 3.láb MOC3061 Plusz elárulom, ha a BT139 adatlapját megnézed ott le van írva / rajzolva. Ez vonatkozik természetesen más félvezetők adatlapjára is. Üdv!
Hát... a szimbólumból valóban az következtethető amit írtál, de a kapcsolás ellentmond neki.
MOC a soros 330 ohmjával az MT2 és gate közt kell hogy legyen, tehát az 1 és 2 láb cseréje látszik. Az érzékenység-csökkentő ellenállás MT1 és gate közé nem igazán kell, illetve kevésnek tűnik a 390 ohm, feleslegesen ront az egyébként sem túl érzékeny BT-n.
Közben én is rájöttem, hogy téved... Köszönöm Nektek!
Sziasztok!
Keresem a téma címében szereplő erősítő kapcsolási rajzát. BEAG KEP 5001, EBE 5305 Előre is köszönöm!
Nem 100% h hangvégfok hiba,keres meg ezeket javítom:ai9@freemail.hu Miskolc.Hangvégfok IC:uPC1182H vagy uPC1242H,mindkettő jó bele.(műPC...)
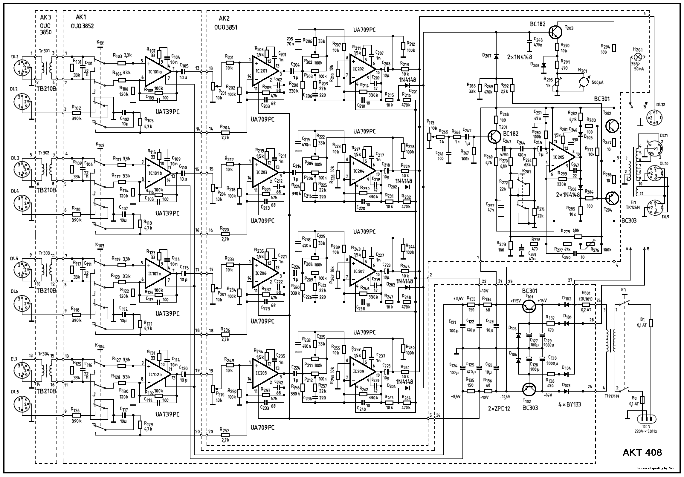
Sziasztok.
BEAG Minimix AKT408 keverő kapcsolási rajzát keresném.Már végig kutattam szinte mindent ,és nem találok sehol sem.Valakinek lenne esetleg? |
Bejelentkezés
Hirdetés |












