Fórum témák

» Több friss téma
Fórum » Nagy Led kijelző illesztése
Lapozás: OK   3 / 3
(#) hacsi66 hozzászólása Nov 15, 2015 /
 
Nem arra figyeltem lehet hogy a tranzisztorok nem voltak megfelelőek BD140 és BD437 es használtam .
(#) hacsi66 hozzászólása Nov 15, 2015 /
 
Valami hasonló de az enyémnek nem találom a rajzát a neten.
(#) pont válasza hacsi66 hozzászólására (») Nov 15, 2015 /
 
Nem tudom milyen frekvencián multiplexel a pic, de amint a rajzomon is van a PNP tranyókhoz nem árt egy emitter ellenállás, hogy segítsen visszabillenteni, ha egyáltalán tudja azt a frekvenciát.
(#) hacsi66 válasza pont hozzászólására (») Nov 15, 2015 /
 
Nem tudom milyen tranzisztor lenne jó milyen frekvenciát tudjon .
(#) pont válasza hacsi66 hozzászólására (») Nov 15, 2015 /
 
Először próbáld ki az emitter ellenállással a 140-est.
(#) hacsi66 hozzászólása Nov 15, 2015 /
 
Kipróbálom az általad megadott kapcsolást is már úgy is meg van épitve csak én nem raktam be emitter ellenálást..
(#) pont válasza hacsi66 hozzászólására (») Nov 15, 2015 /
 
Ha neked a bázis ellenállás 1k akkor 10k elég emitter ellenállásnak.
(#) hacsi66 hozzászólása Nov 15, 2015 /
 
Oks rendben van de sajna csak 2 hét múlva tudom kipróbálni de írok minden képpen..
(#) hacsi66 válasza pont hozzászólására (») Nov 15, 2015 /
 
És addig is köszi a segítséget
(#) proba válasza hacsi66 hozzászólására (») Nov 16, 2015 /
 
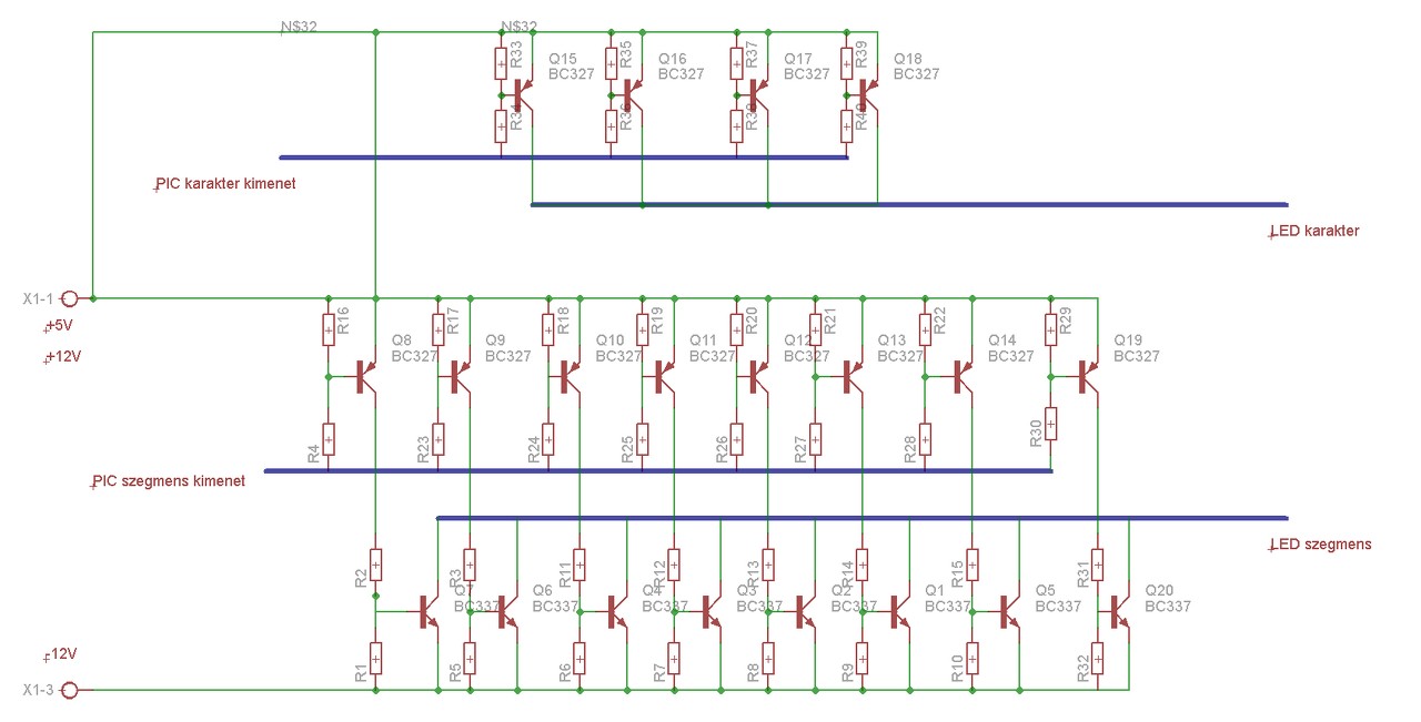
Azért egy kicsit bonyolítanám..Ami még érdekesség, NEM a negatív a közös a két tápban, Hanem a +5V és a +12V van összekötve.Sajna a szegmens ledekkel soros ellenállásokat kifelejtettem. A tranzisztorok BE vel párhuzamos ellenállása lehet elhagyható.
A hozzászólás módosítva: Nov 16, 2015

led_led.jpg
    
(#) proba válasza pont hozzászólására (») Nov 16, 2015 /
 
Azért kicsit hibás, és gyilkos rajz. A felső tranzisztorok EB diódáján a pic lábaira 12V kerül. A szegmensvezérlő kimenetek alacsony állapotában világít a led az eredeti változatban, a tiéd szerint meg pont ha magas az adott kimenet.
(#) hacsi66 válasza proba hozzászólására (») Nov 16, 2015 /
 
Itt bizony azt is meg kell oldani hogy a PIC lábaire nehogy 12 volt kerüljön mert akkor a pic nek vége van .
Következő: »»   3 / 3
Bejelentkezés

Belépés

Hirdetés
XDT.hu
Az oldalon sütiket használunk a helyes működéshez. Bővebb információt az adatvédelmi szabályzatban olvashatsz. Megértettem