Fórum témák
» Több friss téma |
Sziasztok!
Van egy VIDEOTON RD5678 2utas autórádióm . Az elsődleges baja az, hogy kazettát behelyezve, alap hangerőn tényleges feles balansszal szól, ám ha hangosítok, akkor a bal oldali hangszóró csak sistereg, egyre hangosabban, míg a jobb ténylegesen erősödik... Rádió részével nincs ilyen tünet, csak kazival. Kipróbáltam 3kazit is, köztük volt egy adapterkazi is.
Szia, Talán a fejről leszakadt a vezeték?
Nem hiszem, mivel alap hangerőn szól rendesen, kazival is.
Meg kell nézni a fejnél nincs e leszakadva a szál vagy megtörve valahol,ha nincs a fejet is ellenőrizni kell nem szakadt e meg!Javasolnám zárd össze a fejen a két oldal csatornáit és így kiderül azonnal,hogy a fej rossz vagy más a hiba!
Készítettem pár fotót:
Helló
Szerintem a fej előerősítője környékén kellene a hibát keresni. Ha a fej lenne rossz akkor egyáltalán nem szólna az egyik oldal. Ha a végerősítő lenne rossz akor meg a rádió is rossz lenne. Ott nézz körül, ahová a fejből a vezeték megy. Esetleg arről a részről is csinálhatsz pár képet, hogy lássuk, hogy van megcsinálva.
Remélem jókat fotóztam
Ha kell, jobban szétszedem, csak legyen jó![]()
Egyébként van még 1 gondja: sípol elég durván... Gondolom testelési probléma... Gyárilag nem votl testelve, én megtettem, de ugyanolyan maradt... Mondjuk ez nagyon másodlagos probléma
De azért, hátha tud rá valaki valamit A képek gondolom mind a testeléshez tartoznak... Hátul a kábeleknél a testelő saru, amire kéne kötne a testkábelt, a másik két képen meg gondolom a tényleges kitestelés a burkolatra a savarokon keresztül. De nem tudom, nem nagyon értek ehhez:S
A fejet megnézném mindenképp!Akkor szokott hangosan sisteregni ha a fej szakadni kezd de még nem teljesen szakad meg!Ha az jó akkor természetesen az előerősítő rosszalkodik!
Fejen nem látok bajt... Előerősítőn se, az az igazság:S
Se beégés, se forrasztási hiba, se szakadás, semmi... Bár tény, nem vagyok szaki...:S
Megy hát
Csak úgy ahrsog a 2x4watt De tényleg jól szól, azért akarnám megcsinálni... De a balos kazival csak sistereg... Rádióval tökély
Ha a rádió megy a magnó meg nem, akkor a hangerőszabályzótól a végfokig biztos hogy jó. Akkor csak a fej erősítője lehet a rossz. De hogy kis hangerőn meg meg szól nagyon meg nem. Ez megfogott.
Hangosításra hallani lehet, h produkálni akar valamit, mivel szól a kaziról a zene és ha hangosítom, egy ponton eltűnik a zene és csak sistergés, ami egyre hangosabbá válik...
Arra gondoltam, hogy a Poti megadja magát félúton, de ha műxik Rádióval akkor azzal nem lehet gond, és ahogy írtad a végerősítővel sem. Még arra gondoltam, hogy mikor elér egy bizonyos hangerőt akkor a kazi fejerősítője felmondja a szolgálatot, túlvezérlődik, esetleg védelem, VAGY valamelyik kondi(k) kiszáradtak, bár sztem ennek az esélye nem nagy, de kitudja,..
Bandeee, ha van egy kazód amit szét tudsz kapni, akkor a fejéről a jelet vidd a kazód fejerősítőjére, és nézd meg, hogy azzal, mit produkál, lehetőleg ne legyen galvanikus kapcsolat a két lejátszó közt. Ha így is fennáll akkor egy új 8 -lábu kis jószág megteszi, a régi előfokot ki s az újjat bele, de amgy nincs egybe a fej erősítője a végfokkal?
Hűha, ez nekem már túl műszaki volt...:S
Mi az a kazó? galvanikus kapcsolat? Bocsi, de nem vagyok ennyire műszaki ember:S
Bocsánat a röviditésért, a kazó = kazettafon, szallag-egység. Galvanikus kapcsolat, (nincs zárlat, vezetőképesség a két céltárgy között, vagy hogy is magyarázzam). Szóval arra gondoltam, hogy egy másik lejátszónak a fejéről a jelet a mostani kazettafonodba belevinni, így meggyőződhetnél, hogy a fej jó-e vagy vacakol néha meg jobb-e a hangminőség. Bár nem nagy dolog, de kikell zárni a lehetőségeket egyessével,..
Üdv.Tipusa? RM5632 S ? Koax kábel-C455/456 ill. aDIN ajzaton lévő 2db érinkező pár. Ha nem,küldök kapcsolást ,de nagy .A kodit elég ha párhuzamosan teszed üzemközbe. Kiszáradhat, de feleslegesen ne cseréld.Öreg Tom.
Mit? Ezt totál nem értem,..
Még így se tudom mi az akazettafon:S Szóval valószínűleg nincs is itthon
De neten se találtam róla semmit se:S
Ezt te írtad -> "kazettát". A kazettafon, az amibe bele helyezed a kazettát, amin zene van,.. Autórádió, csak tudod kazetta is jár bele. Vagy jobbanmondva autós-magnó. Nem-tudom, hogyan tudhatnám jobban elmagyarázni,.. Talán csatolok egy képet: Kazetta.
jaaaaaaaaaa
Hiába, a kazetta már nem az én világom volt... Gynege oltás, de azért thx Na az akad azért 1-2
Ehh:S Mostmár fel is fogtam asszem
Hát, elég körülményes, és ráadásul nincs is olyan fejegységem amti szétszednék szivesen darabokra, vagyis amit nem sajnálnék...
Szerintetek a javításáért egy rádiószerelő mennyit kérne el? Igaz, még nem tudni a hiba okát, csak érdeklődök, h kb-ra milyen tarifa lehet...
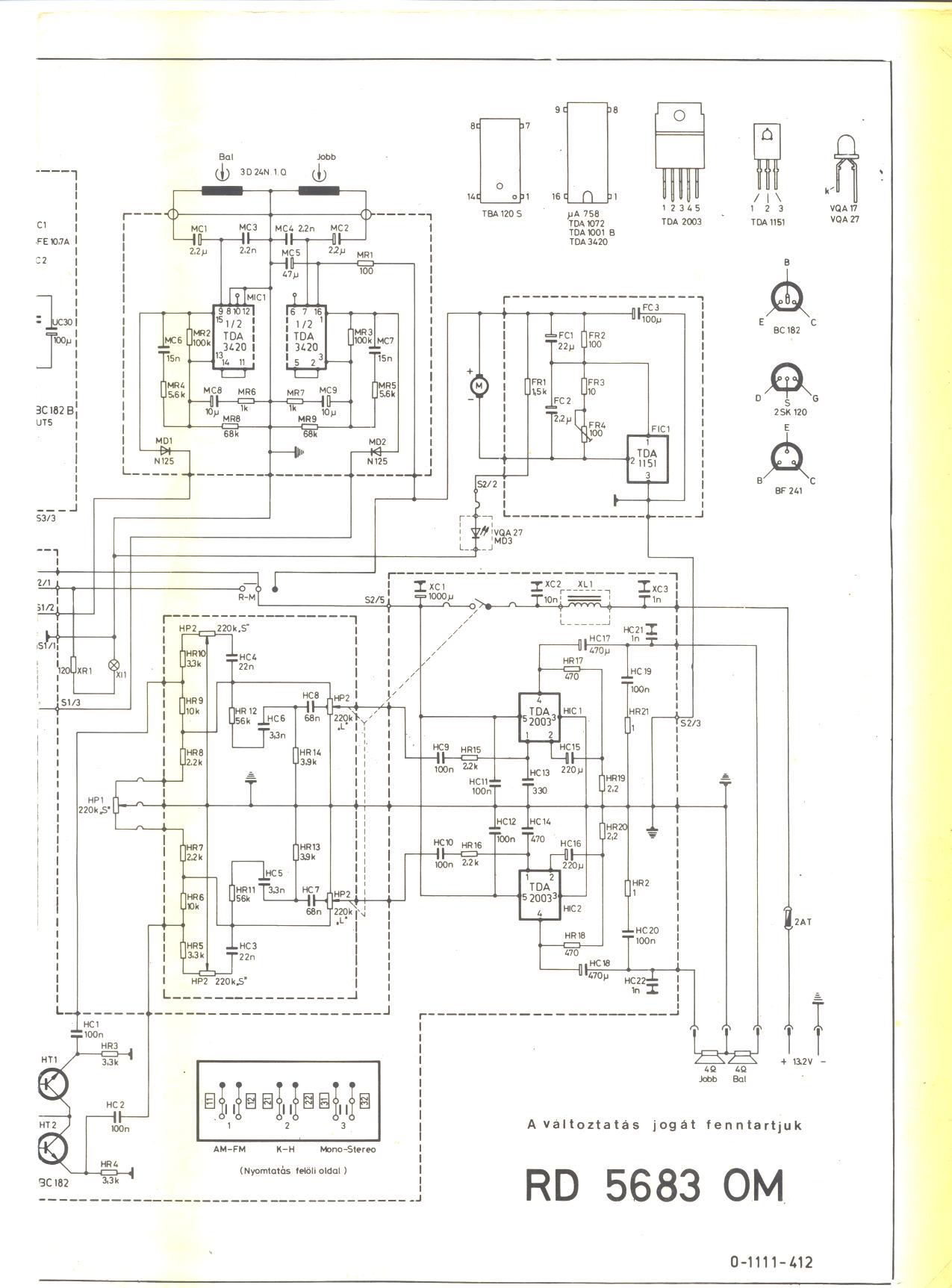
Bocsánat,két kérdés keresztezte egymást.Egy kolléga a fülembe és atied. A rádió tipusát azért megadhatnád ,ha kértem , főleg hogy segíteni akartam!Küldö akapcsolási rajzot.SZIVESEN .Öreg Tom.
Hello!
Ez most nekem szólt? Csak mert egy rádiótól van szó: VIDEOTON RD5678, de nem nekem írtad. A mellékelt kapcsolási rajz a VIDEOTON RD5678-asé?
Már emgtaláltam a kapcsolási rajz másik darabját is
RD5683 Ez nem tudod, h mennyiben tért el az enyémtől? RD5678 Elkezdem nézegetni, de szerintem sokra nem fogok jutni vele, legalábbis én... De azért nagy thx!
Nem jól írtam... bocs, szóval a fejegységem: VIDEOTON RD 5687 K
Na ahogy néztem a kapcsolási rajzot csak a fej előerősítőjén lehet a gond, mert utánna már egyesül a rádió jelével. Azon a panelon a rajz alapján ki lehet mérni az ellenállásokat és meg kellene mérni azt a két diódát is, hogy nagyjából ugyanolyan-e az értékük. És valve-nek igaza van ki kellene próbálni egy másik fejjel is biztos ami biztos alapon. Ha nem jó akkor esetleg egy IC-cserét is megér, mert ahogy nézem nem drága.
UI.: Kösz a rajzot oregtamas. |
Bejelentkezés
Hirdetés |




. Az elsődleges baja az, hogy kazettát behelyezve, alap hangerőn tényleges feles balansszal szól, ám ha hangosítok, akkor a bal oldali hangszóró csak sistereg, egyre hangosabban, míg a jobb ténylegesen erősödik... Rádió részével nincs ilyen tünet, csak kazival. Kipróbáltam 3kazit is, köztük volt egy adapterkazi is. 


Ha kell, jobban szétszedem, csak legyen jó







