Fórum témák
» Több friss téma |
a 10 cm mélyre érzékelő keresőt lehet "tunningolni" erősítővel??? és milyen erősítő kéne hozzá??? mert minimum 50-60 cm mélyre kéne hogy érzékeljen de nem tudom hogy hogy kéne megcsinálni vagy új konstrukció alapján újat kell csinálni legyen szíves valaki segítsen!
Helló! Szeretném meg kérdzni hogy silver star fej tervet hol lehet találni? Előre is köszönöm.
Üdv .
Ha tud valaki használható rajzot pinpointer (PI) építéséhez , azt feltehetné.
Nem tudom hogy a képek átmentek-e?
De szerintem ezt keresed.
Sziasztok! Építeni szeretnék egy fémkeresőt, ami elég megbízható, de nem nagyon bonyolult. Ahogy elnézem páran építettetek már hasonlót és érdekelne, hogy az újságcikkeken kívül nem küldene nekem valaki egy használható kapcsolási rajzot, esetleg egy alkatrészlistát és még további hasznos mellékleteket. A fémkeresőre minél gyorsabban szükségem lenne és ezért kérném a gyors és hasznos információkat. Ha valaki tudna ilyen infókkal szolgálni esetleg elküldené az E-mail címemre? Előre is köszönöm!!! Üdv Máté
Üdv Mindenkinek!
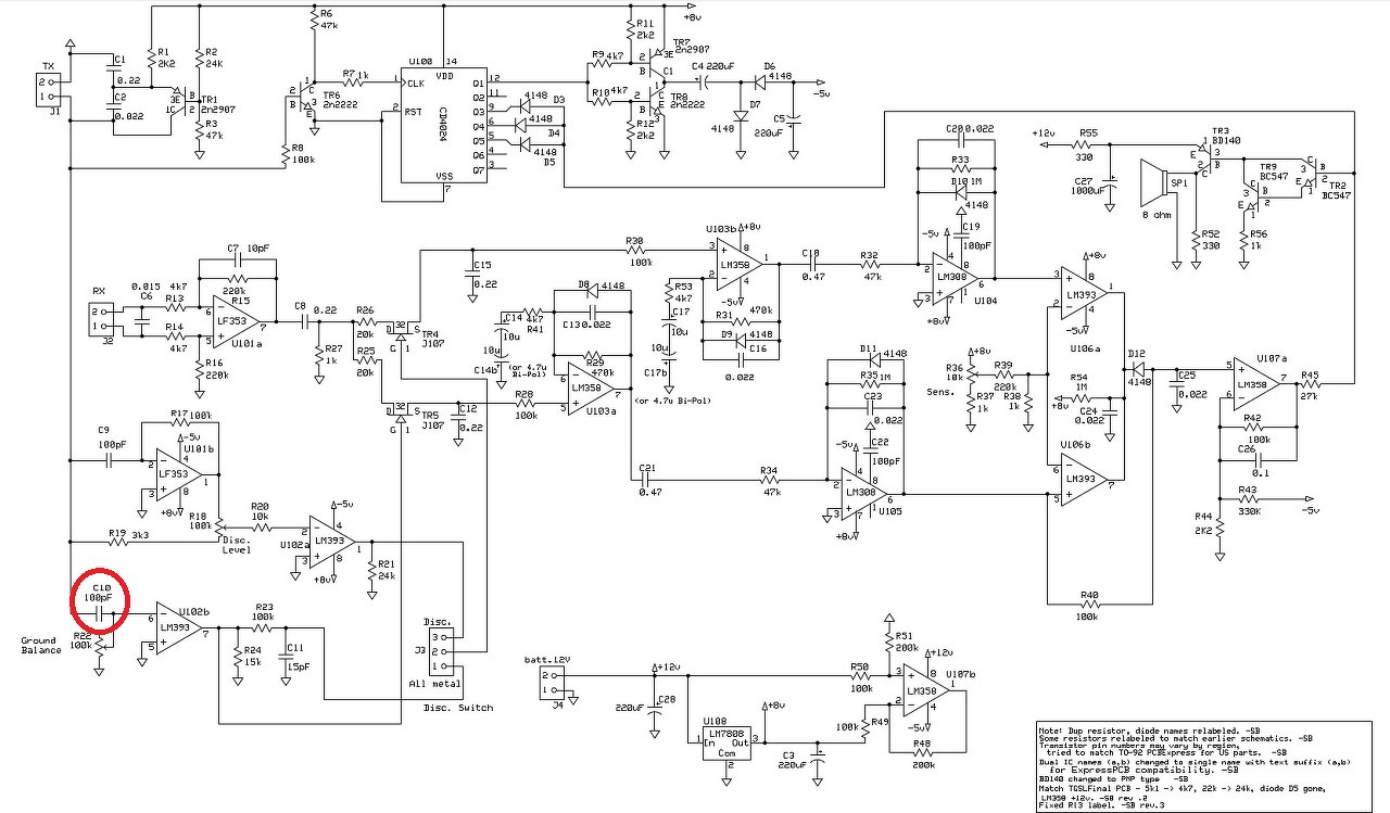
A minap megépítettem egy tgsl edu fémkeresőt, de olyan hibát produkál , hogy ilyet még nem láttam! Ha csak a tx tekercset kötöm be , nem reagál semmire , ha átkapcsolom (all metál) módból, akkor meg elkezd csipogni folyamatosan , és egyik poti állításával sem lehet megállítani a csipogást. A tekercsek elmozdításánál is csak addig hallgat el míg mozgásban van legalább az egyik tekercs. Mi lehet a probléma?A képen bejelölt 100 pikós kondit leveszem , akkor minden rendben van ,de az érzékenysége csapnivaló. Egy 10 cm átmérőjű fémkorongot kb 5 centiről érzékeli! Nem értem mi lehet a probléma. A tx tekercs 36 ohm , az rx pedig 34 ohm. Bármilyen ötlet jól jönne . Előre köszönöm a segítséget!
Bővebben: Link
A hozzászólás módosítva: Feb 3, 2016
Ezen a fórumon két fórumtárs megépítette a készüléket, keresd őket biztosan tudnak hasznos információval szolgálni.
Miért olyan nehéz rákeresni egy téma címére? Ráadásul kidobja, ha ugyanolyan elnevezéssel készülsz újat nyitni.
Sziasztok.
A kérdésem az lenne hogy haveromnak van egy Scanmaster DTS pro kis kézi Pinpointere. Elég egyszerű kis szerkezet pár alkatrészből áll kezdő vagyok ebben a témában de nekem is kellene egy ugyan ilyen. . Ha megépíteném ugyan azt az elektronikát - ugyan azokból az alkatrészekből akkor az úgy működne?
Ha ugyanúgy készíted el akkor igen, gondolok itt valami ferritrudas tekercsre mert szerintem az is van benne.
Így néz ki szét szedve. Gondoltam összeszedem milyen alkatrészekből is áll, a nyák lemásolása nem gond és beforrasztgatom.
Sziasztok. segitségre lenne szükségem.
DD fejet szeretnék építeni a jobb keresési pontosság miatt. jelenleg koncentrikus fejet használok (boltit) a gép egy SBS MD-5 ös 7.5-6.8khz en működik. csatlakozója egy 5pines csatlakozó elvileg régen hangrenszereknél is használták. Mikre lessz szükségem? hogy számitsam ki a kereső fej nagyságát (átmérőjét)
A kereső fej méretét azt te döntöd el. Akkora, amekkorát szeretnél. (egy 30 cm átmérőjű, kör alakú DD-ben cirka 23 cm átmérőjű tekercsek vannak).
Megméred a régi fejben lévő tekercsek induktivitását. Könnyen lehet, hogy ez kisebb nehézségekbe fog ütközni, mert a fejbe, a tekercsek mellé kondenzátorokat is pakolhattak. Ezeket, ha vannak, akkor a mérés idejére le kell forrasztani. A kapott eredményt át kell számolni a leendő tekercs méretére. Erre itt az oldalon is van lehetőség. Az elkészült tekercseket ugyanolyan rezonanciára kell hangolni, mint a régiek rezonanciája. Az adónál nem gond, mert berezgeted az adó meghajtóval, és addig pisztergálod a kapacitásokat, amíg meg nem lesz. A vevő kissé kényelmetlenebb. Rácsatlakoztatod a gépre a vevő tekercset. Azért, hogy a vevő tekercsen rajta legyen minden kapacitás. Az is, amelyik a gépben van. Ezután egy szignálról meghajtod a tekercset. Csatolhatod a jelet egy ellenállással is neki, de akár úgy is, hogy az adó tekercset hajtod meg a szignálról és hangolod. Eközben az adó tekercseden ne legyen kondi. A vevőn pedig méred a jelszintet. Ahol a legnagyobb az amplitúdód, ott van rezonancián a vevő kör. Eztán az új adó tekercset csatlakoztatva beállítod ugyanazt a rezonanciát. Ezután a fejet a végső formába öntheted. Előfordulhat, hogy kicsit a végén még állítani kell, de nem sokat. Ha jelez a talajra, akkor csökkentsed egy kicsit a vevő rezonancia frekijét. Ha teljesen letekert talajkiegyenlítés mellett sem jelez a talajra, és a jól vezető fémeket nem, vagy csak gyengén jelzi, akkor pedig növeljed. |
Bejelentkezés
Hirdetés |








