Fórum témák

» Több friss téma
Fórum » LCD TV probléma
 
Témaindító: ReFi, idő: Szept 17, 2007
Témakörök:
Lapozás: OK   83 / 223
(#) eyess válasza Andralin hozzászólására (») Ápr 23, 2016 /
 
Ha lehúzod a háttérvilágításra menő kábeleket , akkor mi a helyzet helyre áll a táp ?
(#) Andralin válasza eyess hozzászólására (») Ápr 23, 2016 /
 
Kiszedtem a táppanelt a tévéből, úgy forrasztgatom meg tesztelem, minden terhelés nélkül.

Így elvileg a vezerlő IC-nek mindig mennie kellene folyamatosan, hogy a stand-by feszültséget előállítsa, de nem megy, csak ki/be kapcsolgatva. Az elején még a készülékben méregettem, úgy, hogy a főpanel rá volt dugva, LED háttérvilágítás pedig lehúzva és ugyanez a ki/be kapcsolgatás volt úgy is.
(#) eyess válasza Andralin hozzászólására (») Ápr 23, 2016 /
 
Igen ám , de van olyan táp amit például terhelni kell mert akkor nem indul el .Ez általában , vagy az 5 voltos rész , vagy a 3 .
Szerintem próbáld terhelni most hogy kicseréltél pár dolgot benne , és úgy nézd meg .A puffer feszültség az mennyi ?
A hozzászólás módosítva: Ápr 23, 2016
(#) didyman válasza Andralin hozzászólására (») Ápr 24, 2016 /
 
Szekunder oldalon a TL431-et cserélted? Primer oldalon az IC közelében a 100 µF-os kondit (C103 talán)? Érdemes mérni a feszültségét is, mi zajlik ott indulás körül? R112 (10 Ohmos ellenállat a közelében) nem szakadt esetleg?
A hozzászólás módosítva: Ápr 24, 2016
(#) kapcsrajz válasza Buvarruha hozzászólására (») Ápr 24, 2016 /
 
Szia !
Esetleg nem találtál ilyen trafót ?
(#) Andralin válasza eyess hozzászólására (») Ápr 24, 2016 /
 
Visszaszereltem a készülékbe a tápot és rádugtam a főpanelt.
Sajnos a helyzet változatlan, ugyanazt a kapcsolgatást produkálja mint kiszedve, terhelés nélkül.

A primer oldali DC pufferfeszültségre gondolsz ami a C109/C100-en esik? Az 294 V körül van, 1-2 voltot ugrál le és fel a kapcsolgatás periódusában.
(#) didyman válasza Andralin hozzászólására (») Ápr 24, 2016 /
 
Az AC oldal mennyi? Kevésnek tűnik a 294 V.
(#) eyess válasza Andralin hozzászólására (») Ápr 24, 2016 /
 
Igen arra hát az tényleg kevés.Ott olyan 320 felett kellene lennie.
(#) didyman válasza eyess hozzászólására (») Ápr 24, 2016 /
 
Akkor talán a primer puffer haldoklik. Miféle típus (Adrenalintól kérdezem)?
(#) Andralin válasza didyman hozzászólására (») Ápr 24, 2016 /
 
Heuréka! Végre nyomon vagyok!!

Elkezdtem kiméregetni az ellenállásokat és a kondikat, előszőr a primer oldalon, ott minden rendben volt, majd a szekunder oldalon folytattam. És találtam valami nagyon furcsát: a LED háttér tápfeszét (DD/33 V) adó ágon a C204/C214 ellenállása stabil 40 ohm volt.

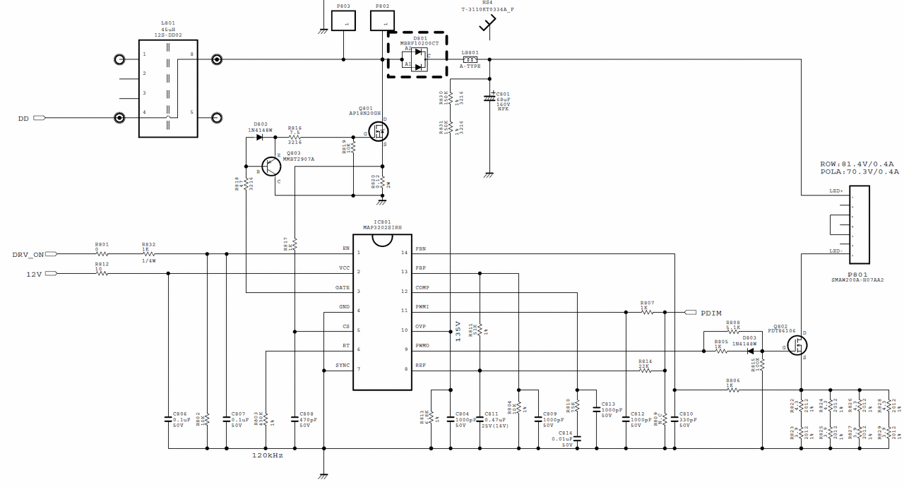
Végigkövetve a LED tápáramkört (kinagyított rajzot csatoltam) nagyon úgy néz ki, hogy a Q801 teljesítmény MOSFET lesz a bűnös, szerintem annak a D-S lábai viszik le LED tápot 40 ohmmal a földre.
Ugye jól gondolom, hogy a D-S között nem szabadna ilyen kicsi ellenállásnak lennie kikapcsolt állapotban?

Most a főtrafó (T101) 12-es lábáról leválasztottam teljesen a LED tápkörét és láss csodát, bekapcsol a táp és megy stabilan! A vezérlőpanelt rádugva pedig stand-by-be megy a készülék és tudom ki/be kapcsolni az oldalsó gombokkal! Szóval minden tuti, a LED tápkörben van már csak gond.

Mit gondoltok, a MOSFET lesz a bűnös, jól gondolom? Cseréljem?

Image2.gif
    
(#) Andralin válasza didyman hozzászólására (») Ápr 24, 2016 /
 
Két 68 µF/450V elkó van primer puffernek.
Kiforrasztás nélkül megmértem őket párhuzamosan, így az ESR 2,5 ohm a Vloss pedig 4,5%

Így hogy rendesen működik a táp a primer feszültség felment egy picivel, egyészen pontosan 300,0 V.
De ha így rendben fut a táp, akkor gondolom ezzel nincs probléma, vagy tévedek?
Vagy szerintetek inkább cseréljem ki ezt a két kondit ha már úgy is szét van szedve a tévé?
A hozzászólás módosítva: Ápr 24, 2016
(#) patexati válasza Andralin hozzászólására (») Ápr 24, 2016 /
 
A feszültség az jó lesz szerintem a puffereket nem kell kicserélni,de a tápban az elkókat érdemes cserélni ha már sokat mentek és már szét van szedve,de csak jó minőségű és LowESR fajtára!
(#) Buvarruha válasza Andralin hozzászólására (») Ápr 24, 2016 /
 
A multkor direkt kérdeztem, hogy van-e valahol túláram és azt mondtad, hogy mindenhol szép lassan emelkedik és csökken a feszültség és külön tápot is adtál a ledek meghajtójának is és azzal sem volt gond. Mivel a szinusz sosem szinusz és lapos a szinusz teteje felesleges a gyökkettőszörösét várni a 230-nak csúcsfeszültségben, a 300V körüli DC feszültség teljesen normális a primer pufferen. LEhet a mosfet hibás, de az is lehet csak egy tünet, a diódát is ellenőrizd, valamint a meghajtó IC-t. Ha a mosfet megdöglött és rövidzáras lett a gate is, akkor az IC-t is kinyírhata.
(#) patexati válasza Buvarruha hozzászólására (») Ápr 24, 2016 /
 
Az ic áramköreiben lévő kis smd kerámia kondik is nagy galibára képesek! Megpattan és máris mintha ott sem lenne de alig vehető észre még nagyítós lámpával is..Ezt úgy általánosságban mondom nem konkrét márkára..Az áramkör kritikus részeiben lévő ilyen kondikat célszerű csekkolni mert nem mind hidegítő szerepet tölt csak be.
(#) Andralin válasza patexati hozzászólására (») Ápr 24, 2016 /
 
Olyan sokat nem mentek még, kb. két éves a tévé, de a hibakeresés elején már kicseréltem egy pár elkót, azzal kezdtem.
Akkor a puffereket hagyom egyenlőre.
(#) Andralin válasza Buvarruha hozzászólására (») Ápr 24, 2016 /
 
Én nem a LED-ek meghajtójának adtam külön tápot, hanem a primeroldali vezérlő IC101-nek, amit aztán ki is cseréltem. Ennek is az ST startup lábát próbáltam külső táppal táplálni, elnézést ha félreérthetően fogalmaztam.

A DC feszültségek folyamatosan emelkedtek és süllyedtek, ahogy írtam ez így is volt. Most így utólag már nyilván amiatt, hogy a túlterhelés miatt mindig lekapcsolt az IC101 majd visszakapcsolt végtelen ciklusban. De annak nem volt semmi nyoma, hogy túláram van valahol. A túláramot hogy tudtam volna kimérni? Megszakítom valahogy a szekunder köröket és multiméterrel belemérek a körbe sorosan? Ezzel kellett volna kezdenem?

A MOSFET a LED tápkörben tutira bűnös volt, kiforrasztottam és ez vitte le a D-S lábakkal 40 ohmra a tápot. A gate viszont rendben volt, ott nem mértem rövidzárat.
Akkor ellenőrzöm majd még a többi alkatrészt is a környéken mielőtt új MOSFET-et rakok bele.
(#) Andralin válasza Andralin hozzászólására (») Ápr 24, 2016 /
 
Az elhalálozott MOSFET sajnos megint nem beszerezhető itthon, ahogy nézem Európából sem, de itt már gondolom nem olyan nagy gond, ha helyettesítőt használok, ugye?

Mire figyeljek a helyettesítő típus kiválasztásánál?
Elég ha az Absolute Maximum Ratings paraméterek megegyeznek, vagy magasabbak a régi típusnál? Illetve a bekapcsolási ellenállás pedig alacsonyabb?

Ez volt benne gyárilag: AP18N20GH Bővebben: Link

És ezt szemeltem ki helyette: IRF 640NSPBF Bővebben: Link

A fő paraméterek egyeznek vagy jobbak és a tokozás is ugyanaz, TO-252 vs. D2PAK.

És ez van is itt a helyi üzletben, holnap besétálok érte és meg is tudom venni azonnal.
Szerintetek ez jó lehet a régi helyett?
A hozzászólás módosítva: Ápr 24, 2016
(#) Buvarruha válasza Andralin hozzászólására (») Ápr 24, 2016 /
 
Ha túláram volt, akkor az a tápfesz amiről a ledek mentek eleve alacsony lehetett és amikor leállt az IC mindjárt ki is sült, nem szép lassan csökken a feszültség rövidzárban, vagy közelében. Az IRF jó lesz bele, a diódát ellenőrizd még a rajzon legfelül van.
(#) Andralin válasza Buvarruha hozzászólására (») Ápr 24, 2016 /
 
Nagyon köszönöm a megerősítést MOSFET ügyben, akkor ezt az IRF-et kipróbálom holnap.

A diódát kimértem, az rendben van.

Van itt egy kis zavar, a helyzet az, hogy két stádium volt a hibakeresés közben ahogy korábban írtam is.
Az első stádiumban, a legelején még ment a táp, a tévé bekapcsolt csak nem volt háttérvilágítás. Ekkor a LED háttér tápfesztültsége még egy másodperces periódussal mászkált 11-20 Vdc között.

Kicsit később halt meg teljesen a MOSFET. Innentől kezdve a tápvezérlő IC már csak ki/be kapcsolgatott, a tévét ekkor már nem lehetett bekapcsolni sem. Itt volt az, hogy a még jelen lévő feszültségek - a 3,5 V stand-by feszültség illetve a vezérlő IC VCC-je le/fel mászkált szintén egy másodperces periódussal, ahogy az IC ki/be kapcsolgatott.
Ez a stádium fennmaradt egész addig, amíg meg nem találtam a MOSFET-nél a rövidzárat és le nem válaszottam a LED tápkört.
Innentől kezdve megint működik rendesen a fő táp, a tévét be lehet kapcsolni, megvannak a feszültségek, kivéve a LED tápot, amibe majd beszerzek egy új MOSFET-et.

Hát nagyjából ez az összefoglalása az eddigieknek.

Lehet, hogy a MOSFET már ez elején haldoklott, de még nem volt zárlatos, ezért volt először a 11-20V a LED kimeneten a >100V helyett? És később teljesen meg is halt, ekkor lett a zárlat a D-S lábak között?
(#) Buvarruha válasza Andralin hozzászólására (») Ápr 24, 2016 /
 
Nem valószínű, a fet halálának okát kellene kideríteni. Én szkóppal rámérnék a gate-re, hogy bekapcsoláskor van-e rajta valami értelmes jel, vagy rövidzárt fog csinálni megint, tehát kinyitja a FET-et és úgy is marad.
(#) sean hozzászólása Ápr 24, 2016 /
 
Próbáltam a neten talált szervizkódokat a TV-hez de az a baj, hogy bekapcsolás után semmire nem reagál így a kódot sem tudom megadni.
(#) eyess válasza Andralin hozzászólására (») Ápr 24, 2016 /
 
Amit a kezdet kezdetén írtál annak az előzménye sajnos nem derült ki .
Mert hogy egyszer csak nincs háttér világítás ugyan lehet ilyen persze , csak ennek azért szoktak előjelei lenni általában.
Nem tudni a tévé előéletéről semmit .Mennyit ment volt e már javítva , és így tovább. Ahhoz , hogy egy ilyen fet tönkre menjen , azért ott más gondnak is kell lenni, vagy valami ami miatt tönkre ment, amit nem tudunk.Esetleg külső behatás egyebek.
Minden esetre nem árt tovább vizsgálódni a fet körében , hogy mitől is mehetett tönkre .
A hozzászólás módosítva: Ápr 24, 2016
(#) Andralin válasza Buvarruha hozzászólására (») Ápr 24, 2016 /
 
Ez jó ötlet!

Meg is mértem visszarakva a tévébe a táppanelt. A tévét bekapcsolva, de a kiforrasztott MOSFET-tel a gate láb pontjánál szkóppal 100 kHz 12 Vpp négyszögjelet mértem legalább 90%-os kitöltöttséggel.

Ez azt hiszem elég jó jel!
(#) Buvarruha válasza Buvarruha hozzászólására (») Ápr 24, 2016 /
 
Ja értelmes jel a PWM egy rövid ideig, ha csak magas tehát fesz kerül simán a kimenetre, akkor döglött valami és az új fet is így fog járni.
(#) Andralin válasza Buvarruha hozzászólására (») Ápr 24, 2016 /
 
Ja, úgy érted, hogy az új FET beforrasztása után az első bekapcsoláskor nézzem majd szkóppal? És ha nincs négyszögjel, akkor azonnal kapcsoljam ki?

A biztonság kedvéért veszek több darab FET-et is, csak 205 Ft darabja, legyen tartalék.
(#) Buvarruha válasza Andralin hozzászólására (») Ápr 24, 2016 /
 
Nem, a FET nélkül mérd meg, hogy mit kapna a fet mielőtt belerakod.
(#) Andralin válasza Buvarruha hozzászólására (») Ápr 24, 2016 /
 
Most a FET nélkül bekapcsolt állapotban mérem ezt a 100 kHz 12 Vpp négyszögjelet a gate láb pontjánál. Szóval ezt kapná most ha beleraknám az új FET-et.
Erre írtam, hogy gondolom ez nagyon jó jel.
(#) Buvarruha válasza Andralin hozzászólására (») Ápr 24, 2016 /
 
Az jó, igen. Tegyél rá fetet és kiderül.
A hozzászólás módosítva: Ápr 24, 2016
(#) Andralin válasza eyess hozzászólására (») Ápr 24, 2016 /
 
Most hogy így írod, nagyon remélem hogy nem a LED-ek tették tönkre a MOSFET-et...

Kb. két éve lett véve a készülék, normál háztartási felhasználás mellett működött.

És igen, volt előjele!

Az elsötétedés előtt 2-3 héttel vették észre, hogy a képernyő bal felső sarkában egy kisebb tenyérni területen néha vibrált a háttérvilágítás fényereje. Mindenhol máshol stabil volt a fényerő, csak abban a kis foltban vibrált. És alkalomszerűen, csak néha jelentkezett a jelenség, az idő nagy részében nem volt jelen.

Majd egyszer csak egy bekapcsolás során már nem jött be a kép, fekete maradt a képernyő.
Ekkor kezdtem neki én méregetni, a többit már leírtam itt a fórumban, de ezeket az előzményeket még nem említettem eddig.

Elképzelhető, hogy hibásak valahol a LED-ek és azok miatt szállt el a MOSFET?
Ha igen, akkor azt hogy ellenőrizzem le?
(#) Andralin válasza Buvarruha hozzászólására (») Ápr 24, 2016 /
 
Rendben, holnap megveszem és kipróbálom!
Következő: »»   83 / 223
Bejelentkezés

Belépés

Hirdetés
XDT.hu
Az oldalon sütiket használunk a helyes működéshez. Bővebb információt az adatvédelmi szabályzatban olvashatsz. Megértettem