Fórum témák
» Több friss téma |
Szakadást mérsz, vagy labortáppal adsz feszültséget a ledekre, de a polaritásra figyelj.
Labortápom sajnos nincsen.
Úgy érted, hogy szedjem szét a képernyő részét és egyenként mérjem meg a LED-eket? Vagy az egészet egyben mérjem csak a LED tápcsatlakozón? A közös LED táp biztos nincsen szakadásban. A méregetés elején, amikor még ment a táp rádugott LED csatlakozóval (P801) 11-20 Vdc között mászkált a LED kimenő feszültség, lehúzott csatlakozóval üresjáratban ha jól emlékszem olyan 65-80 Vdc között ugrált. De ugye ekkor már haldokolhatott a MOSFET, mert üresjárásban is már túl kicsi volt a LED kimenő feszültség és ugrált le/fel. A hozzászólás módosítva: Ápr 24, 2016
Szerintem nem nagyon szokott így haldokolni a mosfet és nem csak egy részen villogott volna. A kijelzőt ne szedd szét, csak a kivezetett kábelen mérd. Keress doksit a kijelzőhöz abban benne van, hogy mekkora fesz kell a ledeknek, majd sima trafó és kondenzátoros táppal és soros ellenállással is próbálhatod és akkor kiderül, fogsz 1K 0.6W-os ellenállást, ha minden rendben van halványan világítani fog, ha nem, akkor lejjebb esik a fesz, vagy el is éghet az ellenállás, de a kár nem lesz nagyobb.
De jó lenne ha nem kellene szétszedni teljesen, megnéztem pár youtube videót, hát ezt szívesen elkerülném...
Megtaláltam a doksiban a specifikáció a LED kimenő tápra: 65.6V~86.9V Ha kisebb feszt adok nekik, mondjuk csak 24 V-ot, akkor van rá esély, hogy valami fényt lássak? Vagy ilyen kis feszültségnél ki sem nyitnák még a LED-ek?
Nem, olyan kis fesznél semmi sem fog történni.
Hát akkor muszáj lesz a saját tápjával tesztelnem.
Legfeljebb még egy párszor cserélem majd még a MOSFET-et... ![]() Köszönöm az eddigi segítséget!
Sajnos nem olyan egyszerű a dolog mint reméltem.
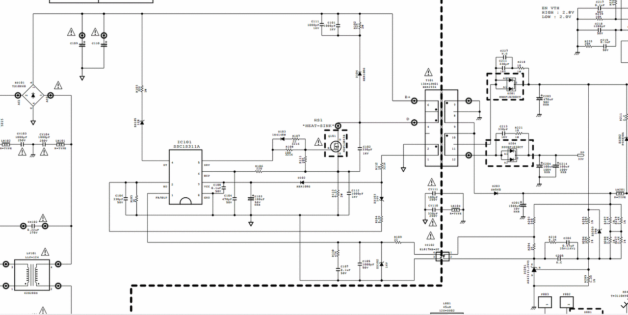
![]() Megvan az új MOSFET, beforrasztottam, de csak nem megy a LED táp. Annyit sikerült kinyomoznom, hogy túl magas a feszültség a szaggatás után és folyton ki-be kapcsolgat most a LED táp vezérlő IC-je. Hátha tudnátok még tippeket adni, összeszedtem a lényeget lentebb. - A panelen az összes többi fesz tökéletes és stabil (3,5V, 12V, 24V) - A trafó 12-es lábáról lejövő LED tápfesz egyenirányítás után (L801 tekercs lábain) 48 V-on van a rajzon mutatott 33 V helyett, ez fogalmam sincs mitől lehet - Behatóbban vizsgáltam az itteni vezérlő IC801-et (adatlap itt: Bővebben: Link) Úgy néz ki működik rendesen, nem szállt el. - Ha leválasztom a trafó 12-es lábáról a LED tápot teljesen, akkor az IC szépen működik: megkapja a VCC 12 V-ot, az enable jel (DRV_ON) megvan, itt 2,5 V-ot mérek, 2,0 V felett kapcsol be, a most cserélt Q801 gate-jén szkóppal nézve szépen megvan a 100kHz-es kapcsolójel, bejön a PWMI (PDIM) fényerő szabályzó jel is vezérlőpanelról, szkóppal 100 Hz-es négyszög, ugyanezt kiadja a PWMI-n, a Q802 MOSFET gate-jén is megvan a 100 Hz-es négyszög - Viszont ha visszakapcsolom a leválasztott 48 V-os tápot és éles lesz a tápkör, a következő a helyzet: az IC ki/be kapcsolgat kb. 2 másodperces periódussal, minden periódus elején megjelennek a fent említett négyszögjelek a gate-eken kb. 100 msec időre majd lekapcsol azonnal az IC és ezt ismételgeti 2 mp-ként, azt találtam, hogy a túlfesz védelem (OVP) miatt kapcsolgat ki be, ezen a lábon kimenő LED tápfesz van leosztva, adatlap alapján 3,0 V felett tilt le és 2,7 V alatt kapcsol vissza, a kimenő fesz ennek megfelelően 135 V és 122 V között ugrál, az OVP lábon a leosztott feszültség ennek megfelelően 3,0 és 2,7V között ugrál a szkóp alapján is, bekapcsoláskor beindul az inverter, a leosztott fesz felugrik 3 V-ra, IC letilt, fesz lassan leesik 2,7 V-ra, IC visszakapcsol, ez a ciklus ismétlődik folyamatosan A fenti mérések alatt az LED csatlakozó le volt húzva, de ha rádugtam akkor se változott semmi, ugyanezeket mértem. C801 puffert már kétszer kicseréltem, D801 dióda jó, R820 szintén rendben. Csináltam még egy kíséreletet, az R830 és R831 feszosztók mellé sorosan betettem még egy 20 kohm-ot próbaképp, hátha a magasabb komparálási szintnél már nem megy magasabbra a fesz és elindul az IC. De ugyanaz volt mint eddig, csak most 144V és 129 V között ugrált az invertált tápfesz. Most ezen a ponton megint megakadtam, nincs ötletem merre folytassam, pedig lehet, hogy már csak egy kicsi hiányzik, hogy megoldjam a gondot. Szerintetek mi lehet a gond, miért mászik ilyen magasra a LED tápfesz?
Tegyél a led tápjára , tehát a +12 voltra egy 12volt 55/100w os fényszóró izzót .Ilyen autó fényszóró izzók szoktak lenni.-Ha a táp rendesen beindul , és az izzó is jól fog világítani , és nem fog ki be kapcsolgatni a táp , akkor a tápnak semmi baja.Ha a fényszóró izzóval is ki be fog kapcsolgatni , akkor a táp a terhelést nem bírja valamiért.
A hozzászólás módosítva: Ápr 25, 2016
Általában szakadáskor megy fel a feszültség, mivel áramgenerátorként üzemel az IC. A fetek cource lábánál lévő ellenállásokon eső fszültséget figyeli az IC, ha nem esik az ellenálláson feszültség. A ledek világítanak amíg elindul, vagy sötétség van? Ha nem világít, akkor szakadás gyanús a dolog, mivel felemelkedik a feszültség. Az IC induláskor elindítja a step-up konvertert, ha egy idő után nem folyik áram a kimeneten akkor leáll és ekkor felszökik a feszültség. Amúgy a rajz alig látható homályos lett és hiányos is talán tudod linkelni a PDF-et? Bár most látom, hogy a tápja ál le. Az a táp 33V lenne?
A hozzászólás módosítva: Ápr 25, 2016
Hú, akkor lehet nincs is semmi baja a tápnak? Sajnos a kapcsolóüzemű tápok lelkivilágát nem igazán ismerem, ezért nagyon hálás vagyok a segítségetekért!
A háttérvilágítás egyáltalán nem kapcsolt be egy pillanatra sem amikor rádugtam. Akkor megpróbálok szerezni egy ilyen autóizzót és kipróbálom azzal. Ha így működik, akkor állhatok neki szétszedni az egész kijelzőrész és megnézni a LED sorokat? Youtube-on láttam, hogy spéci tapadókorongokkal kell leemelni az LCD panelt. Ilyet be kell szerezzek mindenképp vagy anélkül is le lehet emelni?
Én nem izzóval próbálnám, mivel hidegen szinte rövidzár az izzó. Kapcstápokat ellenállással lehet terhelni, izzóval nem jó, mert nagyon gyakori a fals leállás a hideg ellenállása miatt. Nekem van egy tranzisztorom hűtőbordán és a bázis ellenállás módosításával folyatok rajta akkora áramot amekkorát akarok.
Nyugodtan ráteheted az izzót én már többször alkalmaztam amikor nem volt biztos , hogy a kimenet valóban bírja e azt amit kell.
Viszont ha egy pillanatra sem volt háttérvilágítás , akkor nekem nem a táp lenne ezek után gyanús.De azért a próbát csináld meg az a biztos. A hozzászólás módosítva: Ápr 25, 2016
Egyébként, ha gate jel van és a tekercs mindkét lábán egyforma a fesz, akkor ellenőrizném még a tekercset, hogy nem rövidzáras-e és a trafó szekunderét kapcsolgatja a fet.
.
Jajaj... lehet, hogy itt lesz a gond?
Melyik tekercs a fontos, az L801 nagy tekercs vagy a LB801 kis induktivitás? Alkatrész teszterrel mérve az L801 0,2 ohm 20 uH, az LB801 pedig 0,3 ohm 20 uH. Jól sejtem, hogy itt gond lesz?
Nem látom a rajzon, hogy mi micsoda mert a fórum átméretezte a képeket, a PDF kellene, az igazat megvallva azt sem tudom már, hogy milyen masináról van szó.
A nagy tekercs a FET előtt van és 45 uH-t ír a rajz, a kis induktivitás utána van és nincs érték feltüntetve, csak annyi, hogy A-TYPE.
A masina egy LG 32LN4500 és itt a teljes szervízdoksi: Bővebben: Link Csatolva pedig csak a táppanel rajza ami a fenti pdf 19. oldalának kivonata. A hozzászólás módosítva: Ápr 25, 2016
A kis induktivitás gondolom ferrit gyűrű egy átkötésen, ott nem is lehet nagy induktivitás, mert szembe dolgozna a két tekercs nem is kell vele foglalkozni. A kérdés, hogy a nagy 45uH tekercs rendben van-e (induktivitást kellene mérni). A gate-en a PWM nem megy véletlenül 100%-ra? Az már biztos, hogy szakadás van a kimeneten, ha rádugott ledekkel is felszökik a fesz 100V fölé, az lehet még, hogy a vezérlő kicsit "buta" és teljes kitöltésig hajtja a fetet ami már rövidzár. Ja és ami a DD feszültség 48V-ját illeti az nem meglepő, mivel az nem szabályzott feszültség és terhelés nélkül normális, hogy felugrik.
A hozzászólás módosítva: Ápr 25, 2016
A nagy tekercsre 20 uH-t mértem, és 0,2 ohmot.
Akkor ezt cseréljem? A hozzászólás módosítva: Ápr 25, 2016
Miért nem csinálod meg az izzós próbát , és akkor lehetne a valódi hiba felé menni , mint , hogy futod a felesleges köröket , és már rég elfelejthetnéd a táp problémát , de így leragadtál egy olyan hiba jelenségnél , ami nem egyértelmű , hogy táp hiba nem kizárt , de szerintem a táp az teljesen hibátlan lesz.
Biztos, hogy pontos a mérés? Csak mert néhány induktivitásmérő nem tud ilyen alacsony ellenállású tekercseket rendesen mérni. Egyenlőre ne cseréld, kellene valami olyan műterhelés, amin épp akkora áram folyik és akkora feszről, mint a ledek, ehhez kellene tranyó hűtőbordára. A Gate jelet kellene még megnézni, hogy nem megy-e 100%-ra, lehet, hogy nincs is más gondja a vezérlőnek. A ledek megszakadtak, aztán kivégezte saját magát... Van ilyen.
Ha cseréljem, akkor megfelel helyette egy picike induktivitás is?
Pl. ez, 68 uH 1,2 A: Bővebben: Link Vagy valami nagyobb méretűt tegyek bele, pl. 47 uH, 1,8 A: Bővebben: Link
Hagyd már ezt, mellesleg megjegyezném, hogy azon a 30-40v-on egy 24V-os izzó 3-4A árama biztos leállítaná a tápot...
Ne cseréld még nézd meg amit írtam.
Igazatok van, egyenlőre nem foglalkozok a tekerccsel, megpróbálok majd valami műterhelést szerezni hozzá.
A kocsim épp szervízben van, így még autóizzóm sincs most itthon. A gate jel az éppen csak felvillan egy nagyon pici időre a ki/be kapcsolgatási ciklusok elején és nem tárolós a szkópom így sokat nem látok belőle. De amennyire ki tudom nézni nem túl nagy a kitöltési tényezője, max 50-60/% lehet úgy saccra. A hozzászólás módosítva: Ápr 25, 2016
Most nézem, hogy a DC-DC konverter 12V-jára akar izzót tenni oda pláne ne tegyél, mert az csak kis áramot bír, és csak azért ál le, mivel 24V-ról megy az is a 24V táp pedig leáll egy időre. De, ha annyira biztosra karsz menni, akkor szedd ki a 47uH tekercset és nem fog leállni ha a táp sem ál le.
12V 50W az 4A!! 4A-t akarsz kötni egy 1.2A terhelhetőségű DC-DC konverterre?
A hozzászólás módosítva: Ápr 25, 2016
Ezt most nem is tudom követni, melyik 12 V-ra gondolsz?
A LED tápkörben nincs sehol 12 V, csak az IC a működéséhez kap 12 V-ot. A trafóról lejövő táp az 48 V-os, a LED kimenő csatlakozón pedig 70..80 V van. 12 V csak a vezérlőpanelhez kell, de azt miért terheljem meg, az működik stabilan, az a 12 V az megvan. Vagy nem arra gondolsz?
A doksi szerint a LED kör terhelhetősége 0.4A(0.380~0.420A) (zárójelben min/max).
És mi lenne, ha egy 230V 40W-os izzóval próbálnám? Az elvileg csak 170 mA, még hidegen se vehet fel nagyon nagy áramot.
Igen mivel rajzot csak most tettél fel nem tudtam , hogy melyik led csatlakozóra gondoltál a fenti írásodban .És ez a táp más .Szóval itt a led csatlakozón te azt értetted , ami a led +, és a led - csatlakozók a rajzon.
Akkor viszont ezt a kimenetet kell terhelni , de nem az eredeti háttérvilágítás ledjeviel hanem ide kell az izzó, de viszont egy 230v/40w .Igy már meg lesz a terhelés.Ha viszont , így jó lesz , és az izzó világítani fog , és nem fog a táp kapcsolgatni , akkor a ledekkel lesz valami , és lehet , hogy Buvarruha nak lesz igaza a szakadást illetően. A hozzászólás módosítva: Ápr 25, 2016
|
Bejelentkezés
Hirdetés |








.
