Fórum témák
» Több friss téma |
- Ez a felület kizárólag, az elektronikában kezdők kérdéseinek van fenntartva és nem elfelejtve, hogy hobbielektronika a fórumunk!
- Ami tehát azt jelenti, hogy a nagymama bevásárlását nem itt beszéljük meg, ill. ez nem üzenőfal! - Kerülendő az olyan kérdés, amit egy másik meglévő (több mint 17000 van), témában kellene kitárgyalni! - És végül büntetés terhe mellett kerülendő az MSN és egyéb szleng, a magyar helyesírás mellőzése, beleértve a mondateleji nagybetűket is!
Adott egy többfeszültséges bontott trafó. A feszültség adott de az áramát hogy tudom mérni?
Amper-mérővel!
A huzal-átmérőkből lehet következtetni, de terheléses méréssel is lehet. Előbb meggyőződsz, hogy jó-e: primer ellenállás-mérés, aztán izzón keresztül hálózatra kapcsolás, árammérés (üres-járási). Szekunder feszültségek mérése. Valamint beírod/rajzolod ide a méreteit, mérési eredményeket, és saccolunk (esetleg valaki felismeri, és séróból mondja az adatokat).
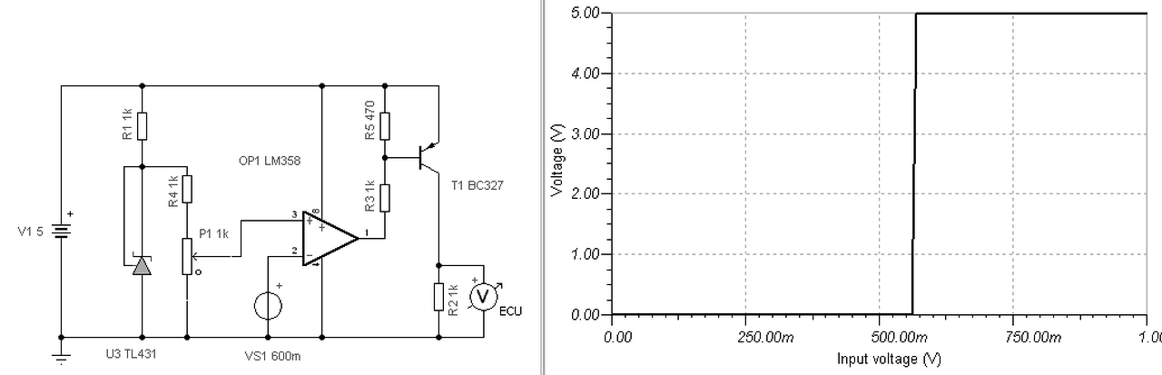
Lehetne még annyi kérésem, hogy át lehetne ezt ültetni 5 voltos tápra, 0,55-1 volt közötti kapcsolási pontra. Esetleg megtudnád osztani, a számolás képletét, vagy hogyan keressem a neten a komparátorok méretezését?
Természetesen át lehet alakítani. Számolgatni itt nem sokat kell, a működése a műveleti erősítő működéséből fakad. Vagy is ez "nullkomparátor". Ha a műveleti erősítő neminvertáló (+) bementi feszültsége magasabb, mint az invertáló (-) akkor a kiment a pozitív táp felé indul el. És mivel nincs visszacsatolás az áramkörbe, megy is addig, míg tud. Vagy is míg bele nem botlik a tápba. Tekintve hogy az OPA nyílthurkú erősítése meglehetősen nagy ez már néhány mV differenciáli feszültségnél bekövetkezi.
A varia mindössze annyi, hogy az LM358 kimenete a negatív tápra le tud menni (ha nincs terhelve), de 5V táp esetén csak kb. 3,6V-ra tudja megközelíteni a plusz tápot, így egy tranyót és bázisosztót kell alkalmazni. Mivel a tranyó közös emitteres kapcsolásban működik, fázist fordít, így az OPA két bemenetét is meg kell cserélni, hogy akkor legyen magas a kimeneti szint, mikor a jel a referencia felett van. A TL431-nél ha a vezérlő bemenetét a katódba kötjük, akkor kb. 2,47V lesz a stabilizált feszültsége (ennyi kb. a belső referenciája). Azt kell leosztani abba a tartományba, ahol komparálni szeretnénk. Jelenleg ez 0..1,2V közötti feszültséget lehet beállítani a potival a komparátor referenciája gyanánt.
Sziasztok!
Néhány napja vásároltam egy Düwi kábelre szerelhető fényerőszabályzót (dimmer) és lenne egy problémám vele. A dolgát teszi rendben, szépen szabályoz és nem vibrál, viszont iszonyatosan zúg a fojtótekercse és enyhén az izzó (60W-os Edison) is zúg. A tekercset próbaképpen beburkoltam fekete rugalmas szigetelővel (ez látszik a csatolt képen) de nem segített semmit. Nézegettem dimmer kapcsolási rajzokat és úgy láttam, hogy ebben a klasszikus triakos-diakos kapcsolásban sokszor nem használnak fojtótekercset. Véleményetek szerint okozna problémát, ha kiszerelném és egy átkötéssel helyettesíteném? Esetleg helyettesíthető lenne valamilyen zajtalan zavarszűrési megoldással, vagy van más mód, hogy "elhallgattassam"?
Kedves Fórumozók!
Már jó ideje keresek a kérdésemre választ, mindeddig sikertelenül. Az elektronikában zöldfülű vagyok, ezért előre is szabadkozom a műszakiasságom hiánya végett. a kérdés: Ha egy vörösréz tekercsben (huzal átmérője~0,5mm, a tekercs ellenállása 1,8 ohm) feszültség indukálódik, amihez több tíz A erősségű áram tartozik, akkor a vezeték csak akkor fog izzani-elszakadni, ha zárva van az áramkör, az fogyasztóra van kötve (természetesen a vezeték fajlagos ellenállása miatt van hőtermelés,azonban úgy képzelem ez elenyésző). Más megfogalmazásban, ha a tekercs "lóg a levegőben", amiben egy mágnes feszültséget indukál, akkor azon addig nem fog folyni a vezeték számára gyilkos áram, ameddig az nincs áramkörbe kötve. A válaszaitokat előre is köszönöm!
Igen, jól látod, amíg a tekercs kivezetése a levegőben lóg, addig áram nem folyik rajta.
Szia,
mi is az áram? Az elektronok "vándorlása" az egyik pólusról a másikra. Mivel itt nincs másik pólus, így nincs vándorlás, és nem folyik áram.
Önts, öntesd ki a tekercset műgyantával. Tekercselők használják a menetek rögzítésére. Ha kiveszed, az izzó valószínűleg hangosabban fog ciripelni.
Köszönöm a érthető, és minden igényt kielégítő választ. Nagyon korrekt.
Köszönöm! A választott induktivitás nagysága mitől függ dimmernél? Láttam 47uH és 300uH indukcióval (és tekercs nélkül) is kapcsolást, esetleg ha kicserélném ritkábban tekercseltre, kiöntve gyantával? Ami most van benne, olyan sűrűn tekercselt, hogy nem tartom valószínűnek, hogy utólag kiönthető lenne, a tekercs belsejébe egyszerűen nem jutna be a gyanta/lakk, inkább le kellene tekercselni és rétegenként lakkozni. Esetleg a méretével variálhatnék még, hivatalosan 600W-ig terhelhető, ami ha jól számolom 2,61A én viszont 60W-al terhelem, ha 100W-ra méretezem a tekercset, akkor egy 0,44A körüli terhelhetőségű tekercs is elég kellene legyen, ez kisebb méretű, talán kevesebb zajjal, csatoltam például egy 220uH 0,7A-es fényképét, ez vajon használható hálózati feszültségen?
Mi a szinonímája a féltápnak? (Single supply)
Asszimmetrikus? Féloldali tápfeszültség? Egyoldalú? A hozzászólás módosítva: Máj 23, 2016
Miért kell cifrázni? Van a táp, és van szimmetrikus duplatáp. Ha nem szimmetrikus, akkor két (több) táp (feszültség).
A hozzászólás módosítva: Máj 23, 2016
A féltáp és a single supply két külön fogalom. 5V tápfeszültség esetén a féltáp 2,5 V, a többit pucuka leírta.
Az induktivitás értéke függ attól, hogy mekkora terhelésre tervezik az egészet és attól, hogy a tervezőnek éppen mi jut eszébe. Kb. ez jellemző az ilyen kapcsolásokra. A képen látható tekercset nem javaslom hálózati feszültségre. Igaz, a két vége között olyan kicsi lenne a potenciálkülönbség, hogy nem valószínű az átütés a menetek között. Elvileg az adatlapja, már ha megtalálható, tartalmazza, mekkora feszültségig biztonságos a használata. 230 V~ esetén legalább 350 V-tal kalkulálj.
Egy elektronikus eszköz akkor hozható forgalomba, ha megfelel a vonatkozó zavarvédelmi szabványoknak. Ez 30 MHz -ig előírja, hogy mekkora zavarszintet produkálhatnak mind sugárzásos, mind vezetés irányban. Ehhez számítják a zavarszűrő induktivitás értékét a többi áramköri elem figyelembevételével (szűrőkondi, és különböző terheléseknél az ellenállás, áramok, teljesítmények).
Távolról sem hasraütés szerűen. Idézet: Ez az elv.„Egy elektronikus eszköz akkor hozható forgalomba, ha megfelel a vonatkozó zavarvédelmi szabványoknak.” Idézet: A neten keringő triakos, fázishasításos teljesítményszabályzókról van szó, azokban pedig sokszor tekercs sincs.„Távolról sem hasraütés szerűen.” Íme, egy boltban vásárolt LED-es fényvető: Bővebben: Link. A hozzászólás módosítva: Máj 23, 2016
Elv, nem elv, ha ebből probléma adódik, vizsgálat van, aminek bőven vannak következményei.
Én forgalmazásról (árusításról) beszélek, hogy otthon ki mit csinál az más kérdés, nyilván senki sem fogja bevizsgáltatni, ha saját célra készíti. A gyártók meg valószínűleg nem a neten tájékozódnak. De elég egy kekec szomszéd zavarbejelentése, és elindul(hat) a gépezet. Persze egy átlagos ember nem hallgat KH, RH sávot, vagy ha igen, van saját zavarforrása is bőven. De elég, ha egy amatőr költözik a szomszéd házba, (lásd villanypásztor) aki tudja is, hogy mi a teendő.
Értem én, de ettől még bőven kapni gyári zavarforrásokat.
Sajnos nem látom az adatlapon, hogy mekkora feszültséggel terhelhető, de csatolom, hátha meglátjátok! Közben nézegettem megoldásokat és azt látom, hogy nálam vékonyabb vezetékből van rengeteg menet a tekercsen, máshol viszont vastag vezetékből éppen hogy néhány menet. Másokat természetesen eszem ágában sincs zavarni a zavarjeleimmel, olyan megoldást szeretnék, ami hangtalan és szabályos! A tekercs induktivitása minél magasabb, annál jobban szűr? Csatolok néhány példát a netről, amin látszik, hogy mennyire nem szokták túlzásba vinni a tekercs méretét és menetszámát.
A hozzászólás módosítva: Máj 23, 2016
A többivel ellentétben nálam ilyen menetszám van.
Ez nem az enyém, szintén netről szedett kép, csak a szemléltetés miatt!
A tekercs induktivitása attól is függ, hogy milyen vasmagra van tekerve. Egyébként szerintem simán ki lehet önteni a tekercset, esetleg valamilyen egyéb, híg ragasztóval megtámadni.
Sziasztok! Hakko klón pákát használok, saját készítésű forrasztóállomással. Nagyszerűen működött kb. 2 évig, most viszont nem fűt fel. Vagyis fűt, a hőérzékelő ki-be kapcsol, a páka viszont max. 180 fokra melegszik. Ez pákahiba ( nem találkoztam még ilyennel ), vagy a vezérlést bogarásszam?
Előtte ugyanígy jártam egy Solomon pákával, szintén ugyanezt csinálta. Akkor nem jártam utána, mert kész volt a Hakko.
Akkor nincs, mese, szétszedem, összehasonlítom egy másik pákáva. Csak nem akartam megbontani, mert az egész be van építve a tápegységbe, és ráadásul fixen bekötve.
Sok helyen látom, hogy az smd ellenállások alá piros színű ragasztót tesznek. Miért? A forrasztás nem tartja a helyén?
"Előtte ugyanígy jártam egy Solomon pákával"
Akkor nem a pákában, hanem benned van a hiba, hiszen a páka változott. Ami nem változott az a gazda.. |
Bejelentkezés
Hirdetés |




A huzal-átmérőkből lehet következtetni, de terheléses méréssel is lehet. Előbb meggyőződsz, hogy jó-e: primer ellenállás-mérés, aztán izzón keresztül hálózatra kapcsolás, árammérés (üres-járási). Szekunder feszültségek mérése. Valamint beírod/rajzolod ide a méreteit, mérési eredményeket, és saccolunk (esetleg valaki felismeri, és séróból mondja az adatokat). 




Asszimmetrikus? Féloldali tápfeszültség? Egyoldalú? 








