Fórum témák
» Több friss téma |
Fórum » NiMh akku-töltő
Sziasztok!
Most lett időm megépíteni az Arduino-s akkutöltőt. Hát... nem tudom, hogy programozástechnikai hiba, vagy én építettem meg rosszul (ezt az 5 alkatrészt), de összevissza értékeket mér pár ciklus után. Amúgy nem lenne rossz.
Üdv!
Szerintem, mi jeleztük, hogy ez nem igazán egy jó megoldás. Rendes áramgenerátor kell, az ardu dolga csak annyi lenne, hogy loggol és figyeli a deltaU-t és leállítja a töltést. Másrészt FET-et így nem hajtunk meg.
Igen, én is erre jutottam, a FET-tel kapcsolatban is, bár nem annyira értek még hozzá (se), de gyanús volt.
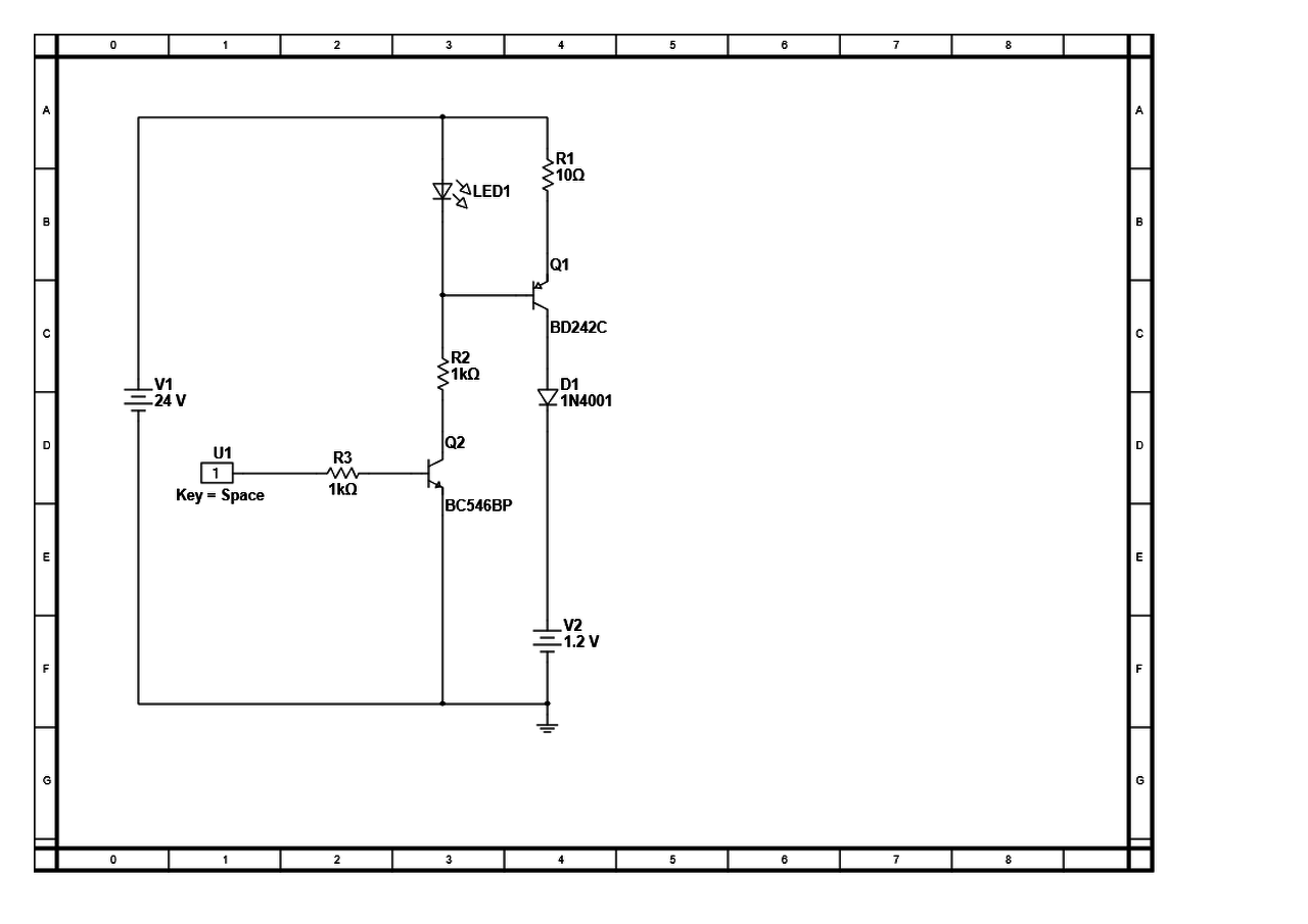
A mellékelt kapcsolás már bevált dolog, próbáld ki ezt. A töltőáram itt fix, amit R1 szab meg. Úgy tudod kiszámolni R1 értékét, hogy a LED nyitófeszültségéből kivonod a tranyó B-E diódájának feszültségét (0.6V mondjuk) és ezt osztod a kívánt töltő árammal. R2 értékét úgy kell megválasztani, hogy kb 20mA áram folyjon át a LED-en a használt bemenőfeszültség mellet. R3-on keresztül az Arduino-val tudod ki-be kapcsolni. Ha többféle töltőáram kell, akkor forgókapcsolóval tudsz beiktatni más értékű ellenállást. Ha ezt is elektronikusan szeretnéd átkapcsolni, akkor arra is van megoldás, de az jóval bonyolultabb (DC-DC áramgenerátor módban + PGA a visszacsatolásban).
Ja igen! A Tranyót hűtőbordára kell szerelni, mert nagyon tud melegedni! A hozzászólás módosítva: Jún 19, 2016
Köszönöm! Azt hiszem, elleszek ezzel a projekttel.
Azt még elfelejtettem, hogy ebbe nem kell akkora böszme nagy teljesítményű (R1) ellenállás, mivel azon jóval kisebb feszültség esik és a tranzisztor fűti el a felesleget. Elég max 2-3W.
Szia,
Bocsi, hogy beleszólok, de jól látom, hogy 24V-ról van hajtva az egész? Szerintem 5V bőven elég, s nem kell annyit "elfűteni".
Igen, de azért raktam ennyit, mert nem tudtam, hogy milyen tápról működtetné. Mivel ez áramgenerátor ezért szinte mindegy is (max többet, vagy kevesebbet fűt). A lényeg annyi, hogy kb 1.5x-2x nagyobb legyen a tápfesz, mint a töltési végfeszültség. Tehát 1 cella esetén 5V-ról is bőven jó.
Sziasztok!
Van egy 4 cellás 1500-mAh órás Ni-Mh akkupack om. Próbaként fel szeretném tölteni labor táppal, csak nem tudom, hogy hány voltot és ampert állítsak be.
Szia! Teljesen lemerült állapotból 150mA-es árammal (C/10) 14-16 órán keresztül töltheted. Az áramgenerátoros mód miatt a feszültséget az akkuk fogják meghatározni, de a tápot 6-7V közé állítsd be, hogy végig tartani tudja az áramot. Ha hozzáférsz, akkor előtte ellenőrizd és lehetőleg merítsd le a cellákat. (0.9V-1V közötti kapocsfeszültségig / cella)
Ok eddig megvan! De mit jelent a C/10 ? Nem vagyok mèg kèpben ebben a témában.
C az akku kapacitása, jelen esetben 1500mAh. Ha megadják, hogy mennyivel lehet (például maximum) tölteni, akkor ehhez viszonyítva adják meg az áramot. pl. C/2 (=750mA), vagy 2C(=3A) stb. A szabvány töltés minden NiMh-nál C/10 14-16 óra. Ezt többnyire rá is írják az akkuk oldalára. Amíg töltöd az akkukat, addig egy kis olvasgatással akár képbe is kerülhetsz.
Na már is tanultam egy kicsit! Kösz a segítséget!
Közben már lassan 16 órája töltődik az aksi most jár 5.65 voltnál és 140 milliampert vesz fel az aksi. Töltsem még tovább? Mert ha jól tudom 5.76 voltot kell hogy erélyen az az cellánként 1.44 voltot 100% töltöttség esetén.
Üdv!
C/10-es töltés során ezt nem lehet így kijelenteni, a töltési végfeszültség eltérő lehet. 16 óra töltés biztosan elég volt. Gondolom már elég melegek az akkuk, ez is jelzi, hogy már nem megy bele több. Gyorsabb töltés esetén lehetne érzékelni a 100%-os töltöttség körüli feszültség esést és a hirtelen hőmérséklet növekedést, amikor is be kell fejezni a töltést.
Sziasztok.
Elemtöltőt szeretnék készíteni egy 16V 500mA-s adapterből. 9,6v os (8db AA méretű NiMh akkumulátor sorba kötve) 2100Mah-s aksipackhoz. Hogyan tudnám ezt a leg egyszerűbben megoldani? A segítséget előre is köszönöm.
Hello! Az nem tudható, hogy számodra mi számít egyszerűnek, de "legegyszerűbben" állandó árammal lehet tölteni időre. Vagy is pld. két ilyen 12V/5W-os gépkocsi jelzőizzót párhuzamosan kötsz és ezen keresztül töltöd az aksit. A töltési időt pedig egy olcsó mechanikus kapcsolóórára bízod. Az izzó, kb. 400mA-el fogja tölteni a cellákat, és az órát 7 órára kell beállítani. Előfeltétele ennek az egyszerű töltésnek, hogy töltés előtt a cellák kisütött állapotban legyenek.
Valami ilyesmire gondoltam, annyi különbséggel, hogy max 210ma-t szeretnék töltőáramnak.
És izzók helyett valami ellenállást, kötnék be. A hozzászólás módosítva: Aug 11, 2016
Az akkumulátorok szeretik az állandó áramú töltést, amit az izzólámpa teljesít, az ellenállás pedig nem.
És azt az ingadozást, amit egy ellenállás okoz nem lehet kiegyenlíteni, mondjuk egy kondenzátor közbe iktatásával?
Nekem az izzóval csak annyi a bajom, hogy világít, illetve viszonylag nagy helyet is foglal, főleg ha esetleg bedobozolnám, hogy ne világítson. A hozzászólás módosítva: Aug 11, 2016
Nem világít veszetten, mert a 12V-os izzó, csak pár voltot fog kapni. Helyigénye pedig egyáltalán nem nagy. (Megnézted amit ajánlottam? Mert 200mA esetén egy is elég.)
Egyébként pedig a kondi egész másra való, állandó áramot áramgenerátorral lehet készíteni. De ahhoz is minimum két tranyó, és két ellenállás szükséges, valamint némi hűtőfelület..
most néztem. valóban nem nagy.
Viszont az adapterem 16V-os. akkor ha jól értem, sorba kötve: Adapter--izzó-- aksipack?
Igen, de ügyelni kell arra, hogy ne töltse túl. Tehát az időt és a hőfokot figyelni kell elsőre. Mert ezek a cellák feltöltöttségét nem lehet feszültség figyelésével megoldani. De hozzávetőlegesen 1,45V a töltés végén a feszültség. Tehát 12V fölé nem mehet az aksipakk.
Értem.
És ha nagyobb teljesítményű izzót kötnék be, akkor csökken az aksikhoz jutó áramerősség, ebből így igaz, hogy hosszabb idő alatt töltődik fel, de kisebb a túltöltés esélye?
A túltöltés lehetőségét a feszültségnövekedése hordozza magába, nem kimondottan a töltőáram nagysága. Ha nagyobb teljesítményű az izzó, nagyobb a töltőáram is. De hogy mekkora a számodra megfelelő, azt leginkább próbálgatással tudod megállapítani, pont az izzó meleg és hideg ellenállása közötti összefüggés miatt . Viszont pont ezért "közel állandó" az áram, nem úgy mint egy ellenállásnál, ahol arányos a rajta eső feszültséggel.
Akkor még egy pár kérdés, és békén hagylak
![]() Ha 16v-os az áramforrás, erre ha rákötöm a 12v-os izzót, akkor a túláram hatására hamar ki fog égni? illetve, ha 9,6v az aksipack, nem gond ha magasabb feszültséggel töltöm? Vagy a 12v-os izzó lecsökkenti azt is annyira, hogy jó legyen?
A 12 V -os égő valószínűleg el fogja bírni a 16 V -ot, annál is inkább, mert ekkora feszültség csak akkor jut rá, ha az akku helyére rövidzárat teszel. Ha jó, nem teljesen lemerült akkut teszel rá, az égőre csak a tápfeszültség és az akkufeszültég különbsége jut, így többletáram sem fog kialakulni.
Azonban, ha 9.6 V -os akksipakkot kötsz rá, gondoskodnod kell, hogy 13,5 V -nál nagyobb feszültség ne juthasson az akksipakkra. Ezt elérheted, hogy az akkuval párhuzamosan egy 13,5 V értékű zéner dióda/dióda kombinációt kötsz.
Ezt a zener dióda/dióda kombinációt hogy érted?
Körbe néztem gyorsan és csak 13v vagy 14v os dióda van. a kettő közti nincsen. közben eszembe jutott egy olyan, hogyha egy meglévő (gyári) 4db os akkumulátor töltőt macerás lenne megcsinálni úgy, hogy 8db-ot töltsön egyszerre?
Például így: Bővebben: Link
|
Bejelentkezés
Hirdetés |







