Fórum témák
» Több friss téma |
Fórum » LED-es index
Témaindító: Einstein21, idő: Márc 29, 2006
Témakörök:
Hello! Ha feltettél egy kérdést, válaszoltak rá és itt is jársz a fórumon, illik reagálni rá..
De pld. én is itt felraktam már egy ilyen rajzot.
Bocsi, ma volt egy vizsgám és ezért el voltam havazva...
Köszi a válaszokat... majd ki is szeretném próbáli őket. Nektek esetleg működik vagy raktátok már össze? Merült fel egy másik kérdés is: hátsó lámpák alatt egy-egy piros LED csík eddig féklámpaként üzemelt, 12V feszültség szabályzó ic-vel.Azt szeretném hogy mostantól helványabban hejzetjelzőként is működjön. Párhuzamosan kapcsolva a hejz.jelzővel és egy előtét ellenálást beiktatva csak a 5W-os izzó világít. Eddig sikertelen probákozás...Ha esetleg nem azonnal reagálok bocsi, lehet csúszok két-három napot.... Köszi
Hello!
Elkezdtem megcsinálni azt amit megrajzoltál...Több kevesebb sikerrel... Sajnos a nyáklap tervezés nem nagyon megy, ezért ha szépen kérlek megtudnád nekem tervezni, nagyon sokat segítenél... Köszi
Hello! A nyáktervezés nekem sem a szívem csücske. Én annyiban tudtam segíteni, hogy megrajzoltam a kapcsolást. De megtervezni, építeni, kipróbálni Neked kell, mert én fizikailag nem építek ilyesmit magamnak soha..
Azért köszi.
Ha sikerül majd beszámolok róla.
Sziasztok!
6V-os rendszerű motorban az indexet egy 6V 21W-os égő világítja meg.. A dinamó csak 60W-os, szeretném az irányjelzőket LED-esre alakítani. A power LED-ek sugárzási szögével van gond. Tovább nézelődtem, majd észrevettem, hogy ILYEN LED-ek is jók lehetnének. Ehhez nyákot kell terveztetni és gyárttatni? Van bármi hátránya? De bármilyen ötletet nagyon szívesen meghallgatnék. (szerk.: a 12V sem gond, mivel step up-ot tudok beépíteni) Előre is köszönöm: -CRU3L- A hozzászólás módosítva: Ápr 15, 2016
Szerintem ezek pont nem lennének jók. Nagyon kicsi a sugárzási (láthatósági) szög. 45-60°
Inkább egy power LED. 10W-os, szükség szerint meghajtva. (3-5W)
Azok hűtése kicsit nehézkes, nem? Műanyag házban van, elég kis hely lenne rá.
Pont annyira, mint az általad belinkelt LED moduloké. A bemenő teljesítmény fénnyé és hővé alakul. Mivel irányjelző, nem működik sokat. Van ideje hűlni.
A hozzászólás módosítva: Ápr 15, 2016
Értem, köszönöm!
![]() Esetleg olyanban tudnál még tippet adni, hogy a beszerelt Power LED-ekkel hogy lehetne mondjuk 180'-os sugárzási szöget elérni? Az index belseje ÍGY néz ki. A LED-et panelre rögzítve lehet betenni?
ÁÁÁÁ! Simson 4ewer!
Nekem is van kettő. Az egyikre csinálnom kell LED-es indexet. Gondolkodjunk együtt. Szerintem nem fontos a 180°-os láthatóság. Oldalról úgy sem látszik. Egy ilyen LED-et tennék egy 4-5mm vastag alulemezből kivágott korongra. Az eredeti index lámpatestből kitermelnék mindent és ezt a korongot tenném bele úgy, hogy a lámpatest és a korong közti hézagot kiönteném valami műgyantával. Ezáltal az alu korongról elvezetődne a meleg. Nem kell a LED-et 10W-ra meghajtani. Elég 4-5W. Ezt egy olcsó elektronika megoldja. Viszont búrákat ki kell cserélni víztisztára. A hozzászólás módosítva: Ápr 16, 2016
Ez MZ TS-re megy, de Simson is van!
A blokkja most lett felújítva.. Az MZ pedig teljes felújításon esik át, még készül. A gyenge 60W-os dinamója ami probléma nekem. Nos, akkor csináljuk együtt. A LED egészen jónak tűnik, 10W-on 650-700 lument ígér De ha 4-5W-tal használjuk, akkor is bőwen a 21W-os fényereje felett van, és kevesebb hőt termel. Jól gondolom? Viszont én maradnék a sárga búra + fehér színű LED kombinál. Talán rendelek is 5 db LED-et.
OK! Csináld fehér LED-del. Azután emlékezz rá, hogy "ÉN SZÓLTAM!".
![]() A fehér led színspektruma eléggé szűkös. Nagyon kevés vörös és sárga van benne. A borostyán színű búra csak egy szűk spektrumot enged át. Ha ez a spektrum nincs, vagy csak nagyon kevés a fehér LED spektrumában akkor a kibocsájtott fény nagy része elvész a bura anyagában. Tehát a fényerő drasztikusan csökken. A sárga (amber) LED fénye a színtelen burán szinte akadálytalanul átmegy. Az a baj, hogy szinte biztos, hogy a sárga led fényének hullámhossza nem egyezik meg a bura által maximálisan átengedett fény hullámhosszával. Az izzónál ilyen gond nincs, hiszen a fénye a napfényhez hasonló spektrumú. Kb egyenlő aránybn tartalmaz minden színt.
Ez az elektronika tökéletesen megfelel. Kicsit át kell alakítani, mert így 770mA-t ad a LED-nek.
0,25 Ohm -nál ad 0,4 A-t. 0,2 Ohm -nál ad 0,5 A-t. Itt kapható az induktivitás A villogó relét is meg kell mókolni. A hozzászólás módosítva: Ápr 16, 2016
Köszi, ezt el is mentem!
A reléből külön LED-hez valót kell venni, igaz? Csatoltam képet a motorról, szerintem a fehér index nem illene hozzá!
Itt egy villogtató áramkör. Nekem ez működik a Schwalbén. Igaz izzókkal. Leddel is működhet.
Bővebben: Link A hozzászólás módosítva: Ápr 16, 2016
Szép motor.
Akkor hagyd meg izzósnak. Az index nem sokat fogyaszt, mivel ritkán működik. Akkor is az akkutól vesz nagyobb áramot, ami hamar visszatöltődik.
És a többi izzó cserélhető LED-re?
Visszajelzők lesznek, az tuti. Első illetve hátsó lámpa? Ezeket nem próbáltad még lecserélni? (mindenesetre amiket küldtél, azokat elmentem) A hozzászólás módosítva: Ápr 16, 2016
A visszajelzőket lehet, csak nem fognak látszani napsütésben. Ha meg felturbózod a fényüket, akkor éjjel kisüti a szemed. Tehát kell egy automatikus fényerőszabályzó.
Fényszóróba semmiképpen sem. Hátsó lámpába már megvan 2 db 3W-os vörös LED. Mindkettő egyszerre világít fél-fél wattal. Fékezéskor mindkettő teljes fénnyel. Sajnos a KRESZ úgy szól, hogy lakott területen kívül kötelező a tompított lámpát bekapcsolni. Amúgy lehetne nappal egy LED-es menetfény lámpa. A hozzászólás módosítva: Ápr 16, 2016
Hello! Nem látom, hogy haladnál vele. Így talán egy kis lökés gyanánt megrajzoltam. Hátha előrébb visz. (Az "a" és "b" kaput felcseréltem, mert így jobban jön ki a nyák.)
Én ilyen LED 'izzó' vettem LED BA15s , ennyiért szerintem nem érdemes vele kínlódni! Elég erős a fénye magában, bár még a motorra (Pannónia) nem sikerült felszerelnem.
Szia!
Ide jutottam: Veszek 13 LED-et, 3 db / index csillaggal vagy anélkül, nem tudom. Az indexbe kör alu lapot rakok, amit fúróba fogható körkivágóval tervezek kivágni. Erre a kör alu lapra jön a 3 LED (3W 700 mA). Annyi hogy ki kell számolni milyen ellenállás szükséges (hány ohm, meg milyen teljesítményű.) Sorba kell kötni, igaz? Mindegyik elé kell ellenállás vagy egy kell csak? A hozzászólás módosítva: Jún 14, 2016
Ha sorba kötöd őket,akkor csak 1 ellenállás kell.
Én így oldottam meg az ábra alapján a LED indexet motorra! Tutira működik!!!!!
Kérdésem a következő lenne.
Akku-ról működik minden a motoron és az index-et cserélném ledesre. A relé megoldásán totózom. Mégpedig tranzisztoros módon és villogó led felhasználásával. Annyira már rájöttem hogy nekem pnp tranyó kell és össze is pókoltam egy kis villogót vele ami ugyanazt műveli mint az eredeti relé hogy ha csökkentem a terhelést a kimenetén (ergo led-et teszek rá) akkor gyorsabban villog valamiért. Lehetséges hogy nem jó a beállítás így ha megszakértitek azt megköszönném.
Nos üdvözletem mindenkinek.
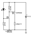
Egy hangyányi agyalgatás és egy kis segítséggel megépült eme szerkezet. Teszteltem izzóval és led-es index-el is tökéletesen üzemel. Maga az áramkör állandóan üzemel és "kapcsolgat" csak a kimenetére kötött izzót kapcsoljuk akármerre, például index esetén amerre kell. A fet-es információkért és a segítségért maximális köszönöm proli007 kollégának. És itt egy videó a működéséről. Bővebben: Link Remélem segítséget nyújt egy pár utánépítőnek. A hozzászólás módosítva: Júl 9, 2016
Felhívom a figyelmed, hogy az index működése törvényileg, (vagy rendeletben) van szabályozva. A legfontosabb, hogy ez a szabadonfutó nem felel meg. Az irányjelző bekapcsolásakor azonnal világítania kell. S nem csak felvillanni, hanem teljes periódust. A villogás sebessége sem lehet akármennyi. Ha jól emlékszem 30-90 villanás percenként (de lehet, hogy csak 45-75 villanás / perc). A sötét és világos periódus ideje azonos kell legyen. Tehát 1:1 kitöltés.
A hozzászólás módosítva: Júl 9, 2016
|
Bejelentkezés
Hirdetés |





















