Fórum témák
» Több friss téma |
Sziasztok! Egy olyan problémám lenne hogy van egy Samsung Lcd tv-m, amit a batyam hasznalt 3-4 even keresztül, és mostanaban akarhanyszor bekapcsolom, es Külsőre rakom(ugye laptoppal, hdmi kabelen keresztul szeretnem osszekotni), mindig vörös színű lesz a képernyő, vagy teljesen mínőségtelen elcsuszott kepet ad a tv. Van aki tud erre esetleg megoldast?
A HDMI kábel nincs megszakadva? Nekem a színek szoktak össze-vissza villogni akkor, amikor kicsuszik a kábel.
Más bemeneten biztos, hogy nem ilyen? Szerintem inkább tűnik kijelző problémának és az mindíg egyforma.
A hozzászólás módosítva: Júl 5, 2016
A kijelző ilyen, nem a kabel rossz az biztos. Viszont azt nemtudom hogy ezen valami beallitassal lehet modositani, vagy nem. Gyanitom ez a TV mar ilyen .. (Hozzateszem, van amikor bekapcsolom es semmi baja nincsen, akarmeddig hasznalom)
A menü opció megjelenítésénél is ilyen ? Mert ha igen , akkor a kijelző hibája lesz ez.
Kontakthibás szalagkábelt keresnék a kijelző és T-con között.
Nos,megoldódott a pár hsz-al feljebb írt problémám! Az UE40EH6030-as Samsunggal.Javították szakszervízben (Samsung)garon kívül,1 nap alatt. A háttérvilágítás nyikkant meg,és nem engedte kapcsolni a TV-t...állitólag.... a 4 sor LED-ből 1 sor nyikkant meg,azt mondták. Hál' Istennek nem mainboard-os volt...hátha elketyeg még egy darabig,szeretem azt a TV-t... Ez látszik is:10 000 üzemóra felett van benne,és kereken 3 éves... 10600 Ft volt az anyagköltség, 7000 a munkadíj, + ÁFA. 23 000-et fizettem.
A hozzászólás módosítva: Júl 7, 2016
Üdv!
Addot egy Philips 32pfl3008h/12 LED TV. Aprobléma az, hogy hang van de kép nincs, pontosabban a hátérvilágitás nem megy. A multkor beindult akkor mértem 63 voltot a hátérvilágításon. Most viszont csak 22.7 voltot mérek és nem világit. Egyépként minden kondi, dióda jó ès minden tápfesz megvan. A tápon található kèt trafòból viszont magas frekvenciáju hang hallatszik, és a kék trafó magján van egy repedés. Találtam hozzá egy service manualt is Bővebben: Link Szerintetek mi lehet a hiba, holl kezgyem a keresését?
Azt mérd, hogy bekapcsoláskor felszökik-e a feszültség a ledeken. Mivel a tápfesz rajta van (A 22.7V), ezért a táp megy. A ledeket egy step-up konverter hajtja, ha szakadás van, akkor elindul a konverter, de mivel nem folyik áram X idő után sem, ezért leáll és csak a tápfesz marad rajta.
Nem ugrik sehova bekapcsolákor fel ugrik 22.7 re és úgy marad.
Akkor nem indul led meghajtó áramkör, vagy azért mert hibás, vagy azért mert nem is kap jelet a processzortól. KEresd meg az "enable" jelet az alaplap és a táp között és ellenőrizd, hogy történik-e ott valami bekapcsoláskor. Tudsz képet készíteni a táppanel másik feléről is?
Amúgy most nézem, hogy ez is vestel beles, tehát bármi megtörténhet, csak gratulálni tudok a philips-nek a neve lejáratásáért... A hozzászólás módosítva: Júl 8, 2016
A kép a panel másikoldaláról Bővebben: Link
Megtaláltam a vezérlő ic-n az enable lábat holnap elenőrzöm. A hozzászólás módosítva: Júl 8, 2016
Helyes, persze azt is ellenőrizd, hogy az IC kap-e tápfeszt stb., ha van tápfesz és enadble jel is, akkor a FET gate lábát is ellenőrizd szkóppal, hogy vezérli-e az IC.
Na az ENABLE lábon 1.875V ot mèrtem a tápfesz 2.5V, sajnos szkópom nincs de a FET gate lábán 0.819V ot mérek.
A vezérlő IC egy MP3394. Egy kicsit vissza olvasgattam és egy kollégánk találkozot ugyanezzel a problémával. Nála is ugyan ez a vezérlő IC volt, nála a cseréje megoldotta a problémát. Esetleg nálam is ez lehet a ludas.?
A 2.5V tápfesz kicsit gyanús nekem. A doksit nézve 6V-nak kellene lennie a VCC-én bekapcsolt álapotban, és a stabilizátor az IC-ben van, tehát lehet az IC hibás.
Nem tudtad hogy van pár Philips Vestel belsővel? Ha jól rémlik a 4000es széria. Van Sharp is Vestel cucokkal.
Hát nem tudtam, a JVC-ről tudtam, a toshibáról is, de ez most új volt. A philips eddig úgy élt bennem ahogy a legutóbbit láttam, tele rubycon-al és normális mainboard-al...
Ja és a sharp-ról sem gondoltam volna, mindenhova elterjed ez a legalja török sz@r.Bár nem igaz, mert a kissebb masináknál eddig is tudtam. A hozzászólás módosítva: Júl 9, 2016
Akkor IC. csere. Remélem megoldódik a a hiba.
A 2.5V a VIN lábon mértem a VCC 1.119V
Akkor más a baj, a VIN-en a tápfesznek kellene lennie, nézd meg a doksit, van benne kapcsolási rajz is.
SHARP TV Vestel panelokkal:
17mb60 LC-19LE510E LC-22LE510E(B) LC-32LE510E LC-40LE510E LC22DV510 17mb61 LC-32LE530E LC-40LE530E 17mb62 LC-22LE240E LC-22LS240E LC-24LE240E LC-24LS240E LC-32LE240E LC-32LE240EA LC-40LE240E LC-40LS240E Ezek régebben kerestem ki, lehet még több is.
A VIN 5-28V között van, nekem 2.5V akkor nem kapja meg a tápot?
így van.
Andr3wJ Jól hangzik... Most cserélek kijelzőt egy régebbi Sony-ban, ebben legalább van technika.
Esetleg a VIN lábat egy külsö tápal meglehet táplálni? És ha igen akkor elvileg el kel indulnia?
Közben errel letem figyelmes a VIN láb és a Táp közt van egy 2.2Kohm es ellenálás melyen a bemenő feszültség 13V ról 2.5V re csökken.
Szerintem ott másnak lennie kellene, alaposabban körül kellene nézni. A panel konkrét rajza nélkül nem tudok pontosabbat mondani. A manuális megtáplálás nem biztos, hogy jó ötlet, előbb az okot kellene megtalálni.
A hozzászólás módosítva: Júl 9, 2016
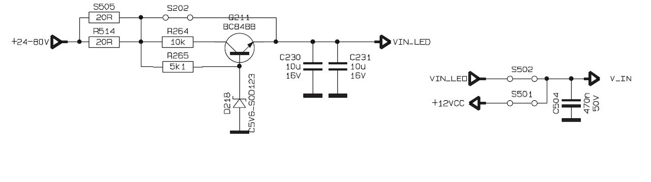
A rajzon lévő megoldást kell megkeresni. Vagy tranzisztoros stabilizátorról, vagy 12V-ról üzemelne az IC. S502-S501 átkötéssel van kiválasztva, hogy melyik (tipustól függ). Mivel ebben az IC-ben van stabilizátor tippre azt mondanám, hogy a 12V táplálás van kiválasztva, ott néznék körül. Biztos, hogy 2.2K az az ellneállás, nem egy szakadt SMD átkötésről van szó?
|
Bejelentkezés
Hirdetés |









