Fórum témák
» Több friss téma |
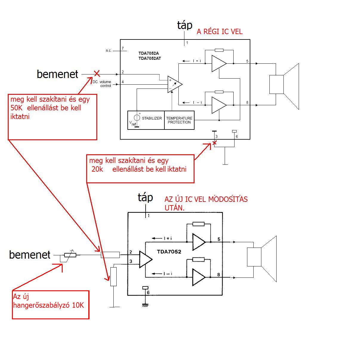
Üdv! A különbség a kettő között az hogy a TDA7052A kivülről vezérelhető a végfok és termikus védelemmel is el van látva! a TDA7052 meg egy sima végfok az előbb felsoroltak nélkül! Meg hangjel beneti lábkosztás más, a teljesítménykimetet viszont változatlan. Nézd meg a PDF-eket. Ha kérdésed van kb. 2 vagy 3 óra mulva jövök, az üzenet beirásának időpontjától . Sok sikert !
Ja a TDA7052A tulmelegedés/tulterhelés védelemmel van elátva, és ezt úgy oldja meg hogy az előfokot leszabályozza. (mint az autóknál a kipörgésgátló).
Végül is akkor helyettesíthető a 7052A-val a sima 7052-es?
A lábkiosztásnál mit kell változtatni? 4-es lábra mit tegyek?
Megnéztem egy-két dolgot kell csak változtani!
-1- A 3as lábat meg kell szakítani és egy 20K ellenállással zárd a megszakitott részt. -2- 2es lábat megszakítani és egy 50K ellenállással zárni a megszakítást. -3- a 4es lábat nem kell sehová bekötni, meg kell szakítani és úgy hagyni, (ez a hangerőszabályzás) és egy 10Kohmos pontit be kell rakni, mert ez lessz hangerőszbályzó. -4- mielőtt hozzálátsz nézd át a kapcsolási rajzot! (én még egy 100mikroFarad-os 50V os kondit azért még akasztanék a kimenetre) -5- Sok sikert az átalakításhoz!
Élesztésnél: óvatosan emeld a hangerőt!!!
Köszönöm szépen. Megpróbálom.
Gyakorlatban a bemeneten egy mikrofonerősítő kimenete van rajta... Ilyen apró zaj felerősítésére szolgálna...
Akkor nincsen szükség egyáltalán az 50Kohmos ellenállásra... (itt az ért ezt fontos megjegyezni hogy nincsen végfokvédelem!) Sok sikert a megépítéshez!!!
Nem működik. 3-as láb és a föld közé tettem egy 20K ellenállást, de nem működik. Nem csinál semmit...
Oda lehet az sok lesz én az elején úgy gondoltam hogy PC hez vagy hasonló helyre akarod kötni de próbáld meg kivenni az áramkörből az 20K-s ellenállást is. (de tényleg óvatosan emeld a hangerőt!)
Sehogy nem akar működni. Próbáltam úgy is, hogy a 3as lábat direktbe földre kötöttem, próbáltam néhány tized ohm-mal és kilóohmmal, de semmi.
Elviekben ugyan az a lábkiosztása. A kapcsolással sincs gond, mert a sima 7052-sel jól működik, viszont a 7052A-sal nem képes működni....
Ja bocs!!! Tehát azt akarod hogy az 7052A-val mnejen a cucc! (én meg azt hittem hogy 7052A IC mghalt és hogy egy másikra akarod kötni (7052)) Azért koppan egyet hangszóró, illetve nem szólal meg, mert nem kap referencia feszültséget a négyes lábra!
Itt van kapcsolási rajz. Csak ezzel fog elindulni a 7052A IC!(Tényleg bocs azt hitem hogy az A-s IC halt meg, és egy másik nem A-sal akarod müködtetni.)
Hali!
Most a TDA7052 helyére akarod betenni a TDA7052A-t? Mert ha igen, akkor eddig Ampervadász fordítva magyarázta neked. Szóval: A 3-as láb elvileg maradhat földön. A bemenetére kell egy 0.47µF polarizálatlan kondi. A hangerőszabályozáshoz a 4-es lábat kellesz használnod úgy, hogy egy 1Mohm-os potit kötsz be. A poti egyik szélső lábát összekötöd a középsővel, és ezt kötöd a 4-es lábra. A másik szélsőt a földre. A potival párhuzamosan kötsz egy 1µF-os elektrolit kondit is úgy, hogy a +vége a 4-es láb felé nézzen. (Jelenleg a 4-es láb be van kötve valahová? Ha igen, meg kell szakítani!) Esetleg egy képet dobhatnál... Szerk: Amíg írtam, úgylátom ez tisztázódott...
Már leírtam neki hogy fordítva magyaráztam ott van a legutolsó hozzászólásomban! >>>(#196375)<<< Ja meg a rajz is!
Szuperul működik. Köszönöm.
Na akkor erre
!
És az miért lehet, hogy ha fel van hangosítva és egy nagyobb zaj hatására koppan egyet, majd kikapcsol egy pillanatra. Régi IC-vel csinálja ezt. Az újjal még nem próbáltam.
Mert a bemeneti rész elérte a legnagyobb telítési szinet! Az új IC csak akkor fog leszabályozni ha a végfok tulmelegszik, és akkor beavatkozik a védelem az előfok erősítésében. (leszabályzás)
Igen, itt már nem tapasztalható ez a jelenség.
Ismét egy amatőr kérdés. Az lehetséges, hogy az új IC-től halkabb?
Az 5k sönt elenllás az oka!
Viszont így nagyon halk. Esetleg kisebbet ha teszek oda, az okoz valamilyen problémát?
Szedd ki onnan az 5k potit! Az csak söntöli az előfokot.
Ha meg kiveszem az Rs-t, akkor kattog....
És így sem lett hangosabb...
Az lehet hiba, hogy a bemenetre 330n kondit tettem?
Valószínű hogy nem. Lehet hogy tényleg csak ennyi telik a végfoktól. Egy utolsó proba,emelni kéne a tápfeszen 1-2Vot és ovatosan felvenni a hangerőt. Ha nem teszik a végfoknak akkor ugy is leszabályozza.
Így is 9v-ot kap egy elemről... De megpróbálom...
Néztem az adatlapon 18V tápfeszültséget kaphat max.
De szeintem ha már tényleg egy hangszórót akarsz meghajtani, rendesen szerintem nem ezt kéne használni, nekem van egy tökéletesen működő kapcsolás, sztereó, hídba is köthető Így összesen 3,2Wot tudtam kivenni belőlle melegedés nélkül.
Ezt a végfokot használtam egy sztereó jel erősítéséhez, de nem hangszórót használok rólla, hanem egy elektronikához kötöttem (amit én készítettem), és egy VFD kijelzőt hajt meg. Mutatja a jelszinet. (Majd az oldalamra is felteszem, de még szerkesztés alatt áll.)
Kipróbáltam 16v-al. Semmi javulás. Ezek szerint ez a vég. Csak azért furcsállom, mert kicsit hangosabb a sima IC-vel. De így is jó lesz. Fő, hogy működésre sikerült bírni.
Azért felesleges nagyobb teljesítmény a kimeneten, mert csak összesípolna. Így is össze szokott, ha 10m-en belül van a mikrofon... Azért köszönöm. |
Bejelentkezés
Hirdetés |






!







