Fórum témák
» Több friss téma |
Az mkp és az mkt között egy kicsit a gyártásban és anyagban van egy hangyányi külömbség de mindkettő megfelel audió terén ha jól tudom viszont az mkp-k feszültségtűrése magasabb és a felhasznált alapanyaga drágább .
A második kérdésedre a 10mikro csak közelítő érték nekem is csak ha jól tudom csak 8,2mikro-s kondi van ott.Mondjuk az viszont egy nagy fémházas ha jóltudom olajpapír tesla "olyan igazi hangváltóba való darab. Igazándiból az a lényeg hogy egy 10mikro körüli érték legyen és ne elko. Bár ez attól is függ mekkora kicsatolókondért használ valaki mert nekem például 2200mikro vele párhuzamosan a 8,2mikrós nem volt megfelelő.Valahogy nem győzött meg a hangja.Viszont 4700mikró a 8,2-essel már igen.Valahogy dinamikusabb lett az erősítő és jobb lett a tere, mellesleg a mélyhang sokkal tisztább lett.A magas pedig kicsengő lágy de ha kell akkor odacsap és nem idegesít. Ellenben a 2200mikrós felállásal amikor olyan mosot volt a mélyhang a magashang erőltetett és olyan furcsa hatása volt mintha az egész mono lenne.
Le lesz rövidítve a vezeték csak ez még nem a végleges doboz, majd ha abba belekerül akkor levágom amenyire csak tudom. Meg még egy van benne egy kis brumm, az attol van hogy kevés a szürésem 22000uf vagy pedig attol hogy valamit elcsesztem?
Nekem 10000mikróval sem zúg-búg az erősítő pedig az nem sok bár olyan sörösdoboz fajta kondim van csatornánként inkább szerintem nézz át mindent és rövidítsd le a vezetékeket . Ha elfogadsz egy tanácsot tőlem akkor a tápot a kapcsolási rajz szerint add az erősítőnek ergo a végtranyókhoz legközelebb lévő ponton kapcsolódjon a tápra az áramkör.
Bár a lemezelt trafó mellett elvitt vezetékek sem tesznek jót neki brumm szempontjából .
Ez a brummos jelenség ez nagyon furcsa. Én olyat tapasztaltam, hogy egyik hangszoróval volt brumm a másikkal pedig semmi de tényleg csont nulla. Mindkét hangszóró 8 ohm-os volt.
Ezek szerint akkor elég sokat számít a kicsatolókondenzátor jó megválasztása, és érdemes vele kísérletezni. De azért ezt jó tudni, hogy az MKP és MKT között nincs akkora minőségi különbség, mint amekkora az árában mutatkozik. Szóval a legjobb a fólia de mégjobb az olajpapír, akkor most már ilyenekre fogok vadászni.
Szia!
A test csatlakozási pontja miatt lehet talán, minél közelebb kell forrasztani a táp testet a végtranzisztorokhoz, ott ahol a két furat van egymás mellett az annak lett kitalálva. És a jelföldet pedig a nyák másik végére kéne forrasztani, ahol a helyét kialakítottam. Legelőször elba...tam mert a jelföldön keresztül vittem a tápföldet és ez jó kis brumm forrása lett, aztán átalakítottam a nyákot erre a verzióra amit te is megépítettél. Ha pedig nem ez a probléma, a hosszú vezetékekben lánám a brumm forrást. Ha végképp nem boldogulsz vele, akkor próbáld meg beforrasztani a nF-os kondikat is, ha eddig nem tetted meg, bár én azokat ki szoktam hagyni belőle, mert azt tapasztaltam, hogy rontanak a hangminőségen. Nálam semmi brumm nincs, igaz én azt a kapcsolást használom tápszűrésnek amit a szerző ajánl, egy tranzisztor stabilizált tápegységet, de nemrég mikor a fényképét közzétettem a végfokomnak, akkor szöget ütött a fejemben lamalas egyik mondata, hogy "van pár dolog amit ő nem így csinálna ebben a végfokban" és ekkor elgondolkoztam, hogy megpróbálom kiszedni ezt a stabilizált tápot belőle, és lecserélem csak síma elko-ra a tápszűrést, hátha javít a tápellátásban talán gyorsabb lesz tőle, mert most csak egy-egy hamis bd249 tranyó végzi a tápszűrést. De gondoltam arra is, hogy betennék valami sokkal jobb gyorsabb tranyót hátha az is segít a hangján. De legelső lépésként most a legolcsóbb megoldást próbálom ki, hogy kiiktatok mindent ami a kondin és egyenirányításon kívül van, azt majd meglátjuk. Zoli
Az en JLH erositom tapjaban 14700µF van oldalankent. Nincs tranyos stbilizalas/szures, nincs CRC v. CLC szures sem. Csak Graetz egyeniranyitas es puffer elkok ... kesz. A brumm annyira alacsony (ha jol emlekszem kb. 1-2mVpp-t mertem szkoppal meg akkoriban amikor elkeszult az erosito), hogy semmit nem hallani a hangszorokbol meg akkor sem ha teljesen belejuk bujok.
Remelem, hogy a kozeljovoben egy ujabb JLH erosito elkeszulterol tudok majd beszamolni, mert megtetszett valakinek es kerte, hogy epitsek neki egyet. Az kicsivel izmosabb lesz mint az enyem
A kicsi brumnak a jó trafó, megfelelő pufferek és a jól átgondolt és megtervezett panel hihetetlenül jót tud tenni.
Nekem is csak a trafó két egyenrángató és két pufferkondi van és csókolom. Amite viszont rájöttem hogy a panellal nem szabad neki spórolni és a lehető legvastagabb panel és kegyetlenül vastag rajzolat kell neki hogy ne szóljon bele a hangjába az erősítőnek.A másik dolog amit észrevettem hogy ha lehet a kapcsolási rajz szerinti elrendezésben a legjobb a panelt is megcsinálni és úgy kikerülhető lessz a brumm is teljesen.
Nem tudom hogy szol bele a hangminosegbe a NYAKvastagsag es a vezetosavok vastagsaga mert en nem kiserleteztem ilyesmivel. Nalam az osszekottetest az alkatreszek labai valositjak meg illetve ahol ez nem volt lehetseges ott tomor rezdrot van.
Sziasztok!Szerintetek javítana a hangminőségen ha a kicsatolókondi bipoláris(a 2200mikrósra gondolok)?Ilyet nem tudok beszerezni,de összerakható 2db 4700mikrósból,vagy 10db 220mikrósból.Melyik megoldás lenne jobb szerintetek?A 10db-os variációnál már nem kell a 10mikrós?
Szeretném kikérni a véleményeteket az alábbi kapcsolásról, véleményem szerint a kicsatolókondenzátor elhagyása miatt mégszebb a hangja, nem tudom azonban, hogy mit takar a "Secondary Voltage (Vrms)" és a "Supply Rail Voltage (V)", gondolom a tápnak teljesen szimmetrikusnak kell lenni, ezért nem értem ezt a két egységet.Valamint 4Ohm-os hangszóróim vannak, véleményem szerint ezért 2X23 Voltos tápot kellene alkalmaznom, hogy tudjon gazdálkodni az erősítő tartalékokkal, mert gondolom áganként érti a 23V-ot.
Bővebben: Link Segítségeiteket előrre is köszönöm.
"Secondary Voltage (Vrms)" - a trafo szekunder feszultsege.
"Supply Rail Voltage (V)" - az erosito tapfeszultsege. Eloszor el kellene donteni, hogy mekkora kimenoteljesitmenyt akarsz az erositotol. Azt mar tudjuk, hogy 4ohmos hansugarzoid vannak. Ehhez es a kivant max. kimeno teljesitmenyhez lehetne beloni az optimalis tapfeszultseg es nyugalmi aram ertekeket.
Kedves Lamalas ,minél nagyobb kimenőteljesítményt szeretnék elérni, mert szeretném ha lenne tartalék, ha esetleg hangosan is halgatom, ne menjen a hangminőség rovására. Én a táblázatból azért írtam ki a 23V-ot, mert ez volt a legnagyobb kimenő teljesítményhez párosítva, ami szerintem 2X23V, mert ugye szimpla 23V-ból nem lehet előállítani ezt a teljesítményt.
Meg lehet akar 2x100W-osra is csinalni ezt az erositot, de akkor a gatyadat is rafizeted a hatalmas trafora, hutobordakra, vegtranyokra stb. Igy sem lesz olcso, ha az 56W-os valtozatot akarod megepiteni +-23V tappal es 3.7A nyugalmi arammal. Ekkor egyetlen vegtranzisztor kb. 42-43W teljesitmenyt fog eldisszipalni. 2 csatornara ez 8*43W=344W ... eleg szep hutobordak kellenek, nem beszelve a traforol. Egy csatorna megeszik kb. 160W-ot, azaz 2 csatorna 320W-ot. Egy 350W-os trafo a leheto legkisebb amit hasznalni kell hozza, de inkabb nagyobbat erdemes. Biztos akarod meg az 56W-osat megepiteni?
Sztem ebbol a kapcsolasbol kb. 2x20-25W-os teljesitmenyu erositot erdemes még epiteni. Ez realis aron kivitelezheto es a hutoborda, stb. meretek is nagyjabol kezben tarthatok. De ez csak szemelyes velemeny. Meg vmi: javaslom az MJ15003-as vegtranzisztorok hasznalatat, mert ezek birni fogjak a nagy terhelest ... felteve ha nem hamisitvanyok. Sok sikert az epiteshez
Cak egy kérdésem lenne hozzád!
Jól megnézted ezt a kapcsolást és tisztában is vagy a működésével? Csak egy sacc okfejtés: 23V táp esetén ami teljes fesz tartományban 46V ír a kapcsolásra 3,7A nyugalmiáramot ami 170W plussz a járulékos veszteségek így durván 200W fogyasztás per csatorna. Persze vezérlés függően ez is változik. Ha ezt valaki sztereóban megcsinálja az 600W-os trafó alá nem szabad hogy adja illetve utánnaszámolgatva a tranzisztorok a legjobb esetben is 150W-ot simán elfűtenek amihez már tényleg hatalmas felület kell "fél konyhaasztal borda".Ezenkívül írja is az oldalon hogy 4ohm terhelésnél nem szabad följebb menni 25-30V tápnál mert már az fölött "de már ott is" feszegeti a tranyók disszipációs limitjét. Idézet: „Persze vezérlés függően ez is változik.” Sztem nem. Ugyanis pont az az egyik jellemzo tulajdonsaga az A osztalyu erositoknek (koztuk ennek is), hogy a tapegysegbol felvett teljesitmeny akar nulla bemenojelnel, akar nevleges kimeno teljesitmenyt szolgaltatva kozel allando, tehat nem ugy viselkednek mint a klasszikus AB osztalyu erositok. Idézet: „a tranzisztorok a legjobb esetben is 150W-ot simán elfűtenek” Ezt sem tudom honnan vetted? A megadott parameterek mellett a tranzisztorok egyenkent kb. 42-43W teljesitmenyt disszipalnak el hove. (23V * 1.85A = 42.55W)
Valamelyest egy kicsit változik a teljesítményfölvétel pedig az A osztályúnál is csak koránt sem olyan mértékben mint a más tipusoknál ezért számoltam minimális külömbséget. Valamennyi mindenképp lessz.
A disszipációt én per végfokra gondoltam nem egy tranyóra.Ha a táblázat szerinti nyugalmi áramot nézzük ami 23V/3,7A.Hogy tranyónként az mit jelent nem számoltam de egy végfok tuti megvan 150W hőben az pedig szerintem rengeteg.
Hello!
Megint én! Lenne egy olyan kérdésem hogy mitöl lehet az hogy 'szőrös' a magas hangom?Már mit a jlh nak. Eddig csak zenehalgatás közben vettem észre negyobb hangerönél, scóppal még nem néztem meg.
Yello!Feltételezem,hogy a kimeneten féltápfeszt állítottál be a trimmerrel.Ez egy közelítő érték,de nem feltétlenűl optimális.Tapasztalatom szerint a trimmer 120kOhm-os beállítása jó (ha ellenállás van vele sorba,akkor azzal együtt 120kOhm).Ez a beállítás nagyon valószinű hogy megoldja a problémádat!
yello,
Velemenyem szerint a "szőrös magashang" nem a kimeneti feltapfesz fuggvenye. Igazsag szerint nem is tudom elkepzelni milyen lehet ez a jelenseg igy nem is tudom elkepzelni mi okozhatja es nem tudok tanacsot adni sem a kikuszobolest illetoen. Hallani kene, mericskelni kene, vakon en nem mernek nyilatkozni rola. cornel, Az hogy a trimmer optimalis beallitasa (erteke) milyen az erositotol fugg. En nem mondanam, hogy 120kohm. Ez az erositoben alkalmazott felvezetoktol fugg leginkabb. Egyebkent pedig ha a vegtranzisztorok ossze vannak valogatva es jol egyuttfutnak akkor a kimeneti feltapfesz adja az optimalis beallitast.
Helló!
Köszi a válaszokat, majd még próbálkozok alkatrészekkel beállításokkal, de ha nagyon nem találom hogy mi a baja akkor se baj mert nem lehet anyira kihallani.
Lamalas!Ez szerintem torzítás lesz,ez a trimmerrel fülre is beállítható.120kOhmot azért mondok mert több JLH-nál is ezen az értéken megszünt a torzítás.Ez alapnak jó,aztán jöhet a két oldal összehangolása,már annak aki rendelkezik egy audiofil rendszerrel,és a hallása ill. zenei izlése is megvan hozzá.
Sziasztok!
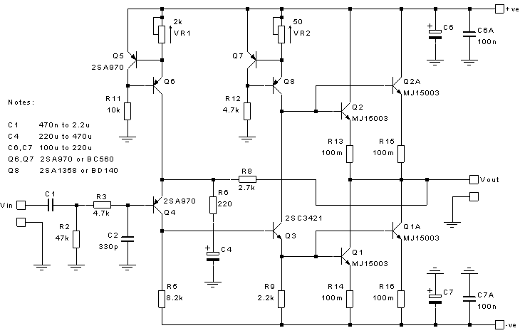
Megépítettem a 2000-es verziójú JLH-t de az a problémám akadt hogy a nyugalmi áramot nem tudom 1A-nál magasabbra állítani. Amikor már egy kicsit bemelegszik az erősítő még az az 1A is lecsökken kb 900mA-re. A fél tápfeszt be tudtam állítani. Amúgy rendesen működik a cucc de a hangja nem olyan mint amit vártam és ahogy itt többen is leírtátok ![]() BC212, BC141 és 2N3055-ös tranyókat használtam. Tápfesz 31V. Segítségeteket előre is köszönöm!
Szia!A tranzisztorokat válogattad?Enélkűl jó hang csak szerencse alapján lehet.Ha momóban szebben szól mint sztereóban akkor a válogatás megoldja a problémát.Az hogy mennyire lehet max. beállítani az áramot,a végtranzisztorok bétájától függ.Cseréld az R4-et 100Ohmosra,így valamivel magasabra állítható.
Szia!
A nyugalmi áram beállító poti előtt van egy ellenállás ami közvetlen a pozitív tápra csatlakozik, annak az ellenállásnak az értékét próbáld változtatni kis mértékben. 150 ohm az eredeti értéke. Mit vártál a hangjától? Mire számítottál? üdv.: Zoli
Kevesbe hiszem, hogy a vegtranzisztorok valogatasatol "megtaltosodik" az erosito hangja hacsak a jelenleg hasznalt tranzisztorok annyira elteroek, hogy ez mar a mukodest is negativ iranyba befolyasolna (ez pedig eleg valoszinutlen).
Idézet: „Ha momóban szebben szól mint sztereóban akkor a válogatás megoldja a problémát.” Ezt vegkepp nem ertem ... mi koze a mono-sztereonak a valogatashoz? Egyaltlan mit jelent az, hogy szebben szol? Nem beszelve arrol, hogy azt sem tudjuk Parinak mi nem tetszett a hangzasban...
Lamallas!Te túl sok dolgot nem értessz.Ez persze nem lenne baj ha te is tudnád.Már vártam hogy írj!Igenis válogatás nélkűl nem érheti el az audiofi szintet(csak szerencsével amire nem sok az esély).Miért?Mert olyan alapvető dolognak sem felel meg minthogy a két oldal egyformán szóljon!Egyes frekvenciák kioltják,mások erősítik vagy gyengítik egymást.A zene zavarossá vállik,nem lesz tiszta,a térábrázolása gyenge és nem hiteles,a részletezőképességéről nem is beszélve!...stb.Monóban ez nem jelentkezik,ezért az jobb hangú sok tekintetben!Nem tudom hogy érdemes-e ilyen alapvető dolgokat leírnom,ha egy ember megszívleli akkor mindenképp.Az az igazság hogy én csak segíteni akarok és elszomorít ha nem sikerűl!Minthogy én is vettem a fórumról jó ötleteket,szeretném ezt viszonozni!
Tudod cornel az a baj, hogy sokan (koztuk Te is) olyan dolgokat hajhasznak amik bizonyos korulmenyek kozt indokolatlanok es feleslegesek, mert "amit nyersz a reven annyit vesztesz a vamon"! Hogy ertsd is mirol beszelek 1 peldaval illusztralom: ezen a forumon sokak az erositoepitest csak most kostolgatjak, esetleg mar tul vannak 1-2 erositon, de meg csak most probalnak mondjuk egy A osztalyu erositot epiteni. Sokak még azzal is megkuzdenek, hogy sikeresen felelesszenek egy erositot, ezert nekik (es a tobbsegnek) nem ajanlanam, hogy tovabb nehezitsek az eletuket a vegtranyok valogatasaval. Nem beszelve arrol, hogy sokaknak lehetoseguk sincs a valogatasra, illetve ha van is nem biztos, hogy meg tudnak venni sokkal tobb tranyot mint ami szukseges, hogy aztan kedvukre valogassanak. Viszont a Te hozzaszolasodbol az derul ki, hogy valogatas nelkul nem is lesz jo a hangja az erositonek, holott ez nem igaz. Ha egy helyen, egy szeriabol veszel vegtranyokat, akkor azok eleg hasonloak lesznek egymashoz igy valogatas nelkul is igen jo hangminoseget es megfelelo hatasfokot lehet elerni. Ha nem hiszed nalam meghallgatszhatsz egy olyan A osztalyu JLH-t amiben nincsenek a vegtranyok valogatva. Egy szo mint szaz ugy gondolom, hogy a valogatas problemaja esetleg tobbeket "elremithet" az utanepitestol vagy ha nem remiti el oket es megepitik valogatas nelkuli tranyokkal akkor ugy gondoljak majd, hogy valogatassal vmi egesz mas, sokkal jobb erositot kapnak ami szinten nem igaz. Tehat ugy tunik mintha indokolatlanul felnagyitanad a valogatas fontossagat/hatasat. Ezek utan felmerulhet benned (es masokban is) a kerdes, hogy en mikor ajanlanam a valogatast. Elsosorban akkor ha van ra lehetoseged (van megfelelo meroeszkozod, van elegendo mennyisegu vegtranzisztorod). Ha ezek nem jelentenek kulonosebb gondot, akkor en is nyugodt szivvel ajanlom a valogatast. Ezen tul akkor is ajanlom (sot, szinte kotelezo) ha az erosito egyeb reszeit a tapegyseggel egyetemben is mind minosegi, valogatott alkatreszekbol epited fel. Nalam mostanaban fog keszulni egy ilyen A osztalyu JLH erosito rendelesre. Abban az osszes(!!!) osszekoto vezetek egyedi kialakitasu es keszitesu lesz (a megrendelo kivansaga), a halozati trafo szinten egyedi keszitesu, extra minosegu vasmagbol es huzalokbol keszult (szinten a megrendelo kivansaga), stb. Ja es abban az esetben is nagyon erosen javallott a valogatas ha valakinek van egy rakas vegtranyoja otthon (pelda kedveert a nepszeru 2N3055) de kulonbozo gyartmanyok, kulonbozo evjaratok, stb. Egyeb esetekben, ha valaki csak szeretne egy A osztalyu erositot epiteni, de nincs lehetosege valogatasa, akkor bemegy a boltba es a 4 vegtranyot ugy keri az eladotol, hogy azok lehetoleg 1 szeriabol valok legyenek. Ebben az esetben is a kapcsolas bonyolultsagahoz kepest egy igen jo minosegu erositot fog kapni az ember ha mast nem ront el az epites kozben. Remelem eleg kimerito volt a valaszom.
Ja es meg valami: addig amig helytelen huzalozas (vagy ki tudja milyen problema) miatt a Te erositodben magashiany lepett fel es ezt "mesterseges" magaskiemelessel akartad orvosolni addig semmikepp nem indokolt a vegtranyok valogatasa
Sziasztok!
Köszönöm a válaszokat, ki fogom cserélni az ellenállást kisebbre, bár most is csak 120R-os van 150R helyett. A hangminőségben az nem tetszett h első hallásra szerintem magas hangokban szegény volt a hangzás. Nemtudom Ti a bemetre csatolásként mekkora kondit ajánlanátok? Most 1µF van a bemeneten, a kimeneten pedig 4700u+2,2u MKT kondik vannak.
Udv,
Mihez kepest keves a magas? Van vmi osszehasonlitasi alapod? Ez azert fura mert egy jol megepitett JLH-nak nem a magasaival van a gond hanem inkabb a melyekkel ... legalabbis sztem. 1µF a bemeneten megfelelo lehet, a kicsatolo kondik is jonak tunnek (esetleg novelheted mindket kondi erteket de ha alapvetoen jo minoseguek, akkor nem fogsz jelentos valtozast hallani).
Gondoltam hogy nem érted meg,hisz akkor nem is Lamalas lennél.Írásodból az derűlt ki hogy nem nagy külömbséget hallassz válogatott és nem válogatott közt.Szerencsés vagy,így olcsóbban készűlt el a JLH-d!A magaskiemelés természetesen csak ideiglenes dolog volt míg nem lett a két oldal egymáshoz képest pontosabban összehangólva!Tudod azokkal a trimmerekkel amelyekkel te féltápfeszt állítassz be(nekem az egyik 116,9 a másik 120,7kOhmos).Olyan szintű magashiányt kell elképzelni amely neked nem tünne fel,hisz válogatás nélkűl neked is az van!
|
Bejelentkezés
Hirdetés |










