Fórum témák
» Több friss téma |
Mielőtt kérdezel, a következő két dolgot ellenőrizd!
I. A helyes tápfeszültségek megléte.
II. A kimeneten van-e egyenfeszültség.
Élesztés.
Nem értem miért jó terjeszteni a butaságot.
A 6363 ha jól emlékszem 50W volt, és kinyírtad vele a vidit amire ráírták hogy 100W, a valóságban meg tudott 20-25W szinuszt.Ha valaminek nem tudod az okát akkor utána kell járni (mondjuk mérni) és akkor nem vonsz le téves következtetéseket. A durván túlhajtott végfok harmonikusai amivel itt néha dobálóznak néhány százalékkal növelik meg az adott spektrum teljesítményszintjét, attól egy hangszóró nem ég le. A teljesítménytől inkább, ami ugye a duplája lesz a szinuszhoz képest. De ez is csak régen volt, a mai alulpufferelt és trafóban is alulméretezett vackok már a szinusztól is összeesnek. Vedd észre hogy azt próbáljátok bizonygatni, hogy pl. egy 50W-os dobozt jobb egy 50-100W-os erősítővel hajtani, mint egy 20-30W-ossal, mert az majd klippelve le fogja égetni. Lehet. Csakhogy az 50W-os meg már a klippelés előtt le fogja égetni, a 100W-os meg félgázon. Keress egy olyan nagy teljesítményű hangszórót amit nem sajnálsz, és nézd meg hogy a ráírthoz képest mekkora szinuszos teljesítményt visel el, azaz mikor fog leégni. Tátva fog maradni a szád.
Olvasgattam itt. Valóségban jobb ha egy erősítő a hangsúgárzód 60-70% a . Ez azért is. Jó. Mert nem eshet az embe abba a hibába. Van még hangerő,,adjunk neki...
. ha maradunk a 60-70% nál memnfog elhalálozni az a hangfal. Persze vannak durva példák. De mi az a dolog amot nem lehet tönkre tenni nem megfelelő használattal. ?? !
Úgy van, ahogy írtad.
Spielberg 3. tipusú találkozásai után a haverommal ökörködtünk (kb 40 éve, ha jól számolom). Kis Beag mikrofon, Akai GX4000D visszhangosító módban, plusz Vidi Cleo HS500 hangdobozokkal. Nem adtunk rá nagy hangerőt, mert akkor gerjedt volna, ott húzgáltuk a mikrofont a szőnyegen, rácsával lefelé és tök jó túlvilági ufo hangok jöttek elő. A kis hangerő ellenére kb. 20perc után beállt az egyik dobozban a mélysugárzó, mi meg csak pislogtunk, hogy ezt meg mi nyírta ki... A hozzászólás módosítva: Okt 1, 2016
Nekem teljesen mindegy volt, hogy az erősítő a nagyobb vagy a hangsugárzó. Addig hajtottam, amíg nem koppant le a cséve, vagy nem torzított be az erősítő. Egyszer némult el egy mélyládám, de akkor az erősítő is torzított kicsit, és a mélyláda is bőven jobban kilengett, mint szabad lett volna. Szerintem teljesen felesleges ez a vita. Ha valaki hangoskodni szeretne, vegyen mindenből nagyot, aki pedig csak a nappaliban filmet nézni, az meg mindenből kicsit. Ha pedig kevés, akkor lehet fejleszteni a rendszert.
Sziasztok!
A segítségeket szeretném kérni erősítő javításban. A beteg egy agota Ds-1200. Hiba: ha jól emlékszem a bal oldal nem szólt,+ a 2 db. piros clip led folyamatosan vílágít. A baj,hogy nem bírom tesztelni,de majd szerzek egy hangszórót,meg kábelt. Elkezdtem méregetni,ahogy írtátok anno. erősítőt a végétől javítunk. Na a kimeneten szépen ott vannak a feszültségek,jobb-bal oké. Melléklek egy képet amiket mértem. A bal felső végsor oké,alja semmi. Jobb felső sor 0,jobb alja oké. Biztiknél középen bal felső 173v bal alsó 0 Jobb felső: 0 jobb alsó 173v A relék kattannak mind a két oldalon,hol kellene még mérnem? mit tanácsoltok? köszönöm a segítségeket. Üdv: Attila
Ez nem butaság. Ezek kész tények, csak van aki emlékszik még rá van aki már elfelejtette. A videotonokat soha nem hajtottam a saját ládáival. Komoly nagy sztereó toryok (fisher, onkyo, akai, sony, hitachi stb) akármelyiket ráköthetted, és ha nem voltál óvatoos ki tudta nyírni méghozzá úgy, hogy nem vitted torzításba.
Nem. Az a baj, nem akarjátok megérteni, hogy 50 és 100W között nem kétszeres a mérhető amplitudó, és azt hiszitek, hogy ha valami 100W-os akkor az kétszer akkorát mozdít a hangszórón. Régi tévhit, hogy másfélszeres túlméretezés a biztonságos használat. Mert mindenkinek legelsőnek mi jut eszébe? 50W-os erősítőre: 5 W-os régi ovális orion TV hangszórót rákötni és a nevetgélések ahogy szép lassan büdösödik, majd leég. Erre emlékszünk. Arra meg már nem (vagy csak ciki bevallani) hogy igen is volt az a helyzet amikor vigyáztál rá mint a gyémántra, mégis ügyes voltál és haza vágtad a 150W-os márkás (nem ivdeoton meg sal) ládáidat a kis mitugrálsz 25W-tal...
És ez tulajdonképpen mi akar lenni? Mert én sok értelmét nem látom...
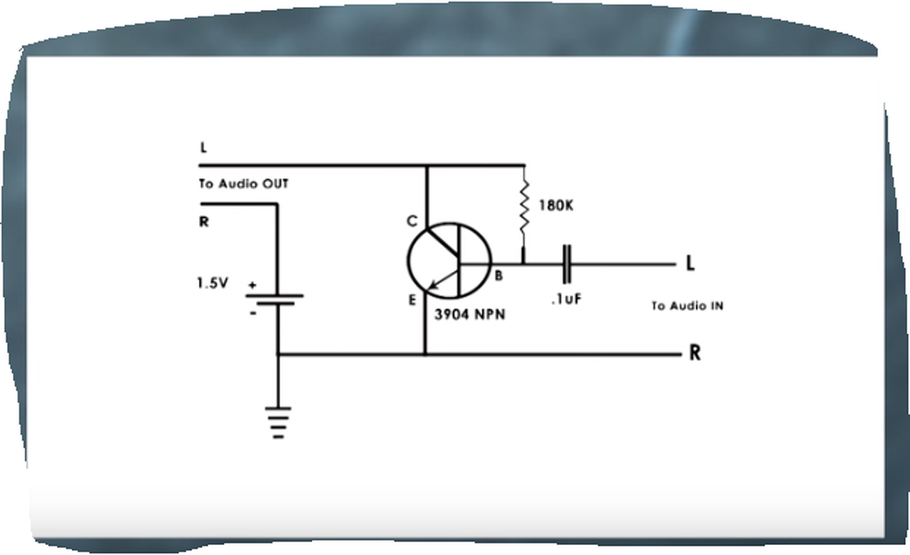
Elméleti síkon ez egy kis 1 tranzisztoros erősítő lenne fülhallgatóhoz. A rajz nem az én agyszüleményem. lég sok verziója van yt-n ez is onan származik. Illetve sok más oldalon is megtalálható más más változatokban.
Üdv!
Nemrég kaptam egy régi Schneider lemezjátszót, sajnos nem problémamentes. Az a gondom vele, hogy 10-ből 2-es szinten a hangerő már üvölt. Maga a poti nem tűnik rossznak, fejhallgatóval nincs is vele ilyen gond. Amennyire én tudom léteznek belső potméterek is, amikkel a hangot és a hangszínt lehet szabályozni. Vannak is benne ilyesminek tűnő dolgok (csavarhúzóval lehet állítani), de nem tudom melyik mi lehet, inkább nem tekergetem. Kérdésem az lenne, hogy a fenti elképzelés mennyire valós és ha az, honnan ismerem meg a hangerő potit?
Hát... A feliratozás biztosan hülyeség, azt el lehet felejteni, ez nem sztereo. Ha a jobb oldali "L" pontra, mint bemenetre adsz jelet, ugyanakkor a bemeneti GND a jobb oldali "R" pont, akkor a bal oldali "L" és "R" pontok közé tett fülhallgató valószínűleg szólni fog. A dolog szépséghibája, hogy a fülhallgató tekercsén folyamatosan fog folyni valamilyen nyugalmi áram, ami nem túl szép megoldás. Első ránézésre kb. 1mA áram várható, ami pár mikrowatt nyugalmi teljesítményt jelent egy 32 ohmos fülhallgatón, valószínű ettől nem fog károsodni, ellenben a kapcsolás által leadott zenei teljesítmény is ebben a tartományban van, ami szerintem rettentő kevés. Továbbra sem látom semmi értelmét ennek a kapcsolásnak...
Bőven előtted járok... A magasfrekvenciák jóval alacsonyabb amplitúdójuak egy normális zenében, mint a mélytartomány, de, ha a mélyből négyszög lesz, akkor igencsak brutálisan megemelkedik a nem zenéből származó frekvenciák amplítúdja és azok nyírják a magast. Ha nem vezérled túl az erősítőt a legtöbb esetben annyira alcsony a teljesítmény a nagyfrekis tartományban, hogy a tízszerese sem éri el a magashangszóró terhelhetőségének határát, ha csak a zanéből származik és nem az erősítő hozza létre klipelés közben (50W huppogás mellett 1-2W maximum!). Tudom, hogy szeretsz velem kötekedni és forgalommal szemben menni, de emellett kitartok és tényként kezelem.
Ha típust mondasz, esetleg képeket teszel fel a készülékről, netán a belsejéről is, akkor talán lesz valaki, aki tud segíteni, de ezek nélkül nem sok esélyt látok rá. Kérdés az is, hogy a lemezjátszóban milyen fej/tű van most, vajon az eredetije, vagy esetleg valaki már cserélte korábban.
Idézet: „Keress egy olyan nagy teljesítményű hangszórót amit nem sajnálsz, és nézd meg hogy a ráírthoz képest mekkora szinuszos teljesítményt visel el, azaz mikor fog leégni. Tátva fog maradni a szád.” Réges régen megtettem, szerintem neked kellene már cselekedned nem csak téves elméleteket szajkózni!
Nekem az ilyen vitákban mindig az villan be, hogy na és mi van azokkal a tuc-tuc vagy elektronikus zenékkel, amik torzítatlan állapotban is úgy szólnak, mintha egy négyszögesítőn mentek volna keresztül? Ennyire nem lehet általánosítani, hogy a túlvezérlés öli meg a hangszórót. El kell sajnos fogadni, hogy minden gyártó hazudik, ki kisebbet, ki nagyobbat (gondolj csak az autók nemrég kiderült fogyasztási adatai körüli botrányokra), a hangszórók az esetek döntő többségében nem tudják tartósan azt a teljesítményt, ami rájuk van írva. A 80-as évekbeli Vidi hangszórókat nagyon könnyen meg lehetett reccsenteni a rájuk írtnál sokkal kisebb teljesítményű erősítőkkel. Jónéhány eldeformálódott vagy leszakadt lengőcsévéjű ("súroló", "zizegő") méllyel is találkoztam anno, a magasak és közepek pedig hullottak, mint a legyek.
Köszi szépen a magyarázatot. Akkor jobban járok ha 2db lm386-bol alkotok valamit füleshez. Van itt már egy kapcsolásom csak 386-os hiányzik róla.
Ez most nem arról szól, hogy ki hazudik, nincs is jelentősége itt. A mai tuc tuc zenék valóban meg vannak áldva egy a masszív dinamika kompresszoros kezeléssel, de az még mindíg eltörpül egy túlvezérelt erősítőhöz képest. Lesz időm és energiám megmutatom spektrum analizátorral, hogy mi a különbség.
Az LM386-okkal biztosan jobban jársz. Azok megbízható IC-k, rengeteg helyen használják őket, bár nem kifejezetten "audiofil" tudásúak.
Elsődleges célom nem az audiofil legmagasabb szintjét elérni. Ha ez lenne abban az esetben nem mernék nekiállni bármit is tákolni, hanem megvásárolnék valamely jó minőségű eszközt a mellé passzoló fülessel. cél számomra a hordozhatóság!
Felesleges spektrumanalizátorral bizonygatni, el tudjuk képzelni. Én naív, annak idején azt gondoltam, hogy mondjuk egy olyan hangdoboz, amire ráírják, hogy 30/50W terhelhetőségű (ugye ez akkoriban azt jelentette, hogy szinuszosan 30W, zeneiben 50W a maximum), az a hallható tartományban bármilyen frekvenciájú, 30W-os szinuszt el kell viseljen tartósan - ekkor nem is lenne kérdés, hogy az éppen hallgatott műsorban milyen a frekvenciák eloszlása. Aztán teljesen lelombozódtam, amikor először láttam azt, hogy egy ilyen dobozban a magas jó, ha 10W terhelhetőségű. Utána meg még olyanok is derültek ki idővel, hogy ezek a 10W-ok sem adhatók rá a végtelenségig egy ilyen hangszóróra, mert mondjuk elolvad a belseje, tehát még az a 10W sem igaz.
Nyilván, ha olyan hangszórókból építkezel, amik egyenként elviselik mondjuk a 30W-ot folyamatosan a saját frekvenciatartományukban, majd ilyenekből összeraksz magadnak egy hangdobozt, akkor abban megbízhatsz majd, de ha egy gyár épít ilyet, akkor arra a dobozra nem 30W-ot, hanem legalább 100-at fog írni...
Egy sima ellenállás nem igazán megoldás, mert nem fog tetszeni utána a hangja. Komolyabban kellene hozzányúlnod. Sajnos gyerekbiztos megoldás nem igazán van. Bár én is gyakran nagyobb erősítővel hajtok kisebb dobozokat, semmi garancia nincs, hogy csökkentett kimeneti teljesítménnyel a gyerek nem öli meg a sugárzóidat. Olyan ez mint egy autó. Egy többszáz lovas kocsit is lehet kontroláltan vezetni, de egy trabi is képes a gyorshajtásra. Gyerek, vagy urambocsá' néhány deci vörös után felnőtt ember kezébe sem való sem kormány, sem erősítő. Már többször említettem itt a fórumon, hogy 8ohmos Eminence Delta 10A hangszórókat néhány perc alatt égetett le 20 V-nyi 50Hz brumm. Ez ugye 50W körül van. A hangszóró gyári adatai alapján 350/700W-ra van tervezve. Pedig ez egy nyúzásra tervezett komoly darab.
Nem sztereó, hanem egy 7.1 digitális hi-end erősítő, integrált audiofil DAC-al, önkalibráló DSP-vel. Csak lemaradt róla néhány száz alkatrész
Nem úgy látom, hogy el tudod képzelni, mert zene mellé egy 50W dobozba a 10W is bőven elég a magasnak, ha csak a zene szól!
Hidd el, el tudom képzelni. Amúgy erősen függ attól, mit nevezünk "zenének". De ez már nagyon OFF.
Nem feltétlenül, a hangszeres zenékben szélesebb a spektrum amit használnak a magas tartományban, a tuc tuc--ban keskenyebb, viszont hangosabb, kb ugyanaz lehet. off vége.
Idézet: „50W dobozba a 10W is bőven elég” Nem azért vannak ilyen viszonyok mély és magas hangszórók esetében, mert a maga ssugárzók érzékenysége jóval nagyobb mint a mélyeké?
Tudom hogy előttem jársz, meg hogy már akkor túl voltál rajta amikor ilyen szkópok még nem is léteztek.
Nem veled kötekszem, hanem azzal amit leírsz, mert nem igaz. Kifejezetten örülök neki hogy kitartasz mellette és tényként kezeled, mert így örömmel elvégzek neked újra néhány mérést ha a szkópom közelébe jutok, az eredményt meg majd becsatolom ide hogy lásd.
Szerintem nem, mert ennyivel nem érzékenyebbek a magasak. Az átlag hifi mélyek 89dB környékén vannak érzékenységben és a magasak sem sokkal érzékenyebbek 91-92dB mondjuk, a minőségi mélyen 92dB-esek, a magasak pedig 94. PA ban a mélyek 96-98dB környékén vannak a magasak 100-102dB kb. A képen egy hiperkarma számot látsz eredeti, majd 5KHz felüláteresztő szűrő után, nálam pont ennyi jut a magasakra. A második képen szimplán -10dB-ben limitáltam ugyanazt a részt, utána ez is megkapta a felüláteresztő szűrőt, majd ezt emeltem 4dB-el így a csúcstól -6dB-re van, tehát fele akkora teljesítményen lenne, ha nem torzítana ugye. Ez a különbség mondjuk a 30W és a 60W-os erősítő között a magas hangszóróra nézve ugyanazon a hangerőn a 60W maximumig kivezérelve. A szimpla szűrős megoldáson látni, hogy a csúcsok magasabbak, viszont jól látni a kitöltési tényezőn, hogy a magas sokkal nagyobb igénybevételnek van kitéve, ha torzít az erősítő.
Ráadásul elszámoltam, mert a -6dB fele akkora feszültség, tehét negyed akkora teljesítmény.
|
Bejelentkezés
Hirdetés |




A 6363 ha jól emlékszem 50W volt, és kinyírtad vele a vidit amire ráírták hogy 100W, a valóságban meg tudott 20-25W szinuszt.
. ha maradunk a 60-70% nál memnfog elhalálozni az a hangfal. Persze vannak durva példák. De mi az a dolog amot nem lehet tönkre tenni nem megfelelő használattal. ?? ! 

Nem veled kötekszem, hanem azzal amit leírsz, mert nem igaz. Kifejezetten örülök neki hogy kitartasz mellette és tényként kezeled, mert így örömmel elvégzek neked újra néhány mérést ha a szkópom közelébe jutok, az eredményt meg majd becsatolom ide hogy lásd. 






