Fórum témák

» Több friss téma
Fórum » PC táp javítása
 
Témaindító: burkus, idő: Jún 19, 2006
Lapozás: OK   93 / 119
(#) szilva válasza (Felhasználó 112967) hozzászólására (») Szept 13, 2016 /
 
Az első képen mintha ki lennének nyílva az elkók. A hűtőbordára szerelt cuccokat kellene végignézni mindenképpen. Érdemes lenne az egészet kiforrasztani hűtőbordástul.
(#) (Felhasználó 112967) válasza szilva hozzászólására (») Szept 13, 2016 /
 
Igen ki van nyílva 3 és van egy púpos.Ez is okozhatja?
Ok, megnézem.Egyébként mivel lehet azokat megvizsgálni?
(#) vision61 válasza (Felhasználó 112967) hozzászólására (») Szept 13, 2016 /
 
Szia!

Azokat már semmivel nem érdemes "vizsgálni".
Csere (ha szerinted megéri) és kész. Érdemes a többi elektrolit kondenzátort is.
Mindenképpen Low ESR típust kérj az üzletben.
(#) (Felhasználó 112967) válasza vision61 hozzászólására (») Szept 13, 2016 /
 
Én a hűtőbordára szerelt cuccokra értettem a kérdést.Azokat mivel kell vizsgálni?És a kondik okozhatják a zárlatot, amitől kimegy a biztosíték?A kondik cserélve lesznek, ha megvan a zárlat oka.Természetesen LOW ESR megy bele.
(#) vision61 válasza (Felhasználó 112967) hozzászólására (») Szept 13, 2016 / 1
 
Multiméter, dióda állásban.
A kondenzátorok hibája miatt tönkremehetett valamelyik kettős dióda.
A hozzászólás módosítva: Szept 13, 2016
(#) zoli0078 válasza (Felhasználó 112967) hozzászólására (») Szept 13, 2016 / 1
 
Szia,
Tapasztalatom szerint ha kimegy a biztosíték akkor elég masszív zárlat lehet és általában ilyenkor a primer oldalon mindent végig kell mérni és megkeresni a zárlatos alkatrészt. Első körben érdemes a egyenirányító dióda hidat vagy kis diódákat (megmérni multiméterrel dióda állásban) majd a SB rész kapcsoló tranzisztorát vagy FET-jét attól függ mi van benne ezt követően a primer hűtőbordán lévő kapcsoló híd tranzisztorait vagy itt is lehetnek Fet-ek.
Amikor mindent kimértél és a hibás alkatrészt kicserélted akkor szerintem érdemes előtét izzóval próbálni első lépésben a tápot mert ha még valahol mindig zárlat van akkor az világítani fog és nem megy ki a bizti és meg megy tönkre semmi. (ha van előtét izzó akkor addig nincs minden rendben amíg folyamatosan világít, kivéve ha aktív PFC-s a tápegység de a te DTK tápod szerintem nem az).
(#) (Felhasználó 112967) hozzászólása Szept 13, 2016 /
 
Köszönöm mindenkinek!Egy kicsit nézelődök és ha nem megy, akkor kiszedem a számomra értékes és használható dolgokat, a többi meg megy a kukába.Nem szeretnék nagyon ebbe belemerülni annyit nem ér.Amint azt írtad Zoli kolléga, szerintem is valami nagyon fincsi zárlat van benne és hát a kondik is és az azokkal járó hibák, amint azt Vision és Szilva kolléga írta........ezt egybe gyúrva egy pár százas táp nem érdemel ennyi erőfeszítést, csak egy próbát és kész.
Még egyszer köszönöm mindenkinek az útmutatást és a segítséget!
A hozzászólás módosítva: Szept 13, 2016
(#) (Felhasználó 112967) válasza (Felhasználó 112967) hozzászólására (») Szept 14, 2016 /
 
Valószínűleg meg van a hiba, viszont lenne egy kérdésem.A 2SC2625 és a C5027-R tranzisztorokat mire tudnám cserélni, amit első körben a HEstore-nál, másod körben bármely elektronikai webáruházban megkapok és nincs csillagászati ára?
(#) zoli0078 hozzászólása Szept 17, 2016 /
 
Sziasztok,
Tudom nem egészen PC táp de hasonló amivel problémám akadt.
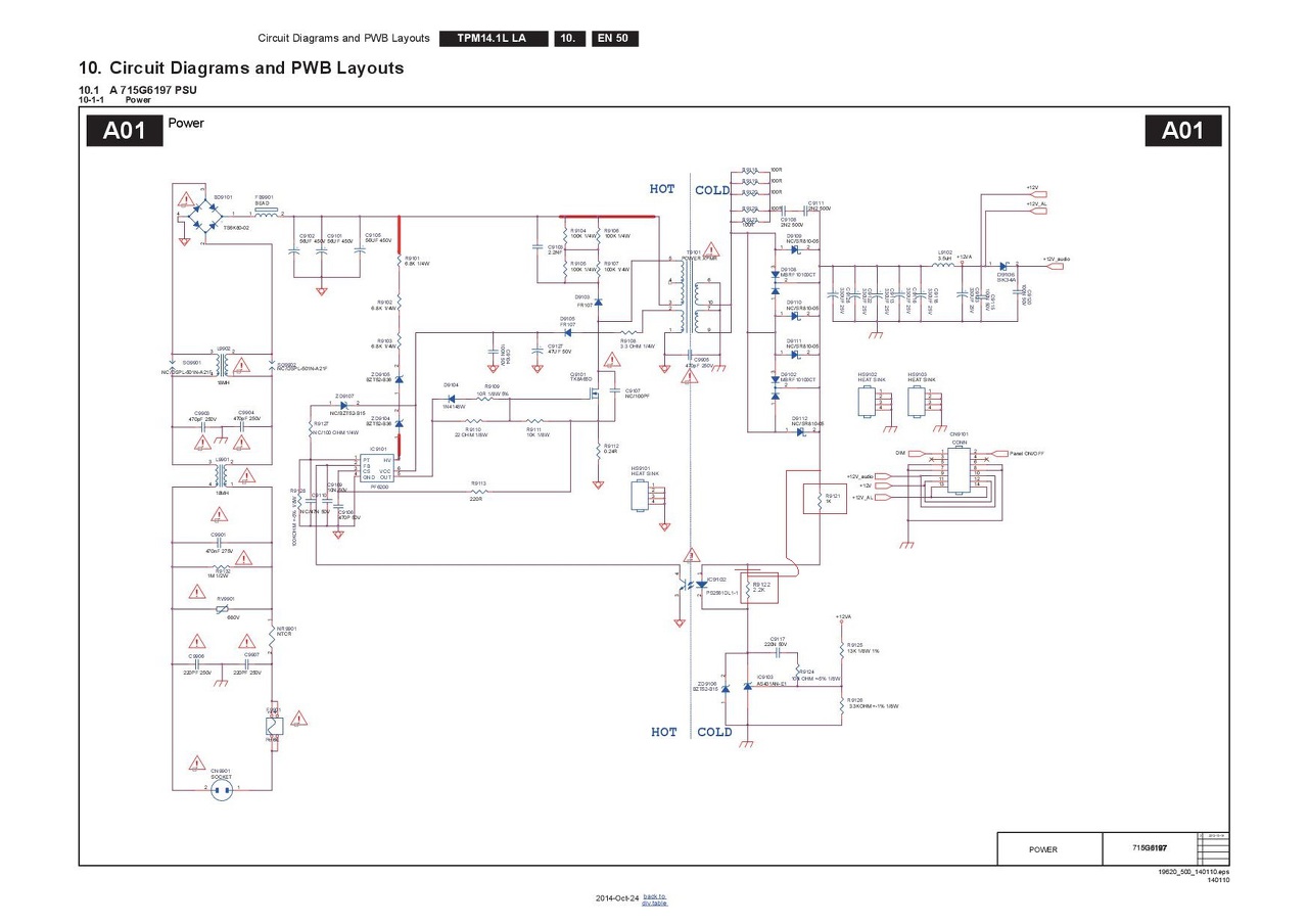
Egy LCD TV kapcsoló üzemű tápjával küzdök sajnos a kimeneti oldalon a feszültség a 12V helyett mindössze csak 5V. Sikerült rajzot találnom a táphoz a 715G6197 típus de sajnos az altípus nem teljesen stimmel így egy két dolog eltér. A visszacsatolásnál az R9121 és az R9122-es bekötése. A Led meghajtást is leválasztottam a rendszerről (igaz ez csak akkor kapcsolna be ha megy a TV ha jól gondolom ugyan úgy mint az inverter) és még így 5V-ot lehet csak mérni ha kis terhelés (pár száz mA) éri ezt a részt akkor még jobban leesik olyan 4,5V köré és erősen ingadozik.
A visszacsatolásnál lehet a hiba forrása vagy még a primer oldalon.
A tápegység egyébként egy szinte új (nem használt mert újonnan sem kapcsolt be) Balupunkt TV-ben van.
A hozzászólás módosítva: Szept 17, 2016
(#) Poli válasza (Felhasználó 112967) hozzászólására (») Szept 17, 2016 / 1
 
Szia!
Idézet:
„A 2SC2625 és a C5027-R tranzisztorokat mire tudnám cserélni”

Pl.: Replace Part oszlop, vagy itt. Az A-B-C-D-J-Kxxxx jelölés elé írd be a keresőbe "2S", tehát a "C5027-R"-t 2SC5027-R néven keresd.
(#) (Felhasználó 112967) válasza Poli hozzászólására (») Szept 17, 2016 /
 
Nagyon szépen köszönöm!
A szépséghiba annyi,hogy a HEStornál nem igazán van semmi ilyesmi....majd keresek másik boltot.
A hozzászólás módosítva: Szept 17, 2016
(#) Tibicsek hozzászólása Szept 18, 2016 /
 
Udv! Nemrég vettem egy pc tápot más felhasználásra, mint az eredeti és szépen leadja a feszültségeket 12v-os ágat terheltem 2dv autós izzoval is áramot szépen leadta, de a ventilátor valamiért nem forog csak amikor bekapcsolod a tápot felpörög és utanna leáll amúgy működik a ventilátor ez mitől lehet?
(#) pittti válasza Tibicsek hozzászólására (») Szept 18, 2016 /
 
Mert hőérzékelő van a vezérlésében (ez általában egy termisztor, a szekunder hűtőbordára ragasztva). A vezérlés pedig a borda hőfokának a függvényében emeli, vagy csökkenti a ventillátor fordulatszámát.

Hideg bordát nem érdemes hűteni...
(#) Tibicsek válasza pittti hozzászólására (») Szept 18, 2016 /
 
Végül mégis találtam, csak ez nem minden van benne
(#) luluzulu válasza szilva hozzászólására (») Szept 18, 2016 /
 
Tényleg a kis tranzisztor ment tönkre a szekunderen... Átváltozot kettős diódává. Cseréltem és most már működik. Kösz szépen tippet.
(#) istu99 hozzászólása Szept 22, 2016 /
 
300 W tápegység nem ad le 12 V-ot, ! Multiméter 9 V - ot mutat.Mi lehet a hiba?
(#) Gafly válasza istu99 hozzászólására (») Szept 22, 2016 / 1
 
Elromlott?
(#) istu99 hozzászólása Szept 22, 2016 /
 
A többi kivezetés lead kelendő DCV-t
De a sárga kábel nem ad le 12V-ot,csak 9-et
mi a hiba?
A hozzászólás módosítva: Szept 22, 2016
(#) Gafly válasza istu99 hozzászólására (») Szept 22, 2016 /
 
Milyen tápegység?
(#) istu99 hozzászólása Szept 22, 2016 /
 
ATX táp!
(#) Gabó válasza istu99 hozzászólására (») Szept 22, 2016 /
 
Muszáj ilyenekkel fárasztani az embereket?
Hogy választ is kapj! Bármi lehet! Olvasd el a hszek egy részét, és rájössz mit kellene leírnod...
(#) sector99 válasza istu99 hozzászólására (») Szept 22, 2016 /
 
Nem tudjuk, hogy mennyi elektronikai ismerettel rendelkezel, de azért a kapcsoló üzemű tápok hibakereséséhez kicsit több kell, mintsem hogy egy vezeték végén van feszültség avagy nincs...Én nagyon halkan azt javasolnám, hogy ha még nem javítottál ilyent....akkor le se vedd a burkolatát ! Mert egy rossz mozdulat, és életveszélyes áramütés érhet ! Aztán még sorolhatnám, de szerintem ennyi is elég...
(#) istu99 hozzászólása Szept 23, 2016 /
 
Hidd el már egy pár tucatot megjavitottam
(#) luluzulu válasza istu99 hozzászólására (») Szept 23, 2016 /
 
Kondizd át és valószínűleg meg javul.
(#) vargaf válasza istu99 hozzászólására (») Szept 23, 2016 /
 
Mérd ki a 12 V kimenethez tartozó kettős diódát, valamelyik oldala hibás lehet. Cseréld a kimeneten lévő kondenzátort low-esr-re, 105 °C-ra.
(#) Trivium93 válasza istu99 hozzászólására (») Szept 24, 2016 /
 
Kondenzátor hibának tűnik (kevés információ alapján). Cseréld le és nézd meg úgy. Ha nem az akkor szabályzó rész nem jó. De mivel az 5V van főképp szabályozva, így még inkább kondenzátor hibának tűnik.
(#) JuniorKill hozzászólása Szept 24, 2016 /
 
Sziasztok. Olyan kérdésem lenne, hogy egy aktív pfc Táp meghalhat e ha nincs földelés a lakásban??? Már három táp ment vissza garanciás cserére.
A hozzászólás módosítva: Szept 24, 2016
(#) llaci80 válasza zoli0078 hozzászólására (») Szept 30, 2016 /
 
csak tipp:
Hány voltot mész a Zeneren a "Cold" -nál ?? bocs de nem túl jó a minősége a jpg-nek nem tudom kiolvasni a típusát... szerintem itt van a hiba ezen a környéken (optocsatolót és a fesztab ic-t ellenőrizném azért
(#) Tibicsek hozzászólása Okt 9, 2016 /
 
Udv! Egy gigabyte ge-p450p-c2 Tápot vettem és nem akar elindulni az 5V fix megvan szépen,de amikor beinditanam a zöld földre kotesenel megnő a fesz az adott értékre és azonnal leis csökken milehet itt a gond? Egy újra kondizas segítene rajta?
(#) xNorbi hozzászólása Okt 17, 2016 /
 
Helló, egy éve hibátlanul üzemelő átalakított PC-tápom a minap megadta magát

Valószínűleg azt történt hogy miközben egy terhelést kötöttem rá annak az egyik vezetéke hozzáért a táp házához így valahogy rövidre zárva a táp kimenetét és a házzal. Aminek Eredménye egy nagy durranás következtében kivert a hálózati biztosíték és a táp belsejében levő üvegbiztosíték is.

Következő bekapcsolás úgy történt, hogy a biztosíték helyére beforrasztottam egy 230V-os izzót és vártam a csodát hogy ne világítson a táp hálózati fesz. alá helyezés után, hát sajnos világítt .

A táp bemeneti felén 1db 2N60P (N-mosfet) és 2db TT246 tranzisztor foglal helyet. Multiméterrel mérve mindhárom alkatrész egyik szélső és középső lábán rövidzár van, egy másik tetszőleges kombinációban pedg kb. 500-1000ohm vagy szakadást mérek. Javítható lehet egy ilyen táp? köszi

Szerk.: Mind a négy bemeneti diódán (RL207) rövidzárat mérek (tetszőleges irányban), kiforrasztás után is.
A hozzászólás módosítva: Okt 17, 2016
Következő: »»   93 / 119
Bejelentkezés

Belépés

Hirdetés
XDT.hu
Az oldalon sütiket használunk a helyes működéshez. Bővebb információt az adatvédelmi szabályzatban olvashatsz. Megértettem