Fórum témák
» Több friss téma |
Nem is sejted, hogy miért? A motor maga egy igen egyszerű jószág, a vezérlése pedig nem.
Biztos lehetsz benne, hogy nem kefés motor van benne, nem hiszem, hogy szívesen hallgatnád egész nap a sivítását, pedig annak egyszerű a szabályzója. A hozzászólás módosítva: Aug 28, 2013
Szia neked is!
Ok, drága a vezérlés. De milyen vezérlés való hozzá? Mert azért lehet kapni a gyári kütyün kívül olcsóbbat, aminél nem kell kifizetni a felárat. Sejtettem, hogy nem kefés... de jól esik, hogy leírtad Te is! Kösz! A hozzászólás módosítva: Aug 28, 2013
Szia!
A frekvenciaváltó a korrekt megoldás erre a problémára, az meg nem egy olcsónak mondható szerkezet.
Szia!
Itt a fórumon én is mindenhol azt olvasom, hogy frekiváltó kell, viszont az RT újságban és egyéb lapokban, oldalakon, webshopokban stb. pedig a triac kapcsolást mondják, mint megoldást! Azon kívül, hogy alacsony fordulaton esetleg átbillen és leáll, leég (csökken a nyomatéka), van valami hátránya? Hangos? Melegszik erősen és külön venti kell hűteni? ![]() Egyébként egy légkeverő ventilátornál a nyomaték mondhatni állandó, tehát az átbillenési fordulatszám felett járatva, relatíve kicsi az esélye, hogy tovább lassuljon és és leálljon, nem? A trafós megoldás nem jöhet szóba? Köszi!
Természetesen ki lehet próbálni triakkal is, én nem mondom, hogy nem lehet. Mert főleg a kis teljesítményű egyfázisú aszinkron motorokat lehet feszültségcsökkentéssel szabályozni. De előfordulhat az is, hogy visszavett feszültségszint mellett el sem indul, mert nagy tömegű lapátokat kell megmozdítania. Egy próbát természetesen megér.
A hozzászólás módosítva: Aug 29, 2013
Az nem gond, ha nem indul. Legfeljebb előírom, hogy mindig max fokozaton kell indítanom!
Azt hogy oldanátok meg, hogy ne lehessen a forgásirányt bekapcsolt venti mellett átkapcsolni? (Egyik betápról át kell tenni a fázist a másikra, erre pl. egy kapcsoló is jó) Vagy kibírja a motor, ha max fordulaton átkapcsol ellentétes irányra? Köszi a válaszokat!
Azt nem tudom, hogy a "gyári" megoldás milyen.
Azt tudom hogy volt olyan, hogy "lassú/gyors" lehetőség lelógó "húzó izével" kiválasztva (Dahlander, ha mond ez valamit ). Olyan is volt, hogy ugyanez külön szállal kapcsolható nem a ventillátorról lelógva, hanem kúltúráltan falról, villanykapcsolóról... Mostanában az a menő, hogy a fali "leffentyű" megkapja a Fázist/Nullát/Védőföldet (nem kell bántani semmit, csak a "villanykörte helyett helyett felakasztani az cuccot"). Meg kapsz egy távirányítót amivel tudod állítani a ventillátor fordulatszámát (3 fokozatban) és a fényerőt (szinte fokozatmentesen). Téli/nyári irányváltás meg a "leffentyű"-n létráról kézi kapcsolással... Azt nem tudom megmondani, hogy milyen a motor, sem a vezérlése. A motivációt sem értem, azaz melyik részét szeretnéd megspórolni és hogyan mert 40 KHUF alatt "leinkább Krőzus megoldás is bőven megáll, 10 alatt meg a leggagyibb sem"
A trafós megoldás megegyezik a triakos megoldással, gyakorlatilag a tápfeszültséget csökkentik. Ugyanez a kategória, mikor a gerjesztő tekercsnek több leágazása van. A ventilátoroknak általában állandó a terhelő nyomatéka, csak nem tudjuk, hogy mennyi, és függ a fordulatszámtól és a lapátok szögétől. A szabályozható ventilátoroknak azért van olyan kanalas lapátjuk, hogy a terhelés ne függjön annyira a fordulatszámtól. Ezért nehéz utólag beavatkozni.
Frekvencia váltót készíteni lehet egyszerűbbet is, nem kell feltétlen korrekt, és drága frekiváltó. Első ránézésre ki sem derül, hogy amit látsz az nem az. Persze még így is bonyolultabb mint egy triakos szabályzó, így drágább is, de mégsem annyira mint egy igazi frekiváltó. Mivel a motor maga elég kisteljesítményű, nemigen foglalkoznak, pl. a feszültség korrekcióval, mint az igazi frekiváltóknál. Az ténykérdés, ha átesik a billenő nyomatékon, akkor biztos leáll. De hogy ez egy ismeretlen motornál hol van, az nemigen lehet megmondani. Ezért veszélyes játék a feszültség (motor nyomaték) csökkentési eljárás, és nem is lehet általánosságban biztosat mondani erről az eljárásról. Ahogy olvashattad, megépítették a triakos szabályzót, a fordulatszám nem csökkent, majd hirtelen leállt. Bármilyen motor ha leáll, le is ég, viszonylag hamar.
Köszi!
Sokat kerestem ilyen fali "leffentyűt". Tudnál esetleg belinkelni egy általad említett kivitelűt valahonnan? Én sajnos nem találtam, bármennyire is jó barátom a Google.
Sziasztok.
Van egy ilyen ventillátoros csillárom az lenne a kérdésem hogy hogyan kellene bekötni a vezetékket? Egy piros és egy barna a motor vezetéke van rajta egy kondenzátor abba egy szürke és a másik felén egy sárga és egy kék vezeték van (sárga és a szürke között 0.8mikroF a kék és a szürke között 1mikroF) Eredetileg volt benne forgásirányváltás és 2 sebességi fokozat. Nekem csak a leggyorsabb sebesség kellene egy iránnyal. A kék és a sárga kondi vezetékét összekötöttem azt . Motor egyik vezetékére kondi szürke vezetékét a nullára a motor (piros) vezetékét pedig a fázisra kötöttem. Így működött de csak a lassu fokozatba. Melyiket melyikkel kellene összekötnöm hogy csak gyorsan menjen a ventillátor?
Hello!
A két kondenzátort párhuzamosan kötve fog a motor a leggyorsabban forogni.
Igen ugy kötöttem de az a lassabb sebessége annál van egy gyorsabb fokozata is.
Sziasztok!
Tud valaki segíteni? Csillár ventilátorom nagyon erős morgó hangot ad már mindent végig néztem nem találtam semmi hibát.Ha leveszem /szerkezetileg /a lámpa részt minden szépen halkan megy, ha csak a záró fedelet rakom vissza a 3db csak foglalattal és a gyors csatlakozót sem dugom össze azonnal erős morgó rezonáló hangot ad. Most lámpa nélkül használom csak így nincs világítás. Ha tudtok segítsetek előre is köszönöm. jliszkai62@gmail.com
Sziasztok!
Az lenne a kérdésem, hogy adott egy tipikus ősrégi ventilátoros csillár. (Szerintem eddig itt a topicban mindig ilyenről volt szó) A húzogatós kapcsolókat szeretném fali kapcsolóba kivezetni, de úgy, hogy a ventilátor fordulatszámát potméteres kapcsolóval lehessen szabályozni, a gyári 3 sebesség helyett. A kondi kiiktatásával, és helyette egy ilyen kapcsolóval működne az elképzelésem? vagy az a kondi (CBB61) többet is csinál, mint amit sejtek? A hozzászólás módosítva: Máj 8, 2016
Sziasztok nekem is kellene bekötési rajz a ventilátor részről koszonom elore is
Sziasztok! Első kérdésem, hogy él e még ez a fórum? De rég volt hozzászólás.... Hát megpróbálom újraéleszteni. Lényeg hogy vettem egy ventillátoros csillárt 1000 forintért amit alkatrésznek hiányosan árultak... Legtöbb hiányzó dolog mechanikus alkatrész, amit megoldok némi barkácsolással, illetve izzófoglalat, amit a régi gazdája értékesnek érzett!
Na szóval a gond az hogy darabokban van az egész... kábelek elcsipkedve, kapcsolók minden darabokra hulva. leoldó, vagy gyanítom hogy az lehetett darabokra törve. Végigolvasgattam a fórumot, ezen kívűl túl sok anyagot nem találtam neten. Ennek ellenére mivel a motor állítólag jó, a lámpatest lapátok stb megvan, illetve a kondi amin sérülést nem látok megvan. Illetve van egy darab müködő húzókapcsoló, meg az oldaláról egy 3 állású. össze lehetne ezekből rakni egy fix fordulaton müködő egy irányab forgó ventillátort? Megvalósítható az hogy a három állású kapcsolót és a leoldót kihagyni a buliból, a kondit fixen bekötni a motornak és a fali villanykapcsolóval ami két kapcsolós egyik a világítást, másik a ventillátort kapcsolja?
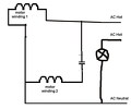
Ha a motor és egy kondenzátor jó akkor minden további nélkül megoldható. Szirtimorc felhasználó alanti rajzából lehagyod a sallangot akkor csak 2 vezetéked fog maradni amit már köthetsz mint egy második izzót.
A kérdésedre röviden a válasz: Igen.
Hosszabbra kellene mondjuk fénykép, vagy technikai információ. Például mi az a leoldó?
Itt a kissé átalakított rajz.
Bocsánat Szirtimorc, hogy belerondítottam a képedbe A hozzászólás módosítva: Nov 7, 2016
leoldó a fordulatszám szabályzó után következik és nálam azt egybehagyták, kivéve, hogy tőbe levágták a fordulatszám szabályzó kapcsolót, amire egy kék és egy barna vezeték ment. De ha ezt a két egysége ki lehet hagyni a buliból, akkor ne foglalkozzunk vele tovább, mert amúgy is el van tőrve...
Viszont akkor. kondin 3 csatlakozási pont vanegy szürke, a másik oldalán egy sárga és egy kék.az egyik ág 0,5nanof a másik 1 nano f melyiket kéne fixen kötni az áramkörbe?
A két kondi a 2 sebesség, a nagyobb a gyorshoz, kisebb a lassúhoz. Amelyiket szeretnéd. (nem mikro akar lenni az a nano?)
A hozzászólás módosítva: Nov 7, 2016
ok eddig világos.. mivel a motorról is csak lógnak a vezetékek így oda is elkélne egy kis segítség
motorból kijön egy barna egy fekete egy piros és egy fehér vezeték. Ami fellül bejön az kék, fekete és fehér. a fehér az alján vissza van kötve a fehérrel a mootorba... Tehát akkor a másik 3 vezeték közü mit mivel kössek össze?
használd a válasz gombot
Színek szerint nem tudom innen megmondani. Ha van müszered, meg kell keresni a két tekercset, kimérni a nagyobb ellenállásút, (segédfázis) arra megy a kondi. Továbbiakban a rajz szerint.
rendben! Baztam benne, hogy van valami színjelölés szabvány erre is... előkotrom a miultit bár abból már lehet csak holnap lesz valami.... köszönöm a segítséget addigis.... Ha felmerül bennem még kérdés remélem számíthatok rátok, (Rád)
Itt leszünk holnap is biztos. Addig barátkozz a képen látható gombokkal, áttekinthetőbb lesz a fórum a használatával.
Bocsi, nem vagyok nagy fórumozó!
De rászokok majd! Rögtön fel is merült bennem mégegy kérdés? Mi és mi között mérjek ellenállást? A vissazmenő fehér és a másik 3 vezeték között?
Fekete és valamelyik lesz az egyik, a piros vagy fehér és a maradék lesz a másik tekercs. De ez csak egy tipp.
|
Bejelentkezés
Hirdetés |








Na szóval a gond az hogy darabokban van az egész... kábelek elcsipkedve, kapcsolók minden darabokra hulva. leoldó, vagy gyanítom hogy az lehetett darabokra törve. Végigolvasgattam a fórumot, ezen kívűl túl sok anyagot nem találtam neten. Ennek ellenére mivel a motor állítólag jó, a lámpatest lapátok stb megvan, illetve a kondi amin sérülést nem látok megvan. Illetve van egy darab müködő húzókapcsoló, meg az oldaláról egy 3 állású. össze lehetne ezekből rakni egy fix fordulaton müködő egy irányab forgó ventillátort? Megvalósítható az hogy a három állású kapcsolót és a leoldót kihagyni a buliból, a kondit fixen bekötni a motornak és a fali villanykapcsolóval ami két kapcsolós egyik a világítást, másik a ventillátort kapcsolja? 

