Fórum témák
» Több friss téma |
Helló!
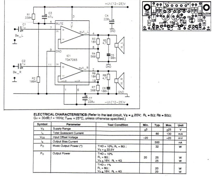
Már hónapok óta várom, hogy valaki fog nyitni egy témát a TDA7265-ös IC-vel kapcsolatban, de mostmár rászántam magam. Ez volt a legelső erősítőm, és úgy gondolom, hogy eléggé szép hangja van. Sajnos ez az áramkör meghalt egy előfok meghibásodás során, ezért rendbe akarom szedni. Mivel az volt az első áramköröm, gondolhatjátok, hogy milyen gyönyörűen nézhet ki . Ezért szeretném elkészíteni normálisan, kérdésem az lenne, hátha van valakinek ehhez valami jó nyákrajza. Az IC-vel kapcsolatosan csak szétszórva volt pár dolog néhány topikban, de nyákrajzzal még egyszersem találkoztam.Köszönettel, Arpy
Köszi a nyáktervet, csak sajnos az a probléma, hogy az IC mögött is vannak vezetősávok, így hűtőbordára nem jól lehet felszerelni, a nyák pedig kilóg a dobozból. Más TDA IC-nél sikerült normális nyákot csinálnom, de ennél még nem, hogy mögötte ne legyen vezetősáv, nem valami jól van az IC-nek a lábkiosztása... Nem tudom, hogy valakinek sikerült már így nyákot tervezni hozzá?
Már azon gondolkodom, hogy lehet, hogy kétoldalas nyákra kellene elkészíteni, azon csak meg lehet így oldani.
Nyákrajzom ugyan nincs, de annyit mondanék jogy nem egy utolsó kis ic. Jó a hangja és szinte töknkretehetetlen.
Turtelhelást tökéletesen bírja. Kimeneti rövidzárral is megbírkózik. Szóval egybevan.
igaz kilog a nyák az ic mögé de én gond nélkül ráültettem a hütöbordát
Nekem is ez a véleményem, nagyon sokat kibír és eléggé jóhangú, csak a bemenetére a közel tápfesz nem tetszett neki.
.
Sziasztok!
Nagyon megtetszett ez az IC! De a gyári kapcsolási rajzon nem értem hogy mi az az uP. Mit kell oda kötni? Mire jó az? Válaszokat előre is köszönöm Üdv!
Helló! Annak csak az a szerepe, hogy külső áramkörrel tudnád vezérelni az IC-t, hogy mikor legyen standby vagy mute funkcióban. De ezt lehet direktre is kötni, és akkor mindig bekapcsolt állapotban lesz.
Itt van egy másik kapcsolási rajz, aminél a standby láb egy állandó potenciálra van kötve.
Szia!
Köszi a választ Közben találtam az adatlapban konkrét példát egy kicsit lejjebb. Üdv!
Nézegetem az adatlapokat, és azt látom, hogy a TDA7264 és a TDA7265 között egész apró különbségek vannak. Ráadásul mintha a 7264-nek lenne kisebb a torzítása.
A gyakorlatban próbálta már valaki mindkettőt, lehet hallani, érezni köztük különbséget?
Én eddig még csak a TDA7265-t próbáltam, de már beszereztem az új IC-t, úghogy a következő is ilyen lesz. Én is kiváncsi lennék, hogy mi különbség van közöttük. Mindjárt összehasonlítom én is a két adatlapot..
Eddig az tűnt fel, hogy TDA7264-nél nincs negatív visszacsatolás, emiatt egyszerűbb nyákot tervezni hozzá, és a 7264A kisebb tokban is van, mint a 7265, mivel kevesebb lábas tok is elég neki. De szerintem a 7265-nek jobb a minősége, mivel ott van a negatív visszacsatolás, így tud korrigálni.
Valóban, a 7264-ben belsőleg van kialakítva a visszacsatolás. Kevesebb alkatrész kell a referenciakapcsoláshoz, de nehezebb kialakítani vele hídkapcsolást (külső fázisfordító kell).
Helló!
Végülis arra jutottam, hogy terveztem egy nyákot a TDA7265-höz, melyet csatolok is. Úgy gondolom, hogy sergei érdemli meg a pontot, mivel ő volt az első, és egyetlen, aki nyákrajzot kínált fel. Üdv, Arpy
Szia!
Van két darab 18kohmos ellenállás, mely be van ugyan ültetve, de nincsen a brd fájlban bekötve sehol. Vigyázz, nehogy ez miatt ne működjön az erősítő! Gondoltam készítek neked egy átláthatóbb nyákot, átkötés nélkül, de így nem lehetséges...
Helló!
Ott egy kis szerkesztési hiba van. Korábban be volt kötve mind a 2db 18k, csak utána kicseréltem nagyobbra az alkatrészt (hogy a vezetők könyebben el tudjanak alatta menni), és nem volt kedvem ripup-olni, meg aztán újra gumikötelezni és utána újraroutolni. Tudom, tudom... lustaság félegészség.![]() A könnyebb szerkeszthetőség érdekében csatolom a javított verziót, ahol már be van kötve. Köszönöm segítségedet, Üdv, Arpy
Szia!
Még az E$1 nevű kondi kimaradt.. egyébként elég nehéz elrendezni az alkatrészeket
Tényleg
. Bekötöttem azt is. Ez is azért maradt ki, mert ez is nagyobbra volt cserélve, hogy könnyebben el menjen közötte a vezetősáv. Kijavítottam ezt is.Más TDA-hoz már korábban terveztem nyákot, az sokkal egyszerűbb volt. Ennek az IC-nek eléggé nem jól sikerült a lábkiosztása, de lehet, hogy a gyártó csak így tudta megoldani. Azért sikerült viszonylag eléggé leminiatűrizálnom (a kelletténél is jobban ) 6x4,5cm-es nyákon elfér. Szerintem jó lesz ez is, de azért köszönöm a segítségedet.Üdv, Arpy
Nincs mit
még nem is csináltam semmit... Egyébként szimplán csak szórakozásból kíváncsi vagyok, hogy mit tudnék vele kezdeni majd meglátjuk!
próbálkoztam egy kicsit, de olyan feltétellel, hogy nem mehet az ic mögött vezetősáv, nagyon nehéz tervet készíteni, ami még látványos is... alapból problémás az ügy, mert a hátsó középső lábhoz hozzá sem lehet férni, mert az első sorban lévő láb össze van kötve a hátsó sorban lévővel, így az összes helyet elhasználja a kis mocsok. viszont ha kisebb vezetősávot használsz, talán elférne valahogy... De mindegy is, mert neked már van terved
sok sikert a megépítéséhez!
Helló!
Sajnos nekem is ezek voltak a problémáim. Az IC lábkiosztása nem a legjobb...Napokon belül el fog már készülni az erősítő. Üdv, Arpy
Helló!
Müködik rendesen az erősítő. Már be is dobozoltam, jó kis munkába került, de legalább már kézen van. Üdv, Arpy
Tudna esetleg valaki egy konkrét bekötési tippet hidas használat esetére? Szeretném a TDA7265 IC-t hidas módban üzemeltetni.
Üdv!
Íme 1 elképzelés a hídba kötésről. Mindösszesen annyi, hogy az egyik bemenetet az invertáló lábra kötjük. Így az a csatorna ellentétes fázisban fog erősíteni. Nem tudom, hogy az IC-nek amúgy mennyi a belső ellenállása, mert akkor azt is figyelembe tudtam volna venni.
Helló!
Az IC adatlapjában is van gyári ajánlás a hidalt bekötéshez, melyet csatolok is. Üdv, Arpy
Én egy ilyen áramkörre gondolnék alapvetően:Bővebben: Link
Egy ilyen alkalmazásával a bemenetekre kapcslót téve és a kimeneteket jól feliratozva el lehet érni a normál üzemű sztereo működést vagy a hidalt üzemű mono működést is. Ráadásul ez a magoldás olyan végerősítőkkel is működik, amik nincsenek felkészítve a hídkapcsolású üzemhez, azaz nem lehet kialakítani belőlük fázist fordító és fázist nem fordító kapcsolást is.
Először nekem is ez jutott az eszembe, de utána megnéztem az IC adatlapját, hogy van-e hidalt kapcsolása. Így a gyári ajánlás alapján egyszerűbben kivitelezhető a hidalás.
|
Bejelentkezés
Hirdetés |




. Ezért szeretném elkészíteni normálisan, kérdésem az lenne, hátha van valakinek ehhez valami jó nyákrajza. Az IC-vel kapcsolatosan csak szétszórva volt pár dolog néhány topikban, de nyákrajzzal még egyszersem találkoztam.


Korábban be volt kötve mind a 2db 18k, csak utána kicseréltem nagyobbra az alkatrészt (hogy a vezetők könyebben el tudjanak alatta menni), és nem volt kedvem ripup-olni, meg aztán újra gumikötelezni és utána újraroutolni. Tudom, tudom... lustaság félegészség.






