Fórum témák
» Több friss téma |
Fórum » NiMh akku-töltő
Ha az izzós- párhuzamos stabilizátor alkalmazást választod, akkor a sima zeneres gyenge lesz a 200 mA-hez, ill. nehéz lesz találnod az akku végfeszhez.
Csinálhatsz szintén ellenállás-zener-dióda lánccal ( a báziskörben ) és egy nagyobb BD tranyóval egyet, előre be tudod állítani, mikor kezdjen nyitni és akkor ráteszed az akkura. Kis hűtést tegyél a BD-re. A hozzászólás módosítva: Aug 11, 2016
Szia!
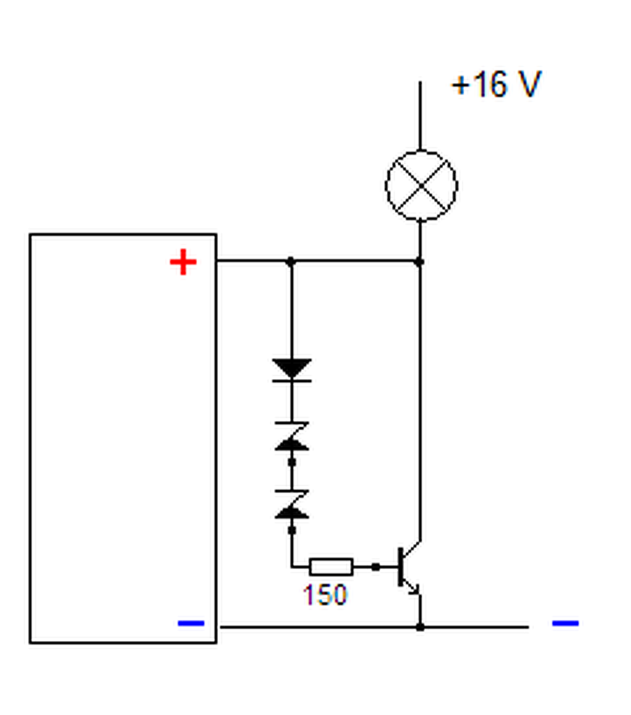
Ezt építsd meg, ez elnyűhetetlen. Nálam ment legalább 20 évet , egyszerű és bevált. Alkatrészekre nem kényes, a potival tudod az áramot állítani. A hozzászólás módosítva: Aug 11, 2016
Ha pl. sorba kötsz 2 db ZY6,8 zénert, Az 13,6 V, mivel 2 W disszipációt tudnak, 290 mA is átfolyhat rajtuk, max.
Ha izzónak 12 V / 3 W -ost választasz, az izzó 187 mA -re korlátozza az áramot. Így a zénereket sem teszed tönkre. A hozzászólás módosítva: Aug 11, 2016
Üdv mesterek!
Most elsősorban Topi-hoz szólnék azt szeretném kérdezni hogy az általa tervezett processzoros Nimh töltő jó lenne e 1 cellához is mondjuk az LM317 legkisebb feszültsége 1.25V ezért nem vagyok bent biztos hogy jó lenne egy cellához is? Köszönöm!
Sziasztok! Vettem egy 18V-os, Ni-Mh akksis fúrót, a zaciban, elméletileg csak a motorért. De olyan jónak bizonyult a mechanikája, hogy sajnáltam szétszedni. Ütve fúr, meg nyomatékszabályozós, a tokmány-csapágy sem lóg. Már megvettem hozzá a cellákat, 15 db. Újracellázom a battery-packot,
viszont 18V-ra nem találok sehol töltőt, vagyis inkább használható rajzot,mert a töltő arany árban lenne ! Van valakinek rajza esetleg?
Szia.
Nem tudom milyen töltőket néztél és, hogy mennyire drágát de szerintem egy ilyennel jobban járnál, ez tud többféle akkut tölteni. Szerintem ha építesz egyet se jössz ki olcsóbban.
Szia! Talán az is egy jó megoldás lenne ide, hogy a töltés előtti merítéshez készítenél egy olyan elektronikát ami, cellánként figyeli a feszültséget, utána pedig az egészet egy áramgenerátorral időre töltenéd, úgy, hogy a bevitt kapacitás valamivel kevesebb legyen mint az akkuk kapacitása. Ez olcsón kihozható, és szerintem az akkuk élettartamára sincs rossz hatással.
A probléma, hogy az akkumulátorok kapacitása az idő folyamán csökken. Ami fél évvel ezelőtt még tökéletes volt, az ma már túltöltést eredményez, tovább csökken a kapacitás, és elindul az ördögi kör.
Ez igaz, de gondolom nem fixre készítenél egy ilyet, hanem az áram és idő állítható lenne. Ha az olcsóság szempont, akkor egy-két akkura (vagy jó helyre közéjük) hőmérséklet szenzort rakva észrevehetné a töltő, hogy ha emelkedni kezdene a hőmérséklet, és akkor időben megállna. Ha a számlálót (pl cd4060) kivezeted pl. ledekre is akkor látni fogod, hogy meddig jutott és ha rövidül az idő akkor az áramot csökkented legközelebb. A töltés előtti fix merítés miatt viszonylag együtt maradnának a cellák, hogy évekig elég legyen csak néhányukat monitorozni. (gondolom én)
Köszi a tippeket! A cellánkénti megfigyelés nem megoldható, s nem is alkalmazzák, csak a Li-ion akksi pakkokban, ott benne van az egész elektronika, mint a notebook-ban. Mivel nem , Magyarországon lakom, így egyszerűbb az Aliexperess-ről rendelnem, meg is a találtam az ajánlott tipust ennek is pont 15 cella a max Ni-Mh kapacitása, s 16€ az ára. Közben találtam egyoldalt, ahol egész jól kivesézik a működését.
Nincs mit! Te tudod én lehet, hogy valahogy belegyömöszölném (vagy valami tüskesoron kivezetném)
Jó kis töltőnek néz ki, sok mindenre lehet használni.
Mintha én is egy ILYET linkeltem volna be neked
Micsoda véletlenek vannak. ![]() És pont ugyan arra a típusra bukkansz rá teljesen véletlenül. A hozzászólás módosítva: Szept 14, 2016
Szia! Nem véletlen volt, az után nyomoztam
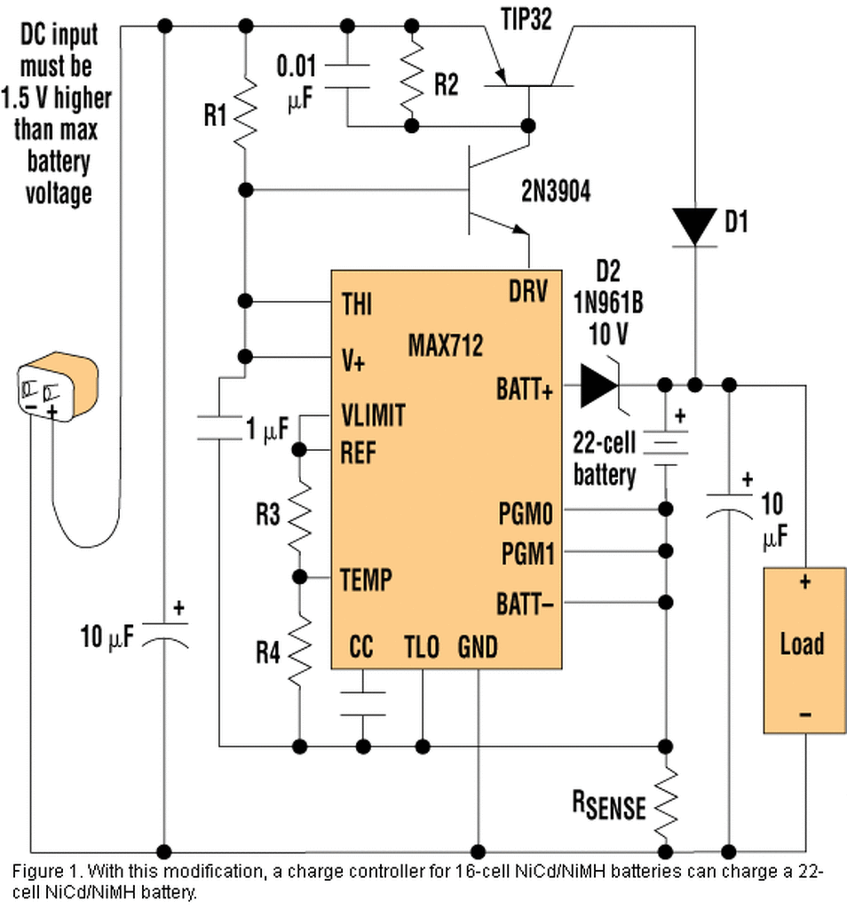
Találtam egy egyszerű kapcsolást, MAX712-713 ra itt a leírása ami a leírás szerint 22 celláig bővíthető. A 4 cellás Li-ion note akksiknál is baromi bonyolult a cellánkénti, vagy 2 párhuzamosan töltés elektronikája, szerintem ez nem megvalósítható, vagyis a gyáriban sem használják. A folyamat lényege, hogy rákapcsolja a cellánkénti max töltést a kapacitás 80%-ig, utána, egy karcsúbb áramú "kiegyenlítő töltéssel", azonos szintre hozza a cellákat. Persze ez csak akkor, működhet, ha minden cella hasonló/ugyanolyan paraméterekkel bír. Ebben az esetben elméletileg a kisülés is ugyanolyan szintű lesz. Ha a gyári töltőben megfelelt szerintem, nekem is jó lesz, persze az adott cellákra/kapacitásra átszámolva.
Li-ion akksival szerintetek vmilyen áramkörrel lehet Ni-Mh aksitöltőt készíteni,
Ezt fejtsd kicsit bővebben, mert nem világos....
3.7V-ról szeretnék 1.2 V-os Ni-Mh akkut tölteni. Ehez milyen áramkört építsek?
Egyik lehetőség, hogy pl. Skori oldalán az áramgenerátorok közül kinézel egy szimpatikusat (lehetőleg kapcsolóüzeműt), amit ő ugyan ledek hajtásához tervezett, de egyet én cerka akkuk töltéséhez használok. Van közöttük olyan, ami alacsony tápfeszről is megy. Ezekkel időre tölthetsz. Erre vagy építesz áramkört, vagy a vekkert beállítod, ahogy én is szoktam.
Rákereshetsz olyan megoldásra is, ami USB-ről tölt, mert annak is hasonló a feszültsége. Ha nagyon modernt szeretnél, akkor valami cél ic-t keres, pl max712 cpe, bár ez magasabb feszt igényel, amit egy elé kötött dc-dc átalakítóval megcsinálhatsz. Szerintem Skori oldalán ilyet is találsz. Nézz körül a boltok kínálatában, hogy milyen töltő ic-ket lehet kapni, talán van olyan, ami egyből megy 3-4V-ról és megfizethető.
Ha a MAX712/3 Ni-Mh battery charger schematic-ra ráguglizol, fogsz találni 1cellás kapcsolást is rá. Ez a leg akksi barátabb, mert a töltési karakterisztikát figyeli. Ha több db-ot szeretnél tölteni egyszerre, olcsóbb egy 6db-os automatát venni. Ha a cellák teljesen egyformák, egyidősek 1 gépben használva merültek ki akkor elméletig a kisülésük is azonos. PLD fúró akkupakk amiről fentebb is szó volt, ott egyszerre tölti az összes cellát, pár V-tól akár 30V ig.
Köszi. Skori weblapján találtam kalcsolást.
Sziasztok!
Bolhán vásároltam egy ilyen töltőt: MW398GS Valószínűleg sokan ismeritek ezt a fajtát. NiCd van ráírva, de "elvileg" NiMh elemeket is lehet tölteni vele. Azért erre a típusra esett a választás mert cellánként tölt, és minden méretben bele lehet rakni. Azt tapasztaltam, hogy hiába telik el 5-10-20 óra, a LED nem vált át, továbbra is piros marad. 20 óra töltés után rámértem az akksik kapcsaira. A "jobb" AA-s akksiknál 1.35-1.45V, a gyengébb AA-s ill. AAA típusoknál 1.55-1.65V ami szerintem már nem normális. Megmértem a töltőáramot, 140mA-t ad mindenhol. Tényleg nem való NiMh akksihoz, vagy lehet "ésszel" használni? Megjegyzem, a túltöltés alatt lévő akksik nem melegedtek nagyon. A hozzászólás módosítva: Nov 27, 2016
Hol láttad leírva, hogy ez automata töltő?
Kb 20 éve van egy ilyenem, 1-2 éve kíváncsiságból szétszedtem. Van benne egy nudli kis trafó, pár dióda és ellenállás meg a LED-ek. Azok csak annyit jeleznek, hogy folyik-e áram az alattuk levő tartóban, ezért arra jók, hogy lásd rendesen érintkezik az akku az érintkezőkhöz. Annyit érdemes még tudni, hogy a trafó kétutasan van egyenirányítva, de ebből egy-egy irány csak két-két cellát tud tölteni. A 9V külön szekunderen van, annak a részleteire nem emlékszem. Ezzel csak időre tudsz tölteni, ha beállítsz mellé egy vekkert. NiMh-hoz és NiCd-hez is jó. Én automata (és gyors) töltő mellett használtam olyan esetekben, amikor a tölteni kívánt akku túlmerült és emiatt az automata töltő hibásnak jelezte. Ezzel egy kicsit rátöltve, utána merítővel szabályos szintig lemerítve már a gyors töltő is hajlandó volt tölteni a problémás akkut.
Köszönöm. Tehát ez csak "tölti" és nem "feltölti" az akksikat, úgy mint a békebeli orosz autóakksitöltők. Így már érthető, miért van rajta egy csomó, időre utaló felirat.
Egy másik projektemhez is lenne egy kérdés, megpróbálom a lényeget leírni. Egy hordozható RFID leolvasót kell megépítenem úgy, hogy lehetőség legyen az akksik feltöltésére a házon belül. Kb. úgy mint a mobiltelefonoknál. A leolvasó elektronika 5V-os (4.5V-5.5V) tápfeszültséget igényel, amit 4 db. NiMh akksi stabilizátor nélkül éppen teljesít. A töltést az RFID-leolvasót is vezérlő mikrokontroller (ATMega8) fogja irányítani. A töltés idejére egy kis relé átkapcsolja a vezérlő tápfeszültségét egy 7805 kimenetére, az akksipakk pozitív sarkát pedig a töltőelektronikára. Kérdés: adott egy 4-cellás NiMh akkupakk, 2000mAh (valós) kapacitással. Ha 200mA-es töltőárammal töltöm, mekkora cellafeszültségnél kell leállítani a töltést, illetve csepptöltésre átállni? Mennyit segít, ha a "8 lábbal IV." szerinti módon vezérlem a töltést, azaz 6mp-ig tölt, utána 1mp-ig terhel? A hozzászólás módosítva: Nov 29, 2016
Úgy pontos, hogy ha az akkut megfelelő ideig benne hagyod, akkor teljesen fel fogja tölteni. Csak itt az a probléma, hogy az árama aktív szabályzás híján nem lesz állandó, így a szükséges időt csak becsülni tudod. Ilyen kis áramú töltésnél nem akkora gond, ha kicsit tovább bent marad, mert nem fűti fel nagyon a cellát, így az elektrolitja sem fog elgőzölögni.
A 8 lábas cikkben írtak olyanokat, amit én sehol máshol nem láttam, ezért javaslom, hogy a nikkel akkuk kezelésének kicsit olvass utána máshol is. Google rengeteg találatot ad erre. Például a cikk szerint a memóriaeffektus kialakulásának az az oka, hogy ha nem töltöd fel teljesen, akkor abból lesz probléma. Emiatt minden akkunak nekiesik tölteni, ami (a saját szabályai szerint) picit is alatta van a 100%-nak. Annak is amit már korábban feltöltött, csak benne felejtették és az önkisülése miatt merült már valamennyit. Más leírásokban azt lehet olvasni, hogy a memóriaeffektus kialakulásáért az a felelős, ha nem meríted le teljesen, hanem úgy töltesz rá, hogy van még benne valamennyi töltés. Egy helyi példa közülük: Nikkel akkumulátorok kisütése. A töltős cikkben a program is az ott leírtakat követi, így nem csak egy véletlen elírás, a szerző komolyan gondolta. A programban van egy elírás gyanús dolog is:
Egyrészt 0.9-1V körüli érték lenne megfelelő, mert a túlmerült akkuknak nem szabad nekiesni nagy árammal, másrészt a cellák számával sem lett beszorozva. A töltős cikket leszámítva sehol nem olvastam olyasmit sem, hogy NiMh akkunál a teljes feltöltöttséget az jelzi, hogy a kapocsfeszültsége egy adott feszültséget elért, vagy meghaladott. Ha tényleg ilyen egyszerű volna, akkor nem lenne szükség a dV/dt és dT/dt módszerekre. Szerintem ne foglalkozz csepptöltéssel. Sok gyári töltő alkalmazza, viszont ha utánaolvasol azt is láthatod, hogy nem nagyon javasolják az akku túltöltését sem. Én a helyedben töltéskor meríteném (akár cellánként ha megoldható) és utána tölteném időre, vagy valamelyik automatikus módszer szerint. Ha pedig kész végleg leállítanám a töltést. Nem tudom mennyit számít a töltés/merítés gyors váltogatása, sohasem próbáltam. Ha így töltesz és időre, akkor vedd figyelembe, hogy az átlag töltő áram már nem 200mA lesz, hanem kevesebb és ahhoz számold ki a szükséges időt.
Talán egyszerűbb lenne egy db. lithium ion cellát használni, ha nem.elég a feszültsége, egy step up convertert rakni utáni. Ugyanabban a térfogatban és talán súlyban szerintem több energiát tárol. A töltésre sem érzékeny, de kapható SOT-23-5 tokozásban is töltésvezérlő olcsón. De ha soros ellenálláson keresztül töltenéd, szerintem akkor sem lenne semmi gond, és csak elég lenne figyelni a kapocsfeszültséget.
Idézet: „A töltésre sem érzékeny” Üdv! A Li-ion akku, pont hogy jobban érzékeny a helytelen töltésre. A túltöltés kinyírja, a mélykisütés is. Mind két esetben hamar bekövetkezik a cella károsodása (ehhez képest a NiMH akkukat azért elég jól lehet kínozni). A töltését a névleges (általában 4.2V) feszültség eléréséig maximum 1A-rel szabad végezni. Ezután át kell kapcsolni feszültséggenerátoros módra, amit pontosan kell tartani (pár 10mV-on belül). Akkor van feltöltve az akku, ha ebben a módban a töltőáram lecsökken 200-100mA-ra. Mindenesetre igen olcsón lehet venni hozzá töltésvezérlőt, szóval még így is érdemesebb lehet vele megoldani.
A lítiumos megoldással (1 cella+step-up vagy 2 cella+balancer+step-down) én is számoltam az elején, de az érzékenysége és az esetleges tűzveszély miatt elvetettem. Az esetleges légi szállítás bonyodalmairól nem is beszélve... Tudom hogy léteznek kompakt megoldások, 2-3-4 cellás olcsó balancerek, csak az idő kevés ahhoz hogy egy általam ki nem próbált technológiát építsek be, a doboz mérete pedig adott (nem túl nagy). Nem szeretném, ha a fő funkció (RFID leolvasás) helyett a műszaki egység (töltésvezérlés) feljesztése venné el a projektidő vagy a doboztérfogat túlnyomó részét. Ár szempontjából sem jönne ki jobban, ha márkás (Samsung, LG) akkuval számolok. A csing-csang-fire és kamu-kapacitásos társai amúgy is felejtős.
A hozzászólás módosítva: Nov 30, 2016
Köszönöm. Gyerekkoromban a "teljes lemerítés" volt a divatos a memóriaeffektus témában, ma a "teljes feltöltés". Igaz, akkoriban csak NiCd-t lehetett kapni. Nincs kedvem igazságot tenni, tekintve hogy előbbit azóta betiltották.
Van egy 2x2 cellás GP falitöltőm ami 16 óráig tölt, és mindegy hogy mit teszek be. Utána zöldre vált a LED, és lekapcsolja a töltést. Kivéve, ha áramszünet vagy kontakthiba lép fel, a 16 óra onnantól indul. Az áramát ennek még nem mértem, gondolom hasonló mint a német "mindenes" cucc, csak ez le is kapcsol. Szerintem ez se jó irány, és a 16 óra túl sok. A projektről és az akksikról kicsit részletesebben: 2000mAh GP ReCyko akksikat fogok beépíteni, ami a marketing szerint kevésbé hajlamos a memóriaeffektusra, legyen az részleges kisütés vagy részleges feltöltés miatt. Ugyanis várható, hogy 90%-os töltöttségi szint mellett is töltőre fogják rakni 1-2 órára, akár naponta többször is. Ha félévente kell új akksicsomag az nem para, az viszont igen, ha a 4 órás játékdő közben merül le. Az se menő ha töltés közben posszan el. A töltöttségi szint a játék után változó lehet, mert előfordulhat hogy az első 10 perc után bekapcsolják, de az is hogy az utolsó fél órában találják meg. Bekapcsolt állapotban kb. 100mA-es terheléssel számolok. A bekapcsolás a sokak által ismert "AVR-es alkatrészteszter" megoldására épül: egy mezei mikrokapcsolós nyomógombbal bekapcsolják, ugyanazzal a gombbal ki lehet kapcsolni, de 15 perc után magától is kikapcsol. Ezért bekapcsolt állapotban egy tranzisztor látja el nyomógomb áramáteresztő feladatát, de érzékelni is kell, ha ezt nyomógombot ismét lenyomják. A megoldás előnye, hogy kikapcsolt állapotban gyakorlatilag nulla a fogyasztása, de egyelőre kizár minden olyan lehetőséget ami step-up konverterre épül. Üzem közben mérni kell az akksi kapocsfeszültségét, hogy legyen valamiféle visszajelzési lehetőség a töltöttségi szintről. Töltéskor pedig a mikrovezérlő érzékelni fogja a külső táp (12V) jelenlétét, ezért átkapcsolja a saját tápát egy 5V-os stabilizátorra, az akksi pozitív kapcsát pedig a töltő áramgenerátorára. A hozzászólás módosítva: Nov 30, 2016
|
Bejelentkezés
Hirdetés |





, egyszerű és bevált. Alkatrészekre nem kényes, a potival tudod az áramot állítani. 
Jó kis töltőnek néz ki, sok mindenre lehet használni.







