Fórum témák
» Több friss téma |
Fórum » Geiger-Müller számláló (hobbi)
Természetesen
M-zárolt készlet tehát senkinek nem lett kiadva.Ezért is csodálkozok hogy nem akarja az igazságot .A táp rákötése után a műszervilágítás tökéletesen üzemel de tovább kapcsolva telep ellenőrzés üzemmódba már nem csinál semmit
Nem az egész műszerre gondoltam csak magára a Deprez mérőműre.
Én úgy gondolom igen . Nincsen megbuherálva minden csavar pecsétes még rajta ,tehát nem bontotta még meg senki a mérőművet
Nincs vmi sugárzó anyagod, hogy hátha kell egy minimum szint? Vagy biztos, hogy az 1,2 V-s tápfesz elég a műszernek?
Áhhh, kicsúsztam a módosítási időből...
Találtam egy képet amin a hord táska belsejére rá van írva: "Figyelem! Tápfeszültség ellenőrzéskor a világítás kapcsolót benyomni!"-> hát ha így működik. Találtam egy vaterás képet is, szerintem megtaláltam amit vettél XD Az eladó annyit ír, hogy a mutató vízszintes irányú mozgatásra nem mozdul. Lehet tönkre ment. Vhogy ki kellene próbálni, biztos ami biztos alapon.
Tríciumos mutatóim vannak arra szépen kileng a többi műszer . A gépnek igen biztos 1,2 V kell mert a gyári akkuja is 1,2 V G3 típusú 3A lúgos akku volt . A mostani áramforrás 1,2 V és 9000mAh,ennek meg kell hogy hajtsa .Itt az alapvető problémám az hogy a telep ellenőrző állasba sem csinál a mutató semmit pedig ki kellene lengeni a töltött telep irányába majd visszaállni 0 pozícióba . De meg se moccan ez a Jó magyar műszer .
Nem vateráról vásároltam
Jófogásról Persze tényleg patika állapotban van csak engem zavar hogy nem működik
Meg van szakadva a mérőmű lengőtekercse. Egy multiméter 2 Kohm ellenállás mérő állásban
azonnal megmutatná.
És ez javítható probléma vagy felejtős ?
Meg lehet vele próbálkozni, jó szem biztos kéz, és a megtalálod a lengőcsévén a huzalszakadást meg lehet forrasztani. Általában a kivezetéseknél szakad meg.
Legtöbbször az a baj, hogy szétszedés után széthull (elporlik) a mérőmű speciális aluöntvény váza (spiáter ?), ez szinte típushiba. A mérőmű annyira speciális a hatszögletű skálával hogy mással pótolni nem lehet, a méréshatár váltó kapcsolóval fogaskerék áttételen keresztül váltod a forgódobos skálát.
Rendben ez már valami nagyon szépen köszönöm a válaszokat
Megpróbálkozok vele aztán majd jelentkezek hogy sikerült e
Hmm...
Melyik ez a bolhapiac?
A Bajai bolhapiac
Minden hétvégén lejárok mert kincseket lehet találni . Kérdeztem az eladót hogy mi az : valami régi orosz tv kapcsoló Mondom oké 500-ért elviszem . 300ft-ér csak elemet kellet vennem bele
Nagyon értett hozzá!
esetleg ezt:
http://danyk.cz/gm_ind_en.html
Sziasztok!
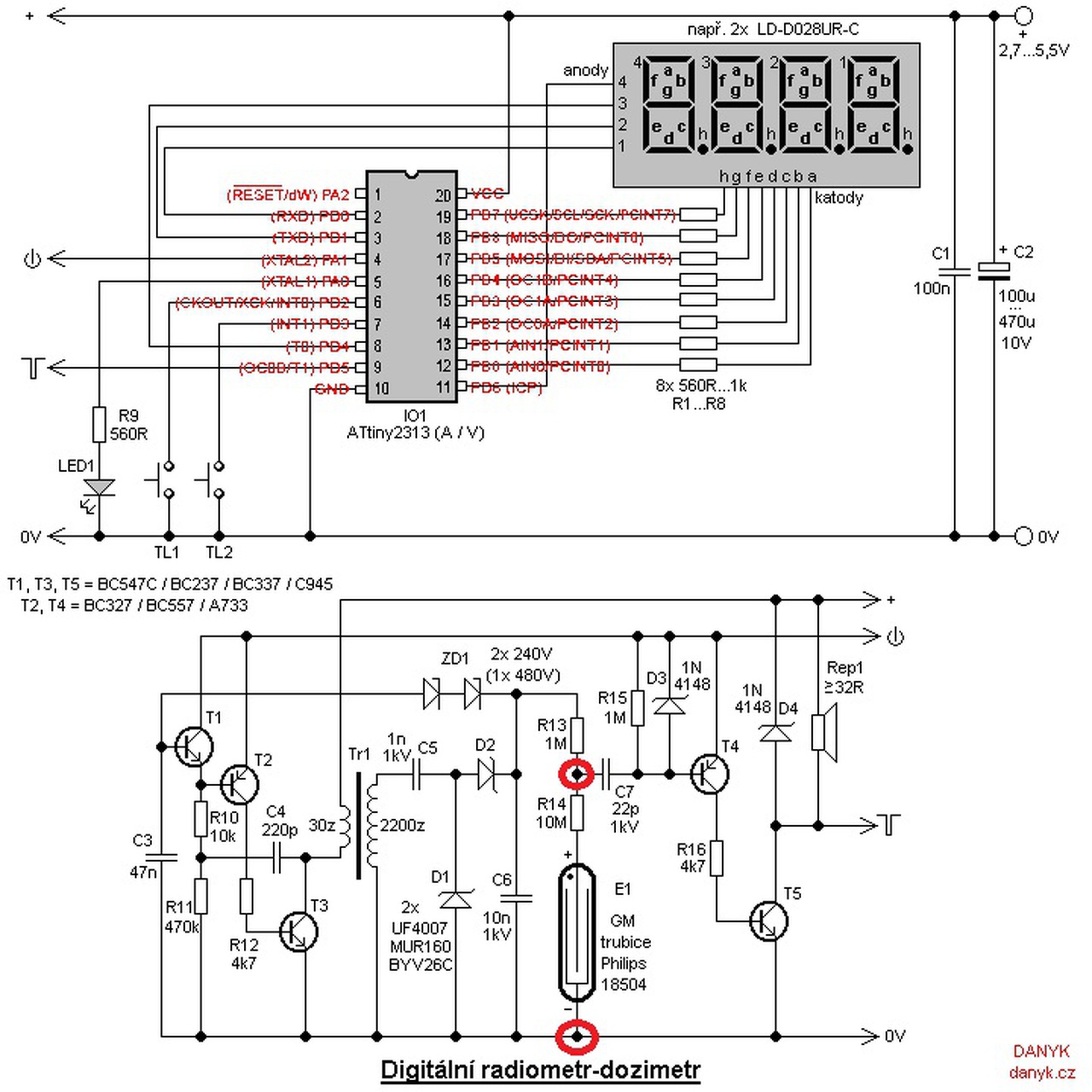
Lenne egy kérdésem, a mellékelt képen lévő kapcsolással próbálkozom, jelenleg a pirossal bekarikázott helyen mérek 400voltot, az ellenállás után már csak 214-et, jelenleg a csövem még úton van. Kérdésen az előtét ellenállás után a csőnél közvetlen kellene meglenni az ajánlott feszültségnek? Hozzáteszem eléggé kezdő vagyok elektronika terén.
Mivel mérsz ? A 10Mohm ellenállás cső felőli végén méred a 214V-ot ?
Multiméter van most csak, de igen az ellenállás után mérem a 214 voltot a cső felöli részen.
Akkor minden jó. Az egyenirányítód ad 400V-ot. Az R13 1Mohm, az R14 10Mohm.
A multimétered 10Mohm. Így a 11Mohm (R13+R14) - 10 Mohm (multiméter)durván 50%-ra oszt le, így sacc annyit is mérsz.
Annyi változik majd, hogy egy másik cső lesz, egyel újabb
Bővebben: Link Nála majd ellenállás csere lesz, illetve legalább 500 volt kellene, próbálok a trafó primerére tekerni még, a szekunder gyári. Monitorból bontott, a neon csöveket hajtotta meg, a szerző is monitorból bontotta.
Ha növelni akarod a feszt akkor pont le kell tekerned a primerből. Ezt addíg játszhatod amíg nem telítődik a mag és a tranyó bírja.
Köszönöm!
Végre valahára megérkeztek
Nem gondoltál félvezetős szenzorra? Nem kell hozzá nagyfesz.
Ennek már nekiláttam, minden majdnem kész, talán majd később, előbb ez működjön.
Valami nem oké nálam, a táp le ad 450-voltot, de nem egyszer hozzáértem szinte meg sem csíp. Az áramfelvétele 1mA, ha megfogom a cső helyét akkor 3-4 mA, kiváncsiságból rrá kötöttem egy nixie-t. Ami olyan 180 volton megy, éppen derengett csak, mondanom sem kell a csőre nem reagál semmit. Nem tudom hol rontottam el, hisz egy elég egyszerű kapcsolás.
Ez a tapasztalatszerzés a nagy belsőellenállású elektronikák sajátosságáról, hogy könnyen kisöntölhetőek. Próbáld csak meg az ellenállás előtt megfogni, rájössz, hogy van ott delej. Természetesen a nixinek is kell áram, elég rossz a hatásfokuk. Alapvető elv, hogy akkora mérési hibával kell számolni amennyivel befolyásolja a mért áramkört a mérőműszer belső ellenállása. Vagy használj nagyobb belső ellenállású műszert (csővoltmérő) vagy építs egyet FET-es bemenettel. Amúgy nem érdemes a csövön mérni, bőven elég ha a C6-on méred. Ha módosítani akarod a gyári feszültséget előbb igazítsd a visszacsatoló ág zénereit a kívánt feszültségre, ha úgy se bírja leadni a feszt ill. nagyon megnő az áramfelvétel csak akkor kell módosítanod a trafót.
Szia, zénert csak úgy kaptam hogy 4x120 voltos, a 18504-es csőhöz amivel eredetileg akartam ezt ajánlották. Most 18515-ös van, ezt tudtam szerezni, szinte ugyanaz. Újak, bár le kellene őket is tesztelni, legalább egy hibát kizárni. Mindem müködik, avr számol szépen, elvileg a faék egyszerű résszel szívok pont
A félvezető szenzorok érzékenysége töredéke a GM-cső érzékenységének, így pontosan a háttérsugárzás és az annál 10-100x nagyobb sugárzások mérésére alkalmatlanok. Másik lehetőség a detektorfelület növelése, azaz párhuzamosan kötsz 10-20 félvezetős detektort és bár elérheted a szükségeshez közelítő érzékenységet, akkor viszont az ára lesz meglehetősen borsos.
Erről valamelyik régebbi Rádiótechnikában olvashatsz, de szerintem itt az oldalon is feltűnt már ez, mint lehetőség.
Például az OPF420 PIN fotodióda Mouser: 3000Ft + szállítás.
Vagy SD2477 eBay: 3000+4600Ft szállítás. Vagy egy alternatív lehetőség: BPW34 fotodióda, párhuzamosan. ITT, illetve a 2011-es elektorokban tudsz körülnézni. (A BPW-ből 6-7db ad ki a SD2477 felületével azonos érzékeny felületet. Azonban mindenféleképpen jó tulajdonságokkal rendelkező mérőerősítő (MAX4477, AD8666) ajánlott hozzá. |
Bejelentkezés
Hirdetés |




M-zárolt készlet tehát senkinek nem lett kiadva.Ezért is csodálkozok hogy nem akarja az igazságot .A táp rákötése után a műszervilágítás tökéletesen üzemel de tovább kapcsolva telep ellenőrzés üzemmódba már nem csinál semmit
Jófogásról 








