Fórum témák
» Több friss téma |
Fórum » DVD lejátszó monitorral (SCART - VGA átalakító)
Témaindító: _zol, idő: Jan 25, 2006
Témakörök:
Rajzot nem találtam...
Létszi segíts!!!!!!!!!!!!
Tudsz még nézni rajzokat?
Nekem ugyanez kéne csak fordítva.
Tessék, nem tudom hogy megy-e!
De ez legalább azt csinálja amit kérsz
Nemegészen mert SCARTRA alakít meg ebbe belehülyülök mire megépítem...
KOMPOZIT VIDEOJEL --> VGA (MONITOR VÉGÉRE)
Nekem is meg van de nemhiszem hogy valaki megépítené.
A kompozit tuttommal kéteres vezetéken megy...
Igen igazad van a kompozit egy jelvezetéken megy, de az az átalakító amit te keresel a gyakorlatban nem nagyon használatos
... ahol meg igen, ott meg van RGB
Ennyire nem vágom még az elektronikát
![]() De majd nemsoká
Természetesen van azért , csak olyan 100$ körüli áron vesztegetik
Amit Müszi keres, az tkp analóg-digital átalakító videojelre. A feladat ezután a digitális jel memóriába való pakolása, majd onnan való kiolvasása olyan sebességgel, amit a VGA monitor szeret. (A kompozit (FBAS) videojel vízszintes szinkronfrekije 15625Hz, a képszinkron 50Hz, ehhez legközelebbi a régi CGA monitor jeligénye, hiszen erre is használták. A legalacsonyabb VGA felbontás 640x480 - 31500Hz / 60Hz, aztán a 800x600 - 35000Hz / 60Hz. Amik ezután következnek, a - csaknem szabadon - választható frissítésnek nevezett képszinkronból adódóan nehezen követhető:pl 1024x768 lehet 50,60,75,100Hz frissítéssel, és ehhez állítja be a kártya a vízszintes szinkronjelet.)
Megemlítem még, hogy a szabványos videojel ún. "váltottsoros letapogatás"-t használ - ezt a monitoroknál "interlaced" jelzővel illetik,de általában a "non-interlaced" mód a divat. Fentiekből könnyen kiolvasható, hogy a feladat megoldása nem nélkülözheti a viszonylag gyors processzort és RAM készletet - ami a választott VGA módnak megfelelően növekvő méretű. Szvsz, legjobb, ha teszel a gépedbe egy olyan videókártyát, aminek van FBAS v S-Video bemenete.
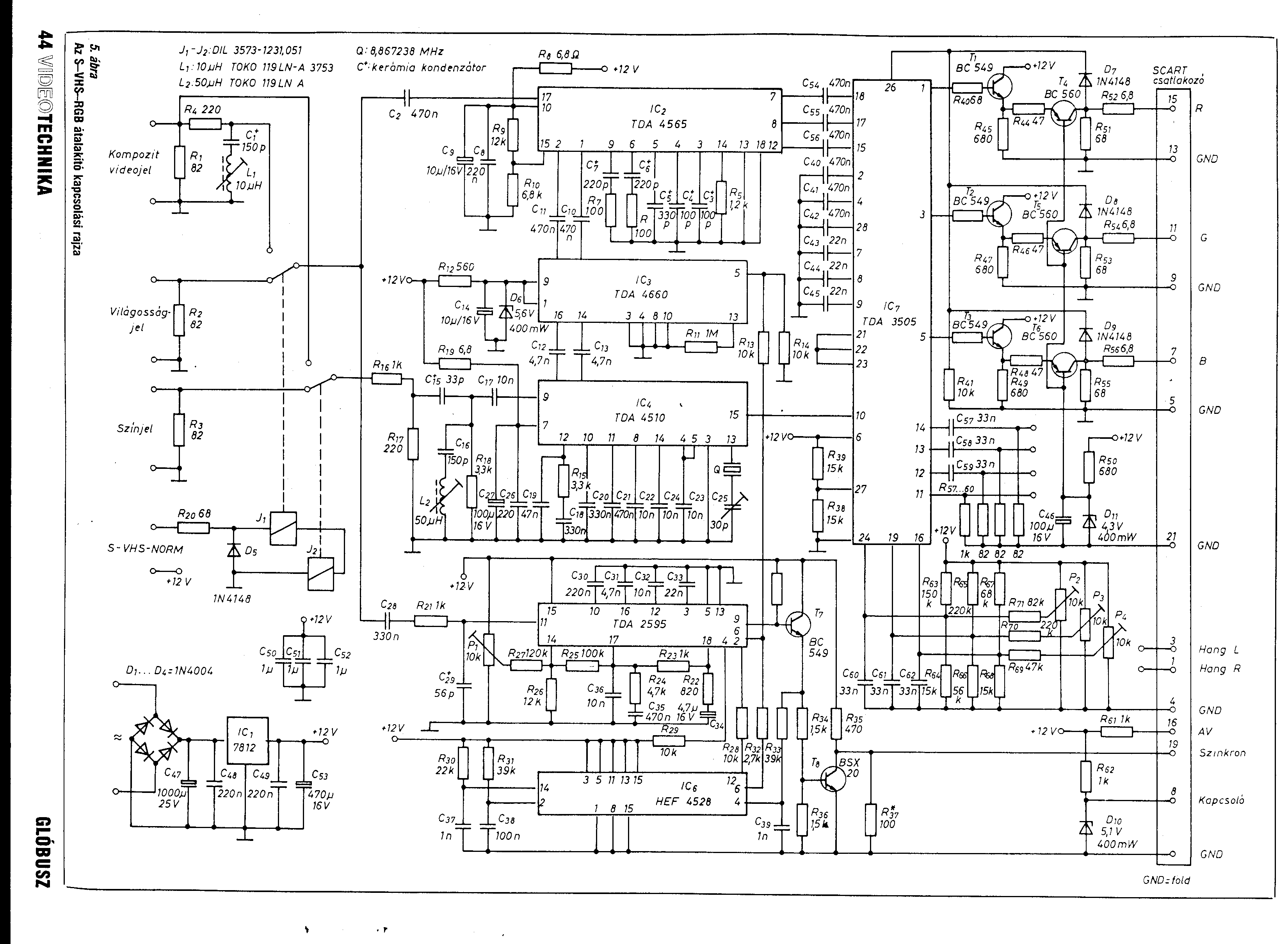
Van valahol egy ilyen kapcsolásom,este előkeresem,és felteszem.
üdv
Ha nem megoldható akkor az RGB bemenet is tökéletesen megfelel...
Én úgy gondoltam, hogy az RGB jelet simán belevinni a monitorba. Ehhez kéne bekötési rajz (DSUB) csati és egy kapcsi hozzá. Egyébként monitort alakítanék át kistévének (DVD lejátszót rádugni... Egyébként ha este a kapcsit felrakod akkor azt megköszönném! Üdv.: Müszi
Sziasztok! Van egy megoldás, ami biztosan működik, és nem kell hozzá sokminden, csak egy kis FPGA vagy mikrokontroller (no meg memory+A/D átalakítók).
Szerintem ehhez a feladathoz már olcsóbban kijöttök egy ilyenel, nem beszélve arról, hogy lehet egyszerűbb is megvalósítani... Meg akár oda-vissza alakítja neked, állíthatod, hogy S-Video/RGB vagy hogy milyen VGA felbontás, frissítés... Csak egy ötlet, fontold meg
Hello!
Nekem is ez a problémám. Mi a következőig jutottunk: A Scart szinkronjelét szét kell bontani egy komparátorral, utána egy inverterrel alakítnai és máris mehet a VGA-ra. A gond csak az, hogy ehez kéne tudni a Scart és a VGA szinkronjelének a frekvenciáját, kitöltését és feszültségét.
Sziasztok.
Én is ilyen gonndal küzdök. monitoron akarok használni DVDlejátszot. Van erre valami technika ami müködik is? valakinek sikerült ilyet alkotnia?
Engedd meg hogy gratuláljak: Ez VGA->scart ÉS NEM scart->VGA átalakító. Ha az idegen nyelv megzavart, még mindig van egy általános módszer: a kapcsolási rajz bal oldala bemenet, jobb oldala kimenet. Mindig. (Feltéve h. nem valami dilettáns rajzolta)
Tehát a 9251-9252. (16-30) hozzászólásoknál
említett átalakító működött valakinek?
Hali mindenkinek. Tudna nekem segíteni valaki? van egy monitorom 21" os és nem találok hozzá vga kábelt. a kép a monitorrol megtalálható a http://www.vatera.hu/listings/index.php?us=roosberg
oldalon a termékeim között. előre is köszönöm a segítséget, több boltot is próbáltam keresni de eddig egy boltban sem találtam hozzá kábelt. előre is kösz a segítséget
sziasztok a haveromnak van egy regi szines tv je es csak antenna dugasz van a hatuljn semmi mas azzal kuszkodik hogy valahogyan rakosse a dvd lejatszojat de nemtudja hogy sztetek van erre valami megoldas vagy ujj tv t kel neki venni a szobajaba??ha van valami atalakito vagy vmi ilyesmi akkor lecci kuldjetek vagy segitsetek elore is koszi
Nem igazán próbáltam még , DVD-n az rgb jelek is ki vannak vezetve?
Mert régi videónál még a kapcsoló jel sem volt,szerintem egy két TV -n sem láttam az RGB kimenetet gondoltam DVD-n is típusfüggö .Akkor pedig fele scart-monitor átalakító rajz eleve kukára van ítélve.
Ugyan az a kérdésem (szerintem ez is típusfüggő).
DVD-n, ott a SCART-on az RGB. (mindegyiken)
Sziasztok!
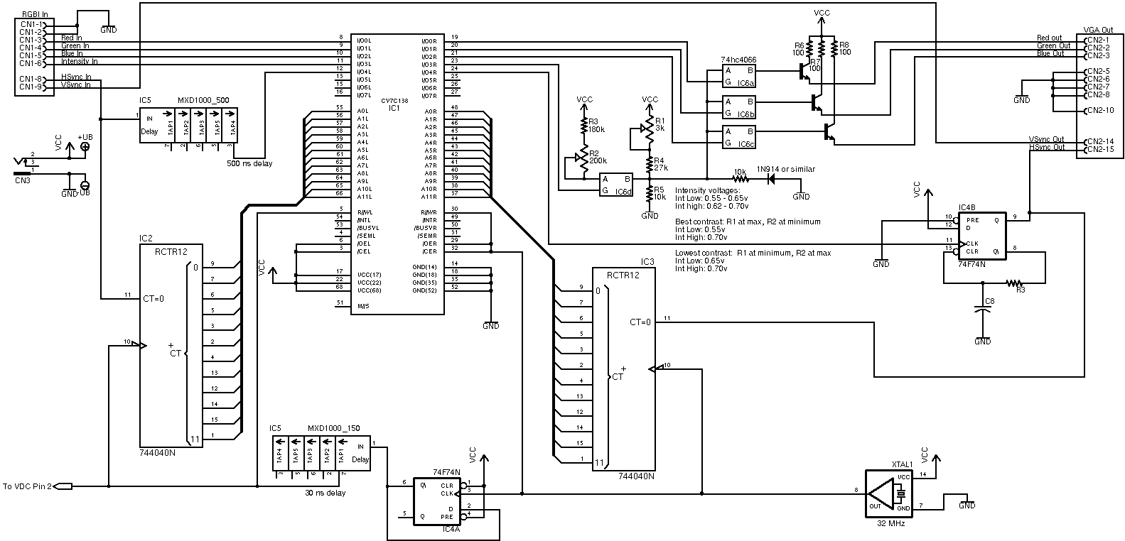
Találtam a témában egy csemegét, amit talán meg is lehetne építeni... http://pinouts.ru/VideoCables/scart2vga_scheme.shtml jó szerencsét... Üdv Ja, mégvalami: A probléma abból adódik (amennyire utána olvastam), hogy az LCD monitorok 5V-os feszkóval működnek... A SCART pedig 3.3 V körül operál... szóval ahogyan azt olvashatjátok más fórumokon, a jelek szétválasztása mellett ez is probléma lehet...
Nem tudom, milyen 5 és 3.3V-okra gondolsz. Itt VGA-ról és SCART-ról van szó. Ha az RGB jelet nézzük, az 0-0.7V vagy 0-1V közötti tartományban működik. A szinkronjelek tudomásom szerint digitális jelszintűek a VGA-nál, SCART-nál pedig a kompozit videojelről lehet leszedni őket.
Amúgy a belinkelt rajzban az LM1881 az pont a szinkronjel-leválasztást csinálja, tehát az a része biztos jó. A többi meg nem tudom, miért van ennyire elbonyolítva, de őszintén megmondom, hogy ez a rajz egyébként is olvashatatlan. Nem értem, ha valaki csinál valami elektronikát, azt miért móricka-rajzban kell közzétenni. Itt nem lehet tudni még azt sem, hogy a SCART melyik jeleit használja fel, mert csak lábszámok vannak ott. Ugyanígyaz IC-knél. Fejtse vissza valaki, akinek van kedve és ideje hozzá, nekem sajnos nincs minden IC és csatlakozó bekötése a fejemben.
Bocs, lehet hogy valamit férre értelmeztem annó amikor erről a témáról gyűjtöttem anyagot... ott volt szó az 5 V -os jelszintről ... (Bocs, de csak ugatom az elektronikát, csak hobbi szinten foglalkozom vele és azt is nagyon alacsony szinten)
Találtam még egy rajzot, ami talán használhatóbb... Ez az XBOX-hoz készített átalakító rajza. Őszintén szólva próbáltam megépíteni próba nyákon, de valahogy nem igazán sikerült. Elvileg jólcsináltam mindent. Rákötöttem a video lejátszó scart csatlakozójára, de a monitor átváltott stand by-ba... (LCD monitor volt) kipróbáltam normál monitorral is, de azon csak nagyon halovány vizszintes csíkok voltak a képernyőn, amik össze-vissza ugráltak Lehetséges az, hogy a táfeszültséget szolgáltató adapter nem volt megfelelően stabilizálva? Használhatom forrásként pl. a PC tápját? (persze csak a próba kedvéért, mivel ugye az lenne a cél, hogy azt ne kelljen bekapcsolni) |
Bejelentkezés
Hirdetés |






... ahol meg igen, ott meg van RGB






