Fórum témák
» Több friss téma |
Fórum » DVD lejátszó monitorral (SCART - VGA átalakító)
Témaindító: _zol, idő: Jan 25, 2006
Témakörök:
Bocs, lehet hogy valamit férre értelmeztem annó amikor erről a témáról gyűjtöttem anyagot... ott volt szó az 5 V -os jelszintről ... (Bocs, de csak ugatom az elektronikát, csak hobbi szinten foglalkozom vele és azt is nagyon alacsony szinten)
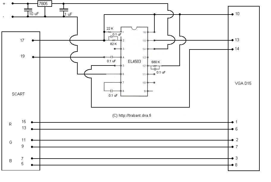
Találtam még egy rajzot, ami talán használhatóbb... Ez az XBOX-hoz készített átalakító rajza. Őszintén szólva próbáltam megépíteni próba nyákon, de valahogy nem igazán sikerült. Elvileg jólcsináltam mindent. Rákötöttem a video lejátszó scart csatlakozójára, de a monitor átváltott stand by-ba... (LCD monitor volt) kipróbáltam normál monitorral is, de azon csak nagyon halovány vizszintes csíkok voltak a képernyőn, amik össze-vissza ugráltak Lehetséges az, hogy a táfeszültséget szolgáltató adapter nem volt megfelelően stabilizálva? Használhatom forrásként pl. a PC tápját? (persze csak a próba kedvéért, mivel ugye az lenne a cél, hogy azt ne kelljen bekapcsolni)
Ja igen... azt elfelejtettem megemlíteni, hogy sajna csak SMD IC-ket kaptam és azokat próbáltam beforrasztgatni vékony drótokkal... elvileg sikerült is... vagy mégsem?
Idézet: Mert nem stimmelt a freki. Kamu volt a kapcsolás szerintem.(nem véletlen az ilyen hardwerek borsos ára) :yes: „csak nagyon halovány vizszintes csíkok voltak a képernyőn, amik össze-vissza ugráltak”
lehet az gond , hogy 16:9 arányú az LCD? mondjuk a sima monitor az normál volt ...
ez az kütyü az XBOX átalakítós csoda volt amit kicsit fentebb csatoltam
helló tud esetleg valaki nekem abban segíteni, hogy egy monitort valahogyan rákötni egy dvd lejátszóra a válaszokat előre is köszönöm
Szerintem tektonic-nak pont a fordítottja kell. SCART-ból akar VGA-t, elvégre a DVD képét akarja látni egy VGA monitoron.
A megadott linkek alapján ez http://pinouts.ru/VideoCables/scart2vga_scheme_pinout.shtml
Első lehetőség: veszel "sima" videójelet is fogadó monitort,
Második: veszel egy VGA jelet is kiadó DVD-t, Harmadik: veszel egy gyári átalakítót. A legtöbb barkács megoldás működésképtelen-mókusvakítás! :yes:
Szia!
Ez nem jó, mert VGA -t alakítja SCART-ra.... neki és nekem fordítva kellene ugyanez Ezt viccnek szántad ugye? 2 ellenállással közösitve a horizontális és vertikális szinkron.... A tv meg majd kitalálja a többit... :bummafejbe:
Heló van egy nem használt monitóróm az asztalon porosodik. Szeretnék csinálni egy egyszerű átalakított a dvd-hez 100-lábun keresztül. ha van valakinek kapcs rajza külgyétek már el köszi Heló
Erről az átalakítóról pont ebben a témában volt szó, hogy "majd az ütemezés meg megy magától",
tehát ez NEM JÓ, mert a jelek ütemezését ez nem oldja meg!
Sziasztok!
Szeretnék én is egy régi monitoromra egy dvd lejátszót rákötni, így sok-sok böngészés után végül találtam két kapcsolási rajzot, melyek Scart-ból Vga-t alakítanak. A kapcsolásokat csatoltam. Üdv!
Olvaslak benneteket és az jutott eszembe, hogy olyan kapcsolás kellene nekem amelyik a szinkronjeleket visszacsomagolja összetett videojellé.
van egy csomó olyan monochrom monitorom amelyikeknel ilyen kellene, nekem meg a kimeneten már szétdobva vannak a jelek. hallottatok már ilyenről? üdv pomek
Bővebben még bocsika...
tehát hercules monitor helyére kéne kötni valamit. Ezt próbáltam leírni virágnyelven az előbb pomek
Üdv! Szerintetek ez a rajz használható? Nekem túl egyszerűnek tűnik. DVD-t kötnék TFT monitorra.
nagyon szeretném megcsinálni h a monitort valahogy rákötöm a dvd-re!!meglehet csinálni ,mert már az egyik ismerösöm megcsinálta csak nem igazán vagyok vele joba és nem akarom megkérdezni töle!!ezért hozzátok fordulok hátha tudja vki!
Hello hogy kell monitort dvd vel kötni hogy műkszön?
én is azt szeretném tudni!
nikolatesla te tudod v csak te is kérdezted?
kérdezem
értem,és is nagyon szeretném tudni mert van fölös két monitorom és hogy ne csak porfogo legyen
Témanyitás előtt keresni is lehetett volna. Mivel nekem kellett helyetted, Tranyóka segítségével megtalálhatod a Szabályzatban az erre vonatkozó pontot, ajánlom - a többivel együtt - alaposan átolvasni, megérteni, és a jövőben aszerint cselekedni.
Kell venni egy TV-kártyát. 12 ezer ft-nál kezdődik.
Hoppá, hoppá!
Van sima SCART-VGA átalakító 30 dolcsiért: Optoma sőt, van olyan, hogy: "Optoma BC-STVGYX00 SCART Female to VGA/S-Video Male Adapter Compatibility with All Models, Self-adhesive backing holds wire in place, Ultra flat wire, less than 1/32" thick (BC STVGYX00 BCSTVGYX00)" és ez csak 16 dollár.
Sziasztok!
Hol lehet itthon kapni scart-ról Vga-ra vagy DVI-re átalakító adaptert? Szeretném a műholdvevő beltéri egység scart kimenetét a monitoromra kötni és azon nézni. Üdv mindenkinek és boldog karácsonyt!!
Köszi de nekem pont az ellenkezője kellene Scart to Vga.
Az általad belinkelt oldalon pedig a Vga to Scart látható. |
Bejelentkezés
Hirdetés |





Ezt viccnek szántad ugye? 2 ellenállással közösitve a horizontális és vertikális szinkron.... A tv meg majd kitalálja a többit... :bummafejbe: 







