Fórum témák
» Több friss téma |
Üdv !
Junkers Ceraclass kombi gázkazánom a fűtési szezonban 2-3 naponta, néha gyakrabban kikapcsol ( áramtalanítja magát ). Ilyenkor a bekapcsoló gombbal újra be kell kapcsolni, normálisan működni kezd majd néhány napon belül újra kikapcsol. Esetleg van valakinek ötlete, hogy milyen irányban kezdjem el keresni a problémát ?
Szia!
Az alaplapon keress forrasztási kontakt hibát. A táp részénél kezd. Z
Sziasztok!
Van szüleimnek egy Vezúv K10-24 kombikazánjuk ami a szezon kezdete óta folyamatosan rosszalkodik. Az őrláng időközönként elalszik. Hívtak szerelőt is, de ő csak kitisztította és annyit mondott, hogy ki kellene savazni. Megkérdezték tőle, hogy mért alszik el a láng erre azt mondta hisz ég (persze, mert meg lett újra gyújtva). Pár éve már volt ilyen akkor egy másik szerelő azt mondta nem javítható és ki kell cserélni a készüléket (mert az csak így megy..). Akkor utána olvastam és azt találtam, hogy a termoelem lehet a rossz amit Bp.-en tudtam beszerezni és kicseréltem utána jó lett. Most újra arra gyanakodtam, ki is cseréltem, de ugyan úgy elalszik vagy épp nehezen lehet meggyújtani az őrlángot. (nem gyullad meg a gáz) Szóval az a kérdésem, hogy esetleg valamelyikőtök találkozott-e már ilyennel. Esetleg aki ismeri ezt a típust tudna tippet adni, hogy mi lehet a baja. Ja a készülék 1997-ben lett beüzemelve. Segítségeteket előre is köszönöm!
Szia!
Szedd ki az őrláng pipacsövet, és fújd ki. A levegő (injektornál) keverőnél van egy picike kalapos fúvóka, azt is pucold ki egy drótkefe egy acélszálával. Akkor visszaáll a láng normál magasságra. Akkor nézd meg, hogy pont a termoelem beleér-e a lángba. 10-es villáskulcs segítségével egy picit még húzz rá a termoelem hatlap anyájára. A többit inkább bízd gázszerelőre légyszíves, nehogy baj legyen belőle!
A termoelem iszonyu alacsony feszultsegen, de nagy aramon jar, a legkisebb kontakthiba, koszolodas, korrozio eseten mar nem jol mukodik. Ezert mielott visszateszed es rahuzod a csavart, jo erosen kapard meg a rezet korbe valamilyen eles dologgal, hogy fenyes legyen - ha tudod, akkor a feszket is. Legjobb persze a smirglis takaritast koveto alkoholos tisztitas.
Ja es persze belul a gazszelepet is erdemes megnezni, mert sokszor van, hogy a tekercs forrasztasa elreped, kontakthibas (pl. nalam a torok gaztuzhelyen a Bosch szelepek kozul 4-bol 3 egy even belul). A hozzászólás módosítva: Jan 4, 2017
Termoelem 18-25 milivolt feszültséget ad le.
Éles szerszámmal nem szabad kapargatni, mert megsérted a patron hélyazatát, inkább pici lágy drótkefe. Gázszelephez inkább ne nyúljon, ha nem szakember, mert nagyobb baj lehet belőle!
Sziasztok!
SD F30E nyomásesés, kopogás témát folytatva: Ünnepek alatt egész jól viselkedett a kazán. Előzmény: A szaki egy vegyszeres kompresszoros (irányváltós) átmosűst csinált a kazbántesten, a gyári szivattyú házára csatlakozva. A kiegyenlítőtartály motorszelep belsőjét (ami ereszet) nem sikerült kicsavarnom (kaptam betéteket, réz kupakot ami szerszám is egyben), de felfújtam 1.3barra - elméletileg 1.0-ra kell - és teflonnal tömítve a fémkupakkal lezártam). Egyre lassabban és nem annyira alacsonyra csökken a nyomás. Viszont a programot úgy állítottam át hogy 50C fok fölé ne engedje a számított hőfokot. HMV-re kapcsolva így is hirtelen nagy teljesítménnyel akar menni, és előfordul hogy kopogni kezd (halkabban mint korábban), így a bejövő vízcsapot visszakellett vennem, hogy kisebb átfolyással menjen. (Lassabban telik meg a kád.) Közben a rendszerben hallható zajok (szörcsögés, buborék és részecskék vándorlása) miatt olvasgattam a neten. Szerintem az egész problém ebből fakad, nem a kazántest a hibás.. MEGOLDÁS (szerintem): Mikrobuborék leválasztás az ELMENŐ ágon, és erős mágneses iszapleválasztás a visszatérőn. Nekem az elmenőn semmi nincs. A visszatérőn egy Flamco Clean van ami PALL gyűrűkkel van tele, de ez tapasztalatom szerint a nagyobb összeállt iszeap-vízkö darabokat fogja csak meg. Elmenőre egy Flamcovent-et gondoltam rakni (abban is vannak PALL gyűrűk, és fent egy precíz úszós lautomata légtelenítő). A radiátorokra néztem angoloknál Aladdin Automaic Radiator Bleeder-eket. A gyári manuális légtelenítő helyére, vagy a vakdugó helyére betekerhető. Magyar forgalmazőt nem találtam, angoloktól rendelhető (7 font/db kb). A MAGNECLEAN féle megoldás lenne egy hatékony válasz az iszapleválasztásra. Erre jött az ötlet, hogy ezt házilag is lehet kombinálni: Fillérekért lehet már szupermágnest (szupermagnes.hu) venni, ha ilyen korongokból egy rudat alkotunk, és ezt berakjuk a meglévő szűrőbe, az tökjól összeszedi a cuccot. Csak ugye meg kell oldani az ürítését is. Nekem a készen kapható Magnaclean doboz csak átalakítással férne el, mert eleve vízszintes a visszatérőm, ezért gondolkodtam házi megoldásban. Szerintem ez a Neodym korongos megoldás lehet hogy erősebb mint a gyári Magnacleanben lévő (vagy abban is ugyanaz van). Valaki már foglalkozott ezzel? Annyi a kérdésem, hogy a Neodym elvileg max. 80C fokig bírja. Visszatérőben elvileg ilyen hőfok soha nincs. Mennyire árthat neki ha mondjuk 50 fokos vízben van állandóan? (Az ára miatt akár cserélhető is rendszeresen )
Sziasztok! Kis segítséget kérnék, van egy Ferroli new elite kombi kazánom,ami minden induléskor 6-7szer indit szikrát ad lángot is gyujt, de olyan kicsi a láng hogy kialszik, majd újra indit. Milehet a baja?
Szia!
Gázszeleped letapadt, vagy a bemenő gázcsonkon van egy fémhálós szűrő, az dugulhatott el. Nem kap gázt a fúvóka-sor.
Szerintem egy kissé túl lihegted.
Flamco aktív mágneses szűrőt neki, a visszatérő ágba. Ürítéséhez a szűrő előtt-után golyóscsap. 90fokos autómata légtelenítők a radiátorok végébe. (aldi-ba egyszer volt 2darabos szettben nagyon kúltúrált extra lapos radiátor végébe autómata légtelenítő, amit úgy elvittek mint a cukrot! Azóta sem volt! Pedig lenne rá igény!)
Sziasztok,
Kombi gázkazán hibám van. A meleg víz csapot megnyitom és egyáltalán nem jön víz, sem hideg sem meleg (a hideget megnyitom jön víz, tehát víz az van). Fűtés működik. Reset megvolt. Mi lehet a probléma? Tisztítás "savazás" ősszel megvolt. Egyik meleg csapból sem jön víz. Gázkazán: Saunier duval semia c/f 23 e Köszönöm
Szia!
Van benne egy vízszűrő, az eldugulhatott. Zárd el a bemenő vizet! A a bemenő csonk közelében van, egy U-alakú zégerrel van rögzítve. Fehéres színű kis cupák. Észre fogod venni. Eltolod a zégert, majd kihúzod!Benne van a szűrő. Vagy már találkoztam olyannal, hogy a cirkó bekötésénél lévő elzáró halt le.
Sziasztok!
Nekem egy Immergas Mini Eolo 24 3 E kazánom van. A csapvíz jó, de a fűtés nem működik a legjobban. Először elindul jól, felfűt rendesen aztán megáll "pihenni". Amikor újra elindul akkor pár másodperc alatt felmegy 45 celsiusról 65 celsiusra (ilyenkor hangosabb is a megszokottnál), aztán leáll és kírja a 27-es hibát ami az "elégtelen keringés"-t jelenti (insufficient circulation). A leírás szerint okozhatja hogy levegős a rendszer vagy hogy a szivattyú blokkolva van. Ilyenkor ha letekerem a fűtést, megnyitom a melegvizet egy kis időre, visszatekerem a fűtést egy időre normálisan működik tovább, de általában nem sokáig. Már rengetegszer felmásztam a létrán csavarhúzóval kiereszteni a levegőt ahol kell, volt amikor jött de már nem igazán. Próbáltam nézni a csöveket is, hogy van-e valahol nedvesség szivárgás miatt, de nem találtam semmit. Szóval lehet hogy a szivattyúval van probléma (vagy mással), de nincs igazán tapasztalatom ezzel és nem tudom mihez kezdjek. Megköszönném ha tudna valaki tanácsot adni.
Szia!
Ha a melegvíz noszogatásra elindul, a váltószelepre gyanakszok. Megakadhat fél állásban. Kiszedném a hőcserélőt kitisztítanám, és szétszedném a váltószelepet. Ez még ha maga csinálja az ember, nem kerül sokba. Utána kiderül hogy a tiszta áramlásnál hogy viselkedik a szivatyú!
Sziasztok!
Köszönöm a tippeket! A felsoroltak közül egyedül a gázszelepet nem tudtam leellenőrizni. Valószínű az okozza a hibát. Természetesen ahhoz szerelőt fogunk hívni, remélem meg is fogja tudni csinálni. A fűtés során mikor megy a főégősor akkor egyszer csak elalszik a gáz (az őrláng és a főégősor) meg közben van egy kattanás gondolom akkor zárja el a gázt az elektronika. Üdv.
???
No, álljunk csak meg! Ha működés közben egyszer csak kialszik az őrláng is, és kattan,akkor a felső-hőmérséklet biztonsági kapcsoló retesz old ki!!! Az attól old ki, hogy megnövekszik kritikusan (95fok) a hőcserélőben valamitől a hőmérséklet! Az vagy attól hogy eldugult a hőcserélő, vagy nem viszi el a hőt a keringető szivattyú!
Ha nem vinné el a hőt, akkor a radíátorok nem lennének melegek. Inkább akkor el van dugulva (esetleg vízkőves). Nem?
Az nem vízkő ami a fűtési rendszerben van, az iszap, ami lesült.
A szivattyúnál nem hallasz kis kottyanó, kerregő hangot? Van mikor elviszi, de beakad, aztán megy tovább...
Nem semmit, ahogy eddig se. A radiátorok is jól felforrósodnak mikor fűt. Dugulás lehet a hőcserélőben ahogy írtad. Amúgy csak kiszerelt állapotban lehet vagy is célszerű tisztítani? A mostani fagyos időben nem lesz egyszerű ezt megoldani.
Igazából a készüléket kellene rákötni mosó gépre, de az sok idő, és sok pénz.
De jobban jársz ha kiszeded, és te savazod ki. Pár óra alatt megcsinálod! Vigyázz, ha szétszeded, nehogy eláztasd közben az elektronikát!!!
Úgy nézem, hogy aluminiumötvözet a hőcserélő. Milyen anyagot használjak a savazáshoz? Elég, ha csak bele merítem és ázik egy kicsit?
Nem, a belseje a lényeg.
Nem mindegy mivel "savazod"! Olvass utána mivel lehet szilícium-alumínium ötvözetet tisztítani, mert nem mindegy! Szerintem citrom sav lesz, de ennek utána kell járnod! Nekem vegyészmérnök állítja össze a tisztító anyagot.
Szia! Tényleg az volt a baj! Ki porszívóztam és sűrített levegővel ki fújtam az egofejet, azóta tökéletes a cirkó!
Tényleg évente ezt meg kell csinálni! Köszi!
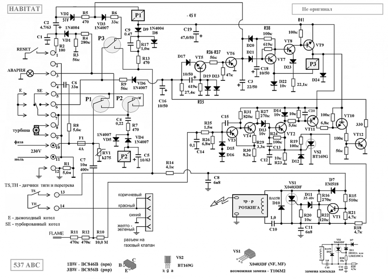
A probléma megint előjött ezzel a vezérlővel.
Csak most éppen a F1 hibakód van kapásból.Ezt a P1 relé behúzásával "küldi" a kazánnak. Bekapcsolás után átvált és a reset sem törli. Mit lenne érdemes megnézni? Bővebben: Link
Üdv!
Radiant RBS 24 kombikazánom van, egy éves készülék. Olyan problémám adódott, hogy nem fűti fel a lakást arra a hőfokra, ami a termosztáton be van állítva. A termosztát adja a jelet a kazánnak (legalábbis a termosztáton megjelenik a jel), a kazánon pedig villog a fűtésradiátor jele, viszont nem kapcsol be és nem fűt. Aztán gondol egyet és bekapcsol a fűtés, ez tart 1-2 percig, majd újból kikapcsol, pedig nem éri el a hőmérséklet a termosztáton beállított értéket, attól messze elmarad. A kazánon viszont folyamatosan villog a fűtés jele. Hibakódot nem mutat. Mi lehet a probléma? Segítségeteket előre is köszönöm. A hozzászólás módosítva: Jan 10, 2017
Az nem fordulhat elő, hogy ha nem lehet "resetelni" akkor valamelyik biztonsági periféria leoldott?
Tekerd feljebb a víz hőfokát. Ilyen cudar hidegben kell a 60fokC előremenő bőven. Ha nincs meg, akkor nem is tudod felfűteni a lakást.
A fűtés 65-re van állítva, a víz 45-re. A vizet rendesen felmelegíti, azzal nincs gond. Amikor belobban a láng megjelenik a jele majd eltűnik majd újra megjelenik és így tovább aztán egyszer csak élvezd felfelé menni a kijelzőn lévő szám egy darabig, majd kb 2 perc után elindulás lefelé a szàm és kikapcsol a kazán, közben villog a fűtés jele. Amikor nem megy a kazán akkor 38-at ír ki.
Nah , végül dülőre jutottam.
A presszosztát volt KH-s. Ez miatt lehetett a hibakód is. Manuálisan sikerült a vezérlőpanelt resetelni. Egy darab vezetékkel testre kötöttem a az 1.-es érintkezőt egy pillanatra. Ami nagyon durva, hogy az előlap reset gomb nem csinálta ugyanezt. Pedig nem lett agyonnyomkodva. Szóval köszönöm a választ. Egyenlőre ok. Ha a hiba nem jön vissza akkor felderítem, miért nem megy a reset gomb.
Sziasztok!
Van nekem egy Beretta Idra Exclusive 24i kazánom. 20 éves darab, eddig egészen jól teljesített, most azonban nem működik. A hibajelenség a következő: fűtőkör megy, HMV nem megy, azaz nem kapcsol be, ha kinyitom a meleg vizet. Nem is szikráztat olyankor. Kezdetben úgy oldottam meg, hogy ha ment a fűtés és akkor nyitottam ki a meleg vizet, akkor nem kapcsolt ki. Most már ez a megoldás sem játszik. Mi lehet a baja? Váltószelep? Áramláskapcsoló? Váltómotor? Köszi! |
Bejelentkezés
Hirdetés |





