Fórum témák
» Több friss téma |
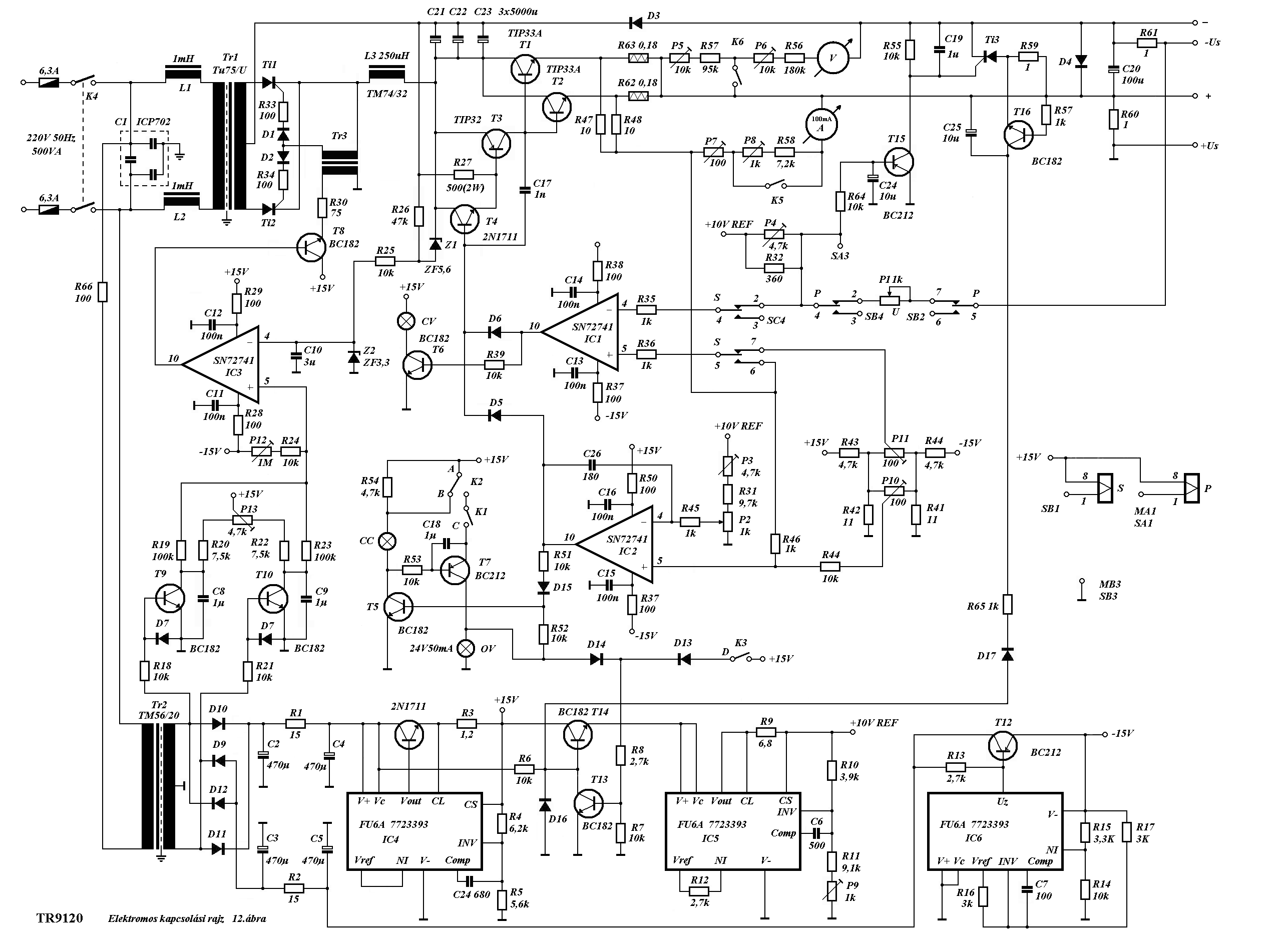
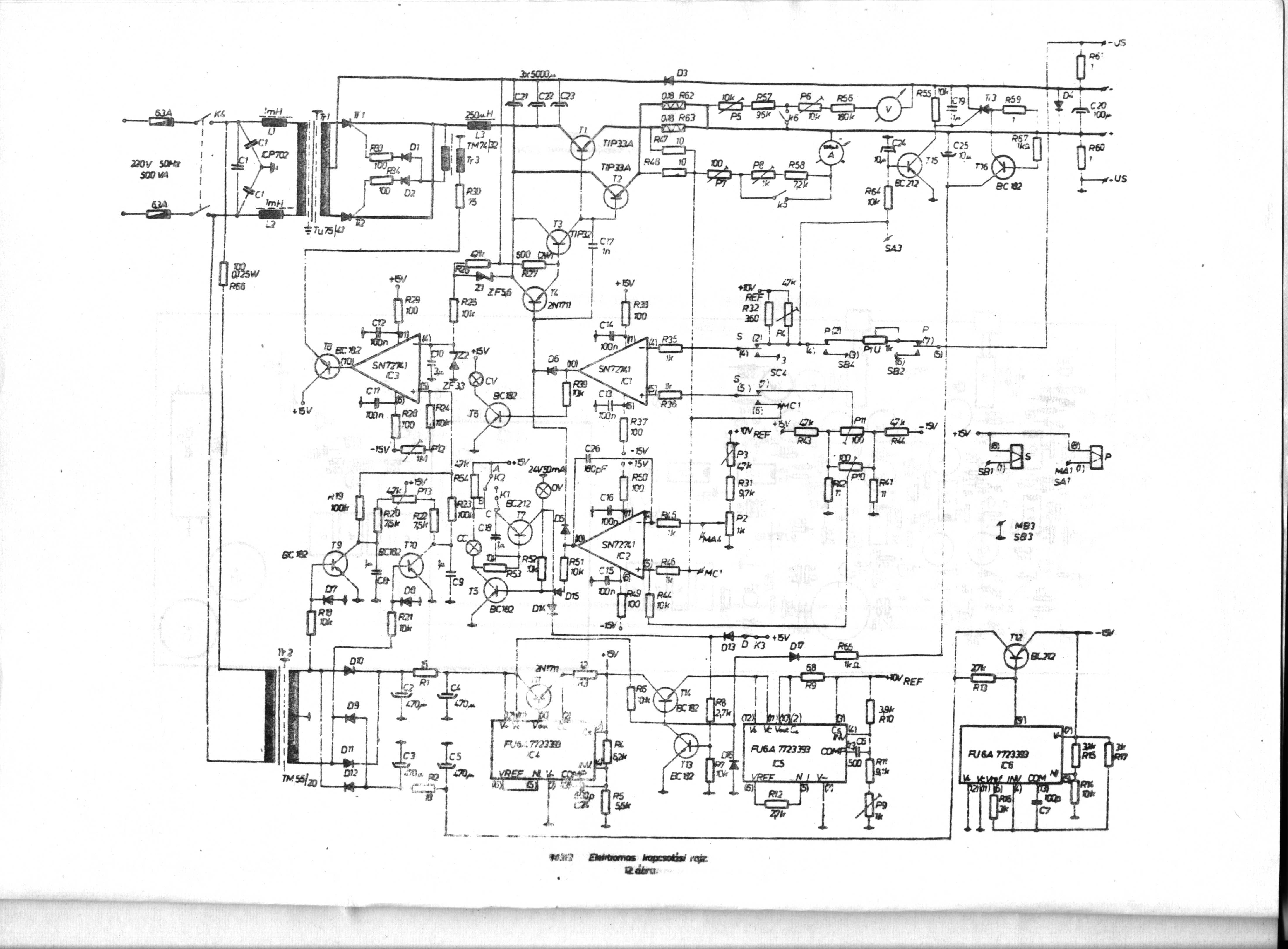
A napokban kaptam egy nem működőképes:no: ,de lehet még javítható tápegységet (lásd fájlmellék) a kapcsolási rajzát keresem. tipusa: TR9120
ha valaki ismeri kérem segítsen..
Itt találtam utalást.
Idézet: Idézet: „jana123 Érdekel vkit a TR9120-as táp kapcsi rajza? 0-10A, 0-30V, tirisztoros előszab. Végre sikerült megszereznem! Jó kis rajzolat Üdv! JANA” innen lehet privit küldeni. remélem eléred...
Köszi a segítséget,sikerült elérnem Janát el is
küldte nekem a rajzot
hzsolt77!
Na örülök... Nem osztanád meg? Jana, szerintem nem haragudna meg...
Dehogynem (Jana utólagos engedélyével és köszönet érte
)Mellékelem íme:
Így kicsit kevesebb helyet foglal, + jobban néz ki.
Valaki nézze még át.
Szevasztok! Szeretnék segítséget kérni a HIKI által gyártott TR9120-as tápegységben. A hibája a következő:
Amikor bekapcsolom a CC lámpa világít--viszont a kimeneten nincs feszültség-- nem lehet szabályozni! Mi lehet a baja? Kérem aki tudja a megoldást a hibára segítsen!
Helyesbítek a CV lámpa világít...a CC sötét... A műszerek meg felugranak bekapcsoláskor. kikapcsoláskor meg szép lassan visszamegy a mutató.
Szia Sebi, milyen programmal rajzoltad?
Koszi!
igen az!
0-30V 0-10A Tirisztoros előszabályozású táp Javításban tud valaki segíteni??????
Nekem is kellene valami rajz, mert amit találtam nem stimmel egészen. Van 1 tranzisztor és egy ellenállás a T3 és P10 alkatrészek közt amit nem tudok beazonosítani, hogy melyik az. A hűtőbordán nekem BD249esek vannak nem pedig a TIP33, ezen kívül több alkatrész van benne mint ami ide van feltéve. Akinek lenne ehez a verzióhoz rajza azt megköszönném ha ide feltenné vagy elküldené mailba.
Sziasztok!
Én is most szórakozok egy ilyen táppal... A két rajz között annyi a különbség h a fűrészjel előállításnál már nincs benne a P13 trimmer és T8 után a R30 100 ohmra változott, bekerült elé egy 1N4148. Ja és az inpulzus trafónál is a primer oldalon a föld és az R30 és impulzus trafó csatlakozásához. A többi kb. ugyan az. Megvan a másik rajz is csak nem tudom beszkennelni... ![]() Üdv. A hozzászólás módosítva: Jan 13, 2013
Szevasztok! birtokomba van egy tr9120 tápegység, van egy olyan nagy bajom vele hogy nem működik,cseréltem benne 2db Tip33 és 3db Ti1;Ti2;Ti3-mat helyette bt152 tettem be és még mértem a segédtrafót 2x20voltot ad le. Ha bekapcsolom akkor megmozdul a voltmérő ha kikapcsolom akkor fentebb megy.Tanácsot kérnék,hogy mit nézzek meg rajta hogy működjön.
Köszi Laci
Szia!
Áteresztő tranyókat, 10 V referencia feszültséget ( ennek 0,5% belül kell lennie , érzékeny rá nagyon ), van benne ( áteresztő körben ) egy bfy46 lehet h kimérve jó de érdemes cserélni. Meg kell még nézni a tirisztoros előszabályzás háromszög jelét és h a fázisszöge jó-e. Ha nem jó akkor nem fog elindulni a szabályzás, beállítása a p12 trimmerrel. Gondolom a +-15os tápok megvannak. Persze az elkók cseréje után érdemes nézelődni, nekem is évek óta szolgál kettő hibátlanul...
+15V-ból csak 7V van vagy ic vagy további áramkörben van gubanc.Ha van 15 V akkor megnézem amit mondtál. köszönöm a segítséget
Igazán nincs mit.
Ami lemarat 741 is szeret dögleni javítás közben.
Sziasztok! Még egy kis segítségre lenne szükségem ha valaki segítene. Az a gondom a tápegységgel hogy minden jó benne de mégse megy,vagy is ha a p12 potit eltekerjük akkor beindul. Ilyenkor sem lehet szabályozni a helipotival. Ebben kérnék tőletek segítséget hogy kellene megnéznem.Előre is köszönöm
Szia!
Akkor nem minden jó benne.... Ami írtam azt nézted benne? 741-ek nem döglöttek benne? Tehát a tirisztorok mennek benne, tápok ok, referencia fesz. 10.00, puffer elkók cserélve, fűrész jel megvan? Van gépkönyv de 31 mega.... Merre laksz? Üdv.
Én is egy ilyen tápegységet próbálok életre kelteni. Az előszabályozó tirisztorai feladták a harcot. Ezek helyett beépítettem 2U202N (400 V/10 A) típusú tirisztort. A beépítés után sem indult el a táp. Azonban, ha a gyújtótrafó primer oldalán lévő soros ellenállást (R30) kb. 40-50 Ohmra csökkentettem életre kelt. A probléma az, hogy a két tirisztor ugyan begyújt, de nagyon eltérően melegszenek. Gondolom párba kellene válogatni a tirisztorokat. Ebben kérném a segítséget, hogyan lehet ezt kivitelezni, milyen teszt kapcsolásra van szükség mit és hol kell mérni? Ami rendelkezésemre áll: multiméter, oszcilloszkóp és 20 db tirisztor a fenti típusból.
Sziasztok!
Napok óta javítgatok egy címben szereplő tápot. A 10voltos (ua723) referenciája két 741 és néhány tranzisztor csere után elindult, viszont 10 volt fölé nem tudom szabályozni. Sajnos két rajzból tudom összerakni az igazit mert egyik sem fedi a valóságot. Mi lehet még, mit nézzek meg? Kösz: Attila
én legutóbb 3 db fokgyem tirisztoros előszabályzóst javítottam meg sikeresen. Fel kell kötni a bugyit rendesen mert minden előfordul, pl nekem a 200 v/06A-esben egy 250v-os elkó ment zárlatba és vitte a tirisztort +az Mc1466-ot is...
Ez már rutin! Bezzeg amikor az MC is COCOM listán volt!
Ma már nem gond szerezni mC1466l-t a freescale (Motorola utód) gyártja e-bayon árulja a sok kis kínai. 3-4 hétre jön meg.de piszokul érzékeny jószág, mx 0,3 watt a tok disszipáció de a kimenete az max 10-20 mA és lebegő külön táp kell neki25-30V
|
Bejelentkezés
Hirdetés |












