Fórum témák
» Több friss téma |
Ha azt megcsinálod , hogy mindent visszaraksz a helyére , és csak a szekunder oldalon a trafó kivezetéseit szabaddá teszed , hogy tudj mérni váltó feszültséget , hogy ténylegesen megy e a primer oldal is .Amíg ez nem így lesz , addig nem lesz jó.Iktass be a 230v hálózati feszültség körbe egy 220v/100w os izzót , vagy a fázis oldalba , vagy a 0 oldalba sorba kötve .Az megvédi a mosfettedet nem fog tönkre menni.Ha ez az izzó erősen világít ,, akkor addig a primer körben hiba van , ha csak felvillan az jó.
A hozzászólás módosítva: Szept 20, 2013
Nagyon jól mondod!
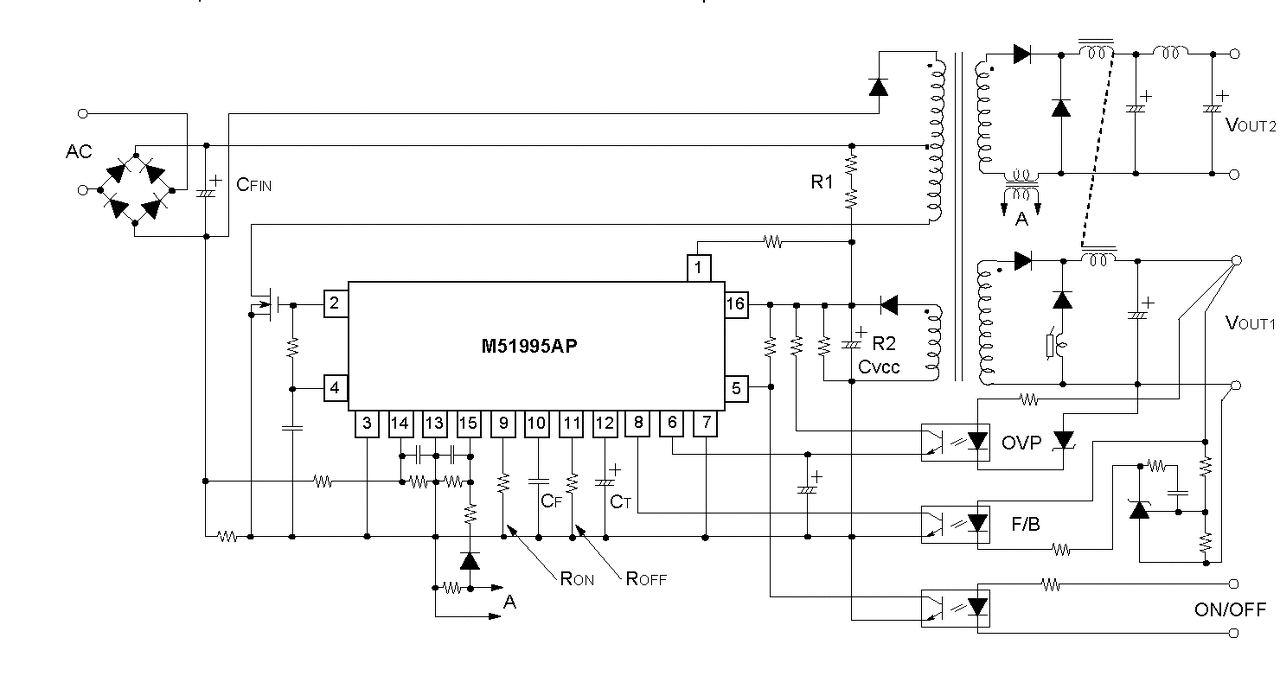
Egy kapcsolóüzemű tápnál nem lehet elválasztani a primer rész működését a szekunder körtől - főleg nem úgy, hogy kiszedjük a visszacsatolást adó elemeket. A két optó közül az egyik a normál kimeneti feszültség függvényében állítja a primer köri vezérlő impulzusszélességét, a másik - többnyire a LED-jével soros zener által meghatározott magasabb kimenőfesznél tilt. A legtöbb esetben az elsőként említett optó hibája vagy hiánya a primer köri kapcsoló FET eldurranását váltja ki, a visszacsatolás megszűnése miatt. A megsült zavarszűrő elég csúnya, lehet hogy már nem funkcionál, de a kamrák közt nem égett át, mert a pufferfesz megvan. Tehát a graetz is ép. Tomszojer: amennyit böngésztél utána, már kész lenne a visszarajzolás is... A kis álló panelen lévő vezérlő IC típusa alapján lehetne adatlapot keresni és abban a kapcsolási példákból okoskodni. A hozzászólás módosítva: Szept 21, 2013
Ha jobban megnézem,az egyik opto bemeneti oldalán,mintha kicsit púposabb lenne...
Nem találtam 100 Wattos izzót,így egy asztali ventilátor van bekötve a primer oldali biztosíték helyére. Az eredeti Mosfet K2137,a mostani K2843. Az opto-k vezérlőfeszültsége az IC panelről jönne. A PC2 opto bemeneti feszültsége 14 Volt. A PC1-nek semmi. Egyenlőre kiszerelt állapotban mérve.
Elméletileg van egy hozzászólás,csak valamiért nem látom....
No, ilyen típusú vezérlőbe még nem futottam bele, de igen korrektnek látszik.A FET-et vedd ki, anélkül nem lehet gond a mérésekkel - így kezdjük, jól tetted.
Idézet: „Az opto-k vezérlőfeszültsége az IC panelről jönne.” Épp fordítva - ahogy a rajzon is látszik - az optók a szekunder oldalról viszik a jeleket azIC felé, ami a hálózati potenciálon van. Meg kell mérni, mekkora tápfeszt kap az IC és ép e az a flyback dióda - ha van benne egyáltalán. FET source ellenállása megmaradt-e épségben, mert ha az felrobban, gyakran magával viszi az IC-t is - sajnos. Azért nem láttad,mert míg írtam,át lett helyezve a téma.
Ki kellene mérni , azt a kis panelt amin a vezérlő ic van.
Az smd alkatrészekre gondolok , ha ezek közül mindegyik jó lesz , akkor sajna az ic halott lesz .Mivel ez vezérli mind a két optó csatolót , és amelyik nem kap tápfeszültséget az ic felől az azt jelenti , hogy az ic nek az a kimenete kampec.Valószínű az az ic cserére fog szorulni. A hozzászólás módosítva: Szept 21, 2013
Kicseréltem az egyik optót.
A biztosíték helyére beraktam a ventilátor helyett egy 40 Wattos izzót,mert csak olyat találtam. Indításkor a lámpa egy pillanatra felvillan. A kimenő feszültségek:12 V helyett 10,76 Volt,a 3,3 Volt helyett 3,41Volt. A mosfet kicsit melegszik. Akkor most jó lett,vagy valami még nem stimmel? A 10,76 Volt mintha kicsit kevés lenne....
Az azért kevés , mert az izzó bekorlátozza .Ha csak felvillant az izzó , akkor szerintem nyugodtan mehet élesben is.És akkor helyre fognak állni a szekunder oldali kimeneti feszültségek is.
Az izzó felvillanása a pufferkondi feltöltésétől van. A feszültségek akár jók is lehetnek, mivel feltehetőleg - a rajzomon FB jelű - optót cserélted, nem azonos típusra. Ha van poti egyszerűen, ha nincs akkor némi rajzolás után beállítható lesz. Azonban nem biztos, hogy szükség lesz rá, hiszen a feszültség értékekből azt látom, hogy nincs rajta terhelés. Egy kapcsolóüzemű táp - hiába van több kimenete - csak egy feszültséget képes stabilan tartani, éspedig azt, amiről a visszacsatolással szabályoz (FB= feedback). A többi feszültség értékét a trafó menetszámaival állítják be a tervezett terhelést figyelembe véve.
Az biztos, hogyha a 3,3V-os kimenetet megterheled 30..40%-ra, akkor már láthatóan felfelé megy majd a 12V-os kimenet és talán beáll a 3,3V is. A hozzászólás módosítva: Szept 21, 2013
Feladatul kaptam, hogy egy Nintendo DS játékgépet elemről lehessen üzemeltetni, mert ahol használni kívánják, nincs hálózat!
Az adatok: Töltő kimenete 5.2V , 450mA Beépített akku 3.7V Li-Ion Kérdéseim a gépet ismerő szakemberekhez: 1.Ha a csatlakozó kérdést megoldom, akkor 4 góliát elemről tudom e üzemeltetni, mintha a töltőjét használnám? Sok e az a 0.8V pluszfeszültség ami a 4x1,5V-ból adódik? Ha igen akkor hogyan, mivel tudom a legegyszerűbben korlátozni a feszültséget? 2. Megoldható e, egyszerű módon, hogy a töltő bemeneten keresztül adok be 3.7V Feszültséget, kivéve az akkut és ott valami átkötést alkalmazva??? Ez esetben kell e korlátozni a 3x1.5V =4.5V feszültséget, amit 3 góliát szolgáltatna, 3.7-re? Ha igen, mert sok lenne a szerkezetnek, akkor hogyan?? Mivel? Nagyon megköszönném, ha valaki, hozzáértő tudna segíteni nekem! A feszültségszabályzásról, ha kell, egy rajzot hálásan köszönnék! Sajna már majdnem50 éve volt, hogy ilyeneket tanultam! Felejteni könnyen megy!! elérhetőségem, ha úgy egyszerűbb,: nyug@freemail.hu Köszönettel! György.
Szia első megoldás lenne szerintem a nyerő mert nincs 1.5v egy elemben sem, meg az a kis pluszt úgy is leszabályozza nintendo.
Köszönöm!
Valószínűleg ezt fogom választani, de azért megköszönném ha valaki lerajzolná, hogy egy zenner diódával, mondjuk 5.5 el, hogy tudom korlátozni a feszültséget! Lehetőleg úgy hogy ne terhelje állandóan! Nem az enyém a gép és szeretném ha sokáig menne! Köszönöm bárkitől is a segítséget!
Az a 1.5volt csak névleges feszültség atoll lehet több vagy kevesebb. Szerintem próbáld ki 3db elemről mert a töltő helyére dugod ugye akkor 4.5voltot a nintendo úgy is leszabályozza 3.7 (vagy nem tudom hogy menyire) ami neki kell. Töltője egy sima adapter a nintendo-ban van benne a töltés vezérlőelektronika. Csak nem tudom hogy mekkora a maximális feszültség amit kibírna tudni kéne a töltés vezérlő icnek a típusát mert az is lehetséges hogy 6 voltot is simán leszabályozna.
Szerintem egy zenner dioda magában kevés lenne kár is lenne pocsékolni az energiát inkább 3db elem a töltő helyére ( az 4.5 +- 0.3 volt). Remélem hogy érthető hogy mit akartam ki fejezni?
Sziasztok!
Nem találtam a kérdésemre megfelelő témát ezért nyitottam. A lényeg: van egy nintendo wii-m szereztem hozzá egy cyberbike biciklit, ami gyakorlatilag egy gamecube vezérlő. A problémám az, hogy nincs hozzá kábel. A biciklin egy USB "B" (nyomtató usb) aljzat van a wii fele pedig egy gamecube dugóval kellene csatlakoznia. Tud valaki segíteni egy usb-s kábelt elvágnák meg van rossz gamecube vezérlőm és a kettőt kellene összedrótozni. Válaszokat, segítséget köszönöm. Üdv.: Norbert A hozzászólás módosítva: Jún 8, 2015
Köszi, de nem erre gondoltam. Én WII-hez szeretném kötni a bicajt ahogy az ki van találva gyárilag. Csak a kábelem hiányzik ami létezik csak nem lehet kapni sehol. A biciklit meg még nem tudom szétkapni mert nincs (már jön) Y hornyú csavarhúzóm, hogy rálessek a panelre ami benne van és azon van az USB-B csati. A képen a bicaj a kábel ott van előtte egyik fele USB-B a másik GameCube. Köszi.
Sziasztok!
Törit nem tartok de találtam itthon egy famicom klónt. Sárga kazettás gépezet. Bekapcsol képet ad... gondoltam kipróbálom hátha hajlandó kazettával életre lehelődni. Sikertelen volt a kísérlet mert hogy kazetta nélkül egy fix képet ad zúgással. Kazettával resetet hiába nyomva kicsit másabb kép jön be de semmi más életjel. Esetleg megpróbálnám újraépíteni de ahhoz kéne egy kapcsolási rajz és pár IC neve ami van benne mert ezek a sárgák nyákra integrálták a csipet... Ha van valakinek ötlete megköszönném A klón kapcsolása érdekelne, régen megleltem az eredeti famicom kapcsolását már de hát azzal nem érek semmit Köszönöm előre is. ![]() Üdv
don_peter:
Idézet: „A15 alapból kimarad, ott a címvezérlés ugrik egyet. Mivel 8bit-es az adatbusz és byte módban kell kezelni a memóriát, D15 lesz A0 vagy is a cím vezérlés egyet jobbra ugrik, ezáltal az A15 már amúgy is ugrana HI-re mivel az már a felső tartományba esne mint A16 vagy is a HI A0, de ügye az nem kell, csak akkor ha a ROM tartamat megosztod, ha nincs megosztva, akkor arra nincs szükség. Tehát a 16bit-es tartomány byte módban D15:A14-ig tart, majd A15 kiesik és A16:A23-ig lesz a felső 8bit.” Nem igazán tudom, hogy mi hogy van a kártyáidon bekötve, és nem tudom mit értesz a megosztott alatt. Viszont ha a kártyádon teljesen kihagyod a SNES-től jövő A15 cím vonalat, akkor egy HiROM típusú játék nincs hogy működjön. Fordítva (SNES-A15 mindig be van kötve a Flash A15-re) viszont, ami a HiROM alap bekötése, megoldható LoROM játékok futtatása is kétszer akkora Flash felhasználásával, és a ROM minden 32KB-ját (fél bank) 2x ismételed a Flashben. (vagy az alsó felét minden banknak üresen hagysz)
Csináltál már valami ilyen kártyát, van esetleg tapasztalatod ezzel kapcsolatban?
Esetleg NorFlash memóriával foglalkoztál már? Milyen tapasztalatokat gyűjtöttel eddig össze, vagy csak érdeklődsz és ezek után akarsz elindulni valamerre? Csak, hogy tudjam milyen mélyen ismered a témát, így könnyebb válaszolnom is.
Értem, kipróbálok valamit és leírom a működést.
Lehet az kavart be téged, hogy én egyből a flash memória és a SNES csatlakozásáról beszéltem. A SNES 8bit-es adatbusszal dolgozik, a memória pedig 16bit-es adatbusszal (SEGA-hoz is ezt használom), ezért kell figyelembe venni a byte és a word módokat. De letesztelem egy lorom és hirom-ot használó játékkal is, ezért kell egy kicsi idő, mert 1MB-ig nem találtam ilyen játékot, de ha te tudsz, akkor jelezz és azonnal tudom tesztelni..
Kicsit utána kerestem, és "Bill Walsh College Football (USA)" játék HiROM, 1MB, RAM nélkül: Bővebben: Link
Ebben a listában a SHVC-1J0N típusúakat keresd, van több is: Bővebben: Link A hozzászólás módosítva: Jan 28, 2017
Ebből keress európait.
A gépem nincs módosítva.. Szettem le kettőt, remélem jól választottam.. Super Bomberman 2 (Europe).sfc Wolfenstein 3D (Europe).sfc Ezekre írt a SHVC-1J0N típust. A hozzászólás módosítva: Jan 28, 2017
Én most elvesztettem a fonalat.
Ez a Bill Walsh College Football pcb-je. Ezen csak 1 ROM van. Hogy lesz ebből hi és lorom? Nem értem... Az előzőleg letöltött Super Bomberman 2, Wolfenstein 3D nem működik, de ahogyan nézem, szerintem el van írva és ezek nem európaiak, hanem japán változatok.. Egyelőre most én is megkeveredtem... Mesélj te mit tudsz erről a hi és lorom-ról..
A HiROM és LoROM csak elnevezések, nincs közük a memóriák számához.
A SNES memória térképéből kell kiindulni. Először is bankokra van felosztva, ami egyszerűen csak a 3 bájtos (24bit) cím felső bájtja jelent. $AABBCC címet inkább $AA:$BBCC ként értelmezd. Tehát 256 darab 64KB -os bankra van felosztva. (=16MB ) Ezen belül az első 64 bank $00-$3F két részre van osztva.(másszóval a fizikai memória első 64bank*64KB része= 4MB ketté van osztva) Alsó és felső részre: $0000-$7FFF és $8000-$FFFF. Ide beszúrok egy képet, ami lehet nem 100% hiteles, de jól szemléltet. (fontos, hogy mindeddig a SNES mémóriájáról beszéltem! Nem a kártyáról) A hozzászólás módosítva: Jan 28, 2017
Bővebben: Link
Itt megvan a pontos memóri térkép. Az alsó fele mindenféle CPU regisztereket, meg RAM tükröket, meg nem használt részeket tartalmaz. A felső fele viszont kártya terület, (| $8000-$FFFF | Slow | Address Bus A + /CART) amit a LoROM típusú kártyák használnak. (erről később) Tovább haladva a memória tartományban, $40-$7D bankok teljes mértékben (tehát nincsenek ketté osztva) mind a 64KB területük kártya címtartományba esnek. Ezt használják a HiROM típusú kártyák. Tovább van egy $7E-$7F RAM rész, és el is értünk a címtartomány feléhez. A második fele nagyon hasonló, nem térek ki rá.
Ezt felmérve és ezt: Bővebben: Link
Rájöttem, hogy nekem lorom típusú kártyám van.. Eddig ezzel a résszel nem foglalkoztam, mert nem futottam bele ilyen tartalmakba.. Lényegében most szembesültem vele, elsőként. Persze tervezésnél felmerült a Hirom, és Lorom fogalmak, de nem merültem bele.
A kis méretű játékok (<2MB) általában a memória alsó felét választják, mivel az első 64 bank alsó fele tartalmazza a CPU regisztereket, ($00-$3F) ezért nem kell far jumpokat végezni. Ami ugye kisebb és gyorsabb kódot eredményez. Ezért lesznek ezek LoROM osak.
A SNES ennek a memóriaterületnek csak a felső felét címezi. ($8000-$FFFF) A kártya szemszögéből ez azt jelenti, hogy SNEStől jövő A15 mindig magas. Ha most te mégis bekötöd a Flashedbe, akkor ugye elpocsékolod az alsó felét. Ezért van, hogy ezt kihagyják és a bank címek leesnek egyel. Ez azt eredményezi, hogy a Flashben szépen egymás után pakolódnak be ezek a 32KB-os (minden banknak ugye csak a felső fele, $8000-$FFFF) részek. Nem megy kárba semmi. SNES $00:8000-FFFF --> Flash $00:0000-7FFF; SNES $01:8000-FFFF --> Flash $00:8000-FFFF; SNES $02:8000-FFFF --> Flash $01:0000-7FFF; SNES $03:8000-FFFF --> Flash $01:8000-FFFF; ......stb Itt nagyon jól van ábrázolva: Bővebben: Link "HiROM" kártyák viszont a $40-$7D és $C0-$FF területeket használják, amin a SNES minden bankot teljes egészében lefed. (mind a 64KB-ot $0000-$FFFF) Ezért itt már szükség van az A15 címvezetékre is. A hozzászólás módosítva: Jan 28, 2017
Tudom, ezért kérdeztem rá a tegnap.
Átalakítani viszont nem lesz egyszerű. Esetleg meg próbálhatod amit a tegnap írtam. Rendesen bekötsz minden címvezetéket. A15-A15, A16-A16 stb. tehát HiROMként, és szoftból a LoROM játékokat módosítod mielőtt beírod a Flashbe. |
Bejelentkezés
Hirdetés |








Sikertelen volt a kísérlet mert hogy kazetta nélkül egy fix képet ad zúgással. Kazettával resetet hiába nyomva kicsit másabb kép jön be de semmi más életjel.
Esetleg megpróbálnám újraépíteni de ahhoz kéne egy kapcsolási rajz és pár IC neve ami van benne mert ezek a sárgák nyákra integrálták a csipet... Ha van valakinek ötlete megköszönném
A klón kapcsolása érdekelne, régen megleltem az eredeti famicom kapcsolását már de hát azzal nem érek semmit 






