Fórum témák
» Több friss téma |
Fórum » LED mátrixos kijelző
Témaindító: Satterhand, idő: Aug 20, 2005
Témakörök:
Sziasztok! 16*32 PH ebből van 2db , ehhez a kijelzőhöz jó ez a vezérlő ? Ezt írják a vezérlő leírásában: Control Range: Monochrome 48 * 1600 ez a maximum méretű kijelzést jelöli?
Az RJ csatlakozó valószínűleg a PIC programozásához kell. A bekötése megtalálható az adatlapján. Vagy a Propic programozóknál keresd.
Ha még aktuális: nekem van egy halom ilyenem, nyerőgép jackpot kijelző volt valaha, így PC program nem lesz hozzá. Revengeltem a kapcsrajzot írtam rá saját firmware-t úgy, hogy a GAL-t kihajítottam belőle. Van hozzá egy Qt-ban írt progim amivel lehet rá szöveget tolni soroson. Ha kell előásom ezeket.
Sziasztok! Rendeltem p10 led kijelzőhöz vezérlőt.TF-SU. Nem azt a karaktert jeleníti meg amit beírok! Mi lehet a baj?
Annyira nem értek hozzá ! Tudsz segíteni? Mit nem csináltam jól?
Annyira nem értek hozzá ! Tudsz segíteni? Mit nem csináltam jól?
Sziasztok!
Egy kis nyelvészeti segítségre szorulok: egy óra menürendszerét tervezem éppen, és ki kellene egy rövid szót találnom erre a menüpontra: itt állítható be, hogy hány másodpercig jelenítse meg az óra az időt, majd hány másodpercig a hőmérsékletet, egymás után váltakozva. Nem találok rá megfelelő, rövid, egyértelmű szót. Időzítés, váltás, ezek szerintem nem egyértelműek. Főleg, hogy az első 3 betűt tudom megjeleníteni, utána scrolloznom kell a szöveget, tehát az "idő beállítás" és "időzítés" menüpontnál az "idő" fog látszódni, majd kicsit később indul a scrollozás. Van ötletetek? Köszi. A hozzászólás módosítva: Jún 16, 2016
Hello. Köszi.
Először kellene egy általános megnevezés, és utána lehetne állítani az értéket. Tehát olyasmi, mint Átváltás menüpont, és utána jönne, hogy idő megjelenítése, vagy idő látható. De ez az átváltás is furcsa ![]() Olyan kellene, ami annyira egyértelmű, mint az idő beállítása, vagy az ébresztő menüpont. Lehet ilyen nem létezik, mert ez a kijelző váltás nem elterjedt. Üzemmód váltás óra és hőmérséklet között? Gondolkozok még.
Ha almenükben gondolkodsz, szeretnélek erről lebeszélni. Egy menü legyen, abban az összes menüpont. Nagy divat manapság a soklépcsős menü, nem értem miért, a praktikusságot öli meg.
Nyílván, ha száz menüpontról beszélünk, érdemes csoportosítani, hat-nyolc esetén csak bosszantó. Szerintem.
Na az off topicból jövünk ide.
Tehát az óra egy 8x16-os LED mátrixból áll. Ha első 3. oszlopon a sorszámot jelenítem meg, egy szünet, majd jöhet a menü betűi, egy betű 3 széles, tehát 3 betű fér ki egyszerre. Gafly: ha van egy órád, ami mutatja a szobahőmérsékletet és az időt, akkor te milyen időközönként mutatnád az egyiket, és másikat? Három gombom van, bal, ok, jobb. Általában - ok + -ként használom őket. Egyébként a menürendszerről van szó, amit az ember ritkán piszkál. Normál üzemmódban az idő látszik, és a hőmérséklet. A dátumot megjeleníteni is felesleges szerintem, egész nap nem változik. Sok órán látom, hogy percekig megy a szöveg, hogy 2016.06.16, szerda, stb. A napot azért csak megtudom jegyezni, a dátumra meg nagyon ritkán van szükségem. A hőmérsékletet már annál inkább szeretem tudni, az időről nem is beszélve ![]() Egyébként legalább egy éve használom ezt az órát, csak most jönne az upgrade egy tisztább, jobb, gyorsabb programmal. És igenis zavaró, ha tudni akarod, milyen hideg-meleg van, és pl. 5mp-et kell várnod. Komolyan idegesítő. Az is idegesítő, ha másodpercenként váltogatja magát, nem jut idő feldolgozni agyilag. És azért kell ezt beállíthatóvá tenni, mert pl. a nyugdíjasok ráérnek tv nézés közben figyelni pl. 5mp-ig, viszont a fiatalok, akik időpontra mennek, ránéznek az órára, pont a hőmérsékletet mutatja, inkább előveszi a telefonját a zsebéből, mint hogy kivárja az 5mp-et. Tapasztalat. Ha több óra van a szobában, és rosszul van beállítva egy ilyen óra, inkább nézi az ember a fali mutatóst, mint hogy kivárja a pár mp-et. A hozzászólás módosítva: Jún 16, 2016
WS2812 LED szalagból építettem egy LED mátrxot. Itt megtekinthető: LED mátrix
Sziasztok!
Még régebben került hozzám ez a kijelző, amiről azt mondják az autópályákon használták. Ha minden igaz az útdíj összegét jelezték ki. Hozzám csak egy kijelző rész került, vezérlő egység nélkül. Szeretném a segítségeteket kérni abban, hogy hogyan lehetne erre egy vezérlőegységet készíteni? Köszönöm!
Ez sima LED mátrixos kijelző. A digitek alján valószínűleg multiplexer, shift regiszter vagy ilyesmi van.
Meg kell nézni azok típusát, kicsipogtatnio és lerajzolni a kapcsolást, és utána lehet hozzá vezérlőt kéészíteni. Nem hiszem, hogy találsz hozzá meglevő kapcsrajzot. Egyébként itt a témája Bővebben: Link.
Szia,
Hozzám is került egy ilyen darab és szeretném én is átírni a szöveget, hogy mást írjon ki. Tudnál ebben segíteni? Üdv Bubu54
Én tudok segíteni, azóta programot is írtam gépre.
Egy pillanat és küldöm.
Igy fog müködni, van hogy elsőre feltölti, van hogy harmadszorra.
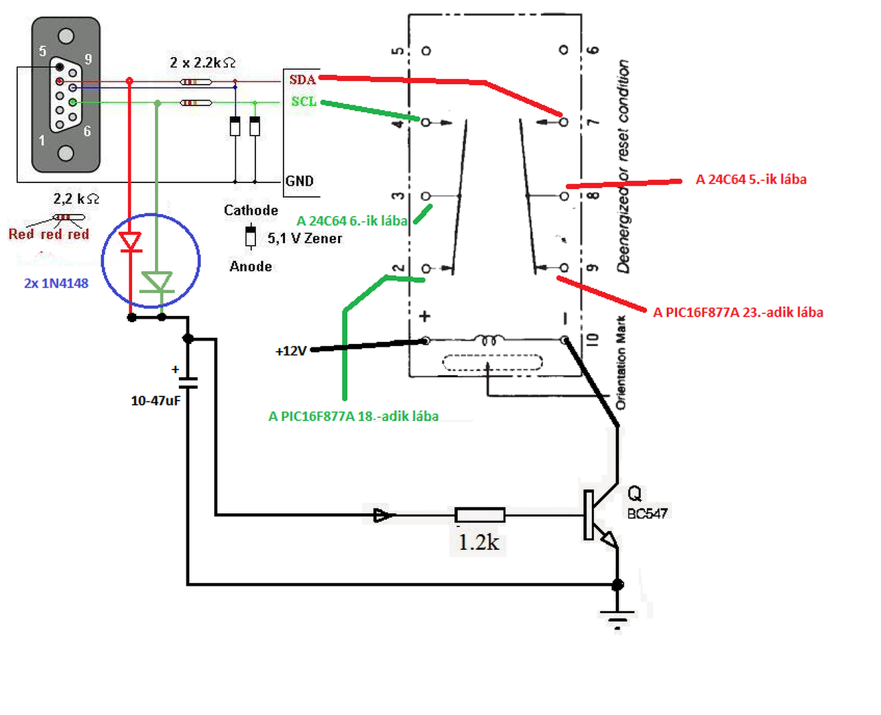
A nyákon kell írja azt, hogy Led Matrix Verzió x.xx, ezt írd le, ha van hozza programom, akkor átküldöm, ha nincs, akkor ki kell olvasd az eepromot, át kell küldd a tartalmát és küldöm hozza a programot. Csatoltam két rajzot. Ha az elsőt építed meg, akkor ahhoz az eepromot ki kell vedd a programozás idejére, ha a másodikot, akkor azt meg bele lehet építeni a matrixba (mint ami a videón is van.) Az alábbi eeprom programozókkal tudod írni és olvasni is az eepromot.
Infolight Verzio 1.13 van a panelra írva. Ennek nagyon örülök, ha ki kell olvassam a programot akkor azt szerintem, csak holnap tudom meg oldani leg hamarabb.
A második képen az a panelen lévő RJ11-es csatlakozót jelöli?
Ha 1.13-as, akkor az jó, mert te vagy a 3.-ik páciensem, akinek 1.13-assa van.
A képeken látható DB9-es dugaszt a számítógépbe kell bedugni, ha a gépeden nincsen soros port, akkor lehet kapni USB-soros átalakítót hozza, a fekete dobozos 1000 forintos USB-soros átalakítóval probáltam és müködött, de az alaplapival gyorsabbnak bizonyult. Én az RJ11-es dugaszra kihoztam a GND, SDA, SCL, relé be szálakat, így nem kell lógjon fölöslegesen az oldalán a programozó kábel. Ha a második képet választod, akkor a 24C64-es eeprom és a PIC között megkell szakítani a nyákot és közéjük kell betenni a relét + megkell szakítani a MAX232 és az RJ11-es dugasz közötti szálakat. Ha a véleményemet kérdezed, én azt ajánlanám, hogy előre építsd meg az első képen láthatót, majd ha az müködik, akkor azt tudod bővíteni a másodikkal. (Ha kérdésed van, akkor azt nekem írd, Lucifert ne zavarjuk az apróságokkal, jelenleg Luciferrel dolgozunk a program fejlesztésén.) Csatoltam a progit. Project1.exe-vel kell elindítani, a többi fájlt is megnézheted szövegszerkesztővel, de ne javíts bele . A .rar fájlban találsz fényképeket is. A hozzászólás módosítva: Ápr 17, 2017
Rendben nagyon szuper, köszönöm szépen a segítséget. Ha az elsőt építem meg akkor elvileg bármilyen soros programozóval tudom programozni a PIC-et?
Bővebben: Link Ezt építettem meg anno ez nagyon bevált de ha nem kompatibilis vele akkor építek egyet nem egy bonyolult a kapcsolás ![]() Most nézem, hogy az nem kompatibilis vele szóval marad az építés A hozzászólás módosítva: Ápr 17, 2017
Sajnos amit linkeltél az egy PIC programozó, és ezzel nem fog müködni.
Építettem egy - a fórum címének megfelelő - órát, kicsit másképpen. Ugyan semmilyen valós és magyarázható igény nem merült fel rá, de hát mégis elkészítettem.
Előzmények: Történt ugyanis, hogy az ebay-ről rendeltem egy kis panelt, amin 64 db (8x8 elrendezésben) WS2812B jelű RGB led csücsült. Gondoltam kipróbálom, csinálok belőle valamit. A kipróbálás nem ment simán, mert amikor megkaptam a panelt, rögtön látszott, hogy ezen bizony nem W2812B ledek vannak hanem valami más alkatrészek, ugyanis a WS2812B-nek 4 kivezetése van a panelon lévőknek meg 6. A táp lábakat kimértem, megtúrtam a netet és úgy gondoltam, hogy "B" nélküli ledek, tehát WS2812. Ezek specifikációja csak kis mértékben tér el a "B"-s verziótól, tehát nem pánikoltam, elővettem azt a kis panelomat, melyet egy MEGA8-cal építettem és megpróbáltam működésre bírni a ledes panelt egy olyan kóddal, amivel az itthoni WS2812B ledeket használtam és láss csodát, se kép se hang, pedig a bekötés jó volt, a táp a helyén a MEGA8 kimenete a ledes panelra felírtaknak megfelelően a DIN-en. Mindent kipróbáltam, (más port, más táp, időzítések bizgerálása) de az eredmény csak egy 64 ledes sötét mátrix lett. Ekkor már eléggé elkeseredett voltam, ötleteim is kifogytak, emiatt elővettem a multimétert és elkezdtem kimérni, hogy az első led melyik kivezetésére csatlakozik a DIN bemenet. És rögtön világossá vált mi volt a baj. A "kici" kínai, vagy honkongi elszabta a feliratot, a DIN a data out, a DOUT a data in, ezt a próbák rögtön vissza is igazolták, ment minden, ahogy kellett. Ekkor azt gondoltam, felteszem ide a fórumra a "vicces" témába, de ez elmaradt. A hab az volt a tortán, hogy az ebayer levelekkel bombázott, hogy mondjam már meg neki, (illetve az ebaynek), mennyire vagyok elégedett a termékkel. (Hát most már nagyon, de eleinte csak "kicit") A barátom - a gugli - segített találni egy másik szerencsés vásárlót, aki már 2 éve leírta egy posztban, hogy mi a baj ezzel a panellal, de ezek szerint változás azóta sem történt. A "kicit" hosszú bevezetés után írok pár sort arról is mit készítettem. Ez egy asztali kis órácska, amin egyáltalán nincsenek gombok, akkumulátorról működik, saját infra távirányítóval lehet a funkciókat elérni, de bármely infra használatával - legalábbis amivel eddig próbáltam azzal ment - megmutatja az időt. A ledes panel próbálgatása közben jött az ötlet, hogy amit sikerült megvalósítani, az testesüljön meg valamilyen eszközben, hogy érezzem, nem dolgoztam hiába, így született ez az óra. Az alábbi funkciókat valósítottam meg: - idő beállítása, megmutatása, kétféle karakter mérettel - hőmérséklet kijelzése - akkumulátor áram, feszültség, kapacitás mérés, kijelzés - különféle testek megjelenítése - alacsony akku feszültség esetén kikapcsolás - USB-n keresztül tölthető Néhány kép és videó a működésről:Bővebben: Link
Jó lett. Grat!
Én is tervezem hasonló kijelző elkészítését. Csak egy W2812B led szalagot darabolok fel, és sorba ragasztom egymás alá. ![]() Egyébként milyen ATMEGA van benne?
Szia!
XMEGA32A4 van benne.
Szép óra lett!
A ledek vibrálnak-e rajta müködés közben vagy szépen égnek? A forráskód publikus-e?
Szia!
Igen, publikus, a mellékletben találod a kapcsolási rajzzal együtt, mert anélkül nem nagyon értelmezhető miden része. (LG infra távirányítóhoz készült a kód) Az ATMEGA32A4 32 MHz órajellel jár.
Köszönöm szépen a forráskódodat, vannak benne részek, amit felfogok tudni használni a jelenleg fejlesztés alatt álló Led Matrix Editorhoz. A PC-s programom a pár hozzászolással fennebb található led matrixhoz van, a rajta lévő PIC-be új programot írok, ahhoz meg nagy segítség a Te programod. Jelenleg a csatolt képen látható a program, az effektek még hátra vannak.
Van-e annak oka, hogy ezt az MCU-t választottad, vagy csak ez volt otthon? |
Bejelentkezés
Hirdetés |






















