Fórum témák
» Több friss téma |
Mielőtt kérdezel, a következő két dolgot ellenőrizd!
I. A helyes tápfeszültségek megléte.
II. A kimeneten van-e egyenfeszültség.
Élesztés.
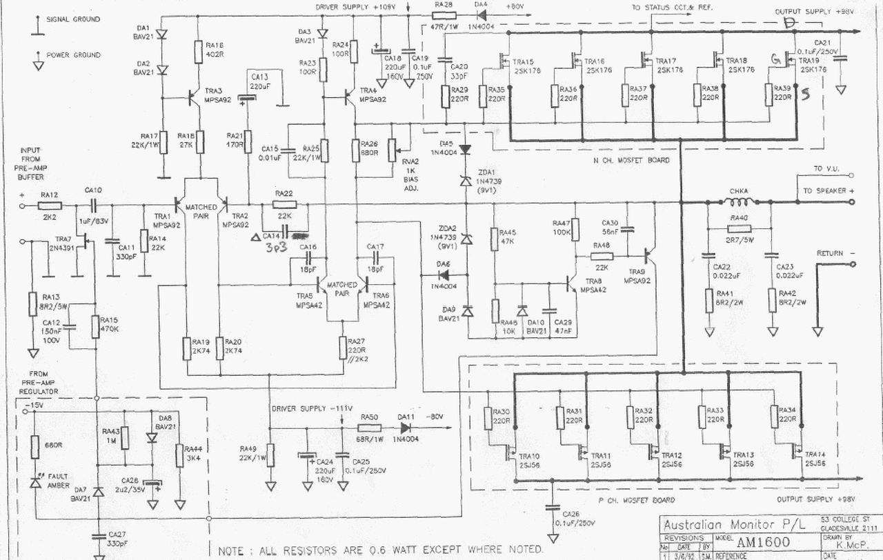
Szia! Remélem nem fog neheztelni Karesz hogy a nevében írok. Az áramtükör az teljesen rendben van így. Egy Wilson tükör. Ami nálam jelenleg is szól, az tulajdonképpen majdnem ez a kapcsolás, csak a biasz nem fet, hanem bipoláris tranyó. Eddig a fejlesztési pontig nem is láttam ezt az erősítőt. Elküldte Karesz a nyáktervet, meg opákat is kaptam tőle. Gyorsan össze is dobtam, és elsőre indult.
A fetes megoldás tulajdonképpen már nem a játékizé eleme, mert a továbbfejlesztéskor került bele. Az is lett a rajzolási hiba oka. A játékizé ugyanis még nem mosfetes munkapont stabilizálással készült, azt hirtelen berajzolta Karesz, és sajnos el is kutyulta a lábakat a nagy sietségben. Tehát a működőképes játékizé az bipoláris biaszos. Szóval már a működő erősítő finomítása jött, ami egy stabilabb munkapont, meg a meghajtó fokozat tápellátásának problémáit hivatott orvosolni. De addigra már sok minden más kísérlet is folyt. Természetesen invertáló üzemmódban is ki lett próbálva, mert Karesz is, sőt inkább ő azon elv követője, hogy csak invertáló erősítő szólhat jól. De a gyakorlat mást mutatott. Olyan elvek borultak, amiknek nem lett volna szabad. Talán még annyit szabad elmondanom erről a játékizéről hogy a végfetek tápellátása nálam volt középmegcsapolásos szekunderű, ahol mind a két csatorna ugyanarról a tápról ment, volt tápsínenként, és csatornánként külön egyenirányított, tehát 4 független 35V és nem volt különösebb különbség a hangjában. Viszont a meghajtó tápfeszek ha nem voltak csatornánként külön kezelve, számomra szűkítette a teret. Arra érzékeny volt.
Ha jól tudom, a FET-ek hőfoktényezője áramfüggő. Azaz ha a bias FET-en nem ugyanakkora áram folyik, mint a végfetek nyugalmi árama (és miért is folyna rajta akkora áram) akkor a hőmérséklet függése is másmilyen lesz. A legtöbb FET-nek a karakterisztikájában van egy olyan áram érték amihez nulla hőfoktényező tartozik, alatta negatív, felette pozitív a hőfoktényező. Nem mondom, hogy ne lehetne olyan munkapontot találni ahol stalbil lesz, de én valószínűleg más megoldást választanék. Utána olvastam a Wilson áramtükörnek, eddig még nem volt rá szükségem. Van hallható vagy mérhető hatása egy sima áramtükörhöz képest?
Bélának már nincs ideje válaszolni, átveszem a szót, ha szabad.
Az NJI-n mértem nyugalmi áram változást a hőfokfüggvényében és a beállított 100mA-t 10%-on belül tartotta. Úgy gondolom teljesítmény MOSFET hőfokfüggését az ugyanolyan típusú fet közelíti meg legjobban. De van több megoldás is, mi ezt választottuk, bevált, más is csinál ilyet egyébként. Meghallgattam 50- és 200mA nyugalmi árammal és nem hallottam semmi különbséget. Lehet, hogy volt, de nem hallottam. Tizenéve szimulátort használok áramkör tervezéshez és többször bizonyította már az életképességét. Pl. ami szimulátorban gerjedést mutat, azt a kapcsolást ki sem próbálom. Tehát a szimulátorban lett a precíziós áramtükör "kimérve", a gyakorlatban nem hallgattam meg van-e különbség közöttük. Rengeteg apró áramköri részletet lehetne egyesével mérni és hallgatni... a variációk száma végtelen. Sokan kellene egy "fejlesztésben" résztvenni, mivel sok fül többet lát, hogy ezzel a képzavarral éljek hirtelen. Igazából nem sikerült még egy team-et találni. Magányos farkas voltam mindig, nem régiben lettünk ketten Bélával. Bárkinek kedve van "játszadozni", kísérletezni, számolni, tervezni, szimulálni, forrasztgatni, szívesen látjuk. (Most ezt feltételes többesszámban írtam, mert nem vagyunk összebeszélve Bélával.) De lehet ócsárolni is, lehülyézni is, olyan kérdéseket feltenni, hogy: "ezt értsem úgy, hogy nem tudod?". Magamról kijelenthetem, hogy nagyon keveset tudok az erősítőkről, pedig közel negyven éve foglalkozom velük. Néha leírok téveszméket, hülyeségeket, elrajzolok alapkapcsolásokat... emberből vagyok.
Tudom nem engem kérdeztél de olyan szép neve van:
angolul: “folded cascode” a Tietze, Schenk -ben magyarra fordítva "komplementer kaszkód" (differenciálerősítő) A hozzászólás módosítva: Jún 27, 2017
A felső MJE esetén a méréseid alapján 2V a BE feszültség a mi vagy hibás bekötésből vagy hibás alkatrészből adódhat, illetve kérdés milyen méréshatárral mérted ezeket az értékeket ?
Próbáld meg 20V méréshatárnál (feltételeztem hogy műszered méréshatárai között létezik ilyen ha nincs valami közelit válassz kérlek) megmérni a BE feszültséget közvetlenül az alkatrész lábainál, ne a nulla ponthoz viszonyítva. Beültetésről képet tudsz feltenni (alkatrész és forrasztási oldal )?
Köszi, ezeknek már értelme is van! Mondjuk még mindig az eredeti a legjobb.
Megpróbálkozom a játékizé átalakításával, úgy vélem lehet 50% esélyem a sikerre. Köszönöm az eddigi javaslatokat.
Tulajdonképpen át kell méretezni arra a +/-70V tápfeszre, meg tenni bele áramkorlátot. Meg körbe kell járni a szinteltoló (nyugalmi áram stabilizálás) kérdést, mert ha tranyót teszel a bordára azzal nem lesz jó.
Amit rajzoltam annak meg nem tudni hogy melyik volt az eredetije, de ezek forognak a neten, meg ebből született a baji meg a holton féle is, utóbbi a legkorrektebb. Jó ez a rajz is, a Hitachi 3 oldalas leírásából most csak a rajzot csatolom. Tehát ehhez vagy 2Sk-SJ FET kell, vagy IRF-IFRP-hez meghajtó fokozat a fetek és a feszültségerősítő fokozat közé, ahogy rajzoltam is. A baji féle megoldás nem jó. Egyébként deszkamodellben kipróbáltam tranyós meghajtófokozattal az IRF-eket, működik, bár nem hallgattam meg. A Denon rajzon vannak tranyók, de annak kvázikomplementer a vége.
Szórakoztok itt ezzel... 4 féle rajzból sem jön össze a játékizé és a működőképeset meg nem működőnek állítjátok be.. Vicceskék
Akkor miért nem kerestek egy működőt azzal is lehet kísérletezgetni akár kaszkádba kötöd a differenciált akár nem az legalább stabilan indul...
Okoska.
Idézzed légyszíves azt a részt a hozzászólásaimból, ahol az van leírva, hogy az nem működőképes!
A 100w fet-es kapcsolast epitette mar valaki? Elsore tetszik nekem a kapcsolas, lehet megepitem.
Nagy teljesítményre én nem bonyolítanám. Megtaláltam az akkori képeket ami ennek a rajznak a tranyókkal kiegészített IRF-es változatáról készült, ez ugye már elvileg nem lesz karcos hangú, de ezt ebben a formában még nem hallgattam meg. Tehát egy az egyben a rajz szerinti felépítés, és a játékizé szerinti végelrendezés, azaz tranyós meghajtás plusz komplementer IRF vég.
Már írtam hogy igen, és azt is hogy jó. Meg azt is, hogy ha IRF-fel építed meg (mint pl. baji) akkor karcos hangja lesz. Ez sem elmélet hanem tény, meg lett hallgatva, nem csak általam. Az előző hozzászólásban leírtam hogy mit kell vele csinálni, ott vannak a szkópfotók is, de ebből még nem építettem össze egy olyan sztereó példányt amit be tudnék kötni a rendszerbe. Szóval elvileg 2db tranyó kell bele pluszba, és jó hangja lesz IRF vagy IRFP fetekkel is. Meg ugye egy tranyós nyugalmi áram stabilizálás, mert az sincs benne.
Na ez nem igaz. Mitől karcos a hangja? Mert a hangsugárzóid vagy azok beállítása nem megfelelő például passzív hangváltó.. Itt kb 20 an megépítettük egyikünk sem érezte a karcos hangját... Ott az arc mos 600 azt is karcosnak nem jól működőnek állítják be itt sokan mégis működik elsőre és gyári erősítőket NAD pl szégyenít le..Szó szerint.. Én nem a szimulátoroknak hiszek hanem a fülemnek... Pár oldalt kellene csak előrelapozni,sokszor nem a legjobb paraméterű félvezető fog a legszebben szólni...
És itt le is zártam. Ha itt kérdezne az ember valamit, vagy csak megpróbálna meggyőződni dolgokról rögtön jön a körbeírás olyan módon hogy az véletlenül se legyen egy laikusnak érthető..Ha felvetek valamit nem válasz jön (ha egyáltalán jön) hanem hogy szembemegyek az elvekkel...Most akkor ember legyen a talpán aki itt kiigazodik.Tisztelet azoknak az embereknek akikkel privátban normálisan lehet kérdezni és születik megoldás...Most nem rólad beszélek elsősorban.. Ha tudom a választ és szeretnék meggyőződni róla akkor ki kell várnom míg a trollkodás lezajlik 3 oldalon keresztül és 1 értelmes meggyőző válaszra kilyukadunk amit már rég felvetettem..Vagyis azt hogy igen igazad van... A hozzászólás módosítva: Jún 29, 2017
Szia. A baji fetesnek eredeti megoldásban lehet karcos hangja. Viszont amit én építettem,annak semmi karcoság nincs a hangjában.
Minden idegeskedés és méricskélés nélkül nekem ez vált be, nem kell itt kísérletezgetni, csak idő és pénzpocsékolás ...
A hozzászólás módosítva: Jún 29, 2017
Ez egy az egyben ugyanaz mint a Baji Fetes csak kitolva néhány fettel a difi erősítő is bc556B.
Itt nem az a kérdés hogy milyen topológia hanem az a válasz hogy az irfp240 irfp9240 el és annak nem lehet normális meghajtást csinálni vagy ha igen akkor a világ legjobb meghajtásával opa difijével is karcos lesz.. Bármit is teszel lesz karcos hangja. Állítólag... A hozzászólás módosítva: Jún 29, 2017
Alapvetően ez egy erősítőépítős topic, tervezés és építés közben az itt "lakók" bizony szoktak méricskélni.
Pedig de.
Gondolod hogy én azt nem építettem meg és nem hallgattam meg, hanem csak a levegőbe beszélek? Hosszú lenne leírni a történetet, meg már elég régen is volt, a lényeg annyi, hogy amikor nem először futottam már bele hamis tranyókba, akkor eldöntöttem hogy soha többet nem építek nagy teljesítményű végfokot tranyókkal. Ekkor jöttek a fetek, elsők között a 100W-os vagy baji féle vagy akárhogy hívjuk, és bizony karcos volt a hangja a tranyókhoz képest, ha tetszik ha nem. Akkor még csak gyanakodtam, most már tudom, hogy a gyenge (tulajdonképpen nincs is) meghajtás miatt. Aztán jött a VF2 ami jól szólt, de az teljesen más topológia, és nem is source hanem drain kimenetű. És a Karesz játékizéje is jól szól, az sem karcos, mert abban is meg vannak hajtva a fetek rendesen. Tedd bele a bajidba azt a két tranyót, hallgasd meg, meg leszek lepve ha nem lesz különbség a kettő között. Idézet: Amiket írtál, az alapján sajnos ezt nem tudom elhinni, mert pont ellentmond neki. Nekem a szimulátor nagy segítség, az alapján már lehet építeni bármit, amit aztán meg is lehet mérni, meg meg is lehet hallgatni. A műszaki paramétereknek nem sok köze van a hangzáshoz mint tudjuk, de ebben az esetben azért van. „Én nem a szimulátoroknak hiszek hanem a fülemnek.”
Meg ennek is, mert dettó ugyanaz. A T5-T4 vonalon folyik kb. 5-6mA, és ezzel hajtasz meg 10 pár fetet.
Ha ez így lenne, akkor mindenki ugyanazt a vacak alapkapcsolást hallgatná, amit a gyártók különféle nevek és logók alatt a termékeik 80-90%-ába beletesznek...
Sok teszten nek vetettem már alá eddig nem okozott csalodást. Persze, lehet jatszani a meghajtás. Példának okáért teljes kivezérléshez így közel 2v bemenő jel kell. Persze ha tesz az ember elé, egy élő fokot (és nem Tl**, vagy NE** IC kell.) hanem texas gyártásúakkal. Egész más eredmény lesz a vége.
Tudom mit szeretnél van itt egy tranzisztoros is éppen. Nekem pont ez a feszes hangja tetszik ami neked "karcos", tranzisztoros erősítő nekem is a szívem csücske. Volt...
Tessék, akkor építgessetek, én meguntam ...
És itt egy másik ...
Amúgy nem arra akart kitérni hogy nem működik, csak hogy az úgy necces vagy kevéske..
A második szkópfotón 5Vpp 5kHz négyszöggel 8Ohm/1µF terhelésen a felső fet kimeneti árama látható a 0.22Ohm-os source ellenálláson mérve. Az állandósult állapothoz képest tízszeres áramot kell szolgáltatnia a végfetnek.
Az első képen a fetmeghajtó emitterkövetőjének árama látható, a kollektorköbe kötött 47Ohm-os soros ellenálláson mérve. Ez az áram közel azonos a végfet gate áramával. A nyugalmi áram 6.5mA, az áramcsúcs 27mA. Ekkora gate áram terhelné a nagyjelű fokozatot, ha nem lenne gate meghajtó. Ez a magyarázata annak "grízességnek" amit Ge Lee emleget. A nagyjelű erősítőt (és ezzel együtt a bemeneti fokozatot) igen nagy áramimpulzusok terhelik, ha zenei jellel vezéreljük az erősítőt. A nagy áramváltozások nagy torzítást eredményeznek. Sajnos a fetek jellemzője, hogy vezérlőáram igényük a frekvenciával arányosan nő 6dB/oktáv meredekséggel. A szimulátor ezt nagyon szépen kimutatja. A hozzászólás módosítva: Jún 29, 2017
Igazából mi volt az eredeti kérdés? (Vissza kellene olvasnom.)
|
Bejelentkezés
Hirdetés |










Akkor miért nem kerestek egy működőt azzal is lehet kísérletezgetni akár kaszkádba kötöd a differenciált akár nem az legalább stabilan indul...
Idézzed légyszíves azt a részt a hozzászólásaimból, ahol az van leírva, hogy az nem működőképes! 


Gondolod hogy én azt nem építettem meg és nem hallgattam meg, hanem csak a levegőbe beszélek? Hosszú lenne leírni a történetet, meg már elég régen is volt, a lényeg annyi, hogy amikor nem először futottam már bele hamis tranyókba, akkor eldöntöttem hogy soha többet nem építek nagy teljesítményű végfokot tranyókkal. Ekkor jöttek a fetek, elsők között a 100W-os vagy baji féle vagy akárhogy hívjuk, és bizony karcos volt a hangja a tranyókhoz képest, ha tetszik ha nem. Akkor még csak gyanakodtam, most már tudom, hogy a gyenge (tulajdonképpen nincs is) meghajtás miatt. Aztán jött a VF2 ami jól szólt, de az teljesen más topológia, és nem is source hanem drain kimenetű. És a Karesz játékizéje is jól szól, az sem karcos, mert abban is meg vannak hajtva a fetek rendesen. Tedd bele a bajidba azt a két tranyót, hallgasd meg, meg leszek lepve ha nem lesz különbség a kettő között.







