Fórum témák
» Több friss téma |
OK, akkor veszek tba2800-át, de ha nem lesz jó akkor :boxer:...
(Én tudom vhogy módosítani a topic címet?)
Azt írtad, hogy azzal is csináltál és működött, akkor miért cserélted ki/vissza tea1009-re????
Nem mondtam hogy visszacseréltem
Van ilyen is olyan is meg egy harmadik fajta is TDA8160-al. TDK-hoz kísérleteztem pár alternatívával.
És a TDA8160-ás milyen lett? nemjó?
mijaza TDK????
TDK - Tudományos Diák Kör
Ha jól tudom akkor ezt jelenti. Itt a halgatók építenek valami kütyüt és azt bemutatják, hogy mit is tud és hogy valósították meg. Konstrukciós verseny. Idézet: „Én tudom vhogy módosítani a topic címet?” Nem, de ha megmondod, mire szeretnéd módosítani, akkor én módosítom Neked.
oké, akkor legyen ultrahangos távolságmérés.
kössz!
Halihó!
No akkor itt 1 PIC és távolságmérés UH projekt elvirajz forrás kód nyák ültetés ... miköl még ennél több ?!?!?! ... http://www.interq.or.jp/japan/se-inoue/e_pic6_6.htm ez az oldal ... Najó ez nem LCD hanem 7segmeneses 3 digites kijelző ...
A TDA8160 gerjedékenyebb, és olyan 6-7 méter a hatótávolsága az én kapcsolásomban. Neked ha 2-3 méter kell simán jó az is. Előnye hogy az adatlap szerint 4 voltról is elmegy. Nekem 3,3-ról is működött jó 6 méterre, tehát ha egy 3,3 V-os mikrokontrollerhez akarod illeszteni, akkor jó alternatíva, főleg ha csak néhány méter kell. Ezenkívül előny hogy csak 8 lábú. De nekem 20-30 méter kellett. A nyák-ot úgy kell hozzá gyártani hogy földdel legyen kitöltve, akkor nem gerjed, bár ez ajánlott minden ilyen erősítőnél.
Én már néztem ezt a cuccot. De szerintem neki nem kell a kijelzés. De amúgy jónak tünt nekem is, bár kicsit sok külső alkatrész kell hozzá. Viszont amit belinkeltem tegnap az egyszerűbb és nagyobb a hatótávolsága.
Kössz, jó csak kicsit bonyi, a Gory féle "egy ic-s" megoldás jobban tetszik/tetszene? Csak nem hajlandó kapcsrajzot adni...
De én adtam. Legalább 2 hozzászólásban mondtam. Az adatlapban ami van azt használd (TBA2800).
okéoké, de akkor a bpw41 helyére mehet direktbe a uh vevő? semmi erősítő nem kell? Mert ezt furcsállom... Az adót hogyan illesszem a picre, erősaítővel mint ahogy a fenti kapcsolásban van??
De van forrás is meg jó kis magyarázatok is .... látványos ...
tanulságos ... stb ..stb ... ![]() Az összes projekt ilyen szellembe készült el ami a felsőbb linkek mögött van .
a japán linken van elvi rajz ott ellen ütemű meghajtással 4 CMOS inverter hajtja a piezzot ...
Az nem is rossz ... nagyobb energia sugároz ... ![]() Ha megnézed az RC4 lábról megy a sugárzóról . Igaz kicsit boncsi a tranyókkal sztem felesleges.... Pilla rajzolok 1szerűbbet ... ...
Minek kéne még egy erősítő. Olvasd el azért legalább az adatlapot mielőtt kérdezel. Ez az ic maga egy erősítő, ráadásul 3 fokozat is van benne. Mondtam, oda berakod az uh vevőt és kész. A két kimenet közül amelyik jobban fekszik neked azt rátúrod valmi interrupt bementere például. Olvasd vissza a hosszabb hozzászólásaimat, abban leírtam hogy használom. Minden itt van a fórumban csak visszaolvasol és megvilágosodsz
Adód van már?
A 4 inverteres adót én is megpróbáltam. De nem működött nekem. A lényeg amúgy az benne, hogy ugyanúgy a tápfesz folyik, csak egyszer az egyik irányban aztán a másikba. Ezért az amplitudó kétszer akkora lesz. Viszont mivel a tranyók nem 0 idő alatt kapcsolnak át, előferdülhetik hogy szembe vannak hajtva kis ideig. De a korábbi linkemben levő adó egyszerűbb és messze erősebb is. Ja és a piezzo nem szereti az egyenfeszt, szóval nem árt egy soros 100 nF kondi mondjuk elé.
Hali !
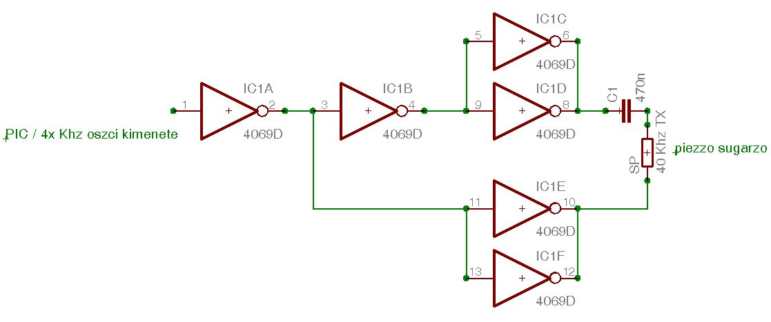
No itten van 1 ellen ütemű végfok CMOSal igen jól rémlet a 4069 6 invertert tartalmaz. 1A az illeszt elválaszt. 1B. invertál 1C-1D és 1E-1F k azok meg végfokok párhuzamosan kötve .. ez 1 db 14es DIL tokban van benne. Maradek lábak a tápfeszre mennek 7es és 14es.7es testre 14es Utra (5V). Ha kicsi lenne a táv akkor lehetne még vmi trafóval a UH piezzo adó helyére kötni.Ami emelhet 2-4szer magasabb feszültséget is 1:2-4 es áttétellel meg tekerve, valami kis ferrit magon már nem is vason. A szekunder oldalra kötni a piezzo sugárzót. pl.:50-100 menet primer / ennek 2 - 4 szerese a szekunder tekercs. 1 kis fazék magon 10-20 mm átmérőjűn.
Ja igen, van pár ilyen trafós adó kapcsolásom is, de szerintem nem éri meg vele bajlódni ehhez a távolsághoz. Meg a piezzo amiket olcsón lehet kapni pl 20V RMS-t bír el, szóval ahhoz lehet hogy felesleges a trafó.
No de nem tom mekkora táv mekkora pulza kell ... nagyobb pulzát könnyebb értékelni is
kevesebb a zaj ... Legegyszerűbb igy növelhető a pulza szintje ... trafóval ... gondolom 5 voltról fog menni a cuccos.
köszi az eddigieket!
12V is rendelkezésre áll a cuccban mivel más is lesz benne amihez kell a 12. Adóm sincs még, úgyhogy ahhoz is várok segítséget. Úgy gondoltam hogy akkor a lomexnél kapható ultrahangos adót+vevőt veszem meg, ahhoz jó lenne amit Kera Will alkotott? max 12 méterre lenne használva.
Tehát eddig így néz ki a fejemben a dolog: picből 40kHz a Kera Will kapcsolásába és bele a lomex féle uh adóba
vevő: lomex féle uh vevő a bpw41 helyére a tba2800 adatlapjában lévő kapcsolásba semmi plussz erősítő, szűrő, kondi, tranyó, ellenállás. OK? bírná a 12m-t, egyáltalán működne? és mivel van 12V ezért ha lehet inkább azt használnám mint a trafót
Hi!
Jó csak akkor a CMOS 12 voltrol menjen. PIC az 5 voltrol... Miről hajtod a 40 kiloherzet ? PICbol 1ik porton vagy 1 külön generátor ? PIC 1ik port 1ik bitje éppen open drain ... RA/RB vagy melik tipus függő ... azon keresztül tudod a CMOS 12Vos részét kapcsolni ... esetleg 1 tranya kell a Cmos 12V / PIC 5V tápjai miatt ... szint illesztés végett! mert pl a pic ttl H szintű 5voltja még lehet hogy a CMOS 12 volt tápja mellett még "L" nek felel meg ![]() mert éppen fél tápnál billennne "H" ba.
itt a kiegészítés elvirajzban :
és ha egy 555 ös ícét rakok bele az megy 12 vról az úgy jobb? vagy 7400ással egy oszci?
Köszi Kera Will! látom rendes gyerek vagy
(vagy nagyon unatkozol .. ) akkor asszem 555öt hanyagolhatjuk..
Adó ... ?!
Szoftverből generálsz 40 kiloherzet és 1 port 1ik bitjén kiküldöd ? Vagy csinálsz 1 külső oszcit RC elemekből ujabb CMOS kapukból amit engedélyezel / tiltasz ... a PIC 1 port bitjével? választhatsz
Döntsél !
HW / SW 40 kiloherz? Pl osztó 4 megás oszci kavics jeleét osztod le 100al akkor kb 40 kilot kapsz aztat kapuzod bittel :- ) mingyáá mék haza .... ... |
Bejelentkezés
Hirdetés |




Van ilyen is olyan is meg egy harmadik fajta is TDA8160-al. TDK-hoz kísérleteztem pár alternatívával.

... 

..




