Fórum témák
» Több friss téma |
Szia!
Nézz szét az 1965-ös lapszámok között: Bővebben: Link.
Bocsánat az off-ért, de a régi emlékek....
Sok régi címlapra emlékszem még a kicsi formátumúról. Most konkrétan az 1958. januári szám került a szemem elé, ez pl. biztosan megvolt nekem. 9 éves voltam. A másik újság amit megvetettem magamnak és olvastam akkoriban a Dörmögő Dömötör volt.....
Az általad kért készülék kísértetiesen hasonlít erre. Csak én nem az Ezermesterben találtam, forrás: K.H.Schubert: Rádióamatőrök műhelykönyve (Műszaki könyvkiadó 1966. kiadás) A ferritrúdra tekert rf. tekercsek adatai: L1: 50menet 20x0,07 litze huzal, L2: 10menet, L3: 6 menet 1mm átmérőjű zománchuzalt ír, de szerintem elég oda 0,2-0,5 mm is csatoló és visszacsatoló tekercsnek. Én japán zsebrádió ferritet használtam, de azt írja a könyv, hogy ha túl hosszú a ferrit, félbetörni, és egymás mellé ragasztani.(Mintha olvastam volna ilyet az Ezermesterben is, úgy tűnik.) Csináltam olyat is, nem venni észre különbséget, elég szimplán is, nekem szép gyűjteményem van zsebrádió ferritből, de már nemigen építgetek mostanában, már gyári rádiót sem hallgatok AM-en. 1-2 dolgot még kipróbáltam a közelmúltban nosztalgiából, de már azt hiszem, nincs mit.
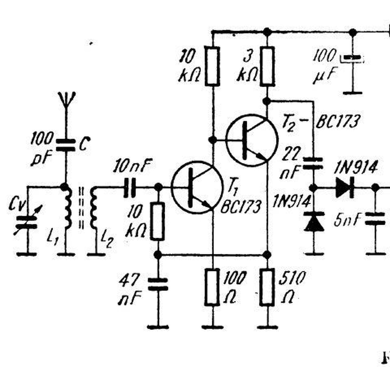
Én eddig azt hittem, a diódáknak az a jó, ha kicsit nyitó irányban vannak előfeszítve. Látván a kétféle kapcsolást, lehet, hogy a diódák milyen irányban vannak bekötve az mindegy? Az általam megadott rajz ellenállásai 9 Volt tápláláshoz vannak méretezve. A fojtók akármilyen ferrit anyagon, a legvékonyabb huzalból ami ráfér, én legalábbis nem számolgattam, legalább 100 menet biztos kell oda középhullámon. Kisebb értékű forgókondenzátorhoz (200+100 pF) 70-80 menet kell a rezgőköri tekercsre. A nagyfrekvenciás részben a kondenzátorok 1-2 nF értékűek. Ez alapján össze tudod dobni hamar. Én vagy 30 évvel ezelőtt raktam össze 1 délután, meglepett, hogy milyen hangosan szólt telefonhallgatóval kimenő trafó nélkül. Később megépítettem alacsonyabb telephez IC-s végfokkal, de az már nem volt az a feeling sajnos.
Uttörő koromban épitettem ilyesmit,persze visszacsatolás nélkül,hogy ne sipoljon ,az erősebb adóknál,a folytó adatai 200-300 menet 0,1-es drótbol 3 mm-es feritre,vagy mégjobb ferrit gyűrüre vagy fazékmagra,hangszóróval gyengén szól,azért épitettem hozzá egy ellenütemű végfokot két komplementer tranzisztorral,akkoriban két orosz germániummal,igy már jól szólt,AM rádiót én ma is hallgatok,Letenyén bejön a MMR Rádió,nagyon klassz zenés műsorral,sajnos cak Muravidéken 100 km-es körzetben,más magyar AM rádió nem ér két lyukasvasat sem.
Aki ma ilyent akar épiteni,annak ezt a változatot ajánlom,ma germánium tranyókat nehéz beszerezni,ez meg sziliciumokal megy,a diodák is lehetnek schotky félék,amit még lehet kapni.Itt van még egy erősitő amit a T 2 helyett lehet hozzákapcsolni,igy elég hangerővel fog szólni.
Viszont aki kettőnél több tranzisztort nem sajnál belerakni, nyugodtan elfelejtheti a reflex elvet, mikor ma már egy kifli drágább, mint 1 tranzisztor, főleg ha bontásból van, akkor meg teljesen ingyen van. Bár emlékszem még 40 éve az Ezermester és úttörő boltokban árult 1 Ft-os P416, és 20 Ft-os OC26 tranzisztorokra.
Továbbá a Ge tranzisztorok ma is beszerezhetők (ha valaki nagyon retróban "nyomná"). 1-2 tucatot adhatok, akinek ez a szíve vágya.
A germánium korszakban létezet kétfajta tranzisztor,nagyfrekis és hangfrekis,a sziliciumok akármelyik fajtája,kivéve a nagytelyesitményűek,birják a nagyfrekit,főleg a középhulámon,igy ma talál még a kukábol összeszedet tranzisztor is ebbe az egyszerű rádióba.
Csövekkel is van elég reflex rajz,és még szuperheterodin reflexet is láttam eleget,ahol főleg a KF fokozat megy hangerősitésre is.
Csak éppen aki meg akarta építeni, nem jelentkezett.
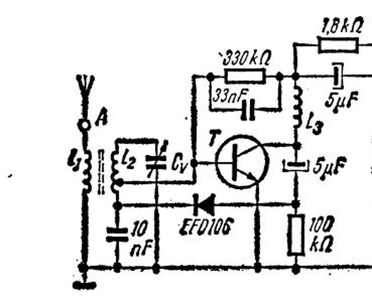
A reflexes rádió leegyszerűsitet rajza meg itt van,persze csak az első fokozat és persze azoknak akiknek nincs ferrit rúdjuk,megy egy tv roncsbol kitermelt ferritmagos,vagy régebbi vaspormagos tekercsház,az adatok 100 menet,leágazás az 5-nél ,az antennatekercs pedig 10 menet reá a másikra,lehet próbálkozni akár légmagos tekercsel is,a helyi adóknál az antenna lehet egy darab drót is,persze lehet ferritrúdra is a tekercs,igy a menetszám 65 menet,leágazás a 4-nél,antennatekercs nem kell.Utána jöhet egy hang fokozat,1,2,3,4 tranyóval,vagy akár IC-vel,a tranzisztor akármilyen kistlyesitménnű szilicium,a dioda germánium,vagy schotky.
A hozzászólás módosítva: Jún 25, 2017
UI ...Szerintem itt a szerző hibázott a tranzisztor kollektorja és a dioda közötti kondi nem elkó ,hanem 10 n kerámia.
És még egy változat,itt is mehet a T2 helyett az ellenütemű erősitő,és mennek az npn sziliciumok is a polaritás megcserélsével,és a polarizáció beálitsával,persze meg kell forditani az elkókat is.
Nem hinném, hogy hibázott, hiszen ha hangfrekvenciát szeretnénk visszacsatolni (ettől reflex), akkor ahhoz nagy értékű kondi kell, hogy kicsi legyen az impedanciája alacsony frekvencián.
Pedig a dióda végzi az AM detektálást, így az anódja RF jelet kell hogy kapjon, míg a katódján létrejövő HF jelet is erősíti a tranyó... Reflex elvként kettős kihasználása van a tranzisztoros fokozatnak.
Az előbbi leegyzerűsitet reflex rádióban kaptam egy pár hibát,például a 33 nanos kondi sem kell a polarizációs ellenálással párhuzamsan,mert az negativ visszacsatolást eredményez,igy az erősités nem működik,közben került egy harmadik változat,a táp az R 1-en jön be,9 V,a hang a C 4-en megy ki amelyik lehet elkó is a minusszal kifelé.
Valóban a dióda detektál, de hogy a visszacsatolás a burkológörbére is hatásos legyen - ugye ez a hangfreki -, elég nagy kapacitás kell.
Aki meg akar maradni a nosztalgiánál és két tranzisztoros rádiót akar épiteni ,az kell egy kimenő trafót készitsen,ami elég nehéz egy kezdőnek,kinek van egy Sokol kimenője,az megy,de szét kell szedni a lemezeket,és elhelyezni külön az E és külön az I-t,a kettő közé egy vékony papir darabot kell tenni,aki el akarja késziteni,az adatok,1,5 cm2 vasmag vékony 0,3 lemezekből a primer 700 menet 0,1 cu z, a szekunder 70 menet 0,3-0,4 cu z ,a kocsmhangszórók trafója is megy,de ott is újra kell helyezni a lemezeket,és papirt kell tenni közéje.
A hozzászólás módosítva: Jún 26, 2017
Aki nem akar reflexet épiteni annak itt van egy másik egyenes két tranzisztorral,és mert itt két RF fokozat van,mennek a közönséges szilicium diodák is detektornak,persze jobb a germánium,ezt a vevőt is lehet ferritrúd nélkül megépiteni és elég érzékeny,hogy menjen külsőantenna helyett egy darab dróttal,vagy autóantennával.
Sziasztok. Csak egy pár kérdésre ugrottam volna be. Holnap tervezem megépíteni ezt a rádiót, de felmerült bennem egy két kérdés. Mekkora az anódfeszültsége? Az ECL80-hoz jó az EBL21 kimenő trafója? És az utolsó: van alul az első puffer kondi, az miért van 150ohm-al megemelve a földtől? Lényegi funkcióját nem látom. A válaszaitokat előre is köszönöm.
Sziasztok! 2008 ban szerettem volna kérdezni, de a válasz valahogy elkerült. Sajnos már nem tudok 100oldalt elolvasni képernyőről, hogy a ma is legtöbb helyen kapható IC ből FM vevőt szeretnék építeni,
Olyanra gondoltam mint a TDA 7000 volt? Más, itt Szegeden csak virtuális rádióklub van, a nyugdíjas vizsgát szeretném, de ahhoz Bp.-re kellene utazni, ami nekem sajnos leküzdhetelen nehézség! Üdvözlettel: bárány!
Az a 150 ohm a félautomatikus rácsfeszültség előállítása, azzal a közös katódpontot viszik "lejjebb" negatív irányba a rácshoz képest az anódáram segítségével. Így a katódkörökbe nem kell külön katódellenállás, hanem egy potenciálon (föld) lehetnek a katódok. De a rácsokon mégis előáll a negatív előfeszültség.
Az anódfeszültség a rajz alapján 150V körül lehet, de nem hinném, hogy ez olyan kritikus, mint ahogy a kimenő trafó sem. Ezek az egyszerű rádiók még akár egy sima hálozati trafóval is elmennek, kimenőtrafó gyanánt. Az ellenálláson pedig negatív feszültség áll elő, az anód (illetve itt katód) áram miatt, ez a pentoda rész negatív rácselő feszültségéhez kell, mert itt a két csőfél közös katódja miatt nem lehet a pentódához külön katódellenállást rakni.
Ha EBL21 PP-hez volt a kimenő, akkor átrakva légrésesre közelítőleg jó lehet. (Raa=9kOhm/Ra11kOhm). Mindezt a csövek adatlapjaiból kinézheted. Javaslom hálózatfüggetlenre csinálni (a rajzon autotrafó van!). "Telaio metallico" a fémsasszé, ettől van elemelve.
A hozzászólás módosítva: Júl 3, 2017
A TDA7000-st már nem gyártják,már kifutott termék,én a Toshiba cég által gyártott TA8164-es ic-vel épitettem egy nagyon egyszerű FM szupert,persze kell hozzá egy kerámia szűrő,de másképpen nagyon könnyű felépiteni,azonkivül van az ic-ben egy füles erősitő is,igy egyetlen ic-vel lehet rádiót fabrikálni.A gyártó által javasolt demodulátor kerámia rezonátort,amit nehezebb kapni,lehet egy tekercs,párhuzamosan egy kondival,egy 4,7k ellenálással,és sorban egy 67p kondival,a tekercs menetszáma 14 menet 0,4 cu-l, 3mm állitható ferrit ,a hangolókondi 220 p.
Minden A osztályu erősitő kimenő trafója légréses kell legyen,másképpen csúful torzitt.Ha egyenesen a hálózattbol nyered az anódfeszt,akkor jó,hogy a fázisceruza mindig nállad legyen mikor dolgozol és ha világit a sasszira téve,rögtön a villást fordicsd meg,másképpen elküldhet Szent Péterhez.
A hozzászólás módosítva: Júl 3, 2017
Ha már Szt.Pétert említetted, Szikora Petit is bevehetted volna a csapatba, ő volt a kérdező.
Van hozzá csöveshez való hálózati ,viszont vagy 2x100V (váltó) , vagy pedig 2x 220V váltóból nyerném az anódot.
Melyik 2x 100 V,a primer vagy a szekunder? Ha a szekunder,akkor köss a két végére egy diodahidat,és már is meg van a 200 V.
A hozzászólás módosítva: Júl 3, 2017
|
Bejelentkezés
Hirdetés |














