Fórum témák
» Több friss téma |
MB501 elé nem kell az ERA2. Viszont csak 1,1 MHz-ig mér.
Talán nem szükséges, mert ez az oldal van PDF-ben lementve: Bővebben: Link Várj vele míg betöltődik...
Szia.
Dokidoki köszönjük, hogy belinkelted! Nem tudom, melyik IC-ket nem tudod beszerezni? A főpanelon a 74F50109D az amit nem találtam, illetve a 1N5712 schottkyt (a 2N3960 tranyó sem volt nekik, de azt szerintem probléma nélkül helyettesítheted, elég régi típus, hogy rábukkanj valahol). Ja és persze a GHz-es osztó félvezetőit nem láttam a TME.sk-n (nálunk itt lehet a legtöbb féle alkatrészt beszerezni, van magyarban is). De ha a GHz-es részt nem építed meg elsőre az sem gond a frekimérő működik nélküle is, a RF része is elmegy 200MHz-ig, ami kezdésnek tökéletes, ha majd szükséged lesz rá, könnyen kiegészítheted a GHz-es modullal is. ERA-2-t egy szatelitantenna fejben láttam (lehet, hogy nem pont ez volt csak valami hasonló, most nem találom), ha szerencséd van onnan tudsz bontani. A hozzászólás módosítva: Szept 8, 2017
Én az említett JK-flip-flop-ot az 74LVC109 típussal helyettesítettem. Mint a leírásban is említve van ez a lehetőség. 74F74 meg 74AC74 lett benne. A tranyó nekem sem lett meg, így van benne 2n2369, a dióda meg 1n5711. A két utóbbi miatt nem is oly stabil a számlálás 140MHz felett, sőt le is áll. De ez nem zavar, mert a mikrohullámú rész 30MHz-től stabilan helyettesíti.
Az upb előosztó helyett lehet tenni az alább említett MB501 vagy analóg sat beltériben található MB506 IC-t, ekkor 1,1 vagy 2,5 GHz lesz a vége. Az ERA2 meg a kellő érzékenység, és a bar-sáv 0dBm végkitérését hivatott elérni. Lehet más MMIC-t keríteni oda, csak a sávszélesség és az erősítés legyen megfelelő. De elhagyható, vagy kiváltható másképp. Csak a végeredmény is változni fog. Együtt lehet élni az ilyesmivel is.
Dokidoki én is köszönöm a linket!
Az egyik ismerősömmel megbeszéltem az ebay-t, így onnan tudok majd rendelni alkatrészt, de azt nem tudom mikor rendeljük és, hogy mikor érkezik meg. Amiket ismerek elektronikai webáruházakat ott nem találtam meg a kapcsolási rajzban szereplő IC-k pontos típusát, sőt még hasonlót sem. Tudom itt a fórumom már volt szó róla, hogy nem egyszerű beszerezni ezeket. A PIC -et szinte mindegyik áruház árulja.
Én is így gondoltam, először építeni egy kisebb frekvenciára való előosztót, aztán kiegészíteni egy másik modullal.
És ha mondjuk nagyobb frekvenciájú tranzisztort és diódát használnék akkor tudnám tartani a 200MHz-et? Pl. BFP196 tranzisztor volna (adatlap), illetve gyors egyenirányító BAS70 dióda (adatlap).
Tetszik ez a rajz, pár apróbb módosítással megépíteném. Először is kapna egy saját belső hálózati tápot, külön stabilizált 5V a digitális résznek és külön a RF résznek. Illetve kapna bemeneti túlfeszültség védelmet, meg gondolkodom egy bemeneti feszültség osztón is. A hozzászólás módosítva: Szept 8, 2017
Úgy érzem, hogy a leírást nem elemzed alaposabban, mert ott az én szegény angol tudásommal is az jön le, hogy valamiért rosszabb eredményt produkál gyors RF tranyóval. Az oldal alján írja, hogy az a tranyó nem rendelkezik sok helyettesítővel, és mint fentebb írom, rosszabb eredményt ad RF vagy mikrohullámú tranzisztor.
Itt szerintem kísérletezni kell, lehet variálni, néha segít, néha ront. Az úriemberrel kapcsolatban, elmondhatom, hogy minden projektje úgy működik, ahogy leírta. Hozza az ígért formát. Feltétele a leírtak betartása. Érdemes szóról szóra megrágni, mert nem BSS nem diy oldalak kapcsolásai és működési leírás szintjén van. De nem is kvantumfizikai eszmefuttatás, még én is megértem néha mit ír. Mellette érdemes rákeresni erre a projektre, mert sokan és régóta építgetik fejlesztik, lehet, hogy található okosság minderre.
Jól gondolod. A jelenlegi projektedhez nem szükséges túl nagy frekvenciákban gondolkodni. A mikrovezérlős frekvencia mérők kb 50 MHz -ig működnek, tehát a nagyobb frekvenciákra mindenképp szükséges előosztó. Ez több bemenetet igényel, amik között váltani kell tudni. A legegyszerűbb a relés kapcsoló, de lehet elektronikus is. 50 MHz körüli jelek kapcsolása nem túl nagy kihívás.
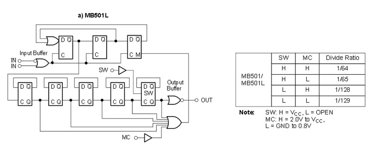
Arra azonban figyelni kell, hogy a bemenetek, és a frekvencia mérő közé, minden esetben jelformáló áramkört kell tenni, ami egy hiszterézissel rendelkező áramkörnek (komparátornak) illik lenni. Ez az áramkör minél nagyobb frekvenciájú jelet kell kezelni, annál nehezebben megépíthető. Az előosztóknak, az eredeti felhasználási helyükön egy zavarmentes jelet kell feldolgozniuk, ezért ott egy egyszerűbb komparátor is megfelel, elég egy akár tranzisztor is, de egy frekvenciamérőnél, ahol aránylag ismeretlen jelet kell feldolgozni, szükség van egy hiszterézissel rendelkező bemeneti jelformáló fokozatra. Enélkül bizony összevissza, bizonytalanul fog mérni. A bemeneti határolás jó, ha van, de nem elég. Ebbe a fokozatba kellenek a nagyfrekvenciás tranzisztorok, FET -ek. Ha MB501 -et, és társait szeretnéd használni, ügyelni kell arra, hogy igen gerjedékenyek, és érzékenyek. Nagyon nem mindegy, hogyan tervezed a nyákot, melyen elhelyezed. Megfelelő árnyékolásról, a többi digitális (nagyszintű) jelek elválasztásáról is gondoskodni kell.
Csak azért szeretném használni az MB501-es mert jelenleg az elérhető számomra.
De ahogy elektroncso fórumtárs is írta nekem elég egyelőre 200 MHz-es határ is.
Egyelőre , én úgy tervezem ,hogy megépítem a frekvencia mérőt és hozzá egy 1 GHz körüli előosztót és az RF fokozatot max. 200 Mhz -es illetve a TTL fokozatot. Még ha nem is lesz pontos a frekvencia az alkatrészek megérkezésig , addig én is 1N5711 -es diódát és 2N2369 tranzisztort használok majd.A leírás azt írja, hogy 160 MHz -ig stabil marad igaz a eredetileg megadott alkatrészekkel, nekem eddig is elég lesz (egyelőre), még 140 MHz is.
![]() De nem tudom, hogy a nagyfrekvenciás fokozat eredetileg megadott kapcsolásának hiánya mennyire befolyásolja műszer működését. Az MW signal jel megléte folyamatosan kell a PIC-nek mérés közben?
Működni fog, nem lesz különösebb hiba. A frekvencia pontosságát, az PIC mellett lévő 20MHz kvarc adja. Ennek a trimmerkondijával beállítható pontosra, valami hiteles forrást mérve.
Az MW rész kihagyása nem okoz hibát, ekkor odakapcsolva nem mér semmit. De egy MB501 -t helyéredrótozva használhatod is.
Megjött az MB501L IC.
![]() Ezzel az IC-vel már tudok előosztót építeni. Esetleg tudnátok olyan bevált kapcsolást ajánlani ezzel az IC-vel, ami rendesen működik? A hozzászólás módosítva: Szept 11, 2017
Ez egy olyan egyszerű áramkör....
A kimenetén csak 1.0 .. 1.6 Vpp a jelszint.
Az elég kicsi, ha LCD akarok , akkor ahhoz bizony illesztés is kell. De ha jó gondolom a 2N3960 -as tranzisztor ezt a funkciót látja el az MW53S frekvenciamérő esetében.
A hozzászólás módosítva: Szept 12, 2017
Találtam egy előosztós kapcsolást. Szerintetek megfelelő lenne? Igaz nem tudom, hogy az MW szignált le lehetne-e venni róla.
Elősztó kapcsolás A hozzászólás módosítva: Szept 17, 2017
Szerintem a tranyóra semmi szükség. Egy feszültségosztóval(2x100k) beállítanám egy
74HC4093 egyik bemenetét féltápra, másik bemenetét tápra kötve stabilan billen az MB401 kimenő jelére. A hozzászólás módosítva: Szept 17, 2017
Sziasztok! Elkészült XR2206 alapú függvény generárorom kiegészítéseként az alábbi számlálót fogom megépíteni. Próbapanelon összedobva a kapcsolást az "eredmények biztatóak". Egyetlen hátránya ként a bementi erősítő hiányát említeném meg, a szinusznál és háromszög jelnél ugyanis még nem igazán akar frekit mérni.
A hozzászólás módosítva: Szept 17, 2017
Egy mikrokontroller alapú frekvenciamérő órajele legalább quartz pontosságú lenne, egy tokból és a kijelzőkből állna (6 tok spórolás) és fele ennyibe kerülne...
Azért választottam ezt a kapcsolást mert minden alkatrésze a fiókban hevert, másrészt ez egy fajta ismerkedés most, a szekvenciális áramkörök lelki világával
A megépített függvény generátor időzítését R - C elemek határozzák meg. Mennyire lesz pontos egy ugyancsak R - C elemekre épülő frekvenciamérő által mutatott érték? Ennyi erővel a potenciométer beskálázható...
Mint irtam ez afféle első ismerkedés ezekkel az áramkörökkel, Cmos ickből ugyanis anno rengeteget beszereztem, meg ha netán hiba folytán tönkre tennék egyet is nem lenne kár érte, errefelé fillérekért árulják őket még most is. Első nekifutásra hobbi célra elegendő lessz.
A hozzászólás módosítva: Szept 17, 2017
Én úgy tudom, hogy a CD4026-ban nincs kimeneti érték tároló (buffer). Hz-es kijelzés esetén a kijelző villog fog. Lehet , hogy ez zavaró lesz számodra.
A hozzászólás módosítva: Szept 17, 2017
Ha R - C az időalap, semmi értelme a 6 digitnek, ennél nagyságrendekkel pontatlanabb lesz a mért eredmény. Leginkább a C elemek hőstabliltásától fog függeni.
Ennél már , jobban járnál ha a hálózati 50Hz időalapját használnád greatz után meg 100Hz lesz.
Azt optocsatolóval leválasztod és ott lesz a 100Hz négyszög, ezután már csak 10el osztva előállnak az idő alapok. |
Bejelentkezés
Hirdetés |










