Fórum témák
» Több friss téma |
Ebben a formájában nekem nem tetszik, feleslegesnek tartom a relés választást meg a TTL bemenetet, azt ugyanúgy megméri a másik is. Ahhoz a kialakításhoz ami nekem is tetszene meg már át kellene írni a programot is, amihez nem értek.
Az inkább csak 30MHz-től éled fel. Ki kellene egészíteni egy hagyományos (30MHz alatti) bemenettel is, de lehet hogy az nem is olyan egyszerű, mert alapból 64-es osztás van, a program is ahhoz van írva. Plusz a bemeneten nincs semmi csak két dióda, mi van ha mondjuk 10-20V-os jelet kell mérned? Akkor azok ott füstölni fognak. Ami nekem van azzal ha jól emlékszem még a 60V-os kapcsolóüzemű táp szekunderét is meg tudom közvetlenül mérni. Ha már ilyet épít az ember akkor annak legyen normális bemenő fokozata, az meg olyan, hogy feldolgozza a jelet már mondjuk úgy 20-50mV-tól, de nem ijed meg az 50V-tól sem, ha éppen akkorát kell mérni.
Szia!
Szerintem a legegyszerűbb megoldás a következő: 1. Vicsys néven elhíresült frekimérő 30-50 MHz-ig kifogástalan. 2. Elébe raksz egy MC 12080 és HC390 tokokkal egy 1/40 plusz 1/25 osztót és máris megvagy 1,5 GHz-ig. Az sem mellékes, hogy én már megépítettem több példányban is. Ez biztosan működik. Ja, és tudok adni hozzá gyári NYÁK-ot, esetleg egy MC12080-at is. ![]() Üdv.
Én is szemeztem már azzal Vicsys féle frekvencia mérővel.
Esetleg az MB501PL IC nem lenne jó előosztóba?
Azért a kifogástalan szót én nem használnám rá, nekem kellett a bemeneti fokozattal is trükközni hogy rendesen mérjen. Van egy példány az egyik wobbler-funkciógenerátorom végén. Egészen addig méri is rendesen a frekit, amíg nem kötök a generátor végére valami kapcsolóüzemről táplált dolgot (pl. kapcsolóüzemű tápról táplált végfok bemenete), mert onnantól fújhatom, összevissza jelez mindent, csak a valós értéket nem. Pedig analóg tápról megy az egész, rendesen árnyékolva és hidegítve van.
Meg nem tudom mire lehet használni az említett osztás után, amikor kiírja az 50MHz-re hogy 5000. Ennél azért én nagyobb pontosságot várnék abban a tartományban (is).
Akkor nem tudom mi legyen. Építsek? Ne építsek?
Azt kellene eldönteni, hogy hosszútávú céljaid lesznek -e egy frekimérővel. Ha igen, akkor egy normálisat kell építeni, vagy venni. Én javasolnék akár egyből, hogy kettőt építs.
Ha valami PIC- ATMEGA alapú diy cuccban gondolkodsz, akkor olyat válasz, amiben van szintmérő - detektáló funkció, az elég hasznos, ne pedig TTL-el megspékelt alkatrésztemetőket. Amúgy meg, aki RF elektronikával szeretne foglalkozni, annak kötelező, hogy legyen neki.
Először az építést szeretném megpróbálni, ha nem sikerül akkor pedig veszek egyet.
Itt az interneten nagyon sok rajzot találtam már illetve néztem. Számomra nehéz kiválasztani a megfelelőt. Én úgy gondolom, hogyha építek , akkor már olyat készítsek , amely RF mérésre és más logikai jelek frekvenciájának mérésre is alkalmas legyen. Mindenképpen mikrovezérlőben gondolkodom, LCD -kijelzővel elsősorban, de csak talán az egyszerűbb építés miatt.
Az RF méréseknél szerintem éppen a frekimérő az, ami a legalkalmatlanabb bármilyen mérésre, ezt tapasztalatból mondom. Kiír valamit, és az ember teljesen vakon van, mert nem tudja hogy az most egy jó érték vagy sem. Olyan esetekben lehet csak hagyatkozni rá, amikor tudom hogy mondjuk egy oszcillátornak kb. azon a frekin kell menni, és nagyságrenden azt írja ki, nem a dupláját vagy a tripláját. Ami korrekt az a spektrumanalizátor, mert azon látod, az más kérdés hogy annak az ára nem összevethető egy frekimérő árával.
Nekem egy régi RT-s rajz van megépítve, az 100 megáig mér, cmos áramkörökkel meg LED kijelzőkkel. Ennél jobbat még azért nem csináltam, mert pont ugyanígy voltam vele, hogy nem találtam olyan rajzot, amit érdemes lenne egy az egyben megépíteni. Másrészt 2-300 megáig így is elvagyok, mert azt kiírja a szkópom, és az legalább pontos, meg tökmindegy neki hogy éppen mekkora az adott jel, meg milyen a jelforma.
Én ezt használtam az egyik bemenethez, a másikhoz MB501-et, csak nem relével, hanem 4066-al váltva a két bemenet között. Bővebben: Link
Idézet: „Egészen addig méri is rendesen a frekit, amíg nem kötök a generátor végére valami kapcsolóüzemről táplált dolgot (pl. kapcsolóüzemű tápról táplált végfok bemenete), mert onnantól fújhatom, összevissza jelez mindent, csak a valós értéket nem. Pedig analóg tápról megy az egész, rendesen árnyékolva és hidegítve van.” Nem lehetséges, hogy egyszerűen csak teszi a dolgát és méri a kapcsi táp által termelt zajt? Idézet: „Meg nem tudom mire lehet használni az említett osztás után, amikor kiírja az 50MHz-re hogy 5000.” 1/1000 osztás után 50.000-et. Na de, ha ennél pontosabb kell akkor viszont nem előosztóban kell gondolkozni. Léteznek 500 Megaherz feletti BCD számlálók is csak kicsit macerásabb itt már a kivitelezés. A bemeneten pedig igen csak ajánlott egy hiszterézises komparátor alkalmazása, pl. ADCMP602 vagy hasonló. Viszont a fórumtárs, akinek a bejegyzésére válaszoltam, nem jelölt meg ilyen igényeket. Üdvözlettel.
Amire őneki kell, arra megfelelő lenne. Én amondó vagyok, hogy nyugodtan építse meg valamelyik kinézett PIC-es előosztós frekimérőt, arra, hogy nagyságrendileg belője a rádió vevőjének helyi oszcillátorát elég lesz. Aztán ahogy fejlődik úgyis rájön, hogy merre kell továbbfejleszteni, vagy hogy hogyan lehet jobbat összehozni.
De ha már spektrum analizátor, nem túl drágáért egy elég fapadosat lehet építeni:Arduino 2.4 GHz Spectrum Analyser.
Nem valószínű, mert olyan spektrumú zavar nem nagyon volt ott, illetve ami volt, az is töredéke amplitúdóval a hasznos jelhez képest. Az enyémben schmitt trigger tartja kordában a jelváltozásokat, több kevesebb sikerrel.
Akkor már inkább egy ilyen.
Helyes az elgondolás, mert építeni is sok idő és energia és mellette pénzbe is kerül. Néha nem is jössz ki jobban mintha vennél, de a saját sikerélmény mégha csak egyszerű másolás utánépítés akkor is pótolhatatlan élmény.
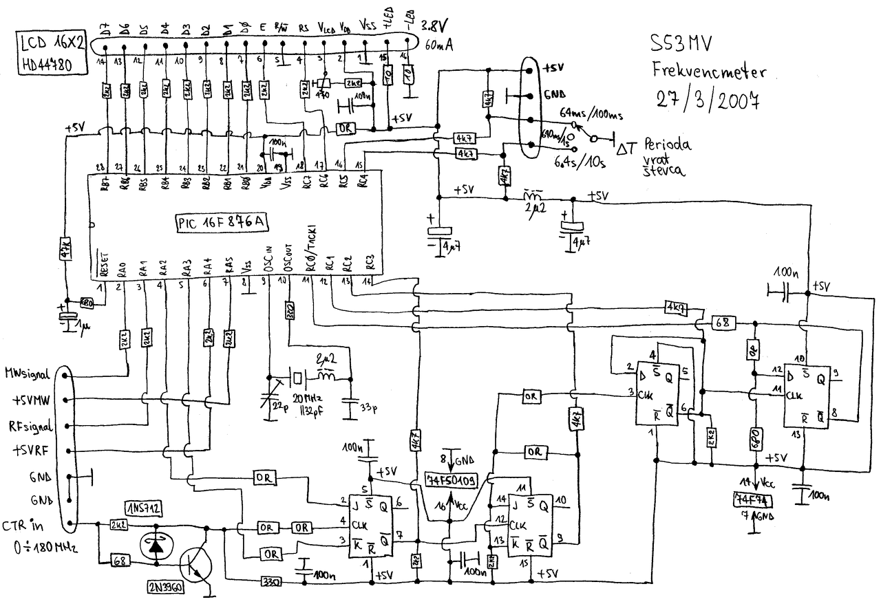
Ezért javasoltam kettőt, elsőnek bármelyiket ami teljesít egy minimumot. Én a másodiknak S53MV féle mérőt választottam, írtam is róla talán ebben a topikban, mert akad benne pár buktató. De a lényege, ilyenek építésének, hogyha mindent úgy készítesz, ahogy írva van, akkor nem marad el az eredmény sem. Az első egy mega8 meg előosztó, benne egy kellő érzékenységű detektor, amit bar-sávon az lcd megjelenít. Igy látható, hogy rezeg nem rezeg, változik -e a jelszint ... mérőszondának egy vékony koax végén pár menet akár a meleg érből kialakítva. Ezt valami orosz oldalon túrtam, rendkívül sok variációban tárgyalták, valami poloska detektornak készült.
Igaz, de mondhatjuk, hogy akinek van egy tűrhető frekvenciamérője, ami szintet is kijelez. Az már félszeműnek számíthat
Volt eset, hogy igen a mérés vele a 3. 5. harmónikust írta, ekkor már két dolog, is gyanítható volt: vagy túl nagy jelszint, vagy igen torz jelalak, vagy mindkettő.Épp ezért építettem SA-t is, hogy ne legyek félszemű. Vásárlással jobban jártam volna...
Megnéztem az S53MV-t, tetszik és megfelelő lenne az biztos.
Csak az IC-ket nem tudom honnan kéne beszerezni hozzá.
A mega8-as kapcsolási rajzot az nem találom, illetve nem látom:
Amit a gépemen találtam erről ez minden, amit a mellékletben találsz. Kerestem röviden a weben, de hirtelen nem leltem meg azt a fórumot ahonnan van bogarászva.
A csatolt képeket találtam az SW53-ról.
Erre gondoltál? Nem tudom az előosztóját meglehetne változtatni? Szerintem ezeket az IC-ket nem tudom beszerezni. A hozzászólás módosítva: Szept 8, 2017
eBay-n kapható uPB1505. Az ára sem vészes. Ha alacsonyabb frekvenciával is megelégszel, kiváltható MB501/MB505-el. A bekötését nem néztem, így lehet, hogy picit módosítani kell a környezetét. Az érdekes, hogy a rajzodon 4 GHz-t írnak, az adatlapon viszont csak 3 GHz szerepel.
A hozzászólás módosítva: Szept 8, 2017
Igen, erre nem reagáltam, ez lenne az. Találhatsz róla továbbfejlesztést is. Időalap és további előosztó fejlesztést tizengigáig.
Az alkatrészeket meg sajnos jobb forrás híján ebayról szeretem be segítséggel. Az eredeti leírásban van szó módosításokról, jobb IC, a proci mellet, meg kitér pár apróságra. Ennek az egésznek egy baja van, hogy pontosan azok kellenek bele mint ír hozzá. Akkor lesz garantált a működés. Sajnos kritikus a procinál lévő bemenőfokozat a dióda és a tranyó, erről is ír. A nagyfrekis elosztóra gondoltál, akkor lehet mást tenni bele, csak az osztása jó legyen, legfeljebb kevesebbet tud majd. Modulárisnak mondható ezen része... Csatolni sajnos nem tudom az eredeti lementett leírást, mert túl nagy, de idevágó részletét igen:
Enyémben ~4650MHz -nél hasal el, lehet hogy a jel is kevesebb ott már. Meg érdekesmód van egy alap vadrezgése, 2400MHz nél, de megszüntethető, pár decibel érzékenységvesztés árán.
Az ebay az baj. Sajnos onnan nem szoktam rendelni.
ERA2 -es IC itt elvileg kapható. Nem tudom, hogy ez a típus kell-e?
A hozzászólás módosítva: Szept 8, 2017
Elküldöm privátban az e-mail címem, esetleg akkor elküldenéd a leírást?
|
Bejelentkezés
Hirdetés |












