Fórum témák
» Több friss téma |
Idézet: „semmi értelme a 6 digitnek” Az az értelme, hogy kevesebb méréshatár kell, nem kell annyit váltogatni. Plusz nagy felbontással jelzi a változást.
Én mikrovezérlővel építeném. A 16Mhz 10ppm-es kvarc olcsóbb a chipcad-nél, mint a 20-as.
De mindenes kolléga "fiókból" szeretne építkezni. Ezért javasoltam(tuk) neki a TCXO használatát, igaz nem a legolcsóbb megoldás (plusz 2 - 3 eFt), de örök darab, megfelelő pontosságot, stabilitást ad, és megmenekül mindenféle hőfokfüggést csökkentő tornamutatványoktól, és utólagos kalibrációtól.
Ha még különálló egységként építi meg, készíthet egy olyan alapműszert, amit külső egységekkel (előosztó) tovább is fejleszthet. A TCXO -n túl semilyen különleges áramkörre nincs szüksége, a fiókban levő kapukkal, osztókkal, kijelzőkkel megépíthető, programozni sem kell.
OK, de az hogy te építenéd, abból hogyan lesz neki kapcsolási rajza és felprogramozott PIC-je? Nem elvi irányt keres, hanem gyakorlati megoldást. Küldesz neki felprogramozott, kipróbált PIC-et, vagy rásóznál egy szoftverfejlesztési feladatot "könnyítésként"?
Ha esetleg valakit érdekel szoljon. ( nem aprohirdetés).
Mind a 2 nyolc digites, az egyik (kisebbik) gyári szondával, a másik saját gyártmány
Kösz, nekem van saját építésű is, gyári is. Azért bátorkodom ajánlani a TCXO megoldást, mert végigszenvedtem az építést. A kopasz kristály, nem volt jó, építettem egy kályhát. Az meg igaz jó idő után elfűtötte a kristályt. A kályha jól össze volt rakva, a szétszedés körülményes lett volna. A TCXO jó volt, de addigra sikerült gyárit szereznem.
Üdvözlet! A nyák már elkészült s nem tervezem másik építését. Amennyiben a huzalozás engedi majd, magfogadom a tanácsod és megpróbálok majd eljátszani az időalap beállításával több kondenzátor sorbakapcsolásával, hogy minél pontosabb legyen! Köszönöm az építő jellegü észrevételt!
Csak úgy magamnak:
XR2206 adatlapja szerint a hőfok stabilitása Tipikusan +/-10 ppm/°C, Maximum +/- 50ppm/°C. CD4047 adatlapja szerint a hőfok stabilitása Trimmed to frequency +/- 150ppm/°C Ha megépíteném, az R és C elemeknek közel azonos tulajdonságúakat használnék. Mindét IC esetén az 1/(R*C) határozza meg a frekvenciát. A tápfeszültség stabilitására ügyelnék. Ebből az jönne ki, hogy 5 -ször (a legrosszabb esetben 15 -ször) nagyobb hőfokfüggésű referenciával rendelkező mérő mérné a beállított frekvenciát. Idézet: „Soha senki nem vonta kétségbe, hogy a kvarc alapvetően stabilabb, mint az RC oszcillátor.” Részemről vége.
Még hozzátenném, a mérőeszköznek ajánlatos nagyobb pontosság minimum egy nagyságrenddel, mint amilyen mértékű hibát mérni akarunk. Ha nem, akkor nem tudjuk, a mért hibát, ingadozást a mért egység, vagy mérő eszköz, vagy mindkettő okozza.
A hozzászólás módosítva: Szept 20, 2017
Kinek mi van a fiókjában
. Akár felprogramozott picet is tudok küldeni (bár a fiókban lehet csak SSOP tokosok vannak). Ha viszont ehhez a kapcsoláshoz kellene időalapot csinálni, lehet lemondanák a méréshatár váltogatásról, és egy órakvarc (32,768 kHz) és egy 4060-al előállítható 2Hz-ből egy 7474 segítségével meglenne a komplementer 1Hz (ha jól látom ez kell a számlálóknak).
Ez az elv teljesen helyes és teljesen értelmezhetetlen jelen esetben. Ugyanis nem hibát, hanem frekvenciaértéket kell mérni.
Kár hogy vége, pont amikor végre valós és releváns értékekből kezdtél kiindulni!
Csak megemlítenék a frekvenciamérőt (nem rádióskálát, hanem igazi 8-9 digites asztali műszert) építeni szándékozóknak egy olcsó, kalibrálást nem igénylő alternatív időalap forrást.
GPS modul 1pps kimenete, ha van GPS vétel a használat helyén, vagy van lehetőség külső antenna elhelyezésére. A hozzászólás módosítva: Szept 20, 2017
Én is le akartam mondani a főnököm fizetéséről, de valahogy nem vettek komolyan!
Az 1 s-nél kisebb mérési idő nem csak azért van hogy kevesebb digit kelljen, hanem hogy ne unja el az ember az életét mire beállít egy frekit. Te csak ne mondj le más kényelméről, ha szabad kérnem! A felprogramozott PIC küldésének akkor van értelme ha olyan program van benne ami a feladathoz szükséges. Ha ilyet küldenél, akkor az valódi segítség lenne, bár mire felajánlanád, az eredeti elképzelés már valószínűleg el is készül...
Igaz, elcsesztem a fogalmazást, fixen beállított frekvencia elmászására és beállított frekvencia pontosságra gondoltam hiba alatt, tehát amik itt előfordulnak. Egy elmászásnál nem tudjuk a generátor, vagy a mérőeszköz, vagy mindkettő azonos irányba, vagy mindkettő ellentétes irányba, de eredőjük pld.: nulla.
A hozzászólás módosítva: Szept 20, 2017
Szerintem a másodpercenkénti 10 kijelzés is már túl van a leolvashatósági határon (főleg ha nem stabil a frekvencia), de az is igaz, hogy talán felesleges is ilyen pontosan mérni. Ebben az esetben más kvarcot kell választani (4,096MHz, vagy 16,384MHz) és azt tovább osztani.
A GPS jellel én is kontárkodtam: Bővebben: Link A hozzászólás módosítva: Szept 20, 2017
Idézet: „Szerintem a másodpercenkénti 10 kijelzés is már túl van a leolvashatósági határon” Nem cél, hogy minden egyes mérési eredményt külön le lehessen olvasni. Csak az a cél, hogy ne kelljen 1 s-ot várni mire bármit is kijelez. Amint megvan a kívánt freki, nem kell tovább tekerni, és akkor az értékek sem fognak olyan gyakran változni, hogy le ne lehetne olvasni. Kivétel a legalsó digit, az a mérési pontosság természetéből adódóan ugrálhat, de attól még egy értelmes pontossággal leolvasható az érték. Idézet: „de az is igaz, hogy talán felesleges is ilyen pontosan mérni.” Nem bírom kitalálni hogy ezzel mire célzol. Idézet: „Ebben az esetben más kvarcot kell választani (4,096MHz, vagy 16,384MHz) és azt tovább osztani.” Kell? Te így döntenél valamiért. De hogy miért, azt nem tudom. A hozzászólás módosítva: Szept 21, 2017
Jelentem elkészültem a kis impulzus számláló alkatrészeinek a beültetésével. A kis ebben az esetben szó szerintit is jelent mert a nyák egész kicsire sikeredett H-120mm, SZ-25mm. Persze szándékosan lett ekkora mérettre tervezve, helytakarékosággi szempontok miatt. Már csak a két nyomtatott áramkör össze drótozása marad hátra, a holnai nap folyamán remélem sikerül befejeznem.
Vasárnap 17 óra 39 perctől kezdve mindenkinek a rendelkezésére állt ez az adat. Én csak azért írtam le ide magamnak, nehogy elfelejtsem.
Miért csak "Vasárnap 17 óra 39 perctől kezdve"? Akkor írták az adatlapokat?
Szerintem az adatoknál fontosabb a belőlük levont logikus következtetés, de az meg nem igazán történt.
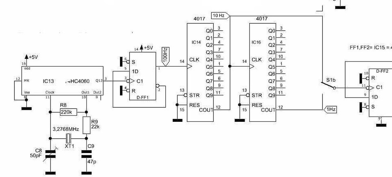
Pl. itt egy megoldás. Az osztás változtatható, kinek milyen kvarc van a fiókban. A 32768Hz-ből nehéz 10Hz-es jelet leosztani (mivel az 215, a 10 prímtényezői között pedig ott a 5 is), ezért gondoltam másikat választani.
Szép lett, én csak egy dolgot hiányolok: a rögzítésre szolgáló furatokat.
Ez a kapcsolás különben jó lenne , frekvenciamérő hitelesítésére és beállítására is?
A 32768Hz-es jelből egy MM5359 típusú beszerezhető IC-vel 50. vagy 60Hz is előállítható. Ez már könnyen osztható tovább. Léteznek TTL és CMOS áramkörök, amikkelsokféle törtszámú osztás is megvalósítható. /például SN7497. vagy Cd4089/
Valóban, 5 nincs közte, van viszont 4. Számomra speciel a 4 Hz-es mérési freki annyira optimális, hogy a saját szinusz oszcillátoromban két analóg szorzóval elő fogom állítani a 4-szeres frekvenciát, és azt mérem, így nem kell lemondanom sem a mérés felbontásáról, sem a gyorsaságáról. Elvileg lehet még nagyobb többszörözést is megvalósítani, de ahhoz nem csak több, de gyorsabb és precízebb szorzó is kell.
Manapság már egy picike kvarcoszcillátoros PIC -kel legegyszerűbb előállítani bármilyen számlálásidőket, többet választhatóan. Számlálásidő után legrövidebb szükséges szünet, és mehet a következő számlálásidő -más néven kapuidő. Ha 50% kitöltési tényezőjű a kapuidő, feleslegesen vár ugyanannyit következő méréshez.
Asszimetrikus vezérlés kicsit bonyolultabb, de PIC-kel egyszerűen megoldható.
Itt egy egyszerű oszcillátor 2 Hz re. A 4013-at nem használva.
A hozzászólás módosítva: Szept 22, 2017
Helló!
Majd nézd meg a szkópon a 2Hz es jelet amikor a 32,768 lehűl vagy melegszik. Nekem még mindig jól bevált a 10Hz pontosságú PIC frekimérőm. Nem is kell más felesleges erőlködés GPS meg stb.. Tisztelettel simonsen!
Attól függ, hogy mit jelent nálad az a 10Hz pontosság. Mert 50Hz-nél az elég durva, 40 vagy 60Hz-et mér? Nekem is olyan van (RT-s rajz) amiben 32,768 a kvarc, ami ugyan nem túl szuper, de ez hőmérséklettől függetlenül mindig 50Hz-et mutat a hálózatra. Ha már 51-et vagy 49-et mutatna az már 2% eltérés lenne, de ilyet sosem csinál. Meg van egy PIC-es is, az annyival jobb hogy kevesebb az alkatrész benne.
|
Bejelentkezés
Hirdetés |






. Akár felprogramozott picet is tudok küldeni (bár a fiókban lehet csak SSOP tokosok vannak). Ha viszont ehhez a kapcsoláshoz kellene időalapot csinálni, lehet lemondanák a méréshatár váltogatásról, és egy órakvarc (32,768 kHz) és egy 4060-al előállítható 2Hz-ből egy 7474 segítségével meglenne a komplementer 1Hz (ha jól látom ez kell a számlálóknak). 







