Fórum témák
» Több friss téma |
Fórum » Regent 15W-os erősítő rajza
Témaindító: Lőrincz Pityu, idő: Ápr 15, 2008
Témakörök:
Kedves Mindenki!
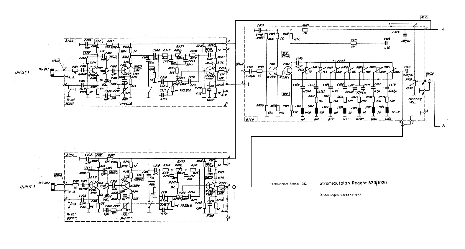
Szeretnélek megkérdezni Titeket, hogy van-e valakinek az 1960/70-es években használt klasszikus 15V-os REGENT erősítője - hangfallal egyben? Javítás céljából egy kapcsolási rajzra lenne szükségem alkatrész azonosítás végett. Miután 2 dióda leégett, nem tudom azonosítani őket. A diódák a beérkező 220V utáni trafó és az erősítő között vannak, vagy ha az értékét meg tudná mondani valaki, az is segítene... Segítségeteket előre is köszönöm! Lőrincz Pityu (60 éves öreg zenész)
Ha van melette még 2 dióda valószínűleg az egyenirányítók lehetnek. Akkor méret alapján meg lehet saccolni a terhelhetőségüket, amúgy nem kiritikus a típus.
Ha nem a graetz tagjai a diódák, akkor meg valószínűleg Zenerek, feltehetőleg 15V-osak. De biztos nem ok nélkül égtek át, előszőr érdemes lenne a kiváltó okot megkeresni. Mondjuk a végtranyók szálltak el vagy hasonló (azok sem véletlenül => rövidre lett zárva a kimenet valamivel, elégett valamiért a hagszóró; nem biztos h. szemmel látható a hiba)
Szia.
Láttam olyan erősítőt, ahol egy szimmetrikus tápot egyenirányítottak két diódával szimpla táppá. Ebben az esetben két sima 1n4007, vagy hasonló megteszi, ha a 220-as trafó után voltak, és volt utánuk még egy-két nagyobb kondi is!
Nem tudom, segít-e...
folyt köv.
és még
és talán
és végül
Ha meg tudod jelölni a csatolt képeken, hogy melyik alkatrész romlott el, akkor lehet, hogy tudunk segíteni! (tegeződhetünk?
)
Hehe mi is ilyenen zenélünk. Örök darab. Elpusztíthatatlan. Csak a tolópotik recsegését tudnám feledni
OFF
Csinálsz egy adagolót, ami pl hetente csepegtet a potikba egy kis kontakt sprét! ON
Köszi mindenkinek a sok segítséget és tippet! A rajzok alapján a szerelő barátommal már boldogulni fogunk. Remélhetőleg...
Kedves Mindenki!
Technics K450-es szintetizátorhoz digital memory pack érdekel. Bármilyen segítség érdekel, írható és nem írható is jó. Előre is köszönöm. Lőrincz Pityu (az öreg zenész)
Ezek még szerintem hiányoztak a kollekcióból (1060)
|
Bejelentkezés
Hirdetés |




















)








