Fórum témák

» Több friss téma
Fórum » Li-Po - Li-ion akkumulátor és töltője
 
Témaindító: yokesz, idő: Máj 30, 2006
Témakörök:
Lapozás: OK   171 / 336
(#) kapu48 válasza albinolynx hozzászólására (») Nov 18, 2017 /
 
Én inkább valahol hideg forrasztásra, érintkezés hibára tippelnék.
Amit most a helyire nyomtál, méregetés közben.
Ezt meg kellene keresni, mert különben a hiba újból előfog jönni.
(#) albinolynx válasza kapu48 hozzászólására (») Nov 18, 2017 /
 
Akár, de egészen míg rá nem mértem a csatlakozó nyelvekre, nem történt változás a működését illetően. Bár az is igaz, hogy egyszer egy székről leverték a töltőt. Utána működött még.
(#) RoliNyh válasza albinolynx hozzászólására (») Nov 18, 2017 /
 
Nincs ebben semmi olyan, ami tiltásra kerülhetne bármikor is.
Én is inkább arra tippelnék, hogy elengedett valamelyík forrasztás, esetleg megrepedt valamelyík vezetősáv. Nézd végig nagyítóval mindet, és az átmenőfuratos alkatrészeket mozgasd is miközben a forrasztását nézed, úgy könnyebben feltűnik ha elengedett a forrasztása. Ha már úgy is szét van szedve, az átmenőfuratos alkatrészek forrasztásait frissítsd fel új ónnal, a régi maradhat nem kell leszedni. Az SMD alkatrészeknél nem jellemző ez a hibajelenség amúgy, azokat ha nem muszáj ne piszkáld...
De az is lehet, hogy Úri barátunk valóban olvassa a fórumot, és küldött néhány múkodj varázsigét feléd...
A hozzászólás módosítva: Nov 18, 2017
(#) pjg válasza RoliNyh hozzászólására (») Nov 18, 2017 /
 
Vagy csak az akku nem lett eléggé a helyére tolva.
(#) zsoltee0001 hozzászólása Nov 18, 2017 /
 
Sziasztok
Vettem ilyen töltőt : 4s30a
2 kérdésem lenne, jól értelmezem, hogy a charge/discharge kimenetre megy a töltés és a fogysztó eszköz is és így lemerítés védelem és rövidzár védelem is megvan egyszerre?
Ha 3 sorbakötött akkut töltök akkor a mellékelt ábra szerint kötöm be?
Üdv

liio.png
    
(#) RoliNyh válasza zsoltee0001 hozzászólására (») Nov 18, 2017 /
 
A 4S védelemmel nem lehet 3S akkut védeni...
Azzal hogy rövidre zárod az utolsó cella két vezetékét, le is tiltod a kimenetet.
Úgy fogja érzékelni, mintha egy cellád alulmerült volna.

Szóval vagy használj 4S cellaelrendezést, vagy vegyél 3S védőáramkört...
A hozzászólás módosítva: Nov 18, 2017
(#) zsoltee0001 válasza RoliNyh hozzászólására (») Nov 19, 2017 /
 
Ertem. Ha csak a vedelem nem dolgozna ebbe az esetbe tolthetne a 3s akkut?
(#) RoliNyh válasza zsoltee0001 hozzászólására (») Nov 19, 2017 /
 
Nem tartom valószínűnek. Mint írtam letilt. Ha elkezdenéd tölteni, akkor is érézekné, hogy az utolsó cella nem kóser, így gondolom le is állítaná a töltést, ha el is indulna egyáltalán...

Neked is csak a videómat tudnám ajánlani ha még esetleg nem láttad...
(#) albinolynx válasza pjg hozzászólására (») Nov 19, 2017 /
 
Ez kizárt, direkt próbáltam többféle módon is. Forrasztásokat átvizsgálom a javasoltak szerint.
(#) philips100 válasza RoliNyh hozzászólására (») Nov 21, 2017 /
 
Sziasztok,
Parkside gépekre 3 év gari van.
Az én gépemben 1,5 év után nyúlt ki az akku. A garipapír és a blokk másolatár elküldtem az ügyfélszolgálat által megadott email címre és 3 nap múlva megjött a csere akku.
(A rosszban cseréltem cellákat, most az is jó)
(#) kovacsj76 hozzászólása Nov 27, 2017 /
 
Sziasztok!
egy 18v fúrógép aksiját, szeretném átalakítani li ion aksivá, ami 5db sorosan kapcsolt
cellával tudnék működtetni.
A töltővel van gondom,ebben kéne a segítség,
A HESTORE tol rendeltem, TP4056 alapuló töltőket, leteszteltem tökéletes,
A kérdésem az lenne hogy, 5db sorosan kapcsolt cellát, 5db töltővel lehetne e egy db
5v/5 amperes tápról járatni ?
Mert szerintem a töltők leválasztják az aksikat,
De egy olyan jártas, vagy tapasztalt véleményét szeretném kérni.
Nem szeretnék robbanó vagy égő aksikat.
(#) RoliNyh válasza kovacsj76 hozzászólására (») Nov 27, 2017 / 1
 
Ha megszünteted a cellák közötti SOROS KAPCSOLATOT, akkor lehet.
Ha ez kivitelezhetetlen, akkor NEM LEHET.

Mindenképp ajánlott megnézned ezt neked is úgy érzem...
(#) pjg válasza kovacsj76 hozzászólására (») Nov 27, 2017 / 1
 
Nem, de 5 db 5V1A-es tápról igen. Ez lehet egy db trafón 5 szekunder tekercs.
De egyszerűbb ha veszel egy ilyet: Bővebben: Link
Ezt meg egy ilyennel hajtod meg: Bővebben: Link
Már csak egy AC24V trafó, Graetz és vagy 2000µF/40V kondi kell.
A hozzászólás módosítva: Nov 27, 2017
(#) kovacsj76 válasza pjg hozzászólására (») Nov 28, 2017 /
 
kKöszönöm szépen a segítséget,.
aAkkor öt db szekunder tekercsel oldom meg,.
Nem használok semmilyen védelmet, mert elméletileg a TP4056 rendelkezik vele.
A hozzászólás módosítva: Nov 29, 2017
Moderátor által szerkesztve
(#) Kovidivi válasza kovacsj76 hozzászólására (») Nov 28, 2017 /
 
A TP4056-ban nincs védelem, maximum a nyákon van pluszban, extra alkatrészként.
(#) KissAttila hozzászólása Nov 29, 2017 /
 
Szervusztok,
Valaki mérte-e meg, mennyi áramot fogyaszt a balanszer áramkor az akkukból?
(#) RoliNyh válasza KissAttila hozzászólására (») Nov 29, 2017 /
 
A balanszer áramkör nem egy állandó fogyasztó, ha a cellák feszültségei rendben vannak,
mondhatni nem fogyaszt. Legfeljebb mikroampereket, vagy még annál is kevesebbet...
(#) KissAttila válasza RoliNyh hozzászólására (») Nov 29, 2017 /
 
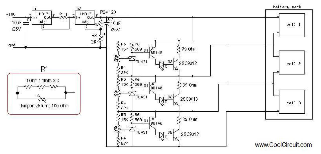
Megcsináltam az alábbi kapcsolástBővebben: Link, feltöltöttem az új 10 A-es, TME-es akkukat és eltettem. Pihent vagy fél évet, most került sor a második akku telep cseréjére. Nagy volt a meglepetés, amikor megmértem a már kicserélt(új) akkukat. 3,5 V-ot mértem.
(#) RoliNyh válasza KissAttila hozzászólására (») Nov 29, 2017 /
 
És amúgy a két LM317 -et is rátetted direktbe az akkukra? Mert az csak a töltéshez kell ám...
Gyakorlatilag ha rajtavan a töltő rész, és vége a töltésnek, akkor az akkud elkezd kisülni a R2 és R3 ellenállásolon. Fél év hosszú idő, még az is elképzelhető, hogy ez a "fogyasztó" ette meg a feszültséget szép lassacskán.

Maga a balanszer része ennek az áramkörnek a tranzisztoros rész a TL431 -es referenciákkal.
A C2 kondenzátortól balra levő alkatrészeket le kell választani, akár még a C2 -őt is.
A tőle jobbra lévő résznek kellene maradnia.

De ha ezt így rajtahagyod, a referenciák is fogyasztanak, mégpedig éppen annyit, amennyi áram be van állítva rajtuk az ellenállásokkal...
Szóval ez a kapcsolás nem épp szerencsés ha sokat áll az akku, és nincs töltve néha/néha.

Szerintem ha egy normális IC vezérelt védő áramkört tennél rá, az kevesebbet fogyaszt, mint a 3db TL431 (bár ezt előbb ki kellene próbálni)...
A hozzászólás módosítva: Nov 29, 2017
(#) pjg válasza KissAttila hozzászólására (») Nov 29, 2017 /
 
A fiók mélyén találtam egy PC alaplap elemet. Csak annyi van ráírva Lithium Battery 3,6V.
Még a 386-os, de lehet a 286-os időkből való.
Kíváncsian rámértem. 3,5V! váááá Na mondom ráteszem a töltőre. egy pillanat és 4,2V. Feltöltve. GoTo qka.
(#) KissAttila válasza RoliNyh hozzászólására (») Nov 30, 2017 /
 
Köszönöm mindkettőtök válaszát,
Csak a balanszer lett beépítve az akku dobozába. A töltő része Ge Lee által közzétett 1 drb. LM317-re épülő áramkör amely a régi töltő dobozában van Bővebben: Link.
A balanszerben lévő R3, R4, R5 osztón keresztűl sülhet ki minden egyes cella.
Újból rákötöm az áramkört az akkukra, mérek, majd beszámolok róla, hogy mennyi kétszer kettő.
A hozzászólás módosítva: Nov 30, 2017
(#) RoliNyh válasza KissAttila hozzászólására (») Nov 30, 2017 /
 
Nem tudom mit linkeltél, de az a link nem jó...
(#) KissAttila válasza RoliNyh hozzászólására (») Nov 30, 2017 /
 
(#) kovacsj76 hozzászólása Dec 3, 2017 /
 
Sziasztok!
Lenne egy kérdésem, ha ezt Bővebben: Link a védelmet használom cellánként
Akkor 5db sorba kötött cellához, vajon elég ha egy 22v/5a, töltőt használók?
Vagy muszáj egyenként tölteni.
Mert elméletileg védi feszültség, áram, és lemerülés ellen is.
(#) nedudgi válasza kovacsj76 hozzászólására (») Dec 3, 2017 /
 
Nem elég. Tönkre nem fog menni az akkumulátorcsomag, de nincs kiegyenlítve a cellák között idővel fellépő különbség.
(#) szsrobert válasza nedudgi hozzászólására (») Dec 3, 2017 /
 
Ha nem toltodik 4,2V fole es nem merul 2,8V ala fontos hogy egyforma legyen a feszultseguk? Jobb e az akkucellaknak ha a jot is lemeritjuk a kevesbe jo feszultsegere?
(#) nedudgi válasza szsrobert hozzászólására (») Dec 3, 2017 /
 
Másképpen kell nézni a dolgot. Az akkupakk kapacitása lesz kisebb.
(#) gerleimarci válasza kovacsj76 hozzászólására (») Dec 3, 2017 /
 
Keress 5s balancer+BMS panelt és hozzá egy CC CV DC-DC konvertert. Az már úgy jó lesz neked.
(#) szsrobert válasza nedudgi hozzászólására (») Dec 3, 2017 /
 
Ertem en hogy gozgep...
300szor 100ig meritem vagy
1500szor 60ig? Az utobbi elonyosebbnek tunik elettartam szempontjabol.
(#) nedudgi válasza szsrobert hozzászólására (») Dec 3, 2017 /
 
Ne töltsd 100%-ig, és még előnyösebb lesz.
Azt se felejtsd el, hogy a sok dugástól meg a csatlakozók kopnak el. Egy USB csatlakozó például a legjobb esetben is 1000 körüli ciklusra van specifikálva.
Következő: »»   171 / 336
Bejelentkezés

Belépés

Hirdetés
XDT.hu
Az oldalon sütiket használunk a helyes működéshez. Bővebb információt az adatvédelmi szabályzatban olvashatsz. Megértettem