Fórum témák

» Több friss téma
Fórum » MOC30xx tirak gyújtó áramkörök
 
Témaindító: GAZ, idő: Aug 25, 2006
Témakörök:
Lapozás: OK   1 / 2
(#) GAZ hozzászólása Aug 25, 2006 /
 
Sziasztok!

A fényorgonás topicban feltettem már ezt a kérdést,
de úgy tűnik az már kihalt.

A teljesítmény elektronikához tökhülye vagyok. Ezzel kapcsolatban lenne kettő kérdésem:

Vannak ezek a triak gyújtó jószágok mint pl.:
MOC3041, MOC3061...

1) "Zero Voltage Crossing" megjegyzés az
adatlapon arra utal, hogy ha a hálózati jeltől
asszinkron módon vezérlem, ő garantálja,
hogy nem azonnal, hanem a következő
0-átmenetkor kapcsolja be a triakot?

2) Az adatlapokban vannak példa kapcsolások,
melyben MOC30xx kimenete 300 Ohm
nagyságrendű ellenálláson keresztül
csatlakozik a triak gate-jéhez.
Arról viszont nem ír semmit az adatlap, hogy
itt mennyi ideig, mekkora áram folyik.
Fél wattos ellenállás ide elég, vagy valami izmosabb
példány kell?

Előre is kösz a választ...
(#) dB_Thunder válasza GAZ hozzászólására (») Aug 25, 2006 /
 
Ha jól látom akkor ezeknek "ledes" bemenetük van mint az optocsatolóknak.
Az adatlapuk 50 mA áramot ír.(szabályozható áramgenerátorral kellene tesztelni,hogy mikor kezd vezetni) És gondolom addig vezet míg adod neki ezt az áramot.
(#) Sebi válasza GAZ hozzászólására (») Aug 25, 2006 / 4
 
1. Igen.
2.Elég. Nekem 0805 SMD simán bírja évek óta.
Azért azt megjegyzem, hogy ezekel a (zerocross) típusokkal csak villogtatni tudod a lámpásokat.
Ha intenzitásvezérlést szeretnél, akkor a MOC3021 pl nem tartalmazzza a zerocross áramkört, tehát ha más módon (pl PIC) oldod meg a nullaátmenethez késleltetett gyújtóimpulzus-generálást, úgy megvalósítható.
(#) GAZ válasza Sebi hozzászólására (») Aug 26, 2006 /
 
Köszi a választ!

Igen tudom, hogy ezzel elvileg csak villogtatni
tudom a lámpákat.
Pontosan a "zerocross" funkcióra van szükségem,
hogy a zavarszűrést megússzam.

Ha megeglégszek 6..8 fényerő szinttel, a fényerő szabályozást is meg tudom oldani, csak
nem fázist hasítok, hanem teljes félperiódusokra
kapcsolom ki/be a lámpát.

A triak vezérléséhez a szigma/delta AD és DA
konverterekben alkalmazott megoldást akarom
használni. Szotverben könnyen implemetálható,
és egyenletesen osztja el a ki- és bekapcsolt
állapotokat.
Ha hat szint van a kimenetek a következők:

BE/KI
0:
000000 000000
1:
100000 100000
2:
100100 100100
3:
101010 101010
... stb
(#) Sebi válasza GAZ hozzászólására (») Aug 26, 2006 /
 
Ez jó ötlet, tetszik.
Még az impulzuscsomag-vezérlés ("léckerítés") jutott eszembe.
(#) Happy555 hozzászólása Jan 10, 2015 /
 
Sziasztok!

Segítsetek légyszíves ha van ötlet!

Ablakredőny motorokat szeretnék vezérelni,de valahogy nem akar összejönni
A logikai rész rendben van (arduino), a moc3041 egy I2C portbővítőn keresztül van vezérelve.
Moc 1-es lába vcc-n, 2-es pedig ellenállás(180Ohm)-LED-Portbővítő.
A moc bemenetén 9mA folyik.
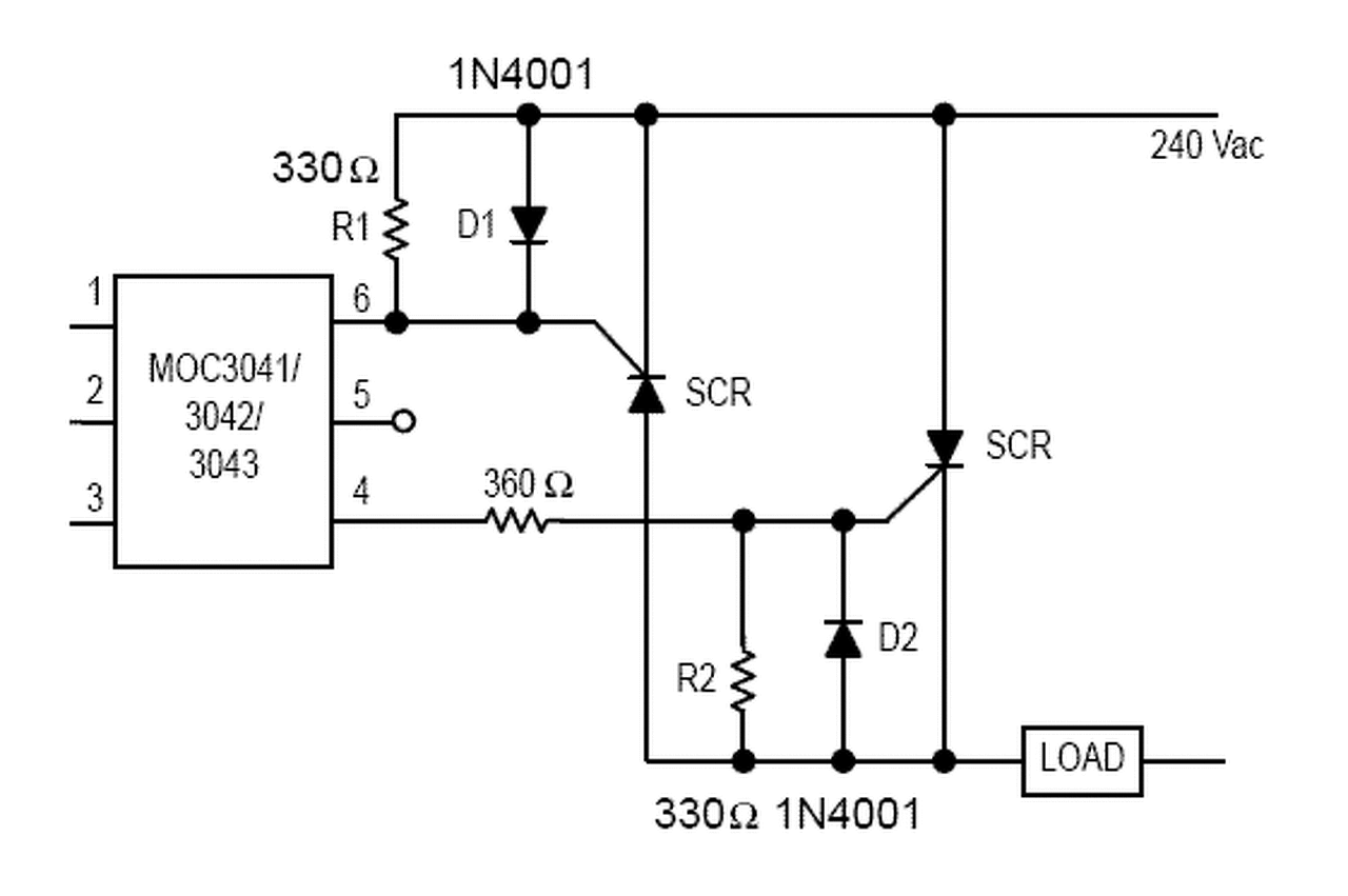
SCR-ek TIC106M-típusúak(5A), R1 és R2 ellenállás mellőzve (adatlap szerint opcionális), szerepük nem ismert :/
A 4-es lábon a rajz szerinti 360Ohm ellenállás.

Próbálkoztam triakkal, de az induktivitás hazavágta pár másodperc alatt, a motor 300mA-t vesz fel.
Ezért építettem a tirisztoros verziót.

Jelenség:
Néha elindul rendesen a motor, néha meg csak búg. Van amelyik csak az egyik irányba hajlandó menni, másikba búg (mitha mindkét motorkivezetés kapná a fázist egyszerre).
Cserélgettem a moc-okat de random káosz az egész.
Viszont ha kiveszem őket a foglalatból és a 4 és 6 közé kapcsolót teszek, akkor tökéletesen működik a tirisztor része.

Sokat kaphat a moc, vagy keveset, vagy a nullátmenetet zavarja össze a motor?
A hozzászólás módosítva: Jan 10, 2015

2scr.GIF
    
(#) Orbán József válasza Happy555 hozzászólására (») Jan 10, 2015 /
 
Szia!
Ha megnézed a MOC3041 adatlapját, a LED-je15mA-errel boldogul a 9-el lehet vérszegény...
RC snubber pedig nem árt a kapcsolással párhuzamosan.
Ha utóbbi megvan, elképzelhető, hogy triakot is lehet használni.
A hozzászólás módosítva: Jan 10, 2015
(#) Happy555 válasza Orbán József hozzászólására (») Jan 10, 2015 /
 
Szia!

Bár szegényes az angolom, de én is ezt olvastam ki az adatlapból, ezért csökkentettem az ellenállást 330-ról 180-ra (egy oldalról néztem a kapcsolást) !
*EREDETI*

Moc 3041 adatlapján csak triak vezérléshez volt rc snubber, más oldalon írta is valaki hogy a triak nem viseli az induktív terhelést. El is szálltak szépen, aztán elfüstöltek az ellenállások. Ezért építettem újra az egészet 28 tirisztorral (14 csatorna +bővítők, stb..)

Lehet jobb választás lenne a MOC3021 vagy 3022?
Jut eszembe, nem lehet kevés neki a feszültség leden keresztül ???
(#) Orbán József válasza Happy555 hozzászólására (») Jan 10, 2015 /
 
Ha a 15mA kialakul, akkor minden rendben lesz. Hasonló kapcsolással működtetek kW nagyságú elektromágneseket. 330 Ohm helyett 510-et rakok, de nem hiszem, hogy lényeges. Mérj áramot, legyen meg a 15mA a meghajtó LED-nél... Nekem is van még egy külső LED-em is.
Az 510 Ohm a tirisztorok lezáró ellenállása és azt hiszem 100 Ohm-al zárom össze a két gatet.
A hozzászólás módosítva: Jan 10, 2015
(#) Happy555 válasza Orbán József hozzászólására (») Jan 10, 2015 /
 
Köszönöm!
Majd tesztelem, bár vennem kell pár új moc-t :/
Némelyik már vezérlés nélkül is átereszt!
Az R1 és R2 ellenállásnak mi a szerepe?
Baj hogy elhagytam?
A hozzászólás módosítva: Jan 10, 2015
(#) Happy555 hozzászólása Jan 10, 2015 /
 
Varisztor is jó szűrni a tüskéket?
R1 R2-t hívják lezáró ellenállásnak?
A hozzászólás módosítva: Jan 10, 2015
(#) Orbán József válasza Happy555 hozzászólására (») Jan 10, 2015 /
 
Ne hagyd el az ellenállásokat, azok a lezárók. Varisztor is jó - az RC tag mellé...
(#) Happy555 válasza Orbán József hozzászólására (») Jan 11, 2015 /
 
Csak nem hagyott nyugodni a dolog
Kivettem a ledeket a sorból, belőttem a 15mA-t, bekötöttem a 330-as "lezárókat" és lám , működik !
Már "csak" az a bajom, hogy kb 5. kapcsolásra (vagy leállásra) kiakasztja az I2c-t és aztán kifagy a mikrokontroller.
Nincs itthon csak 50V-os kerámia, a 10 nanoból.
Hány voltosat vegyek?
Egyáltalán az szűri a motor keltette zavarokat, vagy csak pont a mototrok téves indulását korlátozza ?
Mit tudok tenni az ellen hogy kiakad a kontroller?

Köszönöm az eddigi segítséged is!
(#) Orbán József válasza Happy555 hozzászólására (») Jan 11, 2015 /
 
Ha a 15mA sok a kontrollernek, azt kipróbálhatod a hálózati terhelés kapcsolgatása nélkül is, csak magában az optót működtetve sorozatban. Utána még lehetne rakni egy tranyót, hogy ne a kontroller kimenete vezérelje az optót közvetlen. Ha itt is zavarog, akkor a szűrést meg kell kicsit módosítani. A terheléssel párhuzamosan semmiképpen ne tegyél 50V-os alkatrészt. x2 jellegű, 230-250V~ os kondik kellenek. Rossz pc tápból tudsz kitermelni.
(#) Happy555 válasza Orbán József hozzászólására (») Jan 11, 2015 /
 
Moc-ok a két Pcf8574-ről kapja a negatív vezérlést, adatlap szerint 25mA-t tud.
Nincs is vele baj, csak mikor 220-at kapcsolgat.
Van egy I2C-s lcd is, az kezdi a hülyülést, aztán kiakad a kontroller.
Lehet az SCL és SDA szálak kívánnak valami szürést.

Jó ötlet, döglött tápból jól állok
(#) Orbán József válasza Happy555 hozzászólására (») Jan 11, 2015 /
 
Szinte mindegyik tápban van, olyan fényes, barna bevonatú kondi 1 db, azok kimondottan impulzusszűréssel állnak jól. A táp bemeneten meg az ellentétes irányba tekert fojtó... Aztán sok tápban van mindjárt a hálózati csatlakozásnál VDR és kondi, fojtó, ezt kompletten rárakhatod az elektronikád tápjára. A védőföldelés használata is fontos!
(#) Sebi válasza Happy555 hozzászólására (») Jan 11, 2015 /
 
A látszólag egyszerű feladattal is meggyűlhet az ember baja.
1.) A redőnymotor ugyebár kap egy nullát és a fázist kéri - iránytól függően - egy-egy lábára. Ezekre teszel tirisztorpárt vagy triakot - mintha relé érintkezők lennének, de ezek NEM azok. Amikor bekapcsolod az egyik (irányt), a másik kivezetésen is megjelenik a hálózati fesz, legtöbbször még nagyobb is, ami képes a főelektródok felől begyújtani a másik irány - nem vezérelt - eszközét (dU/dT paraméter). Ez ellen elég nehéz - és főleg alkatrész igényes, induktivitásos - zavarszűréssel kell védekezni. Ugyanez az effekt felléphet azonos fázison ki-be kapcsolgatott más fogyasztó hatására is.
2.) A kontrollerbe a tápegységen keresztül jutnak be a zavarok, kapcsolóüzemű megoldással a legegyszerűbb elkerülni. Az optótriakok helye a hálózati panelen van, ahonnan vezetékezheted a kontrollerhez a LED-oldalt.
(#) dcsabi válasza Happy555 hozzászólására (») Jan 11, 2015 /
 
Az előttem szólót tudom igazolni. A PIC-et el kell látni mindenféle zavar elleni szűréssel, a keletkező zavart meg kell szüntetni, vagy a minimálisra korlátozni. Ez egy gyári megoldás. (igaz nem PIC a processzor, hanem 80C552) Illetve az a mester, ami a képen látszik, az meg PIC (szolga) ez is I2C-s kapcsolat. Nem tudok róla, hogy valaha zavar keletkezett volna a működésben. Ezek 15 éve bíztosan mennek és 1kw-os trafót kapcsolgatnak, 1% teljesítmény felbontásban...az induktívitás és a megfelelő kondi a varázsszer.
A hozzászólás módosítva: Jan 11, 2015
(#) Tetye válasza Happy555 hozzászólására (») Jan 11, 2015 /
 
Hali!
Nézzél rá erre a topicra, anno én is sokat szórakoztam de azóta működik, és induktív körben is.
Nekem a gáz kazánban lévő mágnes szelepet kapcsolja, egy mosógép víz töltő szelepét, és 3db keringető szivattyút.
Nekem is úgy van megoldva hogy az AVR beszélget egy MCP23017 es bővítővel, arról megy egy ULN28003, arról a soros ellenállás-led-MOC3041.
Nagyon régóta működik hibátlanul.
Az ellenállás mérete végül lehet hogy kisebb volt kicsit nem 390R de nem biztos.
Bővebben: Link
(#) Happy555 hozzászólása Jan 13, 2015 /
 
Köszönöm a sok infót!
Igen, beleszaladtam egy ilyen egyszerűnek tűnő vezérlésbe.....
Rengeteg időm van már ebben a projektben (és pénzem), ezennel feladtam a szűrögetést.
pont a relét akartam kiváltani, mert zavart egy csomó dolgot. Sőt, még össze is égtek néha az érintkezők! Még a kismegszakítóim is kattannak egyet a redőnyök indulása és leállása után, olyat rúgnak :/
Gondoltam majd jó kis szikramentes, nullátmenetes cuccot faragok....

Lezártam a dolgot szoftveresen:
Portbővítőnek küldött adatot másodpercenként ötször visszaolvasom, ha nem egyezik, újraküldöm.
Ha tízszer nem egyezik ----> restart avr.
(#) Happy555 válasza Tetye hozzászólására (») Jan 13, 2015 /
 
Miért kellett még ULN is az MCP után? Az nem tud 25mA-t?
(#) Sebi válasza Happy555 hozzászólására (») Jan 13, 2015 /
 
Csak tanácsolni tudom Neked a sok éve alkalmazott megoldásomat: motorirány kijelölése relével, majd pár msec után a triac gyújtása. A relét egész kicsire lehet választani, mert sosem kapcsol áramot (csak átereszti azt). Kikapcsolás triac-kal, majd relével.
Nem kell 25mA-rel kergetni az optót, az a 100mA max triac-áramhoz tartozó érték. Nekem PIC-kimenet hajtja 220 ohmról úgy, hogy még egy LED is van sorosan. 400VA-es 3 fázisú motort kapcsol és az áramkör a motor kapocslécre van szerelve.
A hozzászólás módosítva: Jan 13, 2015
(#) Happy555 válasza Sebi hozzászólására (») Jan 13, 2015 /
 
Ez jól hangzik!
Köszi!
(#) Happy555 válasza Sebi hozzászólására (») Jan 13, 2015 /
 
Jut eszembe, próbálkoztam hasonlóval, egy ssr-t tettem be az relék elé, és elvettem vele az áramot amíg a relék beálltak, de kinyírta az ssr-t is :/
Nem értettem miért, pedig mikor megy a motor, 300mA-t vesz fel, vagyis a 7db összesen 2,1 Amper.
Vad lovak rugdoshatnak odabenn....

Nekem most 200-as ellenálláson keresztül megy a moc, led nélkül. Így 15mA. (csak azért írtam 25-öt, mert annyit tud a pcf lába)
A hozzászólás módosítva: Jan 13, 2015
(#) Sebi válasza Happy555 hozzászólására (») Jan 13, 2015 /
 
Írtam már fentebb, hogy a motor nem használt irányú kivezetésén akár 4-500V is megjelenik, mikor a használt irányon kapja a 230-at. Ez gyújtogatja a nem vezérelt eszközt.
(#) proli007 válasza Happy555 hozzászólására (») Jan 13, 2015 /
 
Hello!
Az, hogy gyári SSR-t használsz, még nem mentesít attól, hogy annak tranziens védelmét meg kellene oldani..
A hálózati rész helytelen huzalozása (kapacitív - induktív csatolás) nagymértékben ronthatja az AVR zavarérzékenységét..
A hozzászólás módosítva: Jan 13, 2015
(#) Happy555 válasza Sebi hozzászólására (») Jan 13, 2015 /
 
igen, értettem, tudom. Tettem varisztort is az ssr-el párhuzamosan. Hagyományos relék voltak az ssr mögött.
Egy motorhoz két relé. Az egyik adta tovább a másiknak az áramot, a második pedig kapcsolta azt az irányok közt.
A hozzászólás módosítva: Jan 13, 2015
(#) Happy555 válasza proli007 hozzászólására (») Jan 13, 2015 /
 
Ez az a téma amihez lövésem sincs :/
Kisfeszben jobban otthon vagyok.
(#) Tetye válasza Happy555 hozzászólására (») Jan 13, 2015 /
 
Pont 25mA/PIN és van olyan láb ahol relé van mögötte, nem opto.
Nekem valahol 20-30mA körül volt stabil a működése.
(#) senjucsizi hozzászólása Jan 26, 2018 /
 
Üdvözlet!

Egy kis segítségre lenne szükségem aki kicsikét jobban érti a nullátmenezes optokapukat.
Adott egy probléma: Vettem magamnak otthonra egy Quick 957DW+ levegős kiforrasztó állomást. Viszont amikor megérkezett postán derült ki hogy elnéztem és ezt 110V-os hálózatra kell rádugni. Mondanom sem kell vissza nemtudom küldeni mert rengeteg pénzt buknék vele úgyhogy nekiálltam szétszedni.

Amire jutottam: 3 részből áll amit átkellett nézni: 1.: Trafó (szerencsére úgy alakították ki hogy a primer oldalon 2 tekercs van, ha párhuzamosan van kötve akkor 110V-os hálózatról üzemel, ha sorba akkor 220) Ezt át is kötöttem PIPA 2.: A fejben lévő fűtőszál (szétszedtem de nemtaláltam megfelelő infót róla biztos ami biztos alapon berendeltem a típusnak megfelelő 220Vac-t) Kicseréltem ez is PIPA.

Ami a probléma forrása 3.: Az elektronikai panel. Ezen van egy kis áramköri rész ami a hálózati feszültséget egy MOC3041-es Nullátmenetes OptoTriac os áramkör segítségével adja rá a fűtőszálra. Visszarajzolva pontosan ugyan az a kapcsolást alkalmazták ami az adatlapon van.

Amiben tanácstalan vagyok: A MOC3041-es adatlap szerint 110Vac -hoz használlható 220V-os hálózathoz nem. Keresgéltem és nem bírom eldönteni ez helyettesíthető e a MOC3061-el. A kettőnek más a dV/dt értéke ez nemtudom okozhat e nekem problémát.
Ami még zavar hogy az adatlap elején kitér rá hogy 110Vac-t tud szabályozni viszont a mintakapcsolásban pedig 240Vac szerepel.

Véleméynetek, lehet ki sem kell cseréljem?

Adatlap:
http://exa.unne.edu.ar/ingenieria/sysistemas/public_html/Archi_pdf/...41.pdf

Hot–Line Switching Application Circuit
Következő: »»   1 / 2
Bejelentkezés

Belépés

Hirdetés
XDT.hu
Az oldalon sütiket használunk a helyes működéshez. Bővebb információt az adatvédelmi szabályzatban olvashatsz. Megértettem