Fórum témák
» Több friss téma |
Mielőtt kérdezel, a következő két dolgot ellenőrizd!
I. A helyes tápfeszültségek megléte.
II. A kimeneten van-e egyenfeszültség.
Élesztés.
Sziasztok! Van egy Videoton EA 7386 S Erősítőm és nem működik benne a VFD Kijelző. Meg szeretném javítani. Szerintetek hol keressem a hibát? Nem találok kapcsolási rajzot. Áram meg van. Válaszokat előre is köszönöm!
Üdv.: Tibor A hozzászólás módosítva: Márc 7, 2018
A.vfd kijelzőt nem lehet javitani csupán a köritését lehetséges.
Le kellene ellenörizni a fütő feszültsége meg van vagy nincs . Estleg nem e repedt törött a kijelzö? A hozzászólás módosítva: Márc 7, 2018
A hibajelenséget pontosabban kellene megfogalmazni, mert ha pl egyáltalán nem világít akkor más lehet a hiba, mint ha csak nem mutat nem jár, ... először ellenőrizd a részegység tápellátását mindenképpen.
Igazad van, pontosítok. Abszolút nem világít. Táp van, a nagy kondin 25 volt van.
És a driveren mennyi? Úgy értem azon a sok lábon gnd hez képest? Ha elment a háttér világítás akkor azt már alapból nem tudod javítani még ha a vfd egység megyen is.
Elsőként cső két szélén mérj feszültséget .
Ha ott tudsz mérni valamit akkor a folytatás a cső ellenőrzése . A cső két szélén ellenálas mérés , a fűtőszál szakadás vizsgálata. A cső 12 max 18 volt ot kap illetve a fütése 2.5 volt A hozzászólás módosítva: Márc 7, 2018
Okés. Estére leellenőrzöm. Köszi az adatokat.
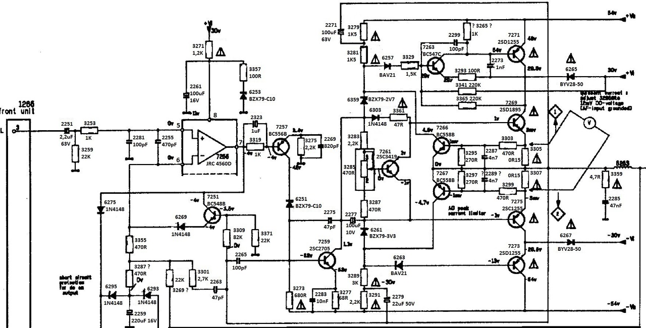
Szia! Javaslatod szerint cselekedtem, betettem az 1K-s ellenállásokat és a bekarikázott helyre BC337 tranzisztort. Áram alá helyezve a készüléket a rajzon feltüntetett feszültségeket mértem.
Az egyik csatorna kimenetén 90mV-ot a másikon -11V-ot mértem (ez utóbbi gondolom "gáz") Jelet még nem kapcsoltam a bemenetére, hogy a kimenetet szkóppal is megnézzem, de holnap ez is meg fog történni. Tüzetes méricskélésem ellenére ezek szerint még mindig van valahol hibás alkatrész.
Megoldódott! Kontakt hiba volt ( sorcsatlakozó ). Viszont eléggé fáradt lehet már a vfd kijelző, mert az alsó sor halványabb mint a felső. Na de sebaj, működik az a lényeg!
Sziasztok erősítő átépítése során sajnos elhalálozott egy HA 1457 a kérdésem . A következő lenne. Esteleg itt , fórum társak között nincs e valakinek elfekvöben egy . Bontott is jó. (Sima műveleti ic ,csak magas tápfeszen jár) Vagy mivel tudnám kiváltani ? Más tokozás sem lenne gond, csinálok hozzá kis nyákot ha más megoldás nem maradna.
Hanggenerátorról kötöttem jelet (sin) az erősítő AUX bemenetére. A jónak vélt oldal kimenetén rendben lévőnek tűnik a jelalak, reagál a hangerő és a hangszín beállító potikra, de a másik semmit nem mutat, csak a DC -11V-ot.
Próbálom megkeresni a hibás alkatrészt, de nem boldogulok vele. A hibás oldalban minden tranzisztort és diódát kimértem műszerrel és az ellenállások java részét is. Hogyan lehetne feszültség mérésekkel behatárolni a hibás alkatrészt? A rajzon alig-alig látszanak a referencia pontok feszültségértékei. Mára befejeztem. A hozzászólás módosítva: Márc 8, 2018
Mérj a bemeneti részben lévő IC -lábain feszültséget, ha a két oldalé eltér, akkor hibás az IC és ezért borul el a kimenete a végfoknak. Mérni kell az IC tápfeszültségét, a diódákat, hogy azok jók-e és mindent írjál fel, hogy a másik csatorna méréseivel összevetve, megtaláld a hibás alkatrészt.
Sok sikert! Üdv!
Szia! Írd rá a rajzra nálad mennyi a feszültség azokon a pontokon, ahol légypiszokszerűen
látható az elvárt érték. Ezen a rajzon mit jelent a magas-pozitív és az alacsony-negatív betáp pontokra írt 0 V feszültség?
Szia! A google-t is nyugodtan megkérdezheted Bővebben: Link
Nem egyedi probléma.
Szia! Nem kevés bogarászás után találtam még egy szakadt ellenállást. Csere után végre eltűnt a kimenetről a DC, és a védelem már nem tilt. Most mind a két oldal kimenetén 180 mV van. Ez már megfelelőnek mondható?
Idézet: „Az alacsonytápos darlingtonok B-E helyén lévő 1 kΩ-on 1 V-nál valamivel kisebb feszültség kell essen.” Az általad jelzett 1K-s ellenálláson 4,1, illetve 4.3V esik (mindkét oldalon ugyan az a helyzet). Ez jó lehet? Idézet: „... mit jelent a magas-pozitív és az alacsony-negatív betáp pontokra írt 0 V feszültség?” Az ellenállás két lábán mért feszültség. Szkóppal vizsgálva a két oldal kimenetét azonos jelalakokat látok (szinusznak szinusz, de inkább görbe sereg, ami a nullátmenetnél "egyesül" egy pontban. Mintha zajos lenne). A hozzászólás módosítva: Márc 9, 2018
Szia!
Idézet: „Mérni kell az IC tápfeszültségét, a diódákat, hogy azok jók-e” Ezeket már korábban megtettem. Mivel már nem volt hangulatom kiforrasztani az alkatrészeket (nagyon vacak a nyák, válik el a fólia), a hibás alkatrész keresést -javaslatod szerint- a két oldal azonos pontjainak összehasonlításával folytattam, így bukott ki még egy hibás alkatrész. Az előjelek biztatóak, remélem most már jó lesz. Ha megérkezik a tranzisztor szett (ebay) beültetem őket és következhet az élesztés. A hozzászólás módosítva: Márc 9, 2018
Valami földhurkod van esetleg hálózati brumm.. Én 1 évig kűzdöttem mire meglett a nyavajás..
Sípolt halkan meg mindenféle zajt összeszedett mire most eljött a kondicsere ideje, és akkor láttam meglepődött arccal hogy a 230v PE vezetőjére gyárilag mindenféle ellenállás nélkül oda volt kötve a trafóközép innentől gnd... Azt leválasztva az erősítő zajtalan és megjött az ereje is... Én úgy tudom hogy legalább ha a PE vezető és a trafó szekunderközép össze van kötve akkor oda kell egy 10kohm legalább a föld közé.... Nem azt mondom hogy nálad is ez van, csupán egy lehetőség.
Szerintem Te nem olvastad el az előzményeket. Egy rommá égetett és gány módon "javítani" próbált Philips erősítő sírból való visszahozása most a cél.
Követem nagyjából, de nem kell készpénznek venni, várjuk meg az élesztés után mi történik.
Ez akkor már a "kisebbik" gondod lesz ha egyáltalán lesz ilyen gerjedésed vagy földhurkod..
Kedves metabo123!
Segítségül, talán használva tennék a témához. És hogy ne én mondjam, idéznék, megfontolásul. "Elektrolit kondenzátor -- a végső stádium A hagyományos elektrolit kondenzártorok jól meghatározott élettartammal rendelkeznek, így 15-20 év elteltével mindenképp cserélni kell őket. Jellemzően szinte minden audio eszközben találhatunk különböző kapacitású elektrolit kondenzátorokat, melyeknek egy bizonyos kort elérve csökken a töltéstároló képességük, működésük megváltozik, fokozatosan nő az ellenállásuk. A végső stádiumban nem képesek töltéstárolásra, ilyenkor már a berendezés egyéb egységei is károsodhatnak. A tápegységekben alkalmazott puffer kondenzátorok komoly elöregedésére utaló jel, amikor megjelenik a hangkimeneten a váltakozó áram 50Hz-es alapfrekveniája. A tartósan magas hőmérséklet gyorsítja az öregedési folyamatot, így pl. IC vagy tranzisztor közvetlen közelében néhány évre csökkenhet az élettartam. Bár a nagykapacitású elektrolit kondenzátorok legtöbbjén van biztonsági szelep, azért nem árt óvatosnak lenni és még idejében cserélni őket. Szélsőséges esetben a belsejében lévő folyékony vegyianyag egyre növekvő nyomása robbanásszerűen kilőheti a kondenzátor fedősapkáját. Milyen jelek utalnak a csere időszerűségére? Elsőként érdemes szemügyre venni a kondenzátor fizikai állapotát, ugyanis (az öregedéssel) növekvő belső nyomás feszíti a fedősapkát, ami egyre inkább felpúposodik miközben a folyadék szivárgása megindulhat. A hangzás is megváltozik ebben a stádiumban, a dinamikai csúcsok energiája csökken, a zene sokat veszít lendületéből. Ennek oka, hogy a tápegységben pufferként üzemelő kondenzátorok már nem képesek a szükséges töltésmennyiség átmeneti tárolására, működésük megváltozik, így a dinamikai csúcsokban a végerősítő megnövekedett energiaigényét már nem képesek fedezni". Sikeres javítást kívánok, Elek
A 180 mV-os kimeneti egyenfeszültség több mint az elvárható, mérd meg a műveleti erősítő bementi feszültségeit, a tárgyalt rajzrészleten 5-ös és 6-os láb.
A darlingtont beültetve azonnal teljesen kinyitna a 4 V-os feszültségtől, próbáld lejjebb vinni a BC337 bázisán lévő trimerrel. Mint azt a doksi is helyesen írja a BC337 C-E feszültsége legyen 2 V, vagy valamivel az alatti érték. Míg ezt nem éred el, a végtranzisztor megsemmisülésre van ítélve.
5., 6. láb feszültsége -47mV a GND-hez képest, hasonló képen a 2., 3. lábak.
A BC337 C-E feszültséget csak 6,7V-tól 5,6V-ig tudom állítani a trimmer két végállása között. A hozzászólás módosítva: Márc 9, 2018
A 180-47 mV melyik ellenálláson esik a visszacsatoló ágban? Testen volt a bemenet mikor a méréseket végezted?
A BC337 emittert és kollektort a kapcsolási rajz szerint ültetted be? Olyan mintha fel lennének cserélve. Ha jó a beültetés, akkor a trimmer és a két ellenállás értékét vesd össze a jó oldallal!
Lehet rosszul értelmezem a feladatot, akkor elnézést kérek.
A 180mV a hangszóró kimenet és a GND között mért feszültség. A -47mV pedig az IC ötös és hatos lábán mért feszültség szintén a GND-hez képest. Úgy gondolom lábhelyesen forrasztottam be a BC337-t, figyeltem az eltérő lábkiosztásra. Sajnos nem tudom csak hétfőn ellenőrizni a lábhelyességet és a trimmer és a környező ellenállások értékét, mert a cucc a munkahelyemen van én pedig csak hétfőn megyek dolgozni. Idézet: „... a két ellenállás értékét vesd össze a jó oldallal!” Most már mind a két oldal egyformán viselkedik, azt követően, hogy kiszűrtem még egy hibás ellenállást. Bővebben: Link
A fejlécet érdemes elolvasni sok keserűségtől menthet meg a jövőben. A kimeneteken 200mV alatti dc szintnek kell beállni ez a cél legalábbis ha minden oké és nincs sehol gubanc az alkatrészekkel... Általában elmondható hogy azért legalább ennek kb a fele szokott lenni...
A kimenet és az IC 6-os láb között van egy 22k és egy 470 Ω ellenállás, ezek egyikén sem indokot 100 mV nagyságrendű feszültségesés. Egyrészt lehet gond ezzel a két ellenállással, másrészt a 220 µF kondi és a limiter (ha az) is bezavarhat.
Ha nem volt a bemenet testre zárva, akkor a 180 mV méréseredmény közönséges zajból is származhatott, ez esetben kár hibás alkatrészt keresnünk. A kimeneti egyenfeszültséggel azért foglalkozunk, mert ez a mérték egy nagyságrenddel nagyobb, mint amit a műveleti erősítő áramkörben betöltött szerepe alapján megengedhetnénk. A nyugalmiáram-szabályzó körben a BC337 bázisosztója 2k2 és 470 Ω + 470 Ω trimmer + ellenállás. A mért 6 V-os feszültségből irreálisan nagy bázisáram jön ki, ezért gyanakszom helytelen beültetésre.
Útmutatásod szerint hétfőn folytatom a hibakeresést és a méréseket, ahogy már írtam nem vagyok az erősítő közelében. Addig is, hogy ne tétlenkedjek letisztáztam a kapcsolási rajzot, mert borzasztó volt az alapján bármit is megtalálni. Így már biztos sokkal könnyebb lesz.
Köszönöm és jó hétvégét!
Kihasználva a hivatkozási lehetőséget, a 3269?, valamint a 3355 pozíciószámú ellenállásokon eső feszültséget mérd meg!
|
Bejelentkezés
Hirdetés |







látható az elvárt érték. 





