Fórum témák

» Több friss téma
Fórum » Erősítő mindig és mindig
Mielőtt kérdezel, a következő két dolgot ellenőrizd! I. A helyes tápfeszültségek megléte. II. A kimeneten van-e egyenfeszültség. Élesztés.
Lapozás: OK   2074 / 2567
(#) DRAWS hozzászólása Márc 7, 2018 /
 
Sziasztok! Van egy Videoton EA 7386 S Erősítőm és nem működik benne a VFD Kijelző. Meg szeretném javítani. Szerintetek hol keressem a hibát? Nem találok kapcsolási rajzot. Áram meg van. Válaszokat előre is köszönöm!
Üdv.: Tibor
A hozzászólás módosítva: Márc 7, 2018
(#) CIROKL válasza DRAWS hozzászólására (») Márc 7, 2018 /
 
A.vfd kijelzőt nem lehet javitani csupán a köritését lehetséges.
Le kellene ellenörizni a fütő feszültsége meg van vagy nincs .
Estleg nem e repedt törött a kijelzö?
A hozzászólás módosítva: Márc 7, 2018
(#) ozpecs válasza DRAWS hozzászólására (») Márc 7, 2018 /
 
A hibajelenséget pontosabban kellene megfogalmazni, mert ha pl egyáltalán nem világít akkor más lehet a hiba, mint ha csak nem mutat nem jár, ... először ellenőrizd a részegység tápellátását mindenképpen.
(#) DRAWS válasza ozpecs hozzászólására (») Márc 7, 2018 /
 
Igazad van, pontosítok. Abszolút nem világít. Táp van, a nagy kondin 25 volt van.
(#) zotya1983 válasza DRAWS hozzászólására (») Márc 7, 2018 /
 
És a driveren mennyi? Úgy értem azon a sok lábon gnd hez képest? Ha elment a háttér világítás akkor azt már alapból nem tudod javítani még ha a vfd egység megyen is.
(#) CIROKL válasza DRAWS hozzászólására (») Márc 7, 2018 / 1
 
Elsőként cső két szélén mérj feszültséget .
Ha ott tudsz mérni valamit akkor a folytatás a cső ellenőrzése .
A cső két szélén ellenálas mérés , a fűtőszál szakadás vizsgálata.

A cső 12 max 18 volt ot kap illetve a fütése 2.5 volt
A hozzászólás módosítva: Márc 7, 2018
(#) DRAWS válasza zotya1983 hozzászólására (») Márc 7, 2018 /
 
Abszolút nem világít rajta semmi.
(#) DRAWS válasza CIROKL hozzászólására (») Márc 7, 2018 /
 
Okés. Estére leellenőrzöm. Köszi az adatokat.
(#) metabo123 válasza reloop hozzászólására (») Márc 7, 2018 /
 
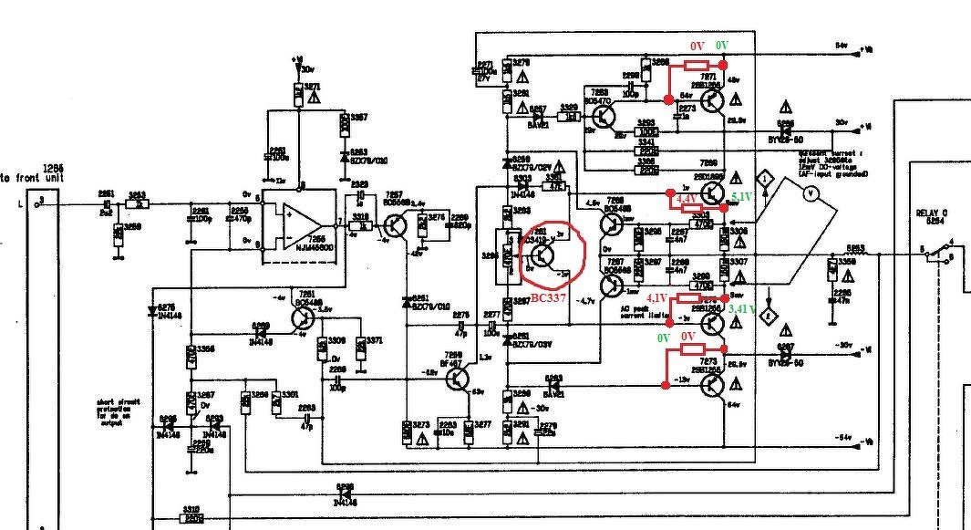
Szia! Javaslatod szerint cselekedtem, betettem az 1K-s ellenállásokat és a bekarikázott helyre BC337 tranzisztort. Áram alá helyezve a készüléket a rajzon feltüntetett feszültségeket mértem.
Az egyik csatorna kimenetén 90mV-ot a másikon -11V-ot mértem (ez utóbbi gondolom "gáz")
Jelet még nem kapcsoltam a bemenetére, hogy a kimenetet szkóppal is megnézzem, de holnap ez is meg fog történni.
Tüzetes méricskélésem ellenére ezek szerint még mindig van valahol hibás alkatrész.
(#) DRAWS válasza CIROKL hozzászólására (») Márc 7, 2018 / 2
 
Megoldódott! Kontakt hiba volt ( sorcsatlakozó ). Viszont eléggé fáradt lehet már a vfd kijelző, mert az alsó sor halványabb mint a felső. Na de sebaj, működik az a lényeg!
(#) krisz69 hozzászólása Márc 7, 2018 /
 
Sziasztok erősítő átépítése során sajnos elhalálozott egy HA 1457 a kérdésem . A következő lenne. Esteleg itt , fórum társak között nincs e valakinek elfekvöben egy . Bontott is jó. (Sima műveleti ic ,csak magas tápfeszen jár) Vagy mivel tudnám kiváltani ? Más tokozás sem lenne gond, csinálok hozzá kis nyákot ha más megoldás nem maradna.
(#) Dióda válasza krisz69 hozzászólására (») Márc 7, 2018 / 1
 
Állítólag lehet kapni. Bővebben: Link
(#) metabo123 válasza metabo123 hozzászólására (») Márc 8, 2018 /
 
Hanggenerátorról kötöttem jelet (sin) az erősítő AUX bemenetére. A jónak vélt oldal kimenetén rendben lévőnek tűnik a jelalak, reagál a hangerő és a hangszín beállító potikra, de a másik semmit nem mutat, csak a DC -11V-ot.
Próbálom megkeresni a hibás alkatrészt, de nem boldogulok vele. A hibás oldalban minden tranzisztort és diódát kimértem műszerrel és az ellenállások java részét is.
Hogyan lehetne feszültség mérésekkel behatárolni a hibás alkatrészt? A rajzon alig-alig látszanak a referencia pontok feszültségértékei.
Mára befejeztem.
A hozzászólás módosítva: Márc 8, 2018
(#) Cinema válasza metabo123 hozzászólására (») Márc 8, 2018 / 1
 
Mérj a bemeneti részben lévő IC -lábain feszültséget, ha a két oldalé eltér, akkor hibás az IC és ezért borul el a kimenete a végfoknak. Mérni kell az IC tápfeszültségét, a diódákat, hogy azok jók-e és mindent írjál fel, hogy a másik csatorna méréseivel összevetve, megtaláld a hibás alkatrészt.
Sok sikert!

Üdv!
(#) reloop válasza metabo123 hozzászólására (») Márc 8, 2018 /
 
Szia! Írd rá a rajzra nálad mennyi a feszültség azokon a pontokon, ahol légypiszokszerűen látható az elvárt érték. Ezen a rajzon mit jelent a magas-pozitív és az alacsony-negatív betáp pontokra írt 0 V feszültség?
(#) reloop válasza krisz69 hozzászólására (») Márc 8, 2018 /
 
Szia! A google-t is nyugodtan megkérdezheted Bővebben: Link
Nem egyedi probléma.
(#) metabo123 válasza reloop hozzászólására (») Márc 9, 2018 /
 
Szia! Nem kevés bogarászás után találtam még egy szakadt ellenállást. Csere után végre eltűnt a kimenetről a DC, és a védelem már nem tilt. Most mind a két oldal kimenetén 180 mV van. Ez már megfelelőnek mondható?
Idézet:
„Az alacsonytápos darlingtonok B-E helyén lévő 1 kΩ-on 1 V-nál valamivel kisebb feszültség kell essen.”

Az általad jelzett 1K-s ellenálláson 4,1, illetve 4.3V esik (mindkét oldalon ugyan az a helyzet). Ez jó lehet?
Idézet:
„... mit jelent a magas-pozitív és az alacsony-negatív betáp pontokra írt 0 V feszültség?”

Az ellenállás két lábán mért feszültség.

Szkóppal vizsgálva a két oldal kimenetét azonos jelalakokat látok (szinusznak szinusz, de inkább görbe sereg, ami a nullátmenetnél "egyesül" egy pontban. Mintha zajos lenne).
A hozzászólás módosítva: Márc 9, 2018
(#) metabo123 válasza Cinema hozzászólására (») Márc 9, 2018 /
 
Szia!
Idézet:
„Mérni kell az IC tápfeszültségét, a diódákat, hogy azok jók-e”

Ezeket már korábban megtettem.
Mivel már nem volt hangulatom kiforrasztani az alkatrészeket (nagyon vacak a nyák, válik el a fólia), a hibás alkatrész keresést -javaslatod szerint- a két oldal azonos pontjainak összehasonlításával folytattam, így bukott ki még egy hibás alkatrész.
Az előjelek biztatóak, remélem most már jó lesz. Ha megérkezik a tranzisztor szett (ebay) beültetem őket és következhet az élesztés.
A hozzászólás módosítva: Márc 9, 2018
(#) zotya1983 válasza metabo123 hozzászólására (») Márc 9, 2018 /
 
Valami földhurkod van esetleg hálózati brumm.. Én 1 évig kűzdöttem mire meglett a nyavajás..
Sípolt halkan meg mindenféle zajt összeszedett mire most eljött a kondicsere ideje, és akkor láttam meglepődött arccal hogy a 230v PE vezetőjére gyárilag mindenféle ellenállás nélkül oda volt kötve a trafóközép innentől gnd... Azt leválasztva az erősítő zajtalan és megjött az ereje is... Én úgy tudom hogy legalább ha a PE vezető és a trafó szekunderközép össze van kötve akkor oda kell egy 10kohm legalább a föld közé.... Nem azt mondom hogy nálad is ez van, csupán egy lehetőség.
(#) metabo123 válasza zotya1983 hozzászólására (») Márc 9, 2018 /
 
Szerintem Te nem olvastad el az előzményeket. Egy rommá égetett és gány módon "javítani" próbált Philips erősítő sírból való visszahozása most a cél.
(#) zotya1983 válasza metabo123 hozzászólására (») Márc 9, 2018 /
 
Követem nagyjából, de nem kell készpénznek venni, várjuk meg az élesztés után mi történik.
Ez akkor már a "kisebbik" gondod lesz ha egyáltalán lesz ilyen gerjedésed vagy földhurkod..
(#) mek-elek válasza metabo123 hozzászólására (») Márc 9, 2018 / 1
 
Kedves metabo123!
Segítségül, talán használva tennék a témához.
És hogy ne én mondjam, idéznék, megfontolásul.

"Elektrolit kondenzátor -- a végső stádium
A hagyományos elektrolit kondenzártorok jól meghatározott élettartammal rendelkeznek, így 15-20 év elteltével mindenképp cserélni kell őket. Jellemzően szinte minden audio eszközben találhatunk különböző kapacitású elektrolit kondenzátorokat, melyeknek egy bizonyos kort elérve csökken a töltéstároló képességük, működésük megváltozik, fokozatosan nő az ellenállásuk. A végső stádiumban nem képesek töltéstárolásra, ilyenkor már a berendezés egyéb egységei is károsodhatnak.
A tápegységekben alkalmazott puffer kondenzátorok komoly elöregedésére utaló jel, amikor megjelenik a hangkimeneten a váltakozó áram 50Hz-es alapfrekveniája. A tartósan magas hőmérséklet gyorsítja az öregedési folyamatot, így pl. IC vagy tranzisztor közvetlen közelében néhány évre csökkenhet az élettartam. Bár a nagykapacitású elektrolit kondenzátorok legtöbbjén van biztonsági szelep, azért nem árt óvatosnak lenni és még idejében cserélni őket. Szélsőséges esetben a belsejében lévő folyékony vegyianyag egyre növekvő nyomása robbanásszerűen kilőheti a kondenzátor fedősapkáját. Milyen jelek utalnak a csere időszerűségére? Elsőként érdemes szemügyre venni a kondenzátor fizikai állapotát, ugyanis (az öregedéssel) növekvő belső nyomás feszíti a fedősapkát, ami egyre inkább felpúposodik miközben a folyadék szivárgása megindulhat. A hangzás is megváltozik ebben a stádiumban, a dinamikai csúcsok energiája csökken, a zene sokat veszít lendületéből. Ennek oka, hogy a tápegységben pufferként üzemelő kondenzátorok már nem képesek a szükséges töltésmennyiség átmeneti tárolására, működésük megváltozik, így a dinamikai csúcsokban a végerősítő megnövekedett energiaigényét már nem képesek fedezni".
Sikeres javítást kívánok,
Elek
(#) reloop válasza metabo123 hozzászólására (») Márc 9, 2018 / 1
 
A 180 mV-os kimeneti egyenfeszültség több mint az elvárható, mérd meg a műveleti erősítő bementi feszültségeit, a tárgyalt rajzrészleten 5-ös és 6-os láb.
A darlingtont beültetve azonnal teljesen kinyitna a 4 V-os feszültségtől, próbáld lejjebb vinni a BC337 bázisán lévő trimerrel. Mint azt a doksi is helyesen írja a BC337 C-E feszültsége legyen 2 V, vagy valamivel az alatti érték. Míg ezt nem éred el, a végtranzisztor megsemmisülésre van ítélve.
(#) metabo123 válasza reloop hozzászólására (») Márc 9, 2018 /
 
5., 6. láb feszültsége -47mV a GND-hez képest, hasonló képen a 2., 3. lábak.
A BC337 C-E feszültséget csak 6,7V-tól 5,6V-ig tudom állítani a trimmer két végállása között.
A hozzászólás módosítva: Márc 9, 2018
(#) reloop válasza metabo123 hozzászólására (») Márc 9, 2018 / 1
 
A 180-47 mV melyik ellenálláson esik a visszacsatoló ágban? Testen volt a bemenet mikor a méréseket végezted?
A BC337 emittert és kollektort a kapcsolási rajz szerint ültetted be? Olyan mintha fel lennének cserélve. Ha jó a beültetés, akkor a trimmer és a két ellenállás értékét vesd össze a jó oldallal!
(#) metabo123 válasza reloop hozzászólására (») Márc 9, 2018 /
 
Lehet rosszul értelmezem a feladatot, akkor elnézést kérek.
A 180mV a hangszóró kimenet és a GND között mért feszültség.
A -47mV pedig az IC ötös és hatos lábán mért feszültség szintén a GND-hez képest.
Úgy gondolom lábhelyesen forrasztottam be a BC337-t, figyeltem az eltérő lábkiosztásra.
Sajnos nem tudom csak hétfőn ellenőrizni a lábhelyességet és a trimmer és a környező ellenállások értékét, mert a cucc a munkahelyemen van én pedig csak hétfőn megyek dolgozni.
Idézet:
„... a két ellenállás értékét vesd össze a jó oldallal!”

Most már mind a két oldal egyformán viselkedik, azt követően, hogy kiszűrtem még egy hibás ellenállást. Bővebben: Link
(#) zotya1983 válasza metabo123 hozzászólására (») Márc 9, 2018 /
 
A fejlécet érdemes elolvasni sok keserűségtől menthet meg a jövőben. A kimeneteken 200mV alatti dc szintnek kell beállni ez a cél legalábbis ha minden oké és nincs sehol gubanc az alkatrészekkel... Általában elmondható hogy azért legalább ennek kb a fele szokott lenni...
(#) reloop válasza metabo123 hozzászólására (») Márc 9, 2018 / 1
 
A kimenet és az IC 6-os láb között van egy 22k és egy 470 Ω ellenállás, ezek egyikén sem indokot 100 mV nagyságrendű feszültségesés. Egyrészt lehet gond ezzel a két ellenállással, másrészt a 220 µF kondi és a limiter (ha az) is bezavarhat.
Ha nem volt a bemenet testre zárva, akkor a 180 mV méréseredmény közönséges zajból is származhatott, ez esetben kár hibás alkatrészt keresnünk.
A kimeneti egyenfeszültséggel azért foglalkozunk, mert ez a mérték egy nagyságrenddel nagyobb, mint amit a műveleti erősítő áramkörben betöltött szerepe alapján megengedhetnénk.
A nyugalmiáram-szabályzó körben a BC337 bázisosztója 2k2 és 470 Ω + 470 Ω trimmer + ellenállás. A mért 6 V-os feszültségből irreálisan nagy bázisáram jön ki, ezért gyanakszom helytelen beültetésre.
(#) metabo123 válasza reloop hozzászólására (») Márc 10, 2018 /
 
Útmutatásod szerint hétfőn folytatom a hibakeresést és a méréseket, ahogy már írtam nem vagyok az erősítő közelében. Addig is, hogy ne tétlenkedjek letisztáztam a kapcsolási rajzot, mert borzasztó volt az alapján bármit is megtalálni. Így már biztos sokkal könnyebb lesz.
Köszönöm és jó hétvégét!

VF.JPG
    
(#) reloop válasza metabo123 hozzászólására (») Márc 10, 2018 /
 
Kihasználva a hivatkozási lehetőséget, a 3269?, valamint a 3355 pozíciószámú ellenállásokon eső feszültséget mérd meg!
Következő: »»   2074 / 2567
Bejelentkezés

Belépés

Hirdetés
XDT.hu
Az oldalon sütiket használunk a helyes működéshez. Bővebb információt az adatvédelmi szabályzatban olvashatsz. Megértettem