Fórum témák

» Több friss téma
Fórum » LCD TV probléma
 
Témaindító: ReFi, idő: Szept 17, 2007
Témakörök:
Lapozás: OK   134 / 226
(#) zsa válasza Gafly hozzászólására (») Szept 2, 2018 /
 
Nem vagyok szaki de volt példa hogy gyári firmware nem olvasható hibás szektor vagy hibás rom véget.
Engem az érdekelne hogy az inverternek mi adja a bekapcsolo jelet? Összefüghet firmwarével, vagy M24c02 rom meghibásodása esetén?
(#) zsa válasza zsa hozzászólására (») Szept 3, 2018 /
 
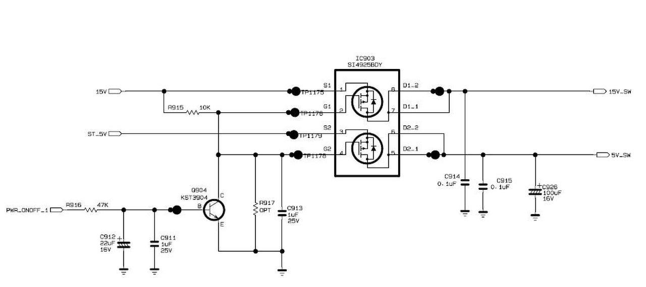
Ez a kapcsolás mit rányit? A tranzisztoron nekem nincs feszültség. Inverterem nem kapja meg az on jelet. Köszönöm

getfile-1.jpg
    
(#) deebo válasza zsa hozzászólására (») Szept 3, 2018 /
 
Ez a tápfeszt kapcsolja, a tranzitor kinyit és lehúzza a fetek gate-jét földre, amik ekkor vezetni kezdenek.
(#) zsa válasza deebo hozzászólására (») Szept 4, 2018 /
 
Köszönom. Az inverter inditó on lábát visszafelé az alaplapra lekövetve ami elég macera volt 1-2 ellenáláson keresztül a proci alá érkezik valószínüleg . Lehetséges hogy a proci adná az inditó jelet közvetlen az inverternek? Ha igy van lehetséges a proci elengedte a forrasztást?
Az inverter indul on lábon keresztül ha adok neki ellenáláson keresztül 5v-ot.
A hozzászólás módosítva: Szept 4, 2018
(#) Sinike válasza zsa hozzászólására (») Szept 7, 2018 /
 
Szia.
Nálam 3,3V az indító jel, és igen, a proci adja. Az első ellenállás előtt nézd meg, van-e fesz. Bár én azt javaslom, hogy picit kapard meg a nyákot, és azon mérj, mert lehet a forrasztás engedett el az ellenállás végén. Ha ott sincs, lehet a hiba a proci alatt. Ha van, akkor amit előbb írtam, vagy maga az ellenállás.
Még egy: a bekapcsolás pillanatában már mérj, és legyen rajta jel, mert 1-2 mp alatt stdby-ba kapcsolhat vissza, ha más gond van!
(#) yohnsee válasza zsa hozzászólására (») Szept 7, 2018 /
 
Ezt ki tudod deríteni a következő módszerrel: körbekened jó minőségű folyasztószerrel a procit, hőlégfúvóval felmelegíted 240-250 fokra a procit, ott tartod 2 percig, majd hagyod lehűlni. Utána próba. Jó tanács: hűtőbordát vedd le, kapton vagy alu szalaggal kerítsd körbe, amit nem kell, azt fölöslegesen ne melegítsd. Ha ez a gondja, akkor vidd el egy profi reballoshoz, az az igazi megoldás. Ez ha így elindul, csak ideig-óráig fog menni, de legalább olcsón kideríted, hogy tényleg ez a hiba.
(#) zsa válasza Sinike hozzászólására (») Szept 8, 2018 /
 
Köszönöm mindketőtöknek a tanácsot. Én is erre jutottam proci adja 1db ellenáláson keresztül a jelet. Ellenálás előt mérek azért de valószínüleg a proci van felválva . Már csak azért is mert inditás után power led villágit de nem reagál még a kikapcsoló gombra se.
(#) kovacspista hozzászólása Szept 8, 2018 /
 
Helló mindenki! Egy LCD tv - nél ha olyan "maszatos" a kép, leginkább sötétebb részeknél, nem zavaróan de jelen van a probláma. Olyan mint ha egy gyenge minőségű film menne benne. Színek a helyükön, és mind egy milyen típusról beszélünk. Ez is t - con gond és ezen belül gamma korrekció gond lehet!
(#) yohnsee válasza kovacspista hozzászólására (») Szept 8, 2018 /
 
Ezt kérdezed, vagy mondod?
(#) kovacspista válasza yohnsee hozzászólására (») Szept 11, 2018 /
 
Kérdezem!
(#) peti79 hozzászólása Szept 12, 2018 /
 
Segítséget kérnék!
Van egy Samsung le40d551k2w tv. Ötöt villog pirosan és megáll. Valaki tudja mi a probléma? Epromot töröltem, maradt ugyan az. Válaszokat előre is köszönöm!
(#) kowi hozzászólása Szept 12, 2018 /
 
11 éve tag vagy és erre nyitottál újat? Törölted az epromot??? Most fáj igazán a pid szabályzós téma...
(#) kovacspista hozzászólása Szept 12, 2018 /
 
Helló! A tapasztalatotokra van szükség! Van egy LG TV , benne eax65391401 tápegységgel. Bekapcsolás után rövid idő múlva kikapcsol a háttér világítás, majd van, hogy visszajön és onnantól semmi probléma. Ha működök, akkor 58 V - ot mérek, ha nem működik, 87 V - ot. A rajza pedig 117 V - ot ír!? Mi szokott elszállni a tápban, ami ilyet okoz? Esetleg a ledek "lépnek le" a tápról?
(#) yohnsee válasza kovacspista hozzászólására (») Szept 12, 2018 /
 
Szia. Szerintem 1 vagy több led döglődik a háttérben.
(#) kovacspista válasza yohnsee hozzászólására (») Szept 12, 2018 /
 
Gondolod megfogja a tápot ?
(#) yohnsee válasza peti79 hozzászólására (») Szept 12, 2018 /
 
Helló. Leírnád pontosan, hogyan törölted az epromot? Nem csak resetelted a lábak összekötésével?
(#) yohnsee válasza kovacspista hozzászólására (») Szept 12, 2018 /
 
Kétféleképpen mehet tönkre egy led. Megszakad, vagy zárlatba megy át. Ha még csak haldoklik, akkor sok furcsaságot csinálhat. Saját felelősségre kiiktathatod a vezérlő védelmét, de akkor az eddig csak haldokló led biztosan megpusztul. Mondjuk így biztosan látható is lesz a hiba
(#) peti79 válasza yohnsee hozzászólására (») Szept 12, 2018 /
 
Kivettem, kiolvastam epromíróval, kitöröltem, visszatettem.
5 villogás ugyan úgy. :S
(#) kovacspista válasza yohnsee hozzászólására (») Szept 12, 2018 /
 
Köszi.
(#) yohnsee válasza peti79 hozzászólására (») Szept 12, 2018 /
 
Milyen megfontolásból tetted vissza üresen?
(#) peti79 válasza yohnsee hozzászólására (») Szept 12, 2018 /
 
Egyik külföldi oldalon írták, hogy töröljük az eprom tartalmát :O. Pár samsung monitornál anno működött is a dolog.
(#) Gafly válasza yohnsee hozzászólására (») Szept 12, 2018 /
 
Idézet:
„Milyen megfontolásból tetted vissza üresen?”

Nem volt már több púpos kondenzátor?
(#) zsa válasza yohnsee hozzászólására (») Szept 12, 2018 /
 
Köszönöm a tanácsot ugy néz ki bevált a rámelegités. Bga allá tettem a scalert és indul a tv. De nem tökéletes csatolok képet hát ha van tip mi a bibi még. Az egyik képen av bemenet média lejátszó menüje szinhibás azthiszem feketének kellene lenie a hátérnek is. Jel nékül a bemenet szürkén villágit másidik kép. Ha tv adásra kapcsolok a menü hibátlan szinei jók. Vagy még rákellene melegitenem jobban ?
A hozzászólás módosítva: Szept 12, 2018
(#) peti79 válasza Gafly hozzászólására (») Szept 12, 2018 /
 
Nem találtam benne "puposat" táp jól néz ki feszkók is megvannak. Nem is a saját tápja, sajátjában el volt szálva sok minen, vaterán vettem a tápot egy törött tv-ben volt.
(#) yohnsee válasza zsa hozzászólására (») Szept 12, 2018 /
 
Nos, ezen a ponton el kell döntened, hogy megéri-e neked javítani a TV-t.
Mivel ezután így kellene nekifogni: elvinni az alaplapot egy profi reballoshoz, megkérni, hogy vegye le és tegye vissza új golyókkal a procit. Ezután kiderül, hogy van-e még más problémája is a készüléknek, mivel sajnos így nem behatárolható. Tehát nem tudni, hogy az az egyszeri költség javulást hoz-e vagy csak újabb problémákat vet fel. Továbbá, akármilyen óvatosan is jártál el, mindig megvan az esélye annak, hogy meghalt a CPU. Persze ez ritkán, de megesik. Csak érdekességképp: egy ilyen újragolyózás még a legolcsóbb helyeken is 8 ezer forinttól indul, legjobb tudomásom szerint.
(#) yohnsee válasza peti79 hozzászólására (») Szept 12, 2018 / 1
 
Gafly csak cukkolt, ha nem esett le
Egyébként jó régen lehetett, mikor még a készülékek újraírták maguknak az epromot, én személy szerint nem is találkoztam ilyennel, csak olvastam róla (a képcsöves tv topikban)
Szóval merre is induljunk? Van egy üres eprom, amiből kiolvastad a tartalmat. Ha feltételezzük, hogy nem ez volt az eredeti probléma, és a szoftver nem sérülten lett kiolvasva a chip-ből, talán van esély javítani. Mert ha az sérült, akkor nem tudom, hogy találunk-e a neten hozzá valót.
Első lépésként töltsd vissza a szoftvert a chipbe. Tegyél vissza mindent eredeti állapotba. Ezután a feszültségeket kellene mérni, de azt írtad, ezen már túl vagy. Megpróbálhatod részenként indítani a TV-t, először húzz le mindent a tápról, csak a 230V betáp legyen rajta és a ledek meghajtója. Próbáld meg a standby feszültséggel bekapcsolni a tápot egy ellenálláson keresztül, majd a háttérvilágítást ugyanígy ellenálláson keresztül. Ha ezek mennek, akkor továbbléphetünk. Néhány jó minőségű fotó is hasznos lenne a lapokról. Továbbá az is utólag derült ki, hogy táppanelt cseréltél. Biztos vagy benne, hogy bele való, vagy legalább kompatibilis a készülékeddel?
(#) yohnsee válasza kovacspista hozzászólására (») Szept 12, 2018 /
 
Ezt esetleg nem tudnád néhágy képpel megmutatni nekünk? Így rettentő nehéz elképzelni.
Egyébként innen lehet alaplap, tcon vagy kijelző hiba is.
(#) zsa válasza yohnsee hozzászólására (») Szept 12, 2018 /
 
Köszi értem . A kérdés ikább az lenne hogy képeken látható hiba oka lehet e scaler valamelyik lábának érintkezési hibájából ? A kijelző tuti hogy jó. Factory reset esetleg memoria hiba ?bár az a menüben nincs lehetőség rá, más mód van a resetre?
Ha pedig nincs más tiped újra reballozom magamnak ez a legolcsóbb variáció .
A hozzászólás módosítva: Szept 12, 2018
(#) yohnsee válasza zsa hozzászólására (») Szept 12, 2018 /
 
Innen ahogy fentebb írtam, úgy mennék tovább, hogy egy újragolyózással kizárnám a processzor hibát. Ha ezután is fenn áll a képeken látható hiba, akkor a T-con és a kijelző irányában keresgélnék. Visszagörgettem az alaplapodról készült fotóig, ott jobb oldalon a kábel T-conra megy, vagy a kijelzőn csak egy buffer lap van?
(#) zsa válasza yohnsee hozzászólására (») Szept 12, 2018 /
 
Alaplapról a kábel kijelző hátujára csatlakozik . Egy keskeny széles nyákra de még azt nem bontotam le eddig, fém takaró van rajta.
Következő: »»   134 / 226
Bejelentkezés

Belépés

Hirdetés
XDT.hu
Az oldalon sütiket használunk a helyes működéshez. Bővebb információt az adatvédelmi szabályzatban olvashatsz. Megértettem