Fórum témák
» Több friss téma |
Mielőtt kérdezel, a következő két dolgot ellenőrizd!
I. A helyes tápfeszültségek megléte.
II. A kimeneten van-e egyenfeszültség.
Élesztés.
Üdv mindenkinek!
Egy kis segítségre lenne szükségem ![]() Adott 1pár mx50 se panel, +-45v (220w) betáppal. A problémám az, hogy max hangerőn kb 15wattot ad le. Előerősítőnek egy ne5532 hangerő szabályzót használtam fel. A fent említett panelok infói : ne5532 preamp mx50 se A hozzászólás módosítva: Okt 16, 2018
Bár a képről nem látszik, valószínűleg kicsi a bemeneti jel. Az előerősítőt lehetne módosítani, hogy nagyobb legyen az erősítése.
Köszönöm a választ. Az erősítő panel adatlapján az van feltüntetve,hogy 'inpout sensitivity 1,2v'
Most azt kell kideríteni, hogy milyen előerősítőt kell ehhez használni.?
Az azt jelenti, hogy ekkora jel vezérli ki a végfokot teljesen. Az előerősítőd szerintem 0dB-t erősít, vagyis semmit. De ha teszel fel pár közeli képet ahol le lehet olvasni az előfok smd ellenállásainak érékét, meg tudjuk mondani melyeket kell módosítani a nagyobb erősítés érdekében. Valószínűleg csak két darab ellenállás kell hozzá.
A hozzászólás módosítva: Okt 16, 2018
Szia! Mit jelent a max hangerő? Itt már torzít, vagy ütközésig feltekerted a hangerőszabályzót?
Mi a jelforrásod?
Szia. Igen, teljesen feltekert poti. Jelforrás:telefon/számítógép
Torzítás nincs. A hozzászólás módosítva: Okt 16, 2018
Remélem jól láthatóak az ellenállások.
Jól.
Három részből áll az előfokod. Indul egy háromszoros erősítésű invertáló fokozattal, majd egy hangerő és passzív kétsávos Baxandall hangszín jön, ami után ismét egy háromszoros erősítésű fokozat van. Ezek a háromszoros erősítésű fokozatok egyformák. 10kOhm bemeneti impedanciájúak. Az erősítésüket egy 33 kOhmos visszacsatoló, és egy 10kOhmos bemeneti soros ellenállás hányadosa határozza meg. A 10 kOhmosat már nem illene lejjebb venni, így a 33kOhmos növelése a járható út. Bekarikáztam ezeket az ellenállásokat. A kékek a bemenő fokozatban vannak, a pirosak a kimenőben. Ha a kékeket cseréled nagyobbra, mondjuk 100kOhmosra, akkor nagyobb bemenő jelnél esetleg torzíthat ha kicsi a tápfesz. Ha a kékeket, akkor a zaj nőhet meg kissé. Jó kompromisszum lehet, hogy 24V-os tápot adsz neki (nem ajánlom a 12V-ot), és mind a piros, mind a kék kondikat cseréled 100kOhmosra. Nem fontos smd, normál ellenállás is jó.
Gyakran okoz problémát, hogy telefont használnak jelforrásként. Néhány kivételtől eltekintve ezek nem nagy kimeneti jelűek. Valami szabvány is limitálja őket, hogy ne okozhassanak halláskárosodást ha fülesen hallgatják. Bár lehet hogy nem jól tudom. Az viszont tény, hogy néha olyan videók kerülnek fel a megosztóhelyekre, amik elég halkak, így bár a szabvány (hehe, ki figyel ezekre 2018-ban) bár megadja hogy mekkora egy média anyag jelszintje, de ezt messziről figyelembe sem veszik. Persze nem a professzionális hangtechnikára gondolok, mert ott a hangmérnök igyekszik 0dB-en tartani az anyagot, hanem egy agyonkonvertált anyagra. Sok konvertáló szoftver felkínálja a hangerő normalizálást, meg a jelszint változtatását, de ezekre csak akkor lenne szükség, ha valóban valami hiányosság van az anyagban.
Már ide írom, mert most jutott fejembe: Az előfokod legalább 0 dB- vagyis 775mV effektív értékű jelet igényel, hogy kivezérelje a végfokot. A hozzászólás módosítva: Okt 16, 2018
Szia!
Hálásan köszönöm a segítséget! Kicseréltem a 4 smd-t 100K-ra és voálá,már sokkal hangosabban szól! 24v-ot kap. Recsegés, zúgás nélkül teszi a dolgát! Még egyszer köszönöm!
Memória helyreállt!
Még annyi lenne a gond,hogy sztereóban nem működik a rendszer. Nem fogja sztereóba az állomásokat,helyi állomást sem pedig erős a jel. Útbaigazítást kérek. Előre is köszönöm.
Az uPC1161 dekóderrel kapcsolatban valami tuneres témában kéne érdeklődnöd. A D779 LED-et ellenőrizd elsőként.
D779 LED rendben van.
Rákeresek a tunerra .
19kHz ellenorizd, dekoder meropontjanal, t.potival beallithato.
Mérőpont alatt a 9 es láb TP4 pontot érted? Nem csináltam még ilyet.
A mérőponton 10,39 Volt van jelen, szkóppal nem látok frekvenciát. Poti állítása nem hozott eredményt.
Sajnos OFF ha ide írok, meg nincs is benne rutinom, de az adatlap azt sugallja, hogy a 16-os lábra kéne rámérned, van-e oszcillátor engedélyező feszültség.
16-os lábon +3 Volt mérhető. Rajz szerint 2,6 V
Sziasztok eggy kis segitséget szeretnék kérni töletek. Van eggy robson dx-600 turbo végfokozatom. Az eggyik védelempanel meghalt felujjitottam de eggy hiba megmaradt, bekapcsoláskor a relé eggy pillanatra meghuz de el is enged azonnal majd eggy kis idö elteltével ujra meghuz és ugy is marad. Kikapcsoláskor azonnal elenged. Mi okozhatja ezt a hibát???
Szia!
A Robsonoknál gyakran elöforduló hiba, hogy a védelmi panelen a tantálok "elfáradnak". Egy DX1000 turbónál ugyan ez volt a hiba. Megnézném a tantálokat és ha kell, cserélném.
Köszönöm a válaszod de már a gyártó ajánlása szerint ki cseréltem elkóra, de nem ez a gond
Sziasztok!
Sztereó erősítőt szeretnék venni és kinéztem egy Technics sa-gx690-et a hifiengine oldal szerint 2x90 watt-ot tud 8 Ohm-on sztereóban. Valóban tud ennyi vagy csak ez is elnagyolt gyár által megadott teljesítmény ?
Amit a gyártó leír róla, az általában igaz, tehát annyit biztosan tud.
De inkább a hangja alapján kellene erősítőt választani. Üdv!
Sziasztok. Hozzámjutott egy harman-kardon 2.1-es rendszer mélyldálya. Elvileg a szatelitek vezérelnék a ládát is (gondolom)
Hogyan tudnám megszólaltatni csak aktív mályládaként? Vagy két hangfalat rákötve 2.1-ként? Köszi!
Első körben szerzel neki 120V-os hálózati feszültséget, majd megnézed, hogy az előző tulaj, amikor a 230V-ba bedugta, mi ment tönkre
Ha semmi, akkor szerencséd van. A szatelitek nem vezérelnek semmit. Ha nem dugod be őket, akkor aktív mélyládaként üzemel. Ha a szatelitek helyére másik dobozt csatlakoztatsz, akkor azok fognak szólni a mélyládával együtt, 2.1-ként.Szerk: látom már mi a gond. Szét kell szedned a jobb oldali szatelitet, és onnan le tudod venni a hangfalkimenetet (onnan is). A másik csatlakozó elvileg csak a hangfalkimenet. Mutass képet a két szatelit csatlakozóról. A hozzászólás módosítva: Okt 21, 2018
Sziasztok!
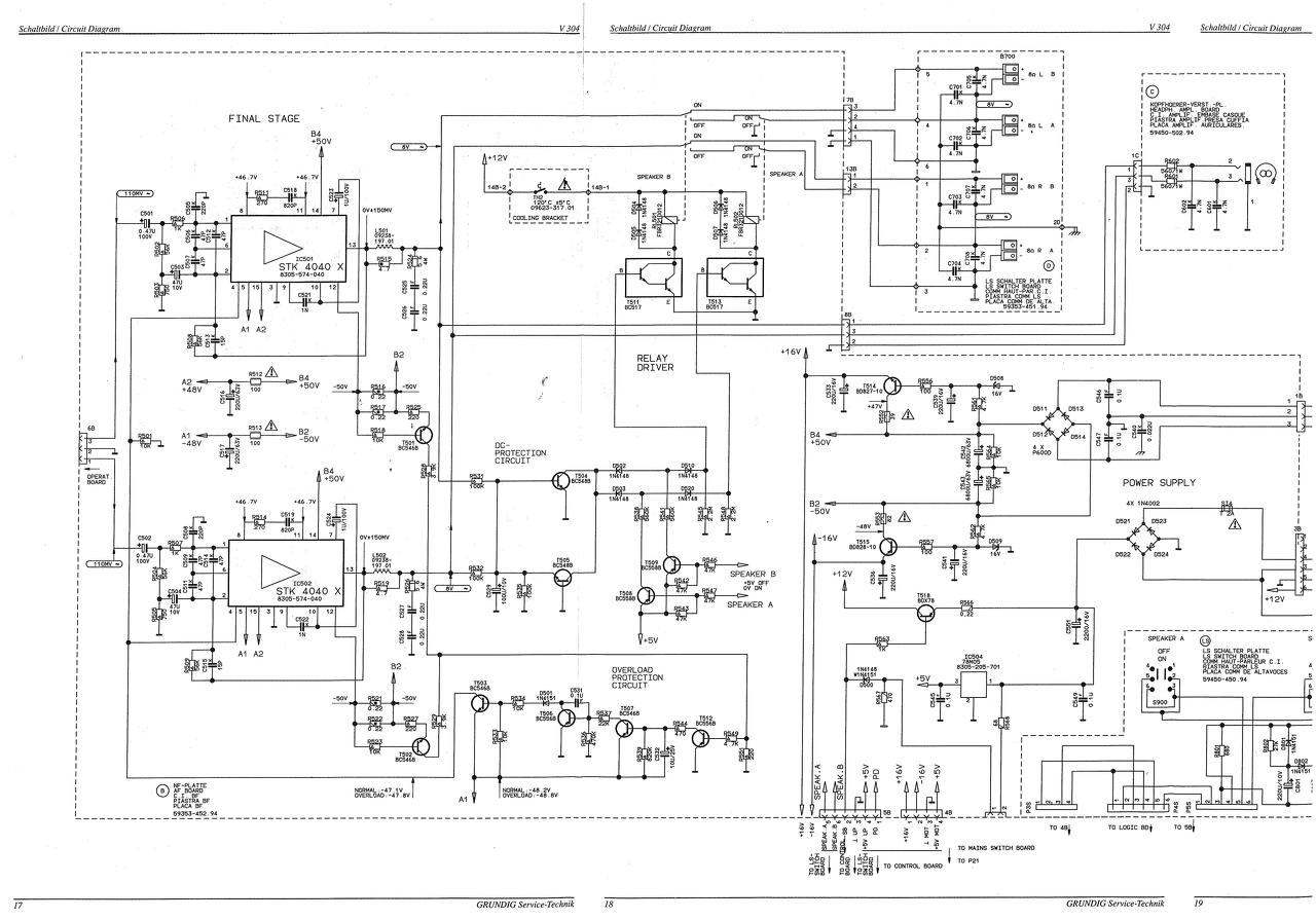
Egy munkatársam erősítőjét kellene megjavítani. GRUNDIG V304 STK4040X végfokkal. Terhelés nélkül bekapcsoltam, R512 (a két STK között) elkezdett füstölni. Állítólag összezárták az egyik kimenetet, azért ment tönkre. Szerintem meg valami sumákság van a dologban, ugyanis észrevettem hogy a teljesítmény korlátozó áramkör T512 tranzisztorát tőből kicsippantották (miért?) a kollektorral soros R544 (470 ohm) meg van pörkölődve, de értékre jó. Az STK-kat kivettem 14láb(+50V) és 13láb (kimenet). ill. 12láb(-50V) között mértem egyik irányban marha nagy ellenállást, másikba ötszázvalahány ohmot. Lehet hogy csak a T512-t kell pótolnom?
Ezekben az STK erősítőkben alapból nem szokott lenni túláramvédelem. Ha a hangsugárzó impedanciagörbe valahol túl alacsony, az ilyesmi védelem letiltogat. Gondolom ez volt az indok amiért kicsippentették.
Hogy más baj nincs a végfokkal, az kérdéses. Generátor, szkóp, műterhelés és kiderülhet. Volt nálam olyan STK IC, ami terhelés nélkül vagy kis hangerővel szépen szólt, csak ha kissé meg lett hajtva, akkor kásásodott kissé a hang. Műszeresen mérve a negatív félhullám 1A környékén limitált. A tokot szétszedve és méregetve kiderült, hogy az egyik végtranzisztor már nem úgy működött mint új korában. Mint ha a bázis egy soros elleálláson keresztül lett volna bekötve. A hosszú forró nyár alatt szegény degenerálódott. Az ilyen tranzisztorok ezer féle módon tudják magukat megváltoztatni. Néha teljesen érthetetlen az ember számára, csak azt vesszük észre, hogy messze nem teljesítik a paramétereket. Tehát óvatosan az ilyen kétes múltú alkatrészekkel.
Ezt még lefelejtettem: A T512 füstölése azt jelenti, hogy valószínűleg a nagyjelű fokozat túl nagy áramot vesz fel. Ez nem jelent jót.
Szia! Itt van pár kép az Onkyo-rol
Köszönöm az eddigi segítséged! Itt még nem írtam, érdekesség fórumtársaimnak Élesztéskor volt egy furcsa jelenség, 2-12 között vátakozva ki-be kapcsolgatott a készülékben a fő táp relé mire bekapcsolt, és 35-ös hangerőnél, mikor valószínűleg átkapcsol a kisebb tápfeszről a nagyobbra, újraindult, ezt leszámítva stabil volt. Sok szitkolódás és újragondolás után arra a következtetésre jutottam hogy a nagyteljesítményű táp nem áll be időre, mikor már a védelem igen és ezt érzékelve mindig újra próbálta indítan. A 856W-os toroidot egy lágyindító kapcsolta az áramkörbe, ebben 4db soros 10ohm 5W ellenállás volt, ezt megfelezve jó lett az időzítés és megszünt a fentiekben említett mindkét hibajelenség.A változás az eredetihez képest, teltebb dinamika, és nagyobb teljesítményen megszünt a hang üvegesedése, megmarad a dinamika nem omlik össze a hangkép nagy hangerőn. Elég méretes hangfal szetett hajt, kelett neki ez az átalakítás. Erős 4kg-ot hízott a készülék, így már közel 14kg.
Helló.Végtranzisztort ha nem pontosan kötök be lábösszecserélés vagy más polaritású vagy nagyobb teljesitményü, az a hangzásba okoz gondot?Bocs a zavaros fogalmazásért.Kicsit torzìt a hangzás.
|
Bejelentkezés
Hirdetés |











Ha semmi, akkor szerencséd van. A szatelitek nem vezérelnek semmit. Ha nem dugod be őket, akkor aktív mélyládaként üzemel. Ha a szatelitek helyére másik dobozt csatlakoztatsz, akkor azok fognak szólni a mélyládával együtt, 2.1-ként.
Köszönöm az eddigi segítséged! 












