Fórum témák
» Több friss téma |
Fórum » Ki mit épített?
Ez a téma ha úgy tetszik a mi "kiállítótermünk", nem pedig a ki mit csinált volna másképpen, mások helyett, és legfőképpen nem javítós téma.
Minden készüléknek van saját témája, ott kell kitárgyalni a részleteket!
FONTOS! A kapcsolási rajzok keresésére is van saját téma, ott keressetek rajzokat!
Ok... kezdjük el dicsérni !
Tökéletes a kivitelezése és a kidolgozása, látszik a sok rátöltött munkaóra.
Funkciója ismeretlen, de tökéletes lesz, ha elkészül.
Attól hogy furcsa akár lehet szép is ,minden esetre a ráforditott energia munka egy tappancsot min érdemel!
A hozzászólás módosítva: Nov 9, 2018
A 70-es évek Ezermester újságai jutottak eszembe, meg nagyapám, aki nem dobott ki semmit, mert majd jó lesz valamire. Eklektikus.
Sziasztok!
Nem nagy kunszt de hátha valakinek hasonlóra fáj a foga. Laptoból kitermelt 18650 cellák powerbankosítása egyszerűen. 1500ft kinából. Cellánként tölt, nem melegszik, bírja ha töltöm és közben két fogyasztó van rajta, elemlámpa funkció, ki és be kapcsolható. bemenet 5vdc 2a kimenet1: 1a 5vdc kimenet2: 2a 5vdc Üdv! A hozzászólás módosítva: Nov 9, 2018
Egy linket tudsz adni, hogy mi is ennek a pontos neve?
tessék
A hozzászólás módosítva: Nov 9, 2018
Ezzel a beszólással bearanyoztad a reggelemet!
Igy a szombati melo is türhetőbb lesz!
Helló
Azt miből gondolod, hogy cellánként tölt?
Szét kell bontani, meg kell nézni, nem egyértelmű a dolog. Azt írja a leírás, hogy ha egy cellát fordított polaritással rakunk bele, nem történik semmi, a készülék működik tovább, ha legalább egy cella jól van berakva. A negatív kivezetésnél is külön vannak az érintkezők választva, de csak két részre.
Mondjuk ebben nem tudom, mi az ami építve lett... A hozzászólás módosítva: Nov 10, 2018
Leírásban olvastam valahol, hogy különböző 18650 cellákat is bele lehet rakni. Bár ebben lehet nincs igazam. 1-2-3-4 cellával ugyanúgy megy.
Nekem a működési tartománya tetszik: Battery capacity: 2000mAh-12000MAh. 12gigaamperóráig megy
A hozzászólás módosítva: Nov 10, 2018
12 GigaAmper
Pár emberi generáció lemegy, míg feltölti a 12GAh kapacitású akkut 1-2A-es töltőárammal
Valami sunyi dolog lehet elrejtve...
A hütőborda a tetőn azt mutatja hogy valami félvezetős cucc.van bent elrejtve.
De rosszul van az az oszcilloszkóp beállítva! Nagyon nagy a fénypont mérete. Ahogy nézem a gyorsító nagyfeszültséggel is lehet valami probléma, mert a sugár színe pirosas. Zöldnek kellene lennie. A képernyő beosztása legalább jól látható.
Semmit nem építettem, csupán ötlet adónak szántam.
A mélysége is kimaradt, a hátramenő dimenziót kifelejtette az építője.
Szabad a gazda? Szerintem egy wc deszka...
Hangdoboz ,de túl van kombinálva ...
csak egyszer kéne kipróbálni hogyan fér el a csomagtartóban A hozzászólás módosítva: Nov 11, 2018
Készül a forrasztóállomás "félig-dobozolt" szereléstechnikával.
Saját fejlesztés a 230/24V-os tápot, meg az Arduino panelt leszámítva. A programja egyelőre félkész, de a jelenlegivel is szépen megy.
Ja, hogy a székláb is a project része? Azt hittem, csak a prezentációt szolgálja...
És ha csapágyas akkor el fog fordulni a nagy hangerő miatt.
Ez csak azért kérdés, mert még nem halottatok a Leslie effektről..
Forgó hangszóró ! Mik vannak !
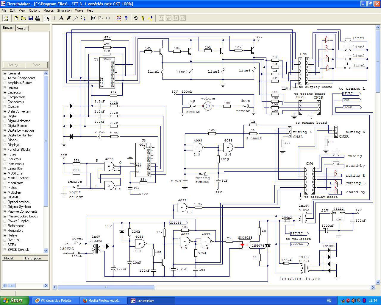
Megszólalt az előerősítőm és szerintem várakozáson felül jó hangúra sikeredett... de lehet, hogy csak jól illeszkedik a végfokhoz. Szóval, azt gondolom nagyon együtt vannak így együtt.
Ennek a rajza is publikus...
|
Bejelentkezés
Hirdetés |








csak egyszer kéne kipróbálni hogyan fér el a csomagtartóban 













