Fórum témák
» Több friss téma |
Fórum » USB bekötése
Témaindító: (Felhasználó 1131), idő: Feb 16, 2006
Témakörök:
A kódolás más kialakítású, ezért nem fogja érteni a CD digitális adatfolyamát.
Így érthető , nem is erőltetem tovább .
Köszönöm elolvastam .
Ahonnan rendeltem ott 15e-el kevesebbe kerül ,és biztos nem ráfizetéssel árulják .
Sziasztok!
A következő kérdésem lenne: van egy USB-s külső hangkártyám, valamint egy pc és egy laptop. Minden alkalommal át kell csatlakoztatnom a hangkártyát egyszer a pc-re egyszer a laptopra. Meg lehetne-e oldani, hogy mindkét eszköz (pc és laptop) USB-n keresztül rácsatlakozna egy kis áramkörre, és az áramkör azt az eszközt köti a hangkártyához, amin előbb megjelenik az 5V (tehát aktív). Vagy jó lenne egy billenő kapcsoló is, de gondolom nem elég csak az usb tápfeszültségét kapcsolni, hanem az adat és stb csatlakozásokat is át kell kapcsolni, nem? valami ilyesmire gondolok A hozzászólás módosítva: Okt 27, 2016
És ha vennél még egyet? Miért kell átdugni mindig? Miért nem használod a gépekben levőt?
Ha ezzel az aktív átkapcsolóval működik, akkor pedig meg is van oldva, nem? A hozzászólás módosítva: Okt 27, 2016
Mármint még egy hangkártyát? Egyrészt 25e Ft volt, 8 csatornás hangkártya, másrészt a rácsatlakozó erősítőnek 1db 7.1 analóg bemenete van összesen.
A hozzászólás módosítva: Okt 27, 2016
Találtam egy ilyen megoldást a képen látható: ITT.
Lényeg, hogy 4 vezeték van az USB-ben és mindegyit egy váltó kapcsoló átkapcsolja. Akkor ha veszek relét, nyákos USB aljzatot, össze is tudom rakni. A relének meg kell egy nyomógombos tranzisztoros ic-s ide-oda kapcsolgató vezérlés.
Hello!
Erre már mások is gondoltak: Bővebben: Link
Köszi, jó ötlet. Kell egy mini relé, alapértelmezésben a pc-ről működne, de ha rákapcsolom a laptopot akkor ott az usb 5V menne a relére, ami így átkapcsol, és nem kell semmi extra cucc hozzá, ic vagy ilyenek. Szupi
Ó ne haragudj, biztosan nem figyeltem, amikor olvastam a hozzászólásod...
![]() Miért kell harapófogóval kihúzni a kérdezőkből az infót? Arra ügyelni kellene szerintem, hogy az USB érintkezői nem véletlenül nem egyforma hosszúak. Először a +5V és a GND csatlakozik. Bár ezek a rajzok, ha működnek, akkor itt ezzel nem igazán foglalkoznak. Ha megveszed a relét, kapcsolót, USB aljzatokat, panelt, összeforrasztgatod...közben borzasztóan figyelsz, hogy nehogy elköss valami hibát, majd reménykedsz, hogy amikor összedugod működni fog és nem pukkan el a laptop portja, vagy a drága hangkártya...lehet, hogy megérné megvenné az elektronikus gyárit, amit linkeltél. Ez az utóbbi rajz ami ennyire tetszik, miért is lesz jó neked, amikor a célod az, hogy ne kelljen dugdosni? Valamint mi újság a +5V-al, azt hogyan kap a hangkártya? A hozzászólás módosítva: Okt 28, 2016
Sziasztok
Én csak egy usb töltőt szeretnék készíteni. Van hozzá egy jól bevált kapcsolási rajza valakinek? 24 és 12 Vról.
Üdv! adott egy android mobil. Amihez az usb portján keresztül külső dac ot lehet csatlakoztatni. Nekem van egy külső dac - om amit a telefonnal szeretnék használni, azonban a dac on csak optikai és koaxiális digitális bemenet van. Usb nincs. A telefon usb portján kijön a digitális jel. Ezt valahogy nem lehet rácsatlakoztatni régebbi dac okra?
Üdvözlet! Egy olyan kérdésem lenne az USB csatlakozóval kapcsolatban,hogy maga a háza/kerete az villamos szempontból számít-e valamit? Maga a keretet antennaként szeretné használni,ez mennyire kivitelezhető? (Nem PC-be van be szerelve az USB)
Válaszokat köszönöm!
Sziasztok.
Tudna valaki segiteni a galaxy note 3 usb kábel bekötésében. Előre is kösz.
Csak addig fog működni, míg nem csatlakoztatnak kábelt és eszközt. A kábel árnyékolásának a lehetőleg teljes körben kell a csatlakozó házához kapcsolódnia. Az árnyékolást a potenciál rügzítése érdekében alacsony impedanciál a földre kell kapcslódnia. Az alacsony impedancia pl. EMI zavarzűrőt jelent.
Sziasztok!
Meg tudná mondani valaki, hogy hol tudok szerelhető USB mini csatlakozó dugót venni? Ami fontos, hogy 10 lábú legyen. (Eddig csak 5 lábúval találkoztam...) Kontha, HQ, Lomex, Microdis, TME, RET, SOS kilőve, náluk próbálkoztam. Előre is köszi.
Ugyan rossz helyen kérdezel...Bővebben: Link
Sziasztok! A problémám a következő: Az autómban van egy pioneer nagyképernyős fejegység, mely-re usb-n keresztül iphone-t dugva a telefon átküldi a waze képét a rádi kijelzőjére, és onnan lehet is vezérleni. Na most ez a funkció többé kevésbé működött is eddig. Viszont mostanában azt veszem észre, hogy ilyenkor a telefonom erősen merül és nem töltődik fel a rádióról(korábban ez működött). Ezért kitaláltam, hogy keresek egy olyan usb y kábelt, melynek kép "apa" vége van. Az egyik csak adat(ez a rádióba) a másik csak táp(autós töltőbe). Na most ilyen kábel nem létezik, vagy nem találtam. Kérdésem az, hogy ha legyártom ezt a kábelt, működni fog az adatátvitelem?
Köszi!
Ezt gondold át még egyszer! "Adat" táp nélkül...biztos jó ez az elképzelésed?
Külső tápos USB hub/elosztók viszont léteznek...
A "csak adat" kábelben a GND, D+ és D- vezetékek maradjanak.
A "csak táp" kábelben a GND és a +5V -os vezetékek maradjanak. Így talán működni fog a dolog. A kérdés csak az, hogy a telefon minek fogja értelmezni ezt a töltőt, a D+ és D- vezetékekre adott x y nagyságú vezetékekkel lehet "beállítani" a tölőáramot. Egy próbát megérhet, nem olyan egetverő összeg két USB kábel.
Sziasztok! Telefont szeretnék tölteni (charger) 12V akkumulátorról. Teszek be egy 7805-t és USB2 type A mamán keresztül tölteném szabványos USB kábellel (mini, micro, C, ami kell).
Az interneten nagyon változatosak a szükséges kapcsolások: - simán csak a Vcc és GND-t kötik be, a két data láb lógva marad - van ahol a data lábakat GND re kötik - van ahol a data lábakat összekötik és ellenállásosztóval megemelik - van ahol a data lábakat külön-külön ellenállásosztóval megemelik - stb Nálatok mi vált be..? Vagy erre csak iPhone telefonnál van szükség? Androidos simán is megy? A hozzászólás módosítva: Szept 6, 2018
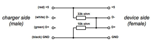
A D+ és D- lábakkal lehet megmondani a telefonnak, mekkora árammal számolhat az aktuális tápegységtől. Ehhez a telefon gyári töltőjét kell megnézni vagy infót keresni valahonnan. Mint a mellékelt ábrák is mutatják, ez telefononként eltérő.
Autóba raktam ilyet. 7805, két kondenzátor és egy SB160-as dióda a 7805-ös GND és a valódi GND közé. Ezzel a kimeneti feszültség emelkedik kb. 0,4 - 0,5 V-ot. Kell is, különben szinte csak szinten tartja az akksit. A didódázással a töltés normálisnak mondható. Az adat lábak szabadon lógnak, ebben a formában a telefonok 0,5 A-rel terhelik a 7805-ös IC-t, cserébe melegszik is rendesen (kb. 4 W / telefon). Én csak azért építettem ilyet, mert a kapcsolóüzeműek nagyon zavarják a rádióvételt. Apple féle telefonokkal nem teszteltük, minden másnak jó volt eddig.
Azt állítod hogy a boltban árult USB kábelek alkalmatlanok telefon töltésére..?
Hiszen több száz féle telefon létezik és kizárt hogy pont az enyémhez illőt találnék. Ennek azért ellentmond a tapasztalatom. Csak van valami szabványos töltő bekötés. A feszültség emelést valószínű megfogadom. A hozzászólás módosítva: Szept 6, 2018
Az USB kábelek adatkapcsolatra (is) valók, ott nem lehet az adatlábakkal szórakozni. Ezek az átkötések a töltőkben vannak.
LINK Úgy érted egy ilyen Samsung által gyártott adapterrel nem lehet LG vagy Sony v Apple telefont tölteni..?
Melyiknek mi a bekötése, soha egyikőtök se szedett még ilyet..?
De lehet, nem erre vonatkozott az írásom, megpróbálom még egyszer...
Idézet: ről írtál. Az "USB kábel" egy olyan kábel, aminek a két végén USB dugó van, jellemzően telefonoknál egy USB-A és microUSB. Ilyeneket adnak manapság a töltőkhöz is, hogy ne kelljen külön adatkábel, régebben fixen jött a microUSB végű kábel a töltőből. Na, mivel ez adatkapcsolatra is való, a D+, D- lábak nem lehetnek mahinálva a kábelen belül, mert nem működne az adatátvitel. Ezek az átkötések, ellenállások csak a töltőben lehetnek, ennyi lett volna az előző mondandóm is. „...boltban árult USB kábelek...”
|
Bejelentkezés
Hirdetés |
















