Fórum témák
» Több friss téma |
Fórum » Oszcilloszkóp számítógépre
Akkor szóval az elsőt lenne érdemes megépitenem de muszály oda zennert diódákat rakni ? Vagy megtenné a sima 1n4007 dioda is ?
Nézd. A hangkártya vonal bemenetére max 1 V körüli hangfrekvenciás jelet lehet adni. Ez csúcstól csúcsig 2,82 V. Ha ettől picivel nagyobb jelet adsz a bemenetre, attól még tönkremenni nem fog, viszont torzítani fog. Az 1N40xx dióda kb, 0,6 - 0,7 V körül határol. Ebből kb. négyet kéne sorbakötni, hogy védjen is, de még ne befolyásolja a mérendő jelet.
De a helyzet kulcsa a kezedben.
Köszönök minden segitséget megprobálkozok akkor azzal a verzióval az első még praktikus is mert ha találnák egy olyan 6-os kapcsolót akkor ténleg sok félét mérhetnék vele !
De veszek olyan kis zennereket ha azzal jó lesz !
A 2,7v-os zenner is jo lenne hozzá? Az a forgos kapcsolo nagyon jo egy kis dobozba beépíteném es kész is !
Kösz a linkeket !
Persze, ellentétesen sorba kötöd a kettőt, és készen is vagy.
Sziasztok!
Szeretnék venni valamilyen amatőr célra megfelelő PC oszcilloszkópot. Igények, a 2 csatorna mindenképp, pontosság lehetőleg 10%-on belül (9% még elfogadható ) mérési tartomány, max 10kHz. És lehetőleg 10 000Ft alatt.Részben audió technikai méréssre, és részben SMPS táp mérésre kellene. Nézelődetm ebay-on, amazon-on, whis-en...stb, de ezen elvárások összességének nem találtam megfelelőt. Egyet találtam, ami elég olcsó, de az csak 4kHz-ig mér. Elég alacsony, bár audió mérésre éppen megfelelne, de táphoz elég határértékű. Volna valakinek tapasztalata ez ügyben, vagy mit tudnátok javasolni? Ilyen irányban gondolkozzak, mármint a külső periféria, vagy erre a célra megfelene egy hangkártyás "szkóp" is? Előre is köszönök minden segítséget!
Ez még audio mérésre is igen kevés , mert azt is írja hogy 8KSPS a mintavételi sebessége.
4KHz-es jelnél ez azt jelenti, hogy 1 periódusra 2 mérés jut.
Most nézem, hogy egy helyi értéket alaposan elnéztem!! Mindössze egy 10-sel tévedtem csak...
A 4kHz-es mérési csúcs elég kevés audióhoz is valóban, még a minimális csúcsnak is az 1/5-de, nem beszélve egy tápról, ahol akár 40-50kHz is lehet.Igen, így a mérési maximumot is elírtam, bár nincs szükségem 100kHz-re, az 50 már bőven elegendő lenne! Ok, hogy olcsó, de ha már "oszcilloskóp", mire használható ilyen mérési tartománnyal a semmin kívül??: ![]() A hangkártyás mérések mennyire megbízhatóak, használhatóak ilyen célra?
Kicsit nézelődtem még és találtam is valami használhatót. A Hantek nevű masina alig több mint az előbb linkelt duplájáért már jóval ígéretesebb!
Mond valakinek valamit ez a név és van tapasztalata erről a termékről?
A Hantek név jól hangzik, de konkrétan melyikre gondolsz.
A mintavétel sebessége nagyon fontos! Ezen felül az sem mindegy, hogy hány bites a felbontás. 8 vagy 24bit ? A hangkártya ugye lehet 24 bites is. Kapcsolóüzemű tápegység mérésnél a nagyfeszültséget is bírnia kell. A hozzászólás módosítva: Feb 7, 2017
Szerintem ez rendben van. A céljaidra elég lesz. Nem tudom mennyi a feszültség tűrése a bemenetnek? Illetve a mérőzsinórt érdemes 10-es osztással használni. Ami még nagyon fontos, hogy érdemes a mérendő áramkört trafóval leválasztani a hálózatról vagy a szkópot úgy használni hogy a notebook akkumulátorról megy.
Én az Owon szkópomat egy 60VA-as leválasztó transzformátorról használom. Egyszer közvetlenül feledékenységből a hálózatba dugtam és így próbáltam a számítógépem USB-jére dugott áramkörön mérni. Majdnem kidobtam 280eFt-ot az ablakon. Volt szikra, de szerencsére csak egy 1200Ft-os FTDI USB IC füstölt el.
A végső célom az vona, hogy egy DIY digitális szkópot összeállítani, mai úgy nézne ki, hogy vennék egy csupasz 10" LCD-ét, egy LCD meghajtót, ami VGA, HDMI, USB felszerelt, valami barebone mini PC-ét, vagy egy ilyet és bedobozolnám. Addig az asztali PC-én futna. Trafóm van rengeteg, de akár venni is lehet laptop tápot, de még lehet van is itthon a sufniban. Sőt!
Számításaim szerint olyan 50-60E Ft körül kijönne végösszegben és lenne egy mobil digi szkópom, ami jó ár érték e tekintetben.
Szerintem laptop kapcsolóüzemű tápot ne használj. Az asztali gépben is kapcsolóüzemű van amin mértem és potenciál különbség volt a számítógép és a szkóp földpontja között. Ebből volt a szikra.
Akkor egy jól szűrt 50Hz-es stabilizált tápot használjak hozzá?
Helyesbítek. A táp lehet dugasztáp, de ne dugd be közvetlenül a hálózatra, hanem használj leválasztó 230V/230V transzformátort. Bár én nem tudok róla hogy valaki ezt a megoldást használta volna. Nem tudom hogy vannak-e buktatói.
Olvasgatva a fórumokat mindig az a javaslat hogy a mért áramkört kell leválasztani. Nekem nem volt 500VA-as leválasztandó transzformátorom hogy az asztali PC-t arról járassam. Nemrég elkészült első kapcsolóüzemű tápegységem. Annál az első beüzemelés ~62V váltóról történt egy 350VA-as transzformátorról. A mérendő feszültség értékek is kisebbek voltak ily módon. A hozzászólás módosítva: Feb 8, 2017
Van egy szünetmentesem PC-hez, és van pár darab 2-300W körüli egyforma rtafóm. Ha azokat szembefordítom, bár nem túl praktikus, de kiad egy 230/230V-os leválasztót. Akár a szkópnak, akár a mérendő áramkörnek.
Köszönöm az infót!
Szervusztok!
Megérkezett a Hantek DSO szkópom, de a kábel számítógép felőli végén egy piros és egy fekete usb dugó van. Semmi utalást nem találok rá, hogy melyik mire jó. Talán az egyik csak tápot ad és a másikon kommunikál, vagy mi lehet a trükk, hogy így megcifrázták?
Akkor szokott ilyen lenni, ha egy USB kimenet nem tud elegendő áramot adni, kettő már igen. Adatkapcsolat csak az egyiken van bekötve.
Köszönöm! Tehát mindkettőt használva nekem nincs teendőm: mindegy melyiken mi megy...
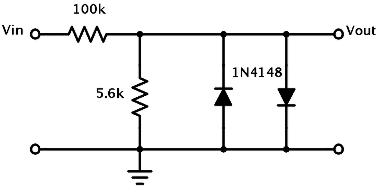
Sziasztok! A képen látható kapcsolást lehet használni okos telefon jack bemenetelén keresztül? Pár alapvető mérést szeretnék csinálni az autómon 5 és 12 volt feszültségi határral. Valamit ha igen, akkor tudnátok ajánlani valami jó alkalmazást androidos telefonra?
A hozzászólás módosítva: Nov 25, 2018
Szia, a motor járni fog közben? A nagyfeszültségű tüskéktől féltem a telefont, amit egy ilyen dióda nem biztos, hogy levág.
A hozzászólás módosítva: Nov 25, 2018
Igen járni fog. Főleg az injektorokat és a gyújtás trafó jel bemenetelét szeretném vizsgálni vele.
Tranziens elnyomó supressor dióda kellene inkább. Amúgy ilyet én is mértem sok éve, PC-vel, injektort, ellenállásos osztóval, akkor kibírta.
A diódák nyitó irányban működnek, azaz egyik irányban sem engedik ~0,6 V fölé emelkedni a bemenő feszültséget. Bármilyen szupresszor dióda ennél magasabbra engedi. A diódák után tennék még egy, legalább 10 kOhm-os ellenállást. A bemenet ellenállását ugyan nem ismerem, de gondolom, MOhm nagyságrendű. Ha mégsem, a szoftvert lehet talán kalibrálni.
Sziasztok, de jó hogy megtalátam a topikot.
Sose használtam pc-s szkópot, (igazit számtalanszor) tanácsokat kérnék. A feladat, a hálózati feszültség tranzienseit monitorozni és ha lehet tárolni is, esetleg diagram formában megjeleníteni. Olvasgattam már a témában, sokkal okosabb nem lettem. Én gondolatmenetem, egy 230/12V transzformátor, a 12V leosztva 500mV környékére és ez a vonal bemenetre. És innen megállt a tudományom, tudnátok szkóp szoftvert ajánlani, ami lefedi a kívánalmakat? A mintavétel, sebesség az 50Hz miatt nemhinném hogy probléma lenne.
50 Hz a hálózat frekvenciája, a tranzienseké több. Egy transzformátor sokat folythat a tranzienseken, csalóka lehet az eredmény.
|
Bejelentkezés
Hirdetés |





) mérési tartomány, max 10kHz. És lehetőleg 10 000Ft alatt.
A 4kHz-es mérési csúcs elég kevés audióhoz is valóban, még a minimális csúcsnak is az 1/5-de, nem beszélve egy tápról, ahol akár 40-50kHz is lehet.






