Fórum témák
» Több friss téma |
Fórum » Oszcilloszkóp számítógépre
Szia. Tudnál nekem segíteni abban, melyik rajból készítetted a kapcsolást, és van hozzá panel rajz? Próbáltam megkeresni, de nem jártam sikerrel.
A hozzászólás módosítva: Márc 26, 2016
Tudnál abban segíteni ez melyik kapcsolás a fórumban? Ezt is kerestem, de nem találtam.
A hozzászólás módosítva: Márc 26, 2016
Észrevetted, hogy egy 2013-as, és egy 2014-es hozzászólásra reagáltál?
Nem elöször fordul ilyesmi elö, ezért lenne egy ötlet, hogy ilyen alvo témákat automatikusan jegelni kellene ( pl ha egy évig nincs hsz., akkor átmenne Read-only formába), azaz ha valaki folytatni szeretné egy uj témát kellene nyitnia. Ezt mindenki észrevenné és talán meggondolná a köv. lépést.
Ez itt már OFF, inkább a "Fejlesztési ötletek" témájába való...
Nem tartom jó ötletnek az automatikus jegelést, mert ha valakinek ugyan abban a témában merülne fel kérdése, de mégsem az eddig tárgyaltakról, akkor új témát kellene nyitnia. Ha jól tudom, akkor itt törekednek a lehető legkevesebb témamennyiségre. Talán az jobb megoldás lenne, ha figyelmeztetne a rendszer, ha régi hozzászólásra akarsz válaszolni.
Miért kéne jegelni egy fórumtárs figyelmetlensége miatt?
Hmmm. Jeleztem: Ez itt erősen OFF! Kérem, hogy a továbbiakat a Fejlesztési ötletek témába írjátok!
Ráadásul ott van, amit nem talált Nanok hozzászólásában linkelve, néhány hozzászólással előtte.
Ez van, amikor nem használjuk a válasz gombot, és így a hozzászólás szálak összekeverednek. A hozzászólás módosítva: Márc 29, 2016
Elnézést kérek mindenkitől a figyelmetlenségemért. Legközelebb erre is figyelek.
Sziasztok!
Kicsit megállt a téma, igy felfrissiteném egy kérdéssel. Szükségessé vált egy szkóp beszerzése, de nem folyamatos munkára kellene, hanem alkalmira, igy nem veszek baromi drága készüléket. Erősitők beméréséhez kellene, tehát audió jelek vizsgálata lenne a cél. Végig nyálaztam minden oldalt, 1-2 embernek irtam is PM-et a témával kapcsolatosan. Felmerült bennem a kérdés hogy mi lenne akkor, ha mondjuk egy PCM2906-os DAC IC-t házasitanánk az itt kifejlesztett mérő áramkörhöz? Eleve van LINE IN lehetőség, igy a csatlakozót akár el is hagyhatjuk - esetleges interferenciák csökkenhetnek- az adatlapja szerint is igéretes, ráadásul tudja is azt, amit rá mertek irni. Előnyei: Nem kell a csatlakozókkal babrálni, egyből USB kapcsolattal lehetne inditani, a Windows és Linux P&P eszközként fel is ismeri - a hangeszközök vezérlő pultja pedig kezeli is. Hátrányain még nem gondolkodtam. Válaszotokat előre is köszönöm!
Miféle áramkörhöz szeretnéd házasítani, illetve milyen szoftverrel? Mit jelent az, hogy el hagyod a csatlakozót?
Szia!
Ezzel az áramkörrel házasitanám, igy közvetlen a DAC IC analóg bemenetére lehet tervezni a mérő áramkör kimenetét ezálltal el lehet hagyni a jack csatkahozó használatát. Jelveszteség, interferencia sincs a kontaktok miatt, hiszen a "mért" jelet digitális formában továbbitaná az USB port a programnak, lévén hogy DAC. És nem is olyan rossz DAC. Ezzel a programmal használnám. A hozzászólás módosítva: Júl 13, 2016
Az nem DAC bár az is van benne, de amit te használnál az ADC, csak a tisztánlátás kedvéért. A jack csatlakozó miatt nincs semmiféle interferencia vagy jelveszteség, tehát ez nem valós előny. Amúgy maga az IC nem egy nagy durranás, egy normálisabb hangkártyán ma már jobb ADC van, ráadásul közvetlenül az USB-ről való táplálás sem a minőségről híres. De ettől függetlenül működhet, igazából az előtétáramkörnek és a szoftvernek is mindegy, hogy mi az analóg bemenet, de csak akkor van értelme megépíteni, ha nincs jobb.
És van jobb? Nem hiszem hogy valaki vesz egy HighTech minőségű hangkártyát csak azért hogy méricskéljen, hiszen annak az árából majdnem vesz egy normál oszcilloszkópot. Csak ötletként vetettem fel.
![]() Jut eszembe, ha van olyan IC-m ami tud digitális bemeneteti lehetősége, akkor azzal lehet mérni DC-t? A hozzászólás módosítva: Júl 13, 2016
Az én hangkártyám 5000Ft használtan és jobb az ADC rajta.
És milyen hangkártyád van? Laptop vagy asztali PC?
Na látod, az egy asztali PC. Az előző kérdésemre kapok választ?
Jut eszembe, ha van olyan IC-m ami tud digitális bemeneteti lehetősége, akkor azzal lehet mérni DC-t?
Egy erősítő "beméréshez" édeskevés lesz, mert nem nagyon fogsz látni rajta pl. egy néhány MHz-es gerjedést. Ha a 20kHz-ig tartó szinuszt akarod nézegetni vele akkor vegyél inkább néhány ezerért egy DSO138-at. Ha attól egy fokkal jobb kell akkor meg valami olcsóbb öreg csöves szkópot.
Köszönöm. ez is hasonló válasz volt mint amire gondoltam. Ezzel kapcsolatban érdeklődnék, hogy ha beszereznék egy ilyet azzal többre mennék? Persze ebay-ről.
Általában nem, mivel nem DC csatoltak a bemenetek, de, ha azok is, gyakran szoftveresen van "leválasztva" a DC.
Többre mennél egy olyan hantek szkóppal, de erősítő méréséhez én is a jóöreg analóg szkópot javasolnám, azon mindent ltáni amit látni kell. A hozzászólás módosítva: Júl 13, 2016
Értem. Akkor nem kezdek bele a javitásba, mert jelenleg ez miatt kellene a szkóp.
Többe kerülne a lé mint a hús alapon nem fogok bele. Hiszen amennyiért be tudnék szerezni egy használt, jó állapotú szkópot, annyit nem ér a javitani kivánt cucc. A hozzászólás módosítva: Júl 13, 2016
Attól függ mit akarsz mérni. Eddig elvoltam évekik egy 10 megás NDK-s szkóppal. Most vagyok gondban, mert van amikor már több kell. Persze jó sok mindenre lehet használni a lassúbb szkópokat is. Ezeket a digitális izéket inkább játékszernek tartom. Tény, hogy kicsi. Ha meg kicsi is meg jó is, akkor HAMEG. Ez csak szójáték volt. Az első saját szkópom egy orosz 2 megás egy csatornás förmedvény volt, pontosabban volt egy még régebbi kis TV-ből kreált eszköz, amin a szinkront kézzel kellett igazgatni. Ennek a sávszélességa max 100 khz lehetett, de értelmes jelalakot 2-3-kHZ-ig tudott kijelezni. De ez inkább látványelem volt mint műszer.
A te pénzed, de én olyat nem vennék. Persze 5MHz-ig az is használható, egy olyan laptoppal amit nem sajnálsz ha esetleg tönkreteszi.
Mondjuk én másként vélekedek erről, mert nálam egy szkóp létszükséglet, nem csak 1 alkalomra kell, és nem csak az alapjel nézegetésére.
Sziasztok
Valaki épitet már meg egy működö képes osztót ami működik is ? Végig lestem a topikot van sok rajz és nagyon sok vélemény de nem jutottam dülőre ! Nekem egy olyan osztóra lenne szügségem amit autos végfok-hoz szeretnék használni 100V mérési határal de a nagyobb határ se lenne rosz ! A hozzászólás módosítva: Dec 3, 2016
Ellenállásos feszültség osztóról biztos hallottál. Kitalálták már jónéhány éve, ritka eset, hogy nem működik. Akkor is valami szabáshiba miatt.
Rajzokat már kerestem én is csak nemtudom melyik lehet ténleg jó vagy reális
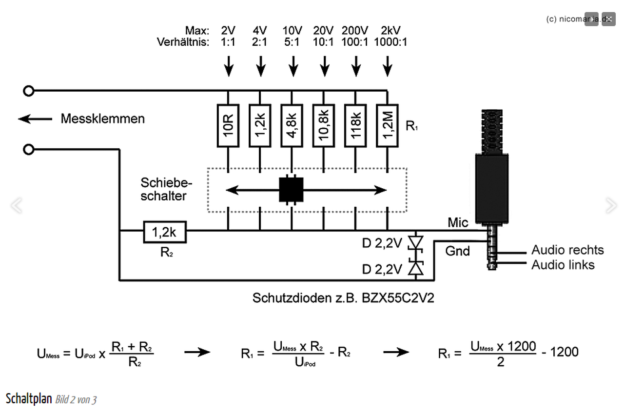
Az első egy változtatható osztású bemeneti osztó, érdemes megépíteni.
A második a mérendő feszültséget erősíti frekvencia függően. A kapcsolás nem korrekt. A harmadik csak egy bemeneti túlfeszültség védő A negyedik egy fix bemeneti osztó, a mérendő feszültséget kb. 3/4 -re csökkenti, de a potméter hibásan van bekötve. Az ötödik is egy fix osztó, bemenet védelemmel, a mérendő feszültséget kb. 18 -al osztja. |
Bejelentkezés
Hirdetés |
















