Fórum témák
» Több friss téma |
Mielőtt kérdezel, a következő két dolgot ellenőrizd!
I. A helyes tápfeszültségek megléte.
II. A kimeneten van-e egyenfeszültség.
Élesztés.
Szia!
(CROWN XS 1200) Kicseréltem a 10µF-os kondit, nem hozott sikert. De tovább mérem az ottani alkatrészeket! A hozzászólás módosítva: Jan 16, 2019
Nos, az imént sikerült rátalálnom egy elég alattomos hibára, el merem kiabálni, hogy őt kerestük.
Fontos előzmény, hogy az utóbbi értetlen "üzemzavar" a D4 diódát tette tönkre A dióda záró irányú viselkedése nem hagyott nyugodni mely továbbra is fenn állt, kiforrasztottam a diódák egy-egy lábát, D4 katódját, D3 anódját, a képen jelölt helyen. Tömören, fény derült, hogy a két dióda közötti forrszemek időnként földre kerülnek ,kisebb-nagyobb ellenállást produkálva, jelenleg 1 ohm alatt mérek. A hiba "szerencsére" jó helyen volt, könnyen kiküszöböltem légszereléses technikával. Holnap ismételten tápra kapcsolom.
Jó nyom! Ezek szerint a test felé folyt el a keresett áram. Elég szépen el van hagyva az alkatrészlábaktól a föld fólia, hogyan jött ott létre vezetés? Netán megégett a panel?
A kimeneti DC egyensúly beállását a C224, C202 szintén 100 µF-es kondik is lassíthatják.
A nyáklemez kétoldalas, a beültetési oldalon a test, csak a forrszemek körül lett kimaratva a réz felület. A beültetés jónak és korrektnek tűnt, mérés szerint mégsem volt jó. Korábban valószínűleg volt valamekkora ellenállása mert néha mértem félvezetőket amiket egyszer félig rossznak mértem, aztán végül kiadta a helyeset is a műszer.
Jelenleg, a hátlapon üresen hagyott forrszemen mérhető a föld úgy, hogy a lyukon nem meg át alkatrészláb. Nem vagyok meggyőződve, hogy beültetés alatt, után keletkezett volna a hiba
Ez elég rosszul hangzik, mert ha feltáratlan marad a parazita vezetés oka, akkor az elvileg a NYÁK más részein is jelentkezhet idővel.
Sziasztok! Jamo sub 660 (Yung sd300) erősítő kapcsolási rajzot keresek. Főpanel alján U1 és U2 típusa/száma érdekelne. (Sajnos le van csiszolva.)
Hát kiderül holnap, hogy tápról mit produkál. A hiba elég szerencsés helyen van, mert 1 centi hosszú vezetősávról van szó, amit teljesen át tudtam hidalni a két diódát levegőben összeforrasztva. Én bizakodom.
Nem használtál (használt valaki) folyasztószert a forrasztáshoz? Engem megviccelt.
Ezt nem tudom megmondani, mert nem én ültettem be. Viszont a beültetési oldalon a réteg úgy le van kezelve, hogy aránylag határozott nyomással sem üti át a multiméter mérőhegye.. Azért nem értem a hiba forrását ,mert a test másik oldalon van, és a forrszem rendesen körbe lett marva a belültetési oldalon
Jaj, ne is mond Béla.
Alkatrészek hangja topicban az előmények. Szóval egy mezei aranyozott dip8-as adapter kellet csinálni mechanikai okokból. Meghajlítottam a egyiket, és ezt kellett a másikhoz forrasztani. Ekkor a fiam elkérte, hogy ő megcsinálja a tűpákájával. Mondtam neki ne használjon folyatót a conrad ezüstözött cinhez. Nos okosabbnak gondolta magát. Nem érdekelt, hogy egy kicsit ferde volt, hogy megolvadt helyenként, mert ideiglenesen kellett. Megnéztem nagyítóval nem látszott zárlat. Türelmetlenségemet talán magyarázza a Burson hangjának mielőbbi vágya, hát beraktam csodát várva. Nem csalódtam, az volt 3 másodpercig, amikor is az egyik oldal elhallgatott, és halk búgással jelezte a túláramot. Kikapcs. Hogy az a ...., mondtam, és kivéve azokat, ohmra fogtam a kézi műszert. Azt hittem rosszul látok, amikor egy-két láb között 0.5 megát mértem. Átkaparással javítottam, és hálálkodtam felfelé, hogy a Burson túlélte az inzultust. A hozzászólás módosítva: Jan 16, 2019
Sziasztok! Lenne egy kis problémám, van egy D class Kínai panelom amit aktív hangfalba építenék.
Ebben van egy +-15V ról járó (analóg) előfok ami hibátlanul tette dolgát idáig... A problémám az ha a kapcsolótápot a class d végfokal összekötöm, és rákerül jelforrásként az említett előfok lesz egy alapbrummja az egésznek. Egyébként ugyanez a probléma egy másik erősítővel is fennáll, csak ott class d a végfok és trafós a meghajtás. ahogy kapcsolótápot teszek rá lesz egy alapbrumm. Valakinek valami ötlete hogy lehetne nekiállni mérni, és kiírtani a medvét?
Ahogy nézem a C224 és a C202 is unipoláris kondenzátorok.
Csak olyan kondi mehet bele?
Mivel majdnem minden kínai, ez kevés. Linkeld be a konkrét modulokat, mert lehet hogy nem kompatibilisek egymással. Például egy kínai PWM végfok, meg egy BT modul nálam vagy csak külön tápról, vagy egy szimmetrikus bemenetű köztes fokozaton keresztül nem kerreg.
Nincs kapacitásmérőd? Koránt sem biztos, hogy cserére szorulnak. Még csak nem is pontosságuk számít, hanem a kapacitásuk egyezősége és ne legyen számottevő szivárgó áramuk.
Ha sima elkót próbálnál a pozitív essen a differenciálerősítő felé.
Szia! Nekem ugyanez a problémám. D osztályú TPA3116D2 2X100W végfok és egy bluetooth vevő kerreg össze közös tápról. Szétszedve őket külön tápról sem az igazi, igy is hallom valamennyire. A szimmetrikus bemenetű köztes fokozatról valami leírást tudnál nekem adni? Rajzot? Köszi!
Üdv.
Szerintem földhurok lesz. Az előfok és az erősítő testpontja közé próbáld meg a 100nF+100ohm (100nF és 100ohm párhuzamosan). Ha úgy se jó akkor vagy a bemenetnél vagy tápnál a test(GND)-t kikötni. Nekem az erősítő ic-jénél a kisfeszültségű résznél a testet úgy kellett megoldanom, hogy 100nF és 100ohm, így csöndbe van.
Közben szereztem LM393-as IC-t. Így egyből kicseréltem.
Nem hozott javulást. R69,78,79,88 és Q17, 18, 26, 27 mérés alapján jók. Van ötleted hol mehet el a buli?
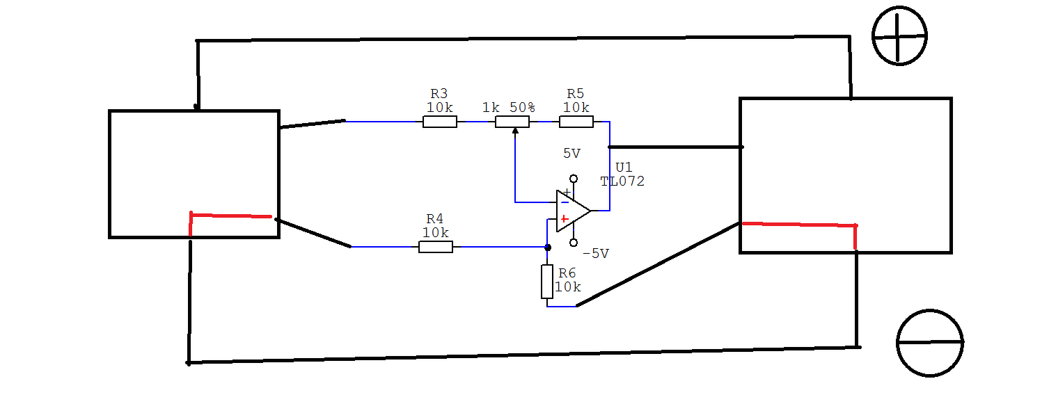
Valami ilyen. Persze sztereóhoz duplázva. A trimmerrel ki lehet nullázni a földhurok hibáját. Elcseszett erősítőkhöz utólagos beépítéssel a brumm kitrimmelhető vele. Természetesen szimpla táphoz is alkalmazható, csak át kell alakítani.
Viszont legjobb ha izolátorral leválasztottam a BT vevő tápját. Fel is tettem valahová itt a fórumon, de most nem találom.
Szüntesd meg mesterségesen az AC jelet ahogy korábban leírtam.
Annak eredményéből látni fogjuk merre van a hiba.
Van mérőm.
kivettem a C224-et és 568µF -ot mértem, 100µF helyett kiépítve. Gondolom akkor ez cserés lesz. Ez okozhatja a hibát? Valamint kiszedtem a C124-et is és azon 584µF -t mértem. Ezt nem értem. A hozzászólás módosítva: Jan 17, 2019
Elég rosszul fest az érték, a tervezettnél 5 és félszer később áll be a DC egyensúly. A C202-ről se feledkezz meg!
Egy 56 ohmos ellenállással a földre húztam a 2-es lábat.
Bekapcsoláskor a piros LED világit és nem is alszik el. Kikapcsoláskor pedig nem durran a kimenet. Tehát működhet a védelem így.
Igazából a hibát csak felvázoltam, mert még nincs itt a delikvens...
Ha ideér akkor vázolom.. Javításra hibakeresésre küldik.. Az én modulom :Bővebben: Link
Előszeretettel közösítik ezeken a modulokon a bemeneti és a táp gnd-t. Jó lenne látni az előfokot is, mert talán elég könnyen kiszűrhető a zúgás.
Trafós tápnál brummként, kapcsitápnál kerregés-prüntyögés formájában, akkus táplálásnál torzítás képében jelenik meg a földhurok. A hozzászólás módosítva: Jan 18, 2019
|
Bejelentkezés
Hirdetés |















