Fórum témák

» Több friss téma
Fórum » PC táp javítása
 
Témaindító: burkus, idő: Jún 19, 2006
Lapozás: OK   105 / 119
(#) attika válasza deebo hozzászólására (») Dec 18, 2018 /
 
Szia.
Bocsi de most vettem észre, hogy írtál.
Mindig ezt csinálja, ha van a kimeneten terhelés ha nincs.
(#) Trivium93 válasza attika hozzászólására (») Jan 6, 2019 / 1
 
Üdv. Akkor segédtáp. Valószínűleg ki kell cserélni a segédtáp kondijait. Nekem is volt ilyen, hogy néha elindult, néha meg nem.
Segédtáp omlott össze, szétszedtem púpos volt a kondi, így könnyű dolgom volt.
De kb 2 hónap után megint cserélhettem mert használt kondit raktam akkor hirtelen bele. Kicseréltem újra és nagyobbra és azóta megy. Szgép megy a segédtápról(alvó üzemmódba), tárolja az adatokat a memóriában, közben az usb eszközök tápot kapnak. Így is 5V megvan.
(#) xitibi hozzászólása Jan 7, 2019 /
 
Sziasztok.
Valakinek nincs meg ennek a tápnak a kapcsolási rajza?
Fujitsu siemens NPS-230EB B
Köszönöm.
(#) probert69 hozzászólása Jan 29, 2019 /
 
DPS-200PB-138C táppal van gondom. Testerrel vizsgálva a -12V helyett -12,9V van bekapcsoláskor, melyre a tester később "HH", tehát magas jelzést ad. A többi feszültség rendben van. Kondik nem hibásak, nem púposak, meg is lettek mérve, külső ránézésre a többi alkatrész is rendben, hol kezdjem a hibakeresést. Van egy rajzom bár nem pontosan ugyanaz de talán segít tájékozódni annak aki tapasztalt a témában.
A hozzászólás módosítva: Jan 29, 2019
(#) kadarist válasza probert69 hozzászólására (») Jan 29, 2019 /
 
Szia!
Nem kell vele foglalkozni, nem lényeges, de ha leterheled valamivel, akkor lehet, hogy beáll az érték
(#) attika válasza Trivium93 hozzászólására (») Jan 29, 2019 /
 
Kicseréltem az összes létező kondenzátort ami van benne de sajnos a hiba még mindig nem szűnt meg.
Lehet nyugdíjazom már, kiszolgálta az életét rendesen.
(#) probert69 válasza kadarist hozzászólására (») Jan 29, 2019 /
 
Közben megoldódott. Van egy -12v-os stabilizátor L7912CV (a mellékelt rajzon nincs ott nem az a rajz ) a függőleges hűtőborda legalsó eleme, az szállt el. Holnap veszek és megy (85 Ft ).
(#) fastaction hozzászólása Feb 10, 2019 /
 
Sziasztok ! Érdeklődnék , hogy , miért nem tudom 3 A felett használni egyik tápomban sem a + 12 V-os részt ? Hiába terhelem az 5 V-os ágat is . Az egyik még a 12 V-ot is figyeli és mégis kikapcsol 4 Amperes terhelésnél . A felíratok alapján 15 - 20 A a 12 V terhelhetősége .
(#) GPeti1977 hozzászólása Feb 11, 2019 /
 
Van egy régebbi 200W os tápom ami egy szabad ég alatt működő PC -t lát el árammal, fel lett újítva minden kondi cserélve mérve lett rajta, de 5C körüli hidegben nem indul el, KIA494P IC van benne. Illetve nem értem ha nincsen benne segédtáp és minden a szekunder oldalt van akkor hogyan indul?
(#) vision61 válasza GPeti1977 hozzászólására (») Feb 11, 2019 /
 
A régi AT tápokban nem volt segédtáp. (SB 5 V)
Valószínüleg ez is olyan.
(#) GPeti1977 válasza vision61 hozzászólására (») Feb 11, 2019 /
 
Olyan de mitől tud elindulni?
(#) _BiG_ válasza GPeti1977 hozzászólására (») Feb 11, 2019 /
 
Attól, hogy bekapcsolod.
Van benne indító ellenállás-zener-kondi. Amikor meg megy, segédtekercs a főtrafón.
(#) GPeti1977 válasza _BiG_ hozzászólására (») Feb 11, 2019 /
 
Nincsen, mert az IC a szekunder oldalt van.
(#) erbe válasza GPeti1977 hozzászólására (») Feb 11, 2019 /
 
A két primer puffer kondi közül indul egy kis segédtrafó a - pólus felé. 110 V-os a hálózati feszültség átkapcsolhatósága miatt. Ez látja el a ...494-es IC-t és a végfok meghajtó tranzisztorait.
Valamikor rengeteg AT táp rajzot összegyűjtöttem (javítottam is), de ezek a régi gépem merevlemezén maradtak. Hiszen ma már nincs rájuk szükség. Ha mégis, akkor meg már kívülről tudom.
(#) 13_Balu50 hozzászólása Feb 18, 2019 /
 
Sziasztok!
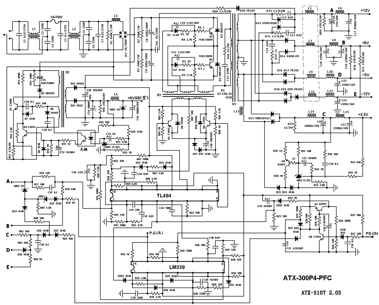
Van 2db hibás 450 W-os pc tápom azt szeretném megjavítani, egy kicsit fejlesszem magam a kapcsoló üzemü tápokban. Mindkettőnek ugyan az a hibája egy 1R2 ellenállás elfüstölt és a mellette lévő 1M-os ellenállást is tönkre tette. Ezeket cseréltem továbbá 2db rossz 1n4148-as diódát és egy rossz C1815 tranyót. Leválasztó trafó és soros égővel inditva az égő felvillan aztán elalszik, tehát zárlat nics. Viszont nincs meg továbbra sem a készenléti 5V- os tápfesz, így nem müködhet a többi rész sem.
Kapcsolást csatolok nagyban hasonlit, jól is alkalmazható. R13,R14 cserélve lett,D7, D8 cserélve lett, Q4 tranyó cserélve lett. Q1, Q2, Q3 tranyók jók. Mennie kellene , de mégsem akar, kellő müszerezettségem van,és egy ilyen müködő táp is, csak a tudásom nem elég alapos.
Gondolom a B2 trafó környékén kell keresnem a hibát, viszont ott már szinte minden alkatrészt átnéztem és nem találtam hibásat, maga a trafó kétséges, viszont kiforrasztani nem szeretném csak ha teljesen egyértelmü, hogy az a hibás, akkor viszont be is fejezem megvan a hiba. Nem az a lényeg, hogy a táp müködjön, hanem inkább a hiba megtalálása. Ja és az összes pupos kodi cserélve lett.
Előre is köszönöm a segítségeteket.
(#) ferci válasza 13_Balu50 hozzászólására (») Feb 18, 2019 /
 
Szia!
Véleményem szerint pár helyen válaszd le a segédtápot a 12 voltos szekunder részről és az 5 voltos DC kimenetet is ( 20-30 mA terheléssel ) és ha az már menne, akkor lépj tovább.
Tehát D21, R68 egyik végét kiemelnéd és ha nem indul ez a rész, akkor kellő körültekintéssel mérhetsz.
A B2 hibának nagyon kicsi az esélye.
(#) 13_Balu50 válasza ferci hozzászólására (») Feb 18, 2019 /
 
Mivel a kapcsolás csak hasonlit rá, és a pozició számok is eltérőek, meg kell keresnem, a d21 az megvolt azonnal, viszont az R68-at sőt az előtte lévő diódát se találom, van egy másik panelem, leszedem róla a tekercseket, aztán jelentkezem.
(#) ferci válasza 13_Balu50 hozzászólására (») Feb 18, 2019 /
 
A rajzod jobb felső sarkáról jön vissza egy még nem szűrt +12 volt.
Lényeg, hogy csak az 5 V SB üzemeljen és ne befolyásolhassa semmi más.
A hozzászólás módosítva: Feb 18, 2019
(#) 13_Balu50 válasza ferci hozzászólására (») Feb 18, 2019 /
 
Tudom, de a panelon nem találom, viszont méregetés közben a d22 dióda lehet hibás lesz, holnap kiforasztom egyik lábát és teszterrel ellenőrzöm. A nagy diódákat nem ellenőriztem le korábban, lehet hogy hiba volt.
(#) ferci válasza 13_Balu50 hozzászólására (») Feb 18, 2019 /
 
Ja, hát így nehéz dió... ha bármi leterheli a segédtápot, az már gond - ezért úgy képzeld el, mintha egy sima kis 5 voltos táp menne és ha az elindul, utána lehet variálni, mi hat rá vissza esetleg még.
(#) 13_Balu50 válasza 13_Balu50 hozzászólására (») Feb 18, 2019 /
 
A sárga vezeték (+12 V) és a d21 dióda között mért ellenállás 1R2, valahol van egy ellenállás csak nem találom meg.
(#) 13_Balu50 válasza 13_Balu50 hozzászólására (») Feb 18, 2019 /
 
Pontosítok a kapcsolási rajzon lévő D22-es dióda necces, ami az én nyákomon D05 pozicio számúnak felel meg, ha az hibás akkor érthető miért nincs +5V. A diódán mindkét irányban dióda vizsgáló állásban 109 körül mérek.
A hozzászólás módosítva: Feb 18, 2019
(#) ferci válasza 13_Balu50 hozzászólására (») Feb 18, 2019 /
 
Na mindegy, mi a pozíciószám, értelemszerűen keress és mérjél majd.
(#) 13_Balu50 válasza ferci hozzászólására (») Feb 18, 2019 /
 
Ami a dióda alá, vagy mellé van írva a panelen.
(#) erbe válasza 13_Balu50 hozzászólására (») Feb 18, 2019 /
 
Kiforrasztott diódán mérsz ennyit? Mert áramkörben más zavaró tényezők is vannak.
(#) 13_Balu50 válasza erbe hozzászólására (») Feb 19, 2019 /
 
Nem az áramkörben, miután majd kiemeltem az egyik lábát alkatrész teszterrel fogom ellenőrizni.
(#) 13_Balu50 válasza 13_Balu50 hozzászólására (») Feb 19, 2019 /
 
A kérdéses dióda kiemelve jó, viszont a katódján kiemelés nélkül 0 v-ot mérek, kiemelve viszont 3 V körüli értéket. A készenléti trafó szekunder oldali kivezetésein, az ahhoz csatlakozó diódák katódjain, kiemelve 3 V körüli értéket mérek, ugy hogy minden le lett róla választva 12 V és az 5 V is.
(#) ferci válasza 13_Balu50 hozzászólására (») Feb 19, 2019 /
 
Csak a 12 voltos dióda egyik végét emeld ki, hogy ott semmi terhelés ne legyen.
Az 5VSB írásnál válassz le mindent, ha lehet és tegyél rá 20...30...100 mA-es terhelést, különben mit se ér a mérés. Ha megvan stabilan az 5 volt, akkor teheted vissza az eredeti részt és megmarad-e. Ha ez is stimmelne, akkor jön a 12 volt - akkor mi lesz?
(#) 13_Balu50 válasza ferci hozzászólására (») Feb 19, 2019 /
 
Tehát a fentebb mellékelt kapcsolási rajz szerint d21, d22 diódán kiemelve V körüli értéket mérek, viszont ha a d22 nincs kiemelve akkor 0 V-ot. A c24, c26-os kondenzátorokat ujra cseréltem, a zéner diódát még meg kell keresnem, viszont az se lehet zárlatos mert, a test és a lila vezeték között 110 R mérek ugy ha a d22 dióda katódja ki van emelve a forrasztásból.
(#) 13_Balu50 válasza ferci hozzászólására (») Feb 19, 2019 /
 
úgy jártam el ahogyan leírtad, tettem a lila vezetékre és a test közé egy 12V5W-os égőt, ha a d22 be van forasztva 0 v-ot mérek és nem pislákol az égő. Viszont ha kiemelem a D22 dióda katódját akkor a katódon és a test között már mérek kb 3 V körüli értéket. Rakok fel jobb képet csk egy kis időbe tellik.
A hozzászólás módosítva: Feb 19, 2019
Következő: »»   105 / 119
Bejelentkezés

Belépés

Hirdetés
XDT.hu
Az oldalon sütiket használunk a helyes működéshez. Bővebb információt az adatvédelmi szabályzatban olvashatsz. Megértettem