Fórum témák
» Több friss téma |
Ez csak a töltésfelügyelet, a kisütés-é a gépben van, használd nyugodtan!
Nem ismerem a gépet közvetlenül, de én csak 5db rovátkát látok az akkupakkon, ami kevés egy 5S cellához.
Bővebben: Link A hozzászólás módosítva: Dec 25, 2019
Csak ismételni tudom az előzőeket, nekem van ilyen, belenéztem azért tudom.
Egyébként az az öt érintkező hat, 2-2 szélső battery+és-, két középsőből egyik a hőszenzor, másik az akku kiválasztás hogy 20 vagy 40 V.
Most volt időm jobban megnézni utána járni, mert nem hagyott nyugodni a dolog.
Szerintem: a 20V-os pakknál 3 érintkező van csak, + - és hőszenzor. A 20/40V-osnál pedig ki van vezetve mindkét 20V-os pakk (4 érintkező, így majd az dönti el, hogy 20V vagy 40V-ot kap-e a szerszám, hogy párhuzamosan vagy sorosan használja-e a gép a két pakkot), plusz a hőszenzor, plusz egy "ID" csatlakozó, tehát a töltő nem fér hozzá a cellákhoz egyesével. A videóban azt mondja a srác, hogy mélykisülés védelem nincs a pakkban, azt a rá csatlakoztatott szerszámnak kell figyelni, szóval akár 0V-ra is le lehetne meríteni a pakkot. Balanszoló ellenállásokat pedig én nem látok a nyákon, mégis BMS-ként van említve a panel, mikor teljesítmény félvezető sincs rajta, ami kapcsolná a 15-20A-t. Lehetséges, hogy a kis áramkör egyedül csak a LED-eket hajtja. Szóval érdemes ezzel a pakkal vigyázni. A hozzászólás módosítva: Dec 25, 2019
Az lehetséges, hogy a töltő az ID csatlakozón keresztül tisztában van a cellák feszültségével, de balanszálni valószínűleg nem tud.
A szerszámban pedig megtalálható a lekapcsoláshoz szükséges FET, viszont az meg a T csatlakozóra csúszik rá, szóval őt meg a cellák feszültsége nem érdekli, csak a hőmérséklet. Érdekes konstrukció, az biztos. Nekem csak a balanszáló rész hiányzik, egyébként ötletes a pakk!
Sziasztok! Némi segítséget kérnék: adott egy electrolux ultra power plus porszívó, amit sógoromtól kaptam hibásként. A helyzet az, hogy nem is mutatja töltés jeleit, az akksi pakkot szétszedtem már, kb minden cellán 0V mérhető, bár fel lehetne újítani, de elsősorban érdekelne, hogy külső tápról miképp tudnám üzembe helyezni a porszívót? Ha a + és - pontokra rácsatlakozok sima dc táppal, akkor működnie kellene, nem? Mert kicsit rizikós hogy veszek hozzá akksit, de kiderül hogy pl alaplap hibája van, nem akksi.
Ha már úgyis szétszedted azt az akkupakkot, miért nem próbálod cellánként helyretenni? C/20 árammal töltve nem lesznek százasok, de valami csak kiderül róluk. Az akkupakk és a gép között lehet hőmérsékletvisszajelzés, vagy cellánkénti, balanszálásra használt csatlkozó.
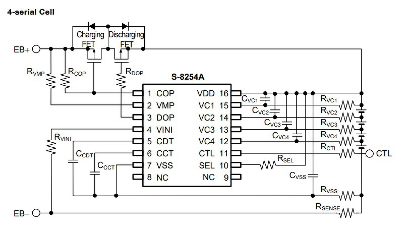
Meg tudnád mondani ezen az ábrán melyik kivezetést hova kell kötni hogy auto visszaálljon ? :
Fejből sajnos nem. Megnézted már az adatlapban? Vannak nagyon jó magyarázó ábrák. Ha jól tudom, a nyákon még az alkatrész helye is meg van, egy ellenállást kell áthelyezni, ha jól emlékszem, de ez már rég volt.
A PDF-ből vettem ki a képet.
Szerintem a 2. vagy a 4. pin lehet, de nem tudom jól értelmezni az angol magyarázatot: Link De arra semmi magyarázat nincs hogy esetleg valahogyan átállítható. A hozzászólás módosítva: Dec 26, 2019
Elsősorban a túláram részt kell elolvasni, mellékletben látod, melyik pin, milyen feltétel mellett oldja fel a védelmet.
Szerintem a VMP pin-t kell a GND-ről (vagy ahova kötve van) leszedned, és felkötni talán a legmagasabb potenciálra. Nézegesd a példakapcsolásokat, hogy hova kötik, ellenállást raknak-e be. Próbálni pedig úgy tudod, ha mondjuk kiveszed az egyik söntöt a két párhuzamosból (ha olyan a nyák), így már fele akkora áramra közbe fog a védelem lépni. Lefogod a csavarbehajtót, ekkor folyni fog egy jó pár Amper. Ha lekapcsol a védelem, majd amint megszűnt a terhelés visszakapcsol, minden oké. Én felkötném a VMP-t a 4S pakk pozitívjára egy 10k-n keresztül. Figyelj arra, hogy ne legyen rajta semmi más, mert akkor lehúzhatja a feszültséget! A hozzászólás módosítva: Dec 26, 2019
Sziasztok.
Adott három darab 3s 2p akkupakk. Ezt a három akkupakkot a linkelt BMS-el gond nélkül tölthetem és kisüthetem? A három akkupakk ugyanolyan kapacitású, szinte új. Egy db BMS-re ráforraszthatom a 3db akkupakkot (3s 6p formában)? Bővebben: Link
Véleményem szerint igen, kötheted. Az áram úgyis a cellák belső ellenállása alapján fog megoszlani. A sok párhuzamosan kapcsolt miatt kellene találnod valami védelmet, hogy ha az egyik cella bezárlatosodik, a másik 5db ne gyulladjon ki.
Elég lehet kettesével egy két amperos olvadóbiztosíték? Ennél több áramfelvétel ugysem lesz. Sajnos a BMS-en nincs hővédelem.
A hozzászólás módosítva: Jan 7, 2020
A biztosíték növeli a belső ellenállást. Nyugodtan alkalmazhat 4...10 A-es gk biztosítékot a lábak felhasználásával. Ha stabil a csomag, műanyag ház nélkül forraszd be.
Ilyen kis áramnál rakhatsz a csomagok közé biztosítékot, nem fog gondot okozni.
Van egy akkupakkom egy vakuból, amiben az elektronikát valaki egyszerűen áthidalta, hogy el tudja adni
Természetesen az akkuk kimúltak, de nem tudom, hogy hogyan kezdjem a hibakeresést! Kapcsolási rajzot nem találtam sajnos, viszont ezt a videót igen. Elképzelhető, hogy csak resetelni kellene? Szétbontottam a pakkot és az akkukból egy erősen korrodált volt, lehet, hogy emiatt letiltott és a kereskedő okos műszerésze csak áthidalta, hogy gyorsban el lehessen adni. Mire kell figyeljek?Godox WB26 az akku típusa.
Én a védelmet nem javítanám vagy reszetelném, hanem beraknék egy pár $-os BMS-t, balanszerrel. Nem tudom, hogy te, vagy az előző ember cserélte a cellákat, de azok a forrasztások és hosszan kilógó vezetékdarabok a cellák végződéseinél nem valami gusztusosak!
Így vettem „B” áruként, csak épp elfelejtette az eladó közölni a kókányolást amit szerintem ő maga csinált! Miután kiderült, (némi vita után) visszaadott 150€-t, az új akku 165 volt postával, szóval épp nem létszükséglet javítani, csak megpróbálnám a hiba okát kideríteni. Ha csak az volt a baj, hogy egy cella miatt letiltott, akkor az új cellákkal akár még jó is lehet -gondolom- egy reset után, de lehet ott más baj is! A pár $-os BMS-el az a baj, hogy nem kommunikál a vakuval és be sem kapcsol vele. Bár kínai a gyártó, a jobb fajtákból való, sok profi kínálja saját néven is a terméküket. Van az akku helyére helyezhető tápegységük is, az sem csak +--t ad ki, szóval a BMS-en túl van ott még valami, mint a laptop akkukban.
Sziasztok!
Egy navigáció Li-ion akksiját gondoltam rendbe rántani egy formázással és egy nagyon lassú töltéssel, de nem tudom, hogy a 4 vezetékből melyiken tegyem mindezt. piros - zöld - kék - fekete színű vezetékek közül a piros-kéken 1,8 V-ot, a piros-feketén 3,9 V-ot mérek. Melyik pároson kéne kisütnöm és töltenem? Egyáltalán kiderül ez ennyi infóból? Használtan vettem ezt a motoros navigációt és ultragáz, hogy amint kiveszem a tartójából, kb. 3 percig működik a szerkezet... egy tankolást kibír, de egy kávézást már nem. Azt remélem, hogy egy mélyformázással és lassú töltéssel rendbe tudom szedni.
Arra gondoltam, hogy ha az elektronika tiltásban van, a feszültség mégis megjelenik az akksi kimenetén, akkor nincs kommunikáció az akksi és a gép között. Logikátlan, ha egy átkötéssel a kommunikáció lényegtelen lenne.
Én csak mélykisülésben levő Lipo/Li-ion cellát tudtam visszahozni. Ami alapból sem volt terhelhető, annál ez a formázás nem segített.
Ha csak egy cellás az akksi (valószínű), akkor 3.5-4.2V feszültséget kell keresned. Töltsd fel az akksit, keress 4.2V-ot, merítsd le az akksit (3 perc csak ), és nézd meg, 3.5V van-e a 4.2V helyén. Ha igen, akkor azok a kimenetek, ott kell merítened, töltened.Amit szeretnél csinálni, az nálam csak NiCd/NiMh akksiknál vált be (ott is mélykisüléses akksikat hoztam vissza, és a formázás alatt egyre javult az állapotuk (csökkenő belső ellenállás, egyre nagyobb tárolt kapacitás).
Jogos, ettől függetlenül mégsem működik ha simán egy labortápról táplálom, bár az is igaz, hogy miután szétszedtem az akkut nem próbáltam többé azzal sem, mert megjött az új akku. Ráadásul nem is ismerem ezt a technikát igazán, csak egy gyors tipp volt részemről, mert pakolászás közben ráakadtam a maradványaira
Lehet bekapcsoláskor nagyot ránt az akksin a gép (optika kitolása?), és letiltott a labortápra. Majd kideríted, ha komolyabban érdekel.
Az meglehet! 600Ws-es vaku, kb. 2-4 másodperces újratöltéssel (1/2-es fényerőn szerintem villant minden másodpercben is), azért ott lehetnek nagy áramok. Az 1200-es hálózatim leveri a 10-es megszakítót viszont ha már fel vannak töltve a kondik egyszer (nem villantom el és átdugom másik konnektorba), utána már elmegy vele.
Csak összerakok egy akkupakkot és próbálkozom
Akkor ott az akksiknak is prémium minőségűeknek kell lenniük, a laptopból bontott akksik nem biztos, hogy jók lesznek.
Van még itthon pár belőle, egészen pontosan ez a tipus.
E-bike-ban jól teljesít. Ide jó lehet? Az amit kiszedtem a vakuból LG 2200mA volt. A bontott laptop akksikat általában játszani/próbálgatni használom vagy esetleg takarítógépbe mennek (mentek) eddig. Mondjuk most hozzám került 3 régebbi takarító robot, ott jó lenne valahogy a NiMh-ről Li-Ion-ra upgradelni. Ott az a bajom, hogy bár az akku 14V környéki volt benne, a töltő feszültség 20 felett van. Az is jó program lesz Hozzákezdtem már pár hónapja, de nem volt időm azóta sem foglalkozni vele. |
Bejelentkezés
Hirdetés |








Természetesen az akkuk kimúltak, de nem tudom, hogy hogyan kezdjem a hibakeresést! Kapcsolási rajzot nem találtam sajnos, viszont 
), és nézd meg, 3.5V van-e a 4.2V helyén. Ha igen, akkor azok a kimenetek, ott kell merítened, töltened.